Vedligeholdelse
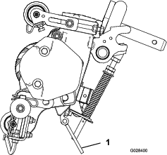
Brug af støttebenet ved vipning af klippeenheden
Note: Brug støttebenet (leveres med traktionsenheden), når det lodrette klipperedskabs skæreknive skal tippes for at blotte vertikalskæreknivene (Figur 12).

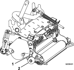
Smøring af det lodrette klipperedskab
Hvert lodrette klipperedskab har 5 smørenipler (Figur 13), der skal smøres ugentligt med litiumfedt nr. 2.
Smørepunkterne er den forreste rulle (2), den bageste rulle (2), knivcylindermotornoterne (1).
Important: Smøring af klippeenhederne umiddelbart efter vask hjælper med at rense vand ud af lejerne og øger lejernes levetid.
-
Tør hver smørenippel af med en ren klud.
-
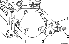
Påfør smørefedt, indtil rent smørefedt kommer ud af rullens pakninger og lejernes aflastningsventil (Figur 13).

-
Tør overskydende fedt af.
Fjernelse af det lodrette klipperedskabs knive fra akslen.
-
Fastgør det lodrette klipperedskabs akselende, som kun har en skive og møtrik, i en skruestik.
-
Drej møtrikken mod uret og fjern møtrikken på akslens anden ende.
Forsigtig
Knivene er ekstremt skarpe og kan have grater, som du kan skære hænderne på.
Bær handsker, og vær forsigtig, når skæreknivene fjernes fra akslen.
-
Fjern den lille afstandsbøsning, spændeskiven, skæreknivene og de store afstandsbøsninger. Rens og smør den firkantede aksel med et tyndt lag fedt for at forenkle monteringen (Figur 14).

Important: Det er meget vigtigt, at delene samles i den rigtige rækkefølge. Det lodrette klipperedskabs knive må ikke inverteres, når enheden skilles ad, og de må ikke samles i modsat rækkefølge. Læg mærke til referencehullerne i hver vertikalklipperskærekniv. Der er et referencehul til brug ved samling med henblik på at opnå den korrekte skruelinje for det lodrette klipperedskab.
Montering af vertikalklipperskæreknive
-
Monter en skærekniv (Figur 15).
-
Monter en stor afstandsbøsning.
-
Cylinderknivene må ikke vendes, når de monteres på knivcylinderakslen.
Note: Hvis du vender skæreknivene, blandes knivene, der er i brug (afrundede), med de skarpe kanter på tidligere ubrugte knive, hvilket kan medføre utilfredsstillende klippeydeevne.
-
Monter den næste kniv i urets retning, så referencehullet (Figur 15) ikke flugter med det første knivhul i forhold til en flade på akslen.

-
Fortsæt med at montere afstandsklodser og knive på denne måde, indtil samtlige knive er monteret.
Note: Når knivene er korrekt monteret, sidder de forskudt og ligner en spiral.
-
Monter den lille afstandsbøsning på akslen.
-
Påfør Blue Loctite 242 på møtrikken. Monter møtrikken på akslen (bearbejdet side af møtrikken mod afstandsbøsningen), og stram den til 109-135 N·m.
Mulig skæreknivsafstand
Skæreknivsafstand på 12,7 mm for model 03618
For at kunne ændre konfigurationen af det lodrette klipperedskab fra standardafstanden på 19,1 mm til 12,7 mm kræves yderligere 34 afstandsbøsninger, delnr. 17-1580, og yderligere 10 skæreknive af hårdmetal, delnr. 106-6355, eller yderligere 10 almindelige skæreknive, delnr. 17-1590 (Figur 16).

Skæreknivsafstand på 25,4 mm for model 03619
For at ændre konfigurationen af det lodrette klipperedskab fra standardafstanden på 31,8 mm til 25,4 mm kræves 19 nye afstandsbøsninger, delnr. 93-3092, og yderligere 4 skæreknive af hårdmetal, delnr. 106-8625, eller yderligere 4 almindelige skæreknive, delnr. 93-3038-03 (Figur 17).

Serviceeftersyn af rullen
Sæt til genmontering af rullen (delnr. 114-5430) og værktøjssæt til genmontering af rullen (delnr. 115-0803) (Figur 18), er tilgængelige til serviceeftersyn af rullen. Sættet til genmontering af rullen indeholder alle lejer, lejemøtrikker, indvendige og udvendige pakninger til genmontering af en rulle. Værktøjssættet til genmontering af rullen indeholder alt det værktøj og alle de installationsvejledninger, der er nødvendige til genmontering af rullen med sættet. Se reservedelskataloget, eller kontakt din autoriserede Toro-forhandler, hvis du har brug for hjælp.



, der betyder Forsigtig,
Advarsel eller Fare – personlig sikkerhedsanvisning, for at
nedsætte risikoen for personskade. Hvis disse forskrifter ikke
følges, kan det medføre personskade eller død.









