Deler som er nødvendige for dette trinnet:
| Mal | 1 |
Note: Denne prosedyren er kun for maskiner som ikke har hull allerede.
Note: Sørg for at malen er i korrekt posisjon på begge sider av front- og bakvalsene.
Parker maskinen på en jevn overflate, slå av motoren, blokker hjulene eller sett på parkeringsbremsen hvis festet til en trekkenhet, og ta nøkkelen ut av tenningsbryteren.
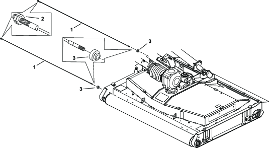
Juster malen som vist i Figur 1 og merk hullene.
Important: Sørg for at du har malen tett mot lagerhuset.

Merk posisjonen og bor 13/32 tommes hull på hver side ved enden av valsene (Figur 2).

Gjenta denne fremgangsmåten på venstre og høyre side av hvert klippeenhet.
Deler som er nødvendige for dette trinnet:
| Ledning | 12 |
| Hylse | 6 |
| Låseskive | 6 |
| Skive | 6 |
| Mutter | 6 |
Note: Installer en wire for hver valse.
Monter wiren inn i en foring som vist i Figur 3.

Monter wiren gjennom hullene på siden av klippeenheten.
Fest ledningen til klippeenhetens side med en mutter, låseskive, skive og foring (Figur 4).
Juster wirespenningen med mutteren.
Note: Påse at wiren er stram og uten slakk.

Gjenta denne prosedyren for hver klippeenhet.