Peças necessárias para este passo:
| Modelo | 1 |
Note: Este procedimento destina-se apenas a máquinas que não possuam os furos.
Note: Certifique-se de que o modelo está na posição correta em ambos os lados dos rolos frontal e traseiro.
Coloque a máquina numa superfície nivelada, desligue o motor, coloque calços nas rodas ou engate o travão de estacionamento se estiver ligada a uma unidade de tração e retire a chave da ignição.
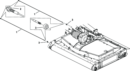
Alinhe o modelo como se mostra na Figura 1 e marque os furos.
Important: Certifique-se de que o modelo está bem encostado às caixas dos rolamentos.

Marque a posição e faça furos de 13/32 pol. Em cada lado da extremidade dos rolos (Figura 2).

Repita este procedimento nos lados esquerdo e direito de cada plataforma do cortador.
Peças necessárias para este passo:
| Cabo | 12 |
| Casquilho | 6 |
| Anilha de bloqueio | 6 |
| Anilha | 6 |
| Porca | 6 |
Note: Instale um fio em cada rolo.
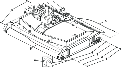
Instale o fio num casquilho como se mostra na Figura 3.

Instale o fio através dos furos na lateral da plataforma do cortador.
Instale o fio na lateral da plataforma do cortador com uma porca, anilha de bloqueio, anilha e casquilho (Figura 4).
Ajuste a tensão do fio com a porca.
Note: Certifique-se de que o fio está esticado e sem folga.

Repita este procedimento para cada plataforma do cortador.