Delar som behövs till detta steg:
| Mall | 1 |
Note: Denna procedur är endast avsedd för maskiner som inte har befintliga hål.
Note: Se till att mallen är i rätt läge på båda sidor om de främre och bakre rullarna.
Ställ maskinen på ett plant underlag, stäng av motorn, blockera hjulen eller koppla in parkeringsbromsen om den är kopplad till en traktorenhet och ta ut nyckeln ur tändningslåset.
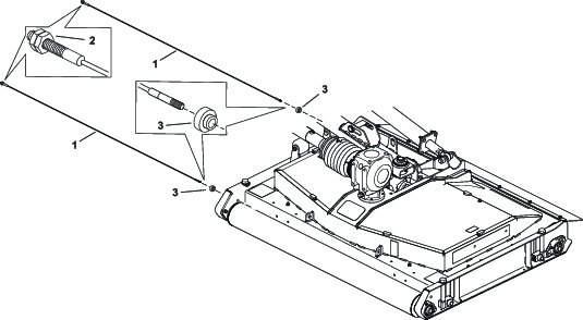
Justera mallen enligt Figur 1 och markera hålen.
Important: Se till att du har mallen tätt mot lagerhusen.

Markera positionen och borra 13/32 tums hål på vardera sidan vid änden av rullarna (Figur 2).

Upprepa proceduren på vänster och höger sida av varje klippdäck.
Delar som behövs till detta steg:
| Kabel | 12 |
| Bussning | 6 |
| Låsbricka | 6 |
| Bricka | 6 |
| Mutter | 6 |
Note: Montera en kabel för varje rulle.
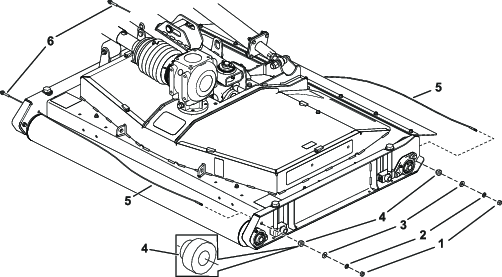
Montera kabeln i en bussning enligt Figur 3.

Montera kabeln genom hålen i sidan av klippdäcket.
Fäst kabeln på sidan av klippdäcket med en mutter, låsbricka, bricka och bussning (Figur 4).
Justera kabelspänningen med muttern.
Note: Se till att kabeln är spänd och utan slack.

Upprepa proceduren med varje klippdäck.