Piezas necesarias en este paso:
| Plantilla | 1 |
Note: Este procedimiento es solo para máquinas que no tienen taladros existentes.
Note: Asegúrese de que la plantilla esté en la posición correcta a ambos lados de los rodillos delantero y trasero.
Aparque la máquina en una superficie nivelada, pare el motor, calce las ruedas o accione el freno de estacionamiento si está conectado a una unidad de tracción y retire la llave del interruptor de encendido.
Alinee la plantilla tal y como se muestra en la Figura 1 y marque los taladros.
Important: Asegúrese de que la plantilla está apoyada totalmente contra el alojamiento del cojinete.

Marque la posición y perfore los taladros de 13/32" a cada lado al final de los rodillos (Figura 2).

Repita este procedimiento a la derecha y a la izquierda de cada carcasa del cortacésped.
Piezas necesarias en este paso:
| Cable | 12 |
| Casquillo | 6 |
| Arandela de freno | 6 |
| Arandela | 6 |
| Tuerca | 6 |
Note: Instale un cable para cada rodillo.
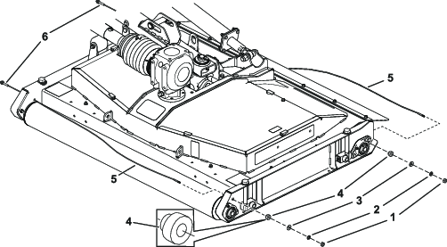
Instale el cable en un casquillo, tal y como se muestra en la Figura 3.

Instale el cable a través de los taladros en el lateral de la carcasa del cortacésped.
Conecte el cable en el lateral de la carcasa del cortacésped con una tuerca, una arandela de freno, una arandela y un casquillo (Figura 4).
Ajuste la tensión del cable con la tuerca.
Note: Asegúrese de que el cable está tenso y de que no tiene holgura.

Repita este procedimiento para cada carcasa del cortacésped.