Dele, der skal bruges til dette trin:
| Skabelon | 1 |
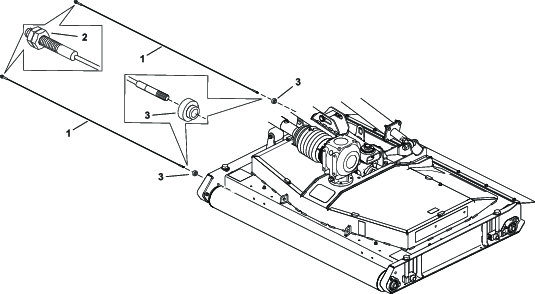
Note: Denne fremgangsmåde gælder kun for maskiner, der ikke har eksisterende huller.
Note: Sørg for, at skabelonen befinder sig i den korrekte position på begge sider af den forreste og bagerste rulle.
Parker maskinen på en plan flade, sluk for motoren, klods hjulene, aktiver parkeringsbremsen, hvis maskinen er koblet på en traktionsenhed, og tag nøglen ud af tændingskontakten.
Juster skabelonen som vist i Figur 1, og afmærk hullerne.
Important: Sørg for, at skabelonen ligger tæt mod lejehusene.

Afmærk positionen, og bor huller på 13/32" på hver side i rullernes ende (Figur 2).

Gentag denne procedure på venstre og højre side af hvert plæneklipperskjold.
Dele, der skal bruges til dette trin:
| Ledning | 12 |
| Bøsning | 6 |
| Låseskive | 6 |
| Spændeskive | 6 |
| Møtrik | 6 |
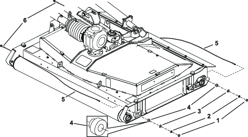
Note: Monter en ledning til hver rulle.
Monter ledningen i en bøsning som vist i Figur 3.

Monter ledningen gennem hullerne i plæneklipperskjoldets side.
Fastgør ledningen til plæneklipperskjoldets side med en møtrik, en låseskive, en spændeskive og en bøsning (Figur 4).
Juster ledningsspændingen med møtrikken.
Note: Sørg for, at ledningen er stram og uden slæk.

Gentag denne procedure for hvert plæneklipperskjold.