Parti necessarie per questa operazione:
| Dima | 1 |
Note: Questa procedura si applica solo alle macchine che non hanno fori preesistenti.
Note: Assicuratevi che la dima sia nella posizione corretta su entrambi i lati del rullo posteriore e di quello anteriore.
Parcheggiate la macchina su una superficie pianeggiante, spegnete il motore, bloccate le ruote con zeppe o inserite il freno di stazionamento se siete attaccati a un trattorino e togliete la chiave dall’interruttore di accensione.
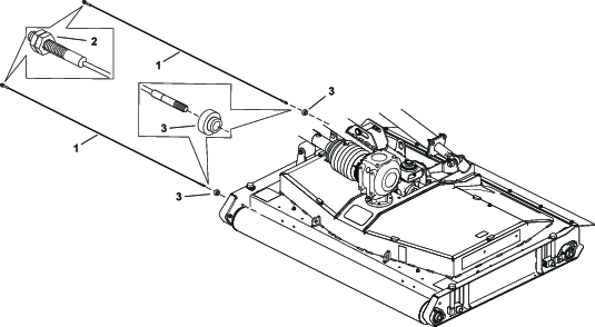
Allineate la dima come mostrato nella Figura 1 e contrassegnate la posizione dei fori.
Important: Assicuratevi che la dima aderisca all'alloggiamento del cuscinetto.

Contrassegnate la posizione e praticate fori da 13/32" su ciascun lato alle estremità dei rulli (Figura 2).

Ripetete la procedura sul lato destro e sinistro di ciascun piatto di taglio.
Parti necessarie per questa operazione:
| Cavo | 12 |
| Boccola | 6 |
| Rondella di bloccaggio | 6 |
| Rondella | 6 |
| Dado | 6 |
Note: Montate un cavo per ciascun rullo.
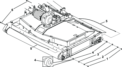
Montate il cavo in un cuscinetto come illustrato nella Figura 3.

Montate il cavo attraverso i fori sul lato del piatto di taglio.
Collegate il cavo al lato del piatto di taglio con un dado, una rondella di bloccaggio, una rondella e una boccola (Figura 4).
Regolate la tensione del cavo con il dado.
Note: Accertatevi che il cavo sia teso e privo di imbandi.

Ripetete questa procedura per ciascun piatto di taglio.