Benodigde onderdelen voor deze stap:
| Sjabloon | 1 |
Note: Deze procedure geldt enkel voor machines zonder bestaande openingen.
Note: Plaats het sjabloon correct aan weerszijden van de voor- en achterrol.
Parkeer de machine op een horizontaal oppervlak, zet de motor af, blokkeer de wielen of stel de parkeerrem in werking als de machine aan een tractie-eenheid gekoppeld is, en neem het sleuteltje uit het contact.
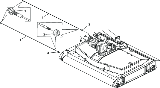
Lijn het sjabloon uit zoals wordt weergegeven in Figuur 1 en markeer de openingen.
Important: Zorg dat het sjabloon stevig tegen de lagerbehuizingen aanzit.

Markeer de locatie en boor openingen van 13/32" aan weerszijden aan de uiteinden van de rollen (Figuur 2).

Herhaal deze procedure aan de linker- en rechterkant van elk maaidek.
Benodigde onderdelen voor deze stap:
| Draad | 12 |
| Lagerbus | 6 |
| Borgring | 6 |
| Ring | 6 |
| Moer | 6 |
Note: Monteer een draad voor elke rol.
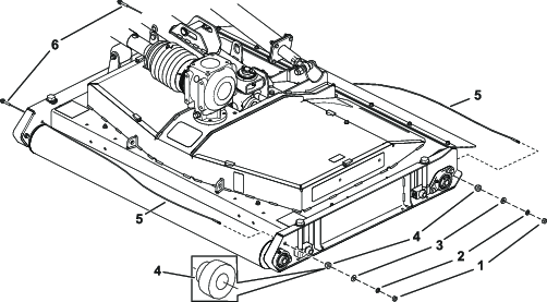
Breng de draad aan in een lagerbus; zie Figuur 3.

Breng de draad aan door de openingen in de zijkant van het maaidek.
Bevestig de draad aan de zijkant van het maaidek; gebruik hierbij een moer, borgring, ring en lagerbus (Figuur 4).
Breng de draad op de juiste spanning met de moer.
Note: Zorg dat de draad strak is.

Herhaal deze procedure bij alle maaidekken.