Für diesen Arbeitsschritt erforderliche Teile:
| Schablone | 1 |
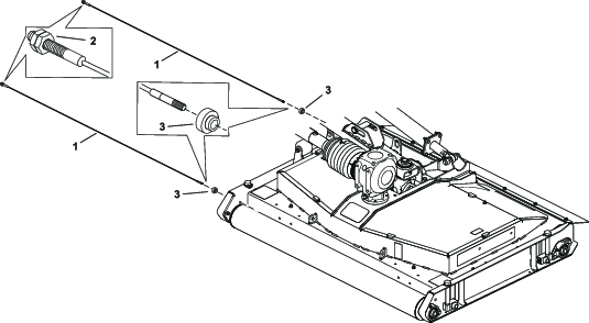
Note: Dieser Vorgang gilt nur für Maschinen, die keine vorhandenen Löcher haben.
Note: Vergewissern Sie sich, dass die Schablone auf beiden Seiten der vorderen und hinteren Rollen in der richtigen Position ist.
Stellen Sie die Maschine auf einer ebenen Fläche ab, stellen Sie den Motor ab, sichern Sie die Räder mit Unterlegkeilen oder ziehen Sie die Feststellbremse an (sofern vorhanden), und ziehen Sie den Zündschlüssel ab.
Richten Sie die Schablone wie in Bild 1 dargestellt aus und markieren Sie die Löcher.
Important: Achten Sie darauf, dass die Schablone fest mit den Lagergehäusen verbunden ist.

Markieren Sie die Position und bohren Sie Löcher mit einem 13/32" Bohrer auf jeder Seite am Ende der Rollen (Bild 2).

Wiederholen Sie diesen Vorgang auf der linken und rechten Seite jedes Mähwerks.
Für diesen Arbeitsschritt erforderliche Teile:
| Kabel | 12 |
| Büchse | 6 |
| Sicherungsscheibe | 6 |
| Scheibe | 6 |
| Mutter | 6 |
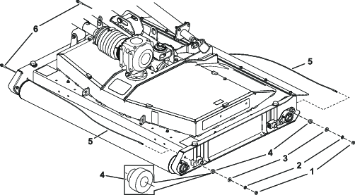
Note: Installieren Sie für jede Rolle ein Kabel.
Installieren Sie das Kabel in eine Buchse, wie in Bild 3 dargestellt.

Führen Sie das Kabel durch die Löcher in der Seite des Mähwerks.
Befestigen Sie das Kabel an der Seite des Mähwerks mit einer Mutter, Sicherungsscheibe, Unterlegscheibe und Buchse (Bild 4).
Stellen Sie die Kabelspannung mit der Mutter ein.
Note: Vergewissern Sie sich, dass das Kabel straff und spielfrei ist.

Wiederholen Sie diese Schritte für jedes Mähwerk.