Pièces nécessaires pour cette opération:
| Gabarit | 1 |
Note: Cette procédure ne concerne que les machines qui ne sont pas déjà munies de trous.
Note: Veillez à placer le gabarit correctement de chaque côté des rouleaux avant et arrière.
Garez la machine sur une surface plane et horizontale, coupez le moteur, calez les roues ou serrez le frein de stationnement si la machine est attelée à un groupe de déplacement, puis enlevez la clé de contact.
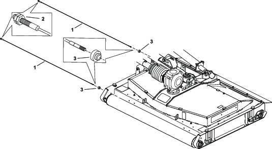
Alignez le gabarit comme montré à la Figure 1 et repérez l'emplacement des trous.
Important: Veillez à bien placer le gabarit contre le logement de roulement.

Repérez l'emplacement et percez des trous de 13/32 pouce de diamètre de chaque côté à l'extrémité des rouleaux (Figure 2).

Répétez cette procédure sur les côtés gauche et droit du plateau de coupe.
Pièces nécessaires pour cette opération:
| Câble | 12 |
| Douille | 6 |
| Rondelle-frein | 6 |
| Rondelle | 6 |
| Écrou | 6 |
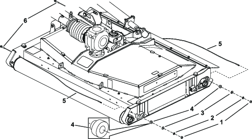
Note: Installez un câble pour chaque rouleau.
Faites passer le câble dans une douille, comme montré à la Figure 3.

Faites passer le câble dans les trous présents sur le côté du plateau de coupe.
Fixez le câble au côté du plateau de coupe avec un écrou, une rondelle frein, une rondelle et une douille (Figure 4).
Ajustez la tension du câble à l'aide de l'écrou.
Note: Vérifiez que le câble est bien tendu et ne s'affaisse pas.

Répétez cette procédure pour chaque plateau de coupe.