KALIFORNIEN
Proposition 65 Varning
Användning av produkten kan orsaka kemikalieexponering som av den amerikanska delstaten Kalifornien anses orsaka cancer, fosterskador och andra fortplantningsskador.
![]() |
Säkerhetsdekalerna och säkerhetsinstruktionerna är fullt synliga för föraren och finns nära alla potentiella farozoner. |

Parkera maskinen på ett plant underlag, sänk ned klippdäcket, koppla in parkeringsbromsen, stäng av motorn och ta ut nyckeln.
Koppla in parkeringsbromsen och kontrollera att gaspedalen är i NEUTRALLäGET och kraftuttagsspaken i det AVSTäNGDA läget.
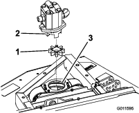
Ta bort skruvarna som fäster hydraulmotorn på klippdäcket (Figur 1).
Lyft av motorn från däcket och lägg den på en ren yta där den inte är i vägen.
Note: Var försiktig så att du inte skadar kopplingen i aluminium.

Ta bort den elastomeriska spindeln från remskivekopplingens insida. Kontrollera om det förekommer något slitage och byt ut den om den är sliten. Om så inte är fallet behåller du den och monterar den på det nya klippdäcket (Figur 2).
Note: Kontrollera om det förekommer slitage på spindelnavet och byt ut det om det är slitet (Figur 2).

Ta bort hårnålssprinten och sprintbulten som fäster klipphöjdslänken till klipphöjdsfästet på klippdäcket (Figur 3).

Ta bort de åtta skruvarna, brickorna och låsmuttrarna som fäster lyftarmsfästet på klippdäckets fästen (Figur 4).

Flytta bort klippdäcket från traktorenheten.
Skjut det nya klippdäcket på plats och montera det på traktorenheten genom att utföra proceduren omvänt.
Kontrollera att klippdäcket och traktorenheten är i linje så här:
Se till att maskinen står på ett plant och hårt underlag.
Placera en fyrkantig bit eller en rak kantbit mot klippdäckets svetskonstruktion som innehåller hjulgaffeln (Figur 5). Använd inte själva hjulgaffeln.

Mät från kantens inre fals (inte kantens yttre fals) till den raka kanten vid två ställen så som visas i Figur 5. Den yttre kanten är ingen bra mätpunkt eftersom den är oregelbunden och ojämnt målad. De två måtten får inte skilja sig åt med mer än 3 mm.
Om klippdäcket inte är i linje med traktorenheten lossar du på kontramuttern på vingdäcks-/stötdämparenhetens stångände (Figur 6). Justera kopplingen så att den roterar fritt i stötdämpningsröret. Gör alla justeringar medan stötdämparens stångände är fastskruvad i klippdäcket.

Höj och sänk klippdäcket och kontrollera om måtten är korrekt justerade. Dra åt kontramuttern till 155 Nm på stötdämparen.
Note: På grund av skillnader i gräsförhållanden och traktorenhetens motviktsinställning bör du klippa lite gräs och kontrollera utseendet innan du börjar klippa hela området. Se traktorenhetens bruksanvisning för däckbalanseringsprocedurer.