CALIFORNIA
Proposition 65-advarsel
Bruk av dette produktet kan forårsake eksponering for kjemikalier som staten California vet forårsaker kreft, fødselsdefekter eller annen forplantningsskade.
![]() |
Sikkerhetsmerker og -instruksjoner er lett synlige for føreren og er plassert i nærheten av alle områder som representerer en potensiell fare. |

Parker maskinen på en jevn overflate, senk klippeenheten, koble inn parkeringsbremsen, stans motoren og ta ut nøkkelen.
Koble inn parkeringsbremsen, påse at trekkpedalen er i NøYTRAL stilling og kraftuttaksspaken er i AV-stilling.
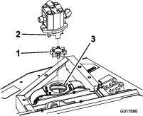
Fjern boltene som fester den hydrauliske motoren til klippeenheten (Figur 1).
Løft motoren ut av klippeenheten, og legg den på en ren overflate hvor den ikke er i veien.
Note: Påse at du ikke skader aluminiumskoblingen.

Fjern den stjerneformede elastomerkoblingen fra innsiden av remskivekoblingen. Inspiser den for slitasje, og skift den ut hvis den er slitt. Hvis ikke, behold den for montering på den nye klippeenheten (Figur 2).
Note: Inspiser det stjerneformede navet for slitasje, og skift det ut hvis den er slitt (Figur 2).

Fjern hårnålssplinten og splittpinnen som fester klippehøydekoblingen til klippehøydebraketten på klippeenheten (Figur 3).

Fjern de åtte boltene, skivene og låsemutterne som fester hvert enkelt løftearmfeste til klippeenhetsbrakettene (Figur 4).

Flytt klippeenheten bort fra trekkenheten.
Skyv den nye klippeenheten på plass, og monter den på trekkenheten ved å gjøre alt i omvendt rekkefølge.
Kontroller at klippeenheten er korrekt innjustert med trekkenheten på følgende måte:
Påse at maskinen står på en jevn, hard overflate.
Plasser en firkantet eller rett linjal mot den sveiste konstruksjonen på klippeenheten som inneholder styregaffelenheten (Figur 5). Ikke bruk selve styregaffelenheten.

Mål fra den forsenkede forsterkningsribben på kanten (ikke ytterkanten) til den rette kanten på de to stedene som er vist i Figur 5. Uregelmessigheter i kanten og lakken gjør at ytterkanten ikke er et pålitelig utgangspunkt for måling. Disse to målene skal ikke avvike med mer enn 3 mm.
Hvis klippeenheten ikke er på linje med trekkenheten, løsne låsemutteren på stagenden av sideklippeenhetens støtarm (Figur 6). Juster koplingen slik at den fritt roterer innenfor støtdempingsslangen. All justering må gjøres mens stagenden av støtarmen er boltet til klippeenheten.

Hev og senk klippeenheten og kontroller målene for korrekt justering. Stram låsemutteren på støtarmenheten til 155 Nm.
Note: På bakgrunn av forskjeller i gressforhold og motvektsinnstillingen til trekkenheten, bør du klippe gress og kontrollere resultatet før du begynner å klippe hele plenen. Se trekkenhetens brukerhåndbok for fremgangsmåte for oppretting.