CALIFORNIA
Avvertenza norma "Proposition 65"
L'utilizzo del presente prodotto potrebbe esporre a sostanze chimiche che nello Stato della California sono considerate cancerogene e causa di anomalie congenite o di altre problematiche della riproduzione.
![]() |
Gli adesivi di sicurezza e di istruzione sono chiaramente visibili e sono affissi accanto a zone particolarmente pericolose. |

Parcheggiate la macchina su una superficie pianeggiante, abbassate il piatto di taglio, inserite il freno di stazionamento, spegnete il motore e togliete la chiave.
Accertatevi che il pedale della trazione sia in FOLLE e che la leva della PDF sia in posizione di SPEGNIMENTO.
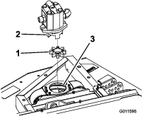
Rimuovete i bulloni che fissano il motore idraulico al piatto di taglio (Figura 1).
Sollevate il motore dal piatto di taglio, quindi posatelo su una superficie pulita, dove non sia d’intralcio.
Note: Assicuratevi di non danneggiare l’accoppiamento in alluminio.

Estraete la crociera elastomerica dall’interno dell’accoppiamento delle pulegge. Ispezionatela per escludere usura e sostituitela se usurata. Altrimenti, conservatela per installarla sul nuovo piatto di taglio (Figura 2).
Note: Ispezionate il mozzo del giunto per escludere usura e sostituitelo, se usurato (Figura 2).

Rimuovete la coppiglia e il perno con testa che fissano la biella dell’altezza di taglio alla staffa dell’altezza di taglio sul piatto (Figura 3).

Rimuovete gli 8 bulloni, rondelle e dadi di bloccaggio che fissano il supporto del braccio di sollevamento alle staffe del piatto di taglio (Figura 4).

Allontanate il piatto di taglio dal trattorino.
Fate scorrere il nuovo piatto di taglio in posizione e montatelo sul trattorino invertendo questa procedura.
Controllate l'allineamento dell'apparato di taglio rispetto al trattorino nel modo seguente:
Assicuratevi che la macchina si trovi su una superficie piana e solida.
Posizionate una squadra o una riga contro l'elemento saldato dell'apparato di taglio che comprende la forcella della ruota orientabile (Figura 5). Non prendete come riferimento la forcella stessa.

Misurate la distanza tra il solco (non il bordo esterno) del cerchio della ruota e la riga a livello dei 2 punti indicati nella Figura 5. A causa di eventuali irregolarità del cerchio e della vernice, il bordo esterno non è un riferimento affidabile per effettuare misurazioni. Queste 2 misure devono rientrare entro 3 mm l'una dall'altra.
Se il piatto di taglio non è allineato con il trattorino, allentate il controdado sull’estremità dell’asta del gruppo del braccio paraurti del piatto laterale (Figura 6). Regolate l’accoppiamento, in modo tale che ruoti liberamente all’interno del tubo di assorbimento degli urti. Effettuate tutte le regolazioni con l’estremità dell’asta del braccio paraurti fissata sul piatto di taglio.

Sollevate e abbassate l'apparato di taglio, quindi controllate le dimensioni per verificare che l'allineamento sia corretto. Serrate il controdado a 155 N·m sul gruppo del braccio paraurti.
Note: A causa delle differenze nelle condizioni dell’erba e l’impostazione di controbilanciamento del trattorino, tagliate l’erba e controllatane l’aspetto prima di tosare l’intera area. Fate riferimento al Manuale dell'operatore del trattorino per le procedure di livellamento del piatto di taglio.