KALIFORNIEN
Warnung zu Proposition 65
Bei Verwendung dieses Produkts sind Sie ggf. Chemikalien ausgesetzt, die laut den Behörden des Staates Kalifornien krebserregend wirken, Geburtsschäden oder andere Defekte des Reproduktionssystems verursachen.
![]() |
Die Sicherheits- und Bedienungsschilder sind gut sichtbar; sie befinden sich in der Nähe der möglichen Gefahrenbereiche. |

Parken Sie die Maschine auf einer ebenen Fläche, senken Sie das Mähwerk ab, aktivieren Sie die Feststellbremse, stellen Sie den Motor ab und ziehen Sie den Schlüssel ab.
Stellen Sie sicher, dass das Fahrpedal in der NEUTRAL-Stellung und der Zapfwellenhebel in der AUS-Stellung ist.
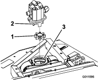
Entfernen Sie die Schrauben, mit denen der Hydraulikmotor am Mähwerk befestigt ist (Bild 1).
Heben Sie den Motor vom Mähwerk ab und legen Sie ihn auf eine saubere, abgelegene Oberfläche.
Note: Achten Sie darauf, dass Sie die Aluminiumkupplung nicht beschädigen.

Nehmen Sie das dehnbare Drehkreuz von der Innenseite der Riemenscheibenkupplung ab. Prüfen Sie es auf Abnutzung und tauschen Sie es aus, wenn es abgenutzt ist. Bewahren Sie es andernfalls für die Installation auf dem neuen Mähwerk auf (Bild 2).
Note: Prüfen Sie die Drehkreuznabe auf Abnutzung und tauschen Sie sie aus, wenn sie abgenutzt ist (Bild 2).

Nehmen Sie den Lastösenbolzen und den Splint ab, mit denen das Schnitthöhenverbindungsglied am Mähwerk an der Schnitthöhenstange befestigt ist (Bild 3).

Entfernen Sie die acht Schrauben, Scheiben und Sicherungsmuttern, mit denen die Hubarmbefestigung an den Mähwerkshalterungen befestigt ist (Bild 4).

Schieben Sie das Mähwerk von der Zugmaschine weg.
Schieben Sie das neue Mähwerk in die richtige Position und befestigen Sie es an der Zugmaschine (gehen Sie in umgekehrter Reihenfolge vor).
So prüfen Sie die Ausrichtung der Zugmaschine:
Stellen Sie sicher, dass die Maschine auf einer ebenen, befestigten Oberfläche steht.
Legen Sie eine rechteckige oder gerade Kante gegen die Mähwerkschweißstelle, die die Laufradgabel enthält (Bild 5). Verwenden Sie nicht die Laufradgabel selbst.

Messen Sie den Abstand zwischen dem eingelassenen Flansch der Kante (nicht der äußeren Kante) und der geraden Kante an zwei Stellen, wie in Bild 5 dargestellt. Aufgrund von Kanten- und Lackierunregelmäßigkeiten ist die äußere Kante kein zuverlässiger Messpunkt. Der Unterschied zwischen den beiden Werten darf nicht größer als 3 mm sein.
Wenn das Mähwerk nicht mit der Zugmaschine ausgerichtet ist, lösen Sie die Klemmmutter am Stangenende der Stoßdämpfer am Seitenmähwerk (Bild 6). Stellen Sie die Kupplung so ein, dass sie sich frei im Inneren des Stoßdämpferrohrs dreht. Führen Sie alle Einstellungen nur durch, wenn das Stangenende des Stoßdämpferarms am Mähwerk angeschraubt ist.

Heben Sie das Mähwerk an und senken Sie es ab, und prüfen Sie die Werte für eine richtige Einstellung. Ziehen Sie die Klemmmutter auf ein Drehmoment von 155 Nm an den Stoßdämpfern an.
Note: Aufgrund unterschiedlicher Grasverhältnisse und der Ballasteinstellung der Zugmaschine sollten Sie zunächst ein kleines Stück mähen und das Erscheinungsbild überprüfen, bevor Sie die gesamte Rasenfläche mähen. Weitere Informationen zur Ausrichtung des Mähwerks finden Sie in der Bedienungsanleitung Ihrer Zugmaschine.