CALIFORNIA
Advertencia de la Propuesta 65
El uso de este producto puede provocar la exposición a sustancias químicas que el Estado de California considera causantes de cáncer, defectos congénitos u otros trastornos del sistema reproductor.
![]() |
Las pegatinas e instrucciones de seguridad están a la vista del operador y están ubicadas cerca de cualquier zona de peligro potencial. |

Aparque la máquina en una superficie nivelada, baje las carcasas del cortacésped, accione el freno de estacionamiento, apague el motor y retire la llave.
Compruebe que el pedal de tracción está en la posición de PUNTO MUERTO y que el interruptor de la TDF está en la posición de DESACTIVADO.
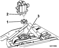
Retire los pernos que fijan el motor hidráulico a la carcasa (Figura 1).
Retire el motor de la carcasa y colóquelo en una superficie limpia donde no estorbe.
Note: Asegúrese de no dañar el acoplamiento de aluminio.

Retire la araña de enganche elastomérico del interior del acoplamiento de la polea. Inspecciónela y cámbiela si está desgastada. De lo contrario, consérvela para instalarla en la nueva carcasa (Figura 2).
Note: Inspeccione el cubo de enganche de la araña y cámbielo si está desgastado (Figura 2).

Retire el pasador y la chaveta que sujetan el enlace de ajuste de la altura de corte al soporte de ajuste de la altura de corte en la carcasa (Figura 3).

Retire los 8 pernos, arandelas y contratuercas que sujetan el soporte de los brazos de elevación a los soportes de la carcasa del cortacésped (Figura 4).

Aleje la carcasa del cortacésped de la unidad de tracción.
Deslice la nueva carcasa del cortacésped en su posición y móntela en la unidad de tracción siguiendo este procedimiento a la inversa.
Compruebe la alineación de la carcasa con la unidad de tracción de la siguiente manera:
Asegúrese de que la máquina esté en una superficie dura y nivelada.
Coloque una escuadra o una regla contra el soporte soldado de la carcasa que contiene el conjunto de la horquilla de la rueda giratoria (Figura 5). No utilice el conjunto de la horquilla en sí.

Mida desde el reborde interior de la llanta (no desde el borde exterior de la llanta) hasta la regla en al menos 2 lugares, según se indica en la Figura 5. El borde exterior de la llanta no es un punto de referencia fiable debido a irregularidades de la llanta y de la pintura. La diferencia entre las 2 medidas debe ser de 3 mm o menos.
Si la carcasa no está alineada con la unidad de tracción, afloje la tuerca autoblocante en el extremo de la varilla del conjunto del brazo del amortiguador de la carcasa lateral (Figura 6). Ajuste el acoplamiento de modo que gire libremente dentro del tubo de amortiguación. Realice todos los ajustes con el extremo del brazo del amortiguador atornillado a la carcasa.

Eleve y baje la carcasa y compruebe las dimensiones y la alineación. Apriete la tuerca autoblocante a 155 N•m en el conjunto del brazo del amortiguador.
Note: Debido a las diferencias en los estados de los césped y el ajuste de contrapeso de la unidad de tracción, siegue la hierba y compruebe su aspecto antes de segar toda el área. Consulte el Manual del operador de la unidad de tracción para conocer los procedimientos de nivelación de la carcasa.