CALIFORNIË
Proposition 65 Waarschuwing
Gebruik van dit product kan leiden tot blootstelling aan chemische stoffen waarvan de Staat Californië weet dat ze kanker, geboorteafwijkingen en andere schade aan het voortplantingssysteem veroorzaken.
![]() |
Veiligheidsstickers en veiligheidsinstructies zijn gemakkelijk zichtbaar voor de bestuurder en bevinden zich bij plaatsen waar gevaar kan ontstaan. |

Parkeer de machine op een horizontaal oppervlak, laat het maaidek naar beneden, stel de parkeerrem in werking, zet de motor af en verwijder het sleuteltje.
Zorg ervoor dat het tractiepedaal in NEUTRAAL staat en de aftakashendel in de stand UIT.
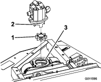
Verwijder de bouten waarmee de hydraulische motor aan het maaidek is bevestigd (Figuur 1).
Til de motor uit het maaidek en leg deze op een schoon oppervlak. Zorg dat hij niet in de weg ligt.
Note: Zorg ervoor dat u de aluminium koppeling niet beschadigt.

Verwijder de ster van elastomeer vanuit de binnenzijde van de poeliekoppeling. Controleer deze op slijtage en vervang hem indien hij beschadigd is. Als dit niet het geval is, bewaar hem om hem te monteren op het nieuwe maaidek (Figuur 2).
Note: Controleer de sternaaf op slijtage en vervang deze in geval van beschadiging (Figuur 2).

Verwijder de R-pen en de gaffelpen waarmee de maaihoogtekoppeling aan de maaihoogtebeugel op het maaidek is bevestigd (Figuur 3).

Verwijder de 8 bouten, ringen en borgmoeren waarmee elke hefarmbevestiging aan de beugels van het maaidek is bevestigd (Figuur 4).

Plaats het maaidek weg van de tractie-eenheid.
Schuif het nieuwe maaidek naar de juiste plaats en monteer het aan de tractie-eenheid door deze procedure in omgekeerde volgorde uit te voeren.
Controleer als volgt de uitlijning van het maaidek met de tractie-eenheid:
Zorg ervoor dat de machine op een horizontaal, hard oppervlak staat.
Plaats een vierkante of rechte hoek tegen het gelaste gedeelte van het maaidek met de zwenkwielvorkconstructie (Figuur 5). Gebruik niet de zwenkwielvorkconstructie zelf.

Meet de afstand vanaf de binnenrand van de velg (niet vanaf de buitenrand van de velg) tot de rechte hoek op de twee plaatsen zoals aangegeven in Figuur 5. Door de velg zelf en onregelmatigheden in de verf is de buitenrand een ongeschikt meetpunt. Deze twee afstanden mogen niet meer dan 3 mm van elkaar verschillen.
Als het maaidek niet uitgelijnd is met de tractie-eenheid, moet u de contramoer losdraaien op het stanguiteinde van de schokarm van het zijmaaidek (Figuur 6). Stel de koppeling af zodat deze vrij ronddraait binnen de schokabsorptiebuis. Voer alle aanpassingen uit terwijl het stanguiteinde van de schokarm met bouten aan het maaidek is bevestigd.

Breng het maaidek omhoog en omlaag en controleer de uitlijning. Draai de contramoer vast met een torsie van 155 Nm op de schokarm.
Note: Omwille van verschillen in grasomstandigheden en de instelling van het tegengewicht van de tractie-eenheid, moet u het gras maaien en het resultaat controleren voordat u het hele gazon maait. Raadpleeg de gebruikershandleiding van de tractie-eenheid voor de procedures voor het horizontaal stellen van het maaidek.