CALIFÓRNIA
Proposição 65 Aviso
É do conhecimento do Estado da Califórnia que a utilização deste produto pode causar exposição a químicos que podem provocar cancro, defeitos congénitos ou outros problemas reprodutivos.
![]() |
Os autocolantes de segurança e de instruções são facilmente visíveis e situam-se próximo das zonas de potencial perigo. |

Estacione a máquina numa superfície nivelada, desça a plataforma do cortador, engate o travão de estacionamento, desligue o motor e retire a chave.
Assegure-se de que o pedal de tração está em PONTO MORTO e a alavanca da tomada de força está na posição DESLIGAR.
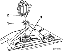
Retire os parafusos que fixam o motor hidráulico à plataforma (Figura 1).
Eleve o motor da plataforma e coloque-o numa superfície limpa, fora do caminho.
Note: Certifique-se de que não danifica o acoplador de alumínio.

Retire a aranha elastomérica do acoplador do interior do acoplador da polia. Verifique se apresenta desgaste e substitua-a se estiver danificada. Caso contrário, guarde-a e instale-a na nova plataforma (Figura 2).
Note: Verifique se existe desgaste no cubo da aranha e substitua se estiver gasta (Figura 2).

Retire o contrapino de gancho e pino de segurança que fixam o anel da altura de corte ao suporte da altura de corte na plataforma (Figura 3).

Retire os oito parafusos, anilhas e porcas de bloqueio que prendem a montagem do braço de elevação aos suportes da plataforma do cortador (Figura 4).

Mova a plataforma do cortador afastando-a da unidade de tração.
Deslize a nova plataforma de corte para a posição e monte-a na unidade de tração invertendo o procedimento.
Verifique o alinhamento da plataforma em relação à unidade de tração da seguinte forma:
Certifique-se de que a máquina se encontra numa superfície nivelada.
Coloque um quadrado ou uma régua contra soldadura da plataforma que contém a montagem da forquilha da roda giratória (Figura 5). Não utilize a própria forquilha da roda giratória.

Meça partir da parte interior do rebordo não a partir da extremidade exterior do rebordo) em ângulo reto em dois locais como indicado em (Figura 5). As irregularidades do rebordo e da tinta tornam a extremidade exterior um ponto de medição não fiável. Deve haver uma distância de 3 mm entre estas duas medidas.
Se a plataforma não estiver alinhada com a unidade de tração, desaperte a porca de retenção na extremidade da barra do conjunto do braço da plataforma lateral (Figura 6). Ajuste o acoplador de forma a que rode livremente dentro do tubo do amortecedor. Faça todos os ajustes com a extremidade da barra do braço amortecedor aparafusado à plataforma.

Suba e desça a plataforma e verifique as dimensões para um alinhamento correto. Aperte a porca de retenção com 155 N•m no conjunto do braço do amortecedor.
Note: Devido às diferenças existentes nas condições de relva e nos valores de equilíbrio da unidade de tração, corte a relva e verifique o resultado antes de começar a cortar a relva na totalidade. Consulte o Manual do utilizador da unidade de tração quanto a procedimentos de nivelamento da plataforma.