CALIFORNIEN
Advarsel i henhold til erklæring nr. 65
Brug af dette produkt kan medføre eksponering over for kemikalier, der ifølge staten Californien er kræftfremkaldende og giver medfødte defekter eller andre forplantningsskader.
![]() |
Sikkerheds- og instruktionsmærkaterne kan nemt ses af operatøren og er placeret tæt på potentielle risikoområder. |

Parker maskinen på en plan overflade, sænk plæneklipperskjoldet, aktiver parkeringsbremsen, sluk motoren, og tag nøglen ud.
Sørg for, at traktionspedalen er i positionen NEUTRAL, og at kraftudtagets håndtag er i positionen OFF (fra).
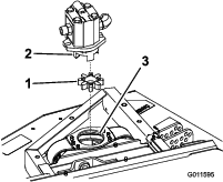
Fjern boltene, som fastgør hydraulikmotoren til skjoldet (Figur 1).
Løft motoren af skjoldet, og læg det på en ren overflade, hvor det ikke er i vejen.
Note: Sørg for, at du ikke kommer til at beskadige aluminumskoblingen.

Fjern elastomerdifferentialekrydset fra indersiden af remskivekoblingen. Efterse det for slid, og udskift det, hvis det er slidt. I modsat fald skal det bibeholdes og monteres på det nye skjold (Figur 2).
Note: Efterse differentialekrydsnavet for slid, og udskift det, hvis det er slidt (Figur 2).

Fjern låseclipsen og gaffelbolten, der fastgør klippehøjdeleddet til klippehøjdebeslaget på skjoldet (Figur 3).

Fjern de 8 bolte, spændeskiver og låsemøtrikker, der fastgør løftearmsbeslaget på plæneklipperskjoldets beslag (Figur 4).

Flyt plæneklipperskjoldet væk fra traktionsenheden.
Skyd den nye plæneklipperskjold på plads, og monter det på traktionsenheden ved at udføre denne procedure i omvendt rækkefølge.
Kontroller skjoldets placering i forhold til traktionsenheden som følger:
Sørg for, at maskinen befinder sig på en plan, hård overflade.
Placer et vinkelmål eller et retholt mod skjoldsvejsekonstruktionen, der indeholder styrehjulsgaflen (Figur 5). Brug ikke selve styrehjulsgaflen.

Mål fra fælgens indsatte vulst (ikke fælgens yderste kant) til 2 steder på retholtet som angivet i Figur 5. Uregelmæssigheder i fælgen og lakken gør den yderste kant til et upålideligt sted at måle. Disse to mål skal ligge inden for 3 mm fra hinanden.
Hvis skjoldet ikke er rettet ind efter traktionsenheden, skal du løsne kontramøtrikken på stangenden af det sidemonterede skjolds stødarm (Figur 6). Juster koblingen, så den kan dreje frit inden i stødabsorberingsrøret. Foretag alle justeringer med stangenden af stødarmen boltet til skjoldet.

Hæv og sænk skjoldet, og mål for at kontrollere, at placeringen er korrekt. Spænd kontramøtrikken til 155 Nm på stødarmen.
Note: På grund af forskelle i græsforholdene og traktionsenhedens modvægtsindstillinger anbefales det, at du klipper et græsstykke og kontrollerer udseendet, før hele plænen klippes. Se traktionsenhedens betjeningsvejledning for at få anvisninger i skjoldnivelleringsprocedurer.