CALIFORNIE
Proposition 65 - Avertissement
L'utilisation de ce produit peut entraîner une exposition à des substances chimiques considérées pas l'état de Californie comme capables de provoquer des cancers, des anomalies congénitales ou d'autres troubles de la reproduction.
![]() |
Des autocollants de sécurité et des instructions bien visibles par l'opérateur sont placés près de tous les endroits potentiellement dangereux. |

Garez la machine sur une surface plane et horizontale, abaissez le plateau de coupe, serrez le frein de stationnement, coupez le moteur et enlevez la clé.
Vérifiez que la pédale de déplacement est en position NEUTRE et que la commande de la prise de force est en position DéSENGAGéE.
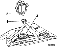
Enlevez les boulons qui fixent le moteur hydraulique au plateau de coupe (Figure 1).
Soulevez le moteur du plateau et posez-le à l'écart sur une surface propre.
Note: Veillez à ne pas endommager le coupleur en aluminium.

Retirez l'amortisseur en étoile en élastomère qui se trouve à l'intérieur du coupleur de poulie. Vérifiez son usure et remplacez-le au besoin. S'il est en bon état, conservez-le pour le monter sur le nouveau plateau (Figure 2).
Note: Vérifiez l'usure du moyeu de l'amortisseur en étoile et remplacez-le au besoin (Figure 2).

Retirez la goupille fendue et l'axe de chape qui fixent la biellette de hauteur de coupe au support de hauteur de coupe sur le plateau (Figure 3).

Retirez les 8 boulons, rondelles et contre-écrous qui fixent le support de bras de levage aux supports du plateau de coupe (Figure 4).

Éloignez le plateau de coupe du groupe de déplacement.
Glissez le nouveau plateau de coupe en place et fixez-le au groupe de déplacement en inversant cette procédure.
Vérifiez l'alignement du plateau par rapport au groupe de déplacement comme suit :
Placez la machine sur une surface stable, plane et horizontale.
Placez un bord d'équerre ou une règle droite contre la partie soudée du plateau qui comprend la fourche de la roue pivotante (Figure 5). N'utilisez pas la fourche même.

Mesurez la distance du rebord de jante intérieur (pas du rebord extérieur) à la règle droite en 2 points, comme indiqué à la Figure 5. Les irrégularités de la jante et de la peinture font du rebord extérieur un point de mesure peu fiable. Ces 2 mesures ne doivent pas différer de plus de 3 mm.
Si le plateau n'est pas aligné sur le groupe de déplacement, desserrez l'écrou de blocage au bout de la tige du bras amortisseur du plateau latéral (Figure 6). Réglez le coupleur pour lui permettre de tourner librement dans le tube amortisseur. Effectuez tous les réglages avec le côté tige du bras amortisseur boulonné sur le plateau.

Levez et abaissez le plateau de coupe et vérifiez à nouveau les dimensions pour obtenir l'alignement correct. Serrez l'écrou de blocage à 155 N·m sur le bras amortisseur.
Note: Pour tenir compte des variations de l'état du gazon et du réglage de compensation du groupe de déplacement, faites un essai de tonte et vérifiez les résultats obtenus avant de commencer à tondre la surface totale. Voir les procédures de mise à niveau du plateau de coupe dans le Manuel de l'utilisateur du groupe de déplacement.