Underhåll
Använda stödet när klippenheten tippas
Om klippenheten behöver tippas så att underkniven/cylindern exponeras stöttar du upp klippenhetens bakre ände med stödet (medföljer traktorenheten) för att säkerställa att muttrarna på den bakre änden av underknivens justerskruvar inte vilar mot arbetsytan (Figur 21).

Smörja maskinen
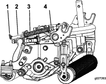
Smörj regelbundet de sex smörjnipplarna på varje klippenhet (Figur 22) med fett nr 2 på litiumbas.
Det finns två smörjpunkter på den främre rullen, två på den bakre rullen samt två på cylinderlagret.
Note: Om du smörjer klippenheterna omedelbart efter tvätt, töms vattnet ur lagren vilket ökar deras livslängd.
-
Torka av alla smörjnipplar med en ren trasa.
-
Påför fett tills det rinner ut rent fett ur rullens tätningar och lagrets övertrycksventil.
-
Torka bort eventuellt överflödigt fett.

Övertrycksfräsa cylindern
Cylindern har en landbredd på 1,3 till 1,5 mm och en överfräs på 30 grader.
Gör följande när landbredden blir större än 3 mm bred:
-
Tillämpa en överfräs på 30 grader på alla cylinderknivar tills landbredden är 1,3 mm bred (Figur 23 och Figur 24).


-
Rundslipa cylindern för att uppnå en precisionsminskning för cylindern på < 0,025 mm.
Note: Detta gör att landbredden ökar något.
Note: För att cylinderkanten och underkniven ska vara vassa längre ska du – efter att ha slipat cylindern och/eller underkniven – kontrollera kontakten mellan cylindern och underkniven igen när du har klippt två fairways eftersom alla grader (”skägg”) tas bort vilket kan skapa felaktigt spel mellan cylindern och underkniven och därmed få dem att slitas ut snabbare.
Serva underkniven
Servicegränserna som gäller för underkniven anges i nedanstående tabell.
Important: Om klippenheten används när underkniven är under servicegränsen kan klippytans utseende påverkas negativt och underknivens förmåga att stå emot stötar minskas.
| Tabell med servicegränser för underkniven | ||||
| Underkniv | Artikelnr | Underknivens läpphöjd* | Servicegräns* | FräsvinklarÖvre/främre vinklar |
| Låg klipphöjd (tillval) | 110-4084 | 5,6 mm | 4,8 mm | 10/5 grader |
| EdgeMax® låg klipphöjd (modell 03623) | 137-0832 | 5,6 mm | 4,8 mm | 10/5 grader |
| Extra låg klipphöjd (tillval) | 120-1640 | 5,6 mm | 4,8 mm | 10/10 grader |
| Utökad EdgeMax® låg klipphöjd (tillval) | 119-4280 | 5,6 mm | 4,8 mm | 10/10 grader |
| EdgeMax® (modell 03621) | 137-0833 | 6,9 mm | 4,8 mm | 10/5 grader |
| Standard (Tillval) | 108-9096 | 6,9 mm | 4,8 mm | 10/5 grader |
| Tung drift (tillval) | 110-4074 | 9,3 mm | 4,8 mm | 10/5 grader |
Rekommenderade övre och främre fräsvinklar för underkniven (Figur 25)

Note: Alla servicegränsmått för underkniven hänvisar till underknivens nedre del (Figur 26)

Kontrollera den övre fräsvinkeln
Vinkeln som du använder för att fräsa underknivarna är mycket viktig.
Använd vinkelindikatorn (artikelnr 131-6828) och vinkelindikatorfästet (artikelnr 131-6829) för att kontrollera vinkeln som slipmaskinen skapar. Åtgärda vid felaktigt resultat.
-
Placera vinkelindikator på underknivens undersida enligt Figur 27.

-
Tryck på knappen Alt Zero på vinkelindikatorn.
-
Placera vinkelindikatorfästet på underknivens egg så att magnetkanten passas in med underknivens egg (Figur 28).
Note: Den digitala displayen ska under detta steg vara synlig från samma sida som i steg 1.

-
Placera vinkelindikatorn på fästet enligt Figur 28.
Note: Detta är den vinkel som slipmaskinen skapar, och den ska ligga inom två grader från den rekommenderade övre fräsvinkeln.
Serva underknivsstången
Ta bort underknivsstången
-
Vrid underknivsstångens justerskruvar moturs så att underkniven förs bort från cylindern (Figur 29).

-
För fjäderspänningsmuttern bakåt tills brickan inte längre är spänd mot underknivsstången (Figur 29).
-
Lossa låsmuttern som fäster skruven till underknivsstången på vardera sidan av maskinen (Figur 30).

-
Ta bort alla skruvar till underknivsstången så att denna kan dras nedåt och avlägsnas från maskinen (Figur 30).
Note: Beräkna två nylonbrickor och en bricka av stansat stål på vardera änden av underknivsstången (Figur 31).

Montera underknivsstången
-
Montera underknivsstången genom att placera fästhandtagen mellan brickan och underknivsstångens justerare.
-
Fäst underknivsstången på vardera sidoplåten med tillhörande skruvar (muttrar på skruvar) och de sex brickorna.
Note: Sätt en nylonbricka på var sida om sidoplåtens nav. Placera en stålbricka på utsidan av nylonbrickorna (Figur 31).
-
Dra åt skruvarna för underknivsstången till 27–36 Nm.
-
Dra åt låsmuttrarna lika mycket på varje sida tills stålbrickorna inte går att rotera för hand längre. Lossa sedan på låsmuttrarna tills det precis går att rotera stålbrickorna för hand, utan att det finns något spel i underknivsstången (Figur 32).
Note: Om låsmuttrarna dras åt för hårt kan sidoplåtarna och underkniven böjas, vilket kan påverka kontakten mellan underkniven och cylindern.
Note: Det kan finnas ett mellanrum vid brickorna på insidan.
Note: Dra inte åt muttrarna för hårt eftersom detta kan skada fjädern.

Montera underkniven
-
Ta bort rosten, beläggningen och korrosionen från underknivsstångens yta och applicera ett tunt lager olja på underknivsstångens yta.
-
Rengör skruvgängorna.
-
Applicera monteringssmörjmedel på skruvarna och montera underkniven på underknivsstången på följande sätt (Figur 33):

-
Slipa underkniven.
Serva klippenhetsdelar med dubbelpunktsjustering (DPA)
-
Ta bort alla delar. Se monteringsanvisningarna för HD DPA-satsen med modellnr 120-7230 och Figur 35.
-
Applicera monteringssmörjmedel på insidan av bussningsområdet på klippenhetens mittram (Figur 35).
-
Rikta in nycklarna på flänsbussningarna mot skårorna på ramen och montera bussningarna (Figur 35).
-
Montera en vågbricka på justeringsaxeln och skjut in justeringsaxeln i flänsbussningarna på klippenhetens ram (Figur 35).
-
Fäst justeringsaxeln med en planbricka och låsmutter (Figur 35). Dra åt låsmuttern till 20–27 Nm.
Note: Underknivstångens justeringsaxel är vänstergängad.
-
Applicera monteringssmörjmedel på gängorna på underknivstångens justerskruv som passar i justeringsaxeln. Gänga fast underknivsstångens justerskruv i justeringsaxeln.
-
Montera den härdade brickan, fjädern och fjäderspänningsmuttern löst på justerskruven.
-
Montera underknivsstången genom att placera fästhandtagen mellan brickan och underknivsstångens justerare.
-
Fäst underknivsstången på vardera sidoplåten med tillhörande skruvar (muttrar på skruvar) och de sex brickorna på följande sätt:
-
Sätt en nylonbricka på var sida om sidoplåtens nav.
-
Placera en stålbricka på utsidan av varje nylonbricka (Figur 35).
-
Dra åt skruvarna för underknivsstången till 37–45 Nm.
-
Dra åt låsmuttrarna tills den yttre stålbrickan slutar rotera och spelet försvinner, men dra inte åt för hårt och böj inte sidoplåtarna.
Note: Det kan finnas ett mellanrum vid brickorna på insidan (Figur 31).
-
-
Dra åt muttern på varje justeringsanordning för underknivsstången tills kompressionsfjädern är helt hoptryckt och lossa sedan muttern ett halvt varv (Figur 32).
-
Upprepa proceduren på klippenhetens andra sida.
-
Justera underkniven mot cylindern.

Serva rullen
En ombyggnadssats till rulle (artikelnr 114-5430) och en verktygssats för ombyggnad av rulle (artikelnr 115-0803) (Figur 36) finns tillgängliga för service av rullen. Ombyggnadssatsen till rullen innehåller alla lager, lagermuttrar samt inre och yttre tätningar som krävs för att bygga om en rulle. Verktygssatsen för ombyggnad av rulle omfattar alla verktyg och monteringsanvisningar som krävs för att bygga om en rulle med ombyggnadssatsen. Titta i reservdelskatalogen eller kontakta återförsäljaren om du behöver hjälp.



. Symbolen betyder Var försiktig,
Varning eller Fara – anvisning om personsäkerhet. Underlåtenhet
att följa anvisningarna kan leda till personskador eller innebära
livsfara.

















