Underhåll
Använda stödet när klippenheten tippas
Om klippenheten behöver tippas så att underkniven/cylindern exponeras stöttar du upp klippenhetens bakre ände med stödet (medföljer traktorenheten) för att säkerställa att muttrarna på den bakre änden av underknivens justerskruvar inte vilar mot arbetsytan (Figur 28).

Smörja klippenheten
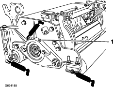
Varje klippenhet har sex smörjnipplar (Figur 29) som måste smörjas regelbundet med litiumbaserat fett nr 2.
Smörjpunkterna är den främre rullen (2), den bakre rullen (2) och cylinderlagret (2).
-
Torka av alla smörjnipplar med en ren trasa.
-
Påför fett tills det rinner ut rent fett ur rullens tätningar och lagrets övertrycksventil.
-
Torka bort eventuellt överflödigt fett.

Justera cylinderlagren
För att cylinderlagren ska hålla länge bör du kontrollera ofta om det förekommer spel i cylinderänden. Du kan kontrollera och justera cylinderlagren på följande vis:
-
Lossa kontakten mellan cylindern och underkniven genom att vrida underknivens justeringsreglage (Figur 30) moturs tills det inte förekommer någon kontakt längre.

-
Använd en trasa eller en handske med tjock vaddering, ta tag i cylinderbladet och försök flytta cylinderenheten från sida till sida (Figur 31).

-
Om det förekommer spel i cylinderänden gör du följande:
-
Lossa den yttre ställskruven som håller fast lagrets justermutter på lagerhuset som sitter på vänster sida av klippenheten (Figur 32).

-
Använd en 1⅜-tums hylsnyckel och dra långsamt åt cylinderlagrets justermutter tills spelet försvinner. Om justeringen av muttern inte får bort spelet byter du ut cylinderlagren.
Note: Cylinderlagren behöver inte förbelastas. Om du drar åt cylinderlagrets justermutter för mycket skadas cylinderlagren.
-
-
Dra åt ställskruven som fäster lagrets justermutter på lagerhuset.
Note: Dra åt muttern till 1,4–1,7 Nm.
Serva underkniven
Servicegränserna som gäller för underkniven anges i nedanstående tabell.
Important: Om klippenheten används när underkniven är under servicegränsen kan klippytans utseende påverkas negativt och underknivens förmåga att stå emot stötar minskas.
| Tabell med servicegränser för underkniven | ||||
| Underkniv | Artikel | Underknivens läpphöjd* | Servicegräns* | FräsvinklarÖvre/främre vinklar |
| EdgeMax®, låg klipphöjd (tillval) | 137-0832 | 5,6 mm | 6,4 till 12,7 mm | 10/5 grader |
| Låg klipphöjd (tillval) | 110-4084 | 5,6 mm | 4,8 mm | 10/5 grader |
| Utökad EdgeMax® låg klipphöjd (tillval) | 119-4280 | 5,6 mm | 4,8 mm | 10/10 grader |
| Extra låg klipphöjd (tillval) | 120-1640 | 5,6 mm | 4,8 mm | 10/10 grader |
| EdgeMax® (modellerna 03698 och 03699) | 137-0833 | 6,9 mm | 4,8 mm | 10/5 grader |
| Standard (tillval) | 108-9096 | 6,9 mm | 4,8 mm | 10/5 grader |
| Tung drift (tillval) | 110-4074 | 9,3 mm | 4,8 mm | 10/5 grader |

Note: Alla servicegränsmått för underkniven hänvisar till underknivens nedre del (Figur 34).

Kontrollera den övre fräsvinkeln
Vinkeln som du använder för att fräsa underknivarna är mycket viktig.
Använd vinkelindikatorn (Toro-artikelnr 131-6828) och vinkelindikatorfästet (Toro-artikelnr 131-6829) för att kontrollera vinkeln som slipmaskinen skapar. Åtgärda vid felaktigt resultat.
-
Placera vinkelindikator på underknivens undersida enligt Figur 35.

-
Tryck på knappen Alt Zero på vinkelindikatorn.
-
Placera vinkelindikatorfästet på underknivens egg så att magnetkanten passas in med underknivens egg (Figur 36).
Note: Den digitala displayen ska under detta steg vara synlig från samma sida som i steg 1.

-
Placera vinkelindikatorn på fästet enligt Figur 36.
Note: Detta är den vinkel som slipmaskinen skapar, och den ska ligga inom två grader från den rekommenderade övre fräsvinkeln.
Serva underknivsstången
Ta bort underknivsstången
-
Vrid underknivsstångens justerskruvar moturs så att underkniven förs bort från cylindern (Figur 37).

-
För fjäderspänningsmuttern bakåt tills brickan inte längre är spänd mot underknivsstången (Figur 37).
-
Lossa låsmuttern som fäster skruven till underknivsstången på vardera sidan av maskinen (Figur 38).

-
Ta bort alla skruvar till underknivsstången så att denna kan dras nedåt och avlägsnas från maskinen (Figur 38). Beräkna två nylonbrickor och en bricka av stansat stål på vardera änden av underknivsstången (Figur 39).

Montera underknivsstången
-
Montera underknivsstången genom att placera fästhandtagen mellan brickan och underknivsstångens justerare.
-
Fäst underknivsstången på vardera sidoplåten med tillhörande skruvar (muttrar på skruvar) och de sex brickorna.
-
Sätt en nylonbricka på var sida om sidoplåtens nav.
-
Placera en stålbricka på utsidan av varje nylonbricka (Figur 41).
Note: Dra åt skruvarna för underknivstången till 37–45 Nm. Dra åt låsmuttrarna tills den yttre stålbrickan slutar rotera och spelet försvinner, men dra inte åt för hårt och böj inte sidoplåtarna. Det kan finnas ett mellanrum vid brickorna på insidan.
-
Dra åt fjäderspänningsmuttern tills fjädern pressas ihop, och vrid sedan ut den ett halvt varv (Figur 40).

Montera underkniven
-
Ta bort rosten, beläggningen och korrosionen från underknivsstångens yta och applicera ett tunt lager olja på underknivsstångens yta.
-
Rengör skruvgängorna.
-
Applicera monteringssmörjmedel på skruvarna och montera underkniven på underknivsstången på följande sätt (Figur 41):

-
Slipa underkniven.
Serva klippenhetsdelar med dubbelpunktsjustering (DPA)
-
Ta bort alla delar (se monteringsanvisningarna för HD DPA-satsen och Figur 43).
-
Applicera monteringssmörjmedel på insidan av bussningsområdet på klippenhetens mittram (Figur 43).
-
Rikta in nycklarna på flänsbussningarna mot skårorna på ramen och montera bussningarna (Figur 43).
-
Montera en vågbricka på justeringsaxeln och skjut in justeringsaxeln i flänsbussningarna på klippenhetens ram (Figur 43).
-
Fäst justeringsaxeln med en planbricka och låsmutter (Figur 43).
-
Dra åt låsmuttern till 20–27 N∙m.
Note: Underknivsstångens justeringsaxel är vänstergängad.

-
Applicera monteringssmörjmedel på gängorna på underknivstångens justerskruv som passar i justeringsaxeln.
-
Gänga fast underknivsstångens justerskruv i justeringsaxeln.
-
Montera den härdade brickan, fjädern och fjäderspänningsmuttern löst på justerskruven.
-
Montera underknivsstången genom att placera fästhandtagen mellan brickan och underknivsstångens justerare.
-
Fäst underknivsstången på vardera sidoplåten med tillhörande skruvar (muttrar på skruvar) och de sex brickorna.
Note: Sätt en nylonbricka på var sida om sidoplåtens nav.
-
Placera en stålbricka på utsidan av varje nylonbricka (Figur 43).
-
Dra åt skruvarna för underknivsstången till 37–45 Nm.
-
Dra åt låsmuttrarna tills den yttre stålbrickan slutar rotera och spelet försvinner, men dra inte åt för hårt och böj inte sidoplåtarna.
Note: Det kan finnas ett mellanrum vid brickorna på insidan (Figur 43).
-
Dra åt muttern på varje justeringsanordning för underknivsstången tills kompressionsfjädern är helt hoptryckt och lossa sedan muttern ett halvt varv (Figur 43).
-
Upprepa proceduren på klippenhetens andra sida.
-
Justera underkniven mot cylindern, se Justera underkniven mot cylindern.
Serva rullen
Ombyggnadssatsen till rulle (artikelnr 114-5430) och verktygssatsen för ombyggnad av rulle (artikelnr 115-0803) (Figur 44) finns tillgängliga för service av rullen. Ombyggnadssatsen till rullen innehåller alla lager, lagermuttrar samt inre och yttre tätningar som krävs för att bygga om en rulle. Verktygssatsen för ombyggnad av rulle omfattar alla verktyg och monteringsanvisningar som krävs för att bygga om en rulle med ombyggnadssatsen. Titta i reservdelskatalogen eller kontakta en auktoriserad Toro-återförsäljare om du behöver hjälp.



. Symbolen betyder Var försiktig,
Varning eller Fara – anvisning om personsäkerhet. Underlåtenhet
att följa anvisningarna kan leda till personskador eller innebära
livsfara.
























