Entretien
Utilisation de la béquille pour basculer l'unité de coupe
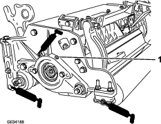
Chaque fois que l'unité de coupe doit être basculée pour exposer la contre-lame/le cylindre, utilisez la béquille (fournie avec le groupe de déplacement) pour soutenir l'arrière de l'unité et empêcher ainsi les écrous, situés à l'arrière des vis de réglage de la barre d'appui, de reposer sur la surface de travail (Figure 28).

Graissage de l'unité de coupe
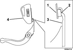
Chaque unité de coupe comporte 6 graisseurs (Figure 29) qu'il faut lubrifier régulièrement avec de la graisse au lithium nº 2.
Les points de graissage comprennent le rouleau avant (2), le rouleau arrière (2) et le roulement de cylindre (2).
-
Essuyez chaque graisseur avec un chiffon propre.
-
Appliquez de la graisse jusqu'à ce qu'elle ressorte propre par les joints des rouleaux et le clapet de décharge du roulement.
-
Essuyez l'excédent de graisse.

Réglage des roulements de cylindre
Pour prolonger la vie des roulements de cylindre, vérifiez périodiquement si le cylindre présente un jeu axial. Vous pouvez contrôler et régler les roulements des cylindres comme suit :
-
Séparez le cylindre et la contre-lame en tournant les boutons de réglage de la contre-lame (Figure 30) dans le sens antihoraire jusqu'à ce que les deux pièces ne soient plus en contact.

-
Tenez la lame du cylindre avec un gant épais ou un chiffon et essayez de déplacer le cylindre latéralement (Figure 31).

-
Si un jeu axial existe, procédez comme suit :
-
Desserrez la vis extérieure qui fixe l'écrou de réglage au logement de roulement situé sur le côté gauche de l'unité de coupe (Figure 32).

-
A l'aide d'une clé à douille de 1⅜", serrez lentement l'écrou de réglage du roulement de cylindre jusqu'à ce que le jeu axial ait disparu. Si le réglage de l'écrou ne permet pas de supprimer le jeu axial, remplacez les roulements du cylindre.
Note: Les roulements de cylindre n'ont pas besoin d'être préchargés. Le serrage excessif de l'écrou de réglage des roulements de cylindre endommagera les roulements.
-
-
Serrez la vis qui fixe l'écrou de réglage de roulement sur le logement de roulement.
Note: Serrez l'écrou à un couple de 1,4 à 1,7 N·m.
Entretien de la contre-lame
Les limites de service de la contre-lame sont indiquées dans le tableau suivant.
Important: Si vous utilisez l'unité de coupe alors que la contre-lame est en-dessous de la limite de service, la finition pourra en souffrir et l'intégrité structurelle de la contre-lame aux impacts sera réduite.
| Tableau des limites de service de la contre-lame | ||||
| Contre-lame | Réf. pièce | Hauteur de lèvre de la contre-lame* | Limite de service* | Angles de meulageAngles supérieur/avant |
| Basse hauteur de coupe EdgeMax® (option) | 137-0832 | 5,6 mm | 6,4 à 12,7 mm | 10/5 degrés |
| Basse hauteur de coupe (option) | 110-4084 | 5,6 mm | 4,8 mm | 10/5 degrés |
| EdgeMax® basse hauteur de coupe étendue (option) | 119-4280 | 5,6 mm | 4,8 mm | 10/10 degrés |
| Basse hauteur de coupe étendue (option) | 120-1640 | 5,6 mm | 4,8 mm | 10/10 degrés |
| EdgeMax® (modèles 03698 et 03699) | 137-0833 | 6,9 mm | 4,8 mm | 10/5 degrés |
| Standard (option) | 108-9096 | 6,9 mm | 4,8 mm | 10/5 degrés |
| Renforcée (option) | 110-4074 | 9,3 mm | 4,8 mm | 10/5 degrés |

Note: Toutes les mesures de limite de service renvoient au bas de la contre-lame (Figure 34).

Contrôle de l'angle de meulage supérieur
L'angle utilisé pour meuler les contre-lames est très important.
Utilisez l'indicateur d'angle (réf. Toro 131-6828) et le support d'indicateur d'angle (réf. Toro 131-6829) pour contrôler l'angle produit par la meule, puis corrigez toute imprécision éventuelle.
-
Placez l'indicateur d'angle sur la face inférieure de la contre-lame, comme montré à la Figure 35.

-
Appuyez sur le bouton « Alt Zero » de l'indicateur d'angle.
-
Placez l'indicateur d'angle sur le bord de la contre-lame, de manière à adapter le bord de l'aimant avec le bord de la contre-lame (Figure 36).
Note: Pendant cette opération, l’écran numérique doit être visible du même côté qu’à l’opération 1.

-
Placez l'indicateur d'angle sur le support, comme montré à la Figure 36.
Note: Il s'agit de l'angle produit par la meule ; il doit se situer à 2 degrés ou moins de l'angle de meulage supérieur recommandé.
Entretien de la barre d'appui
Dépose de la barre d'appui
-
Tournez les vis de réglage de la barre d'appui dans le sens antihoraire pour éloigner la contre-lame du cylindre (Figure 37).

-
Faites sortir l'écrou de tension du ressort jusqu'à ce que la rondelle ne soit plus tendue contre la barre d'appui (Figure 37).
-
De chaque côté de la machine, desserrez le contre-écrou de fixation du boulon de la barre d'appui (Figure 38).

-
Retirez les boulons de la barre d'appui afin de pouvoir abaisser la barre et la déposer du boulon de la machine (Figure 38). Mettez de côté 2 rondelles en nylon et 1 rondelle en acier estampé à chaque extrémité de la barre d'appui (Figure 39).

Assemblage de la barre d'appui
-
Montez la barre d'appui en positionnant les languettes de montage entre la rondelle et la vis de réglage de la barre.
-
Fixez la barre d'appui sur chaque plaque latérale au moyen des boulons (munis d'écrous) et des 6 rondelles.
-
Placez une rondelle en nylon de chaque côté du bossage de la plaque latérale.
-
Placez une rondelle en acier à l'extérieur de chaque rondelle en nylon (Figure 41).
Note: Serrez les boulons de la barre d'appui à un couple de 37 à 45 N·m. Serrez les contre-écrous jusqu'à ce que les rondelles d'acier extérieures cessent de tourner et que le jeu axial soit supprimé, mais ne serrez pas excessivement et ne faites pas fléchir les plaques latérales. Les rondelles peuvent présenter un espace à l'intérieur.
-
Serrez l'écrou de tension du ressort jusqu'à ce que les spires soient jointives, puis desserrez-le d'un demi-tour (Figure 40).

Pose de la contre-lame
-
Éliminez toute trace de rouille, tartre et corrosion à la surface de la barre d'appui et appliquez une fine couche d'huile dessus.
-
Nettoyez le filetage des vis.
-
Appliquez du produit antigrippant sur les vis et montez la contre-lame sur la barre d'appui comme suit (Figure 41) :

-
Meulez la contre-lame.
Entretien des dispositifs de réglage double point (DPA) renforcés
-
Enlevez toutes les pièces (voir les Instructions d'installation du kit DPA renforcé et la Figure 43).
-
Appliquez du produit antigrippage à l'intérieur du logement des bagues sur le cadre central de l'unité de coupe (Figure 43).
-
Alignez les clavettes des bagues à embase sur les fentes dans le cadre, et mettez les bagues en place (Figure 43).
-
Posez une rondelle ondulée sur l'axe de réglage et insérez l'axe dans les bagues à embase sur le cadre de l'unité de coupe (Figure 43).
-
Fixez l'axe de réglage avec une rondelle plate et un contre-écrou (Figure 43).
-
Serrez le contre-écrou à un couple de 20 à 27 N·m.
Note: L'axe de réglage de la barre d'appui est doté d'un filetage à gauche.

-
Appliquez du produit antigrippant sur le filetage de la vis de réglage de la barre d'appui qui se visse dans l'axe de réglage.
-
Vissez la vis de réglage de la barre d'appui dans l'axe de réglage.
-
Posez la rondelle ondulée, le ressort et l'écrou de tension du ressort sans les serrer sur la vis de réglage.
-
Montez la barre d'appui en positionnant les languettes de montage entre la rondelle et la vis de réglage de la barre.
-
Fixez la barre d'appui sur chaque plaque latérale au moyen des boulons (munis d'écrous) et des 6 rondelles.
Note: Placez une rondelle en nylon de chaque côté du bossage de la plaque latérale.
-
Placez une rondelle en acier à l'extérieur de chaque rondelle en nylon (Figure 43).
-
Serrez les boulons de la barre d'appui à un couple de 37 à 45 N·m.
-
Serrez les contre-écrous jusqu'à ce que les rondelles d'acier extérieures cessent de tourner et que le jeu axial soit supprimé, mais ne serrez pas excessivement et ne faites pas fléchir les plaques latérales.
Note: Les rondelles peuvent présenter un espace à l'intérieur (Figure 43).
-
Serrez l'écrou sur chaque vis de réglage de la barre d'appui jusqu'à ce que le ressort de compression soit complètement comprimé, puis desserrez l'écrou d'un demi-tour (Figure 43).
-
Répétez cette procédure de l'autre côté de l'unité de coupe.
-
Effectuez le réglage contre-lame/cylindre ; voir Réglage contre-lame/cylindre.
Entretien du rouleau
Le kit de remise à neuf de rouleau (réf. 114-5430) et le kit d'outillage pour remise à neuf de rouleau (réf. 115-0803) (Figure 44) sont disponibles pour l'entretien du rouleau. Le kit de remise à neuf de rouleau comprend tous les roulements, écrous de roulements, et joints internes et externes nécessaires à la remise à neuf d'un rouleau. Le kit d'outillage pour remise à neuf comprend tous les outils et toutes les instructions de montage nécessaires à la remise à neuf d'un rouleau avec le kit de remise à neuf. Consultez le catalogue de pièces ou adressez-vous à votre distributeur Toro agréé.



) et la mention Prudence,
Attention ou Danger. Le non respect de ces instructions peut entraîner
des blessures graves ou mortelles.
























