Note: Les côtés gauche et droit de la machine sont déterminés d'après la position d'utilisation normale.
Garez la machine sur une surface plane et horizontale.
Amenez les leviers de commande de déplacement en position de VERROUILLAGE AU POINT MORT.
Serrez le frein de stationnement.
Coupez le moteur et enlevez la clé de contact.

Note: Nettoyez la surface autour du couvercle de la courroie avant de le déposer.
Réglez le tablier à la hauteur de coupe la plus basse.
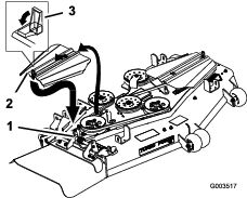
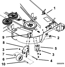
Déverrouillez et déposez le couvercle de la courroie droite (Figure 2).
Conservez les fixations.

Déposez le support du couvercle de courroie droit extérieur (Figure 3).

Rangez le couvercle de courroie droit, le support et les fixations en lieu sûr; ils vous serviront ultérieurement si vous déposez le ventilateur et la poulie du système de ramassage.
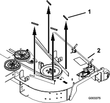
Pour les tabliers de coupe de 183 cm (72 po) uniquement – retirez les 4 butées en caoutchouc du tablier de coupe (Figure 4).

Pièces nécessaires pour cette opération:
| Poulie | 1 |
| Plateau de support de poulie – modèles à axe en aluminium seulement | 1 |
| Écrou à embase (⅜ po) – modèles à axe en aluminium seulement | 3 |
Retirez l'écrou supérieur, la rondelle et la roue à gorge de l'axe (Figure 5).
Note: Notez l'orientation de la roue à gorge lorsque vous la déposez de l'axe pour la reposer correctement ultérieurement.

Insérez les goujons du support de plateau de la poulie dans les trous de la roue à gorge (Figure 6).

Serrez légèrement les 3 écrous sur les goujons (Figure 7).
Laissez un jeu de 5 mm (3/16 po) entre l'écrou et la roue à gorge.

Fixez la roue à gorge sur l'axe avec la rondelle et l'écrou supérieur (Figure 8).

Serrez l'écrou supérieur à un couple de 176 à 217 N·m (130 à 160 pi-lb).
Note: Vérifiez que la roue à gorge tourne librement.
Placez la nouvelle poulie de sorte à pouvoir engager ses ouvertures sur les écrous (Figure 9).

Tournez la poulie pour la bloquer en position (Figure 10).
Note: Si la poulie ne tourne pas, desserrez les écrous pour les élever et laissez la poulie se bloquer en position.

Une fois la nouvelle poulie en position, serrez les écrous pour la fixer en place.
Serrez les 3 écrous à un couple de 28 à 34 N·m (21 à 25 pi-lb).
Installez la courroie du tablier de coupe.
Desserrez, mais sans les enlever, les boulons autotaraudeurs sur la poulie existante du tablier de coupe (Figure 11).
Note: Un espace de 5 mm (3/16 po) doit séparer la tête du boulon de la poulie.
Alignez la nouvelle poulie de sorte à pouvoir engager ses ouvertures sur les têtes des boulons (Figure 11).
Tournez la poulie pour la bloquer en position (Figure 11).
Note: Si la poulie ne tourne pas, desserrez les boulons pour en élever la tête et laissez la poulie se bloquer en position.
Une fois la nouvelle poulie en position, serrez les boulons existants pour la fixer en place.
Note: Serrez les boulons à un couple de 28 à 34 N·m (21 à 25 pi-lb).

Installez la courroie du tablier de coupe.
Note: N'effectuez pas cette procédure si un pivot est installé.
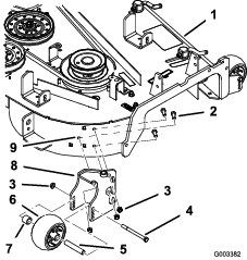
Nettoyez la surface autour du galet anti-scalp arrière droit.
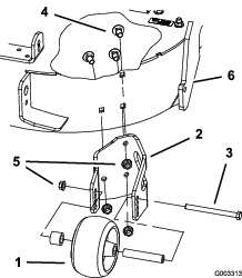
Déposez le galet anti-scalp du support en desserrant et retirant l'écrou à embase (⅜ po) et un boulon d'axe (⅜ x 4½ po), comme montré à la Figure 12.
Conservez toutes les fixations pour les utiliser ultérieurement.
Retirez les 3 boulons de carrosserie (⅜ x ¾ po) et les 3 écrous à embase (⅜ po) qui fixent le support au tablier de coupe (Figure 12).
Conservez toutes les fixations pour les utiliser ultérieurement.

Pièces nécessaires pour cette opération:
| Pivot de ventilateur | 1 |
| Gabarit en métal | 1 |
| Boulon (⅜ x 1 po) | 3 |
| Contre-écrou (⅜ po) | 3 |
Note: N'effectuez pas cette procédure si un pivot est installé.
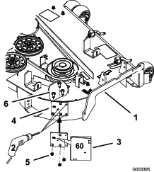
Installez le gabarit en métal numéro 60 sur le tablier de coupe avec les boulons de carrosserie et écrous retirés précédemment insérés dans les trous existants du tablier (Figure 13).
Vérifiez que les boulons de carrosserie et les écrous sont bien serrés et que le gabarit est bien à plat sur le tablier de coupe.
Marquez au pointeau les nouveaux emplacements des trous du tablier en vous aidant des 3 trous du gabarit (Figure 13).
Retirez le gabarit et percez 3 avant-trous (3,2 mm (⅛ po) de diamètre) avec un foret bien affûté (Figure 13).
Percez 3 trous (10,3 mm (13/32 po) de diamètre) dans les avant-trous avec un foret bien affûté (Figure 13).

Installez le nouveau pivot à l'aide de 3 boulons (3/8 x 1 po) et 3 contre-écrous (3/8 po) insérés dans les trous percés (Figure 14).
Installez le galet anti-scalp sur le pivot à l'aide du boulon (⅜ x 4½ po), de l'entretoise, de la bague et de l'écrou à embase (⅜ po) retirés précédemment, comme montré à la Figure 14.

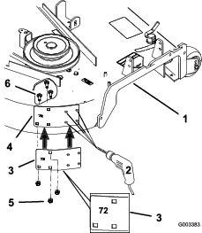
Pièces nécessaires pour cette opération:
| Pivot de ventilateur | 1 |
| Gabarit en métal | 1 |
| Boulon (⅜ x 1 po) | 4 |
| Contre-écrou (⅜ po) | 4 |
Note: N'effectuez pas cette procédure si un pivot est installé.
Installez le gabarit en métal numéro 72 sur le tablier de coupe avec les boulons de carrosserie et écrous retirés précédemment insérés dans les trous existants du tablier (Figure 15).
Vérifiez que les boulons de carrosserie et les écrous sont bien serrés et que le gabarit est bien à plat sur le tablier de coupe.
Marquez au pointeau les nouveaux emplacements des trous du tablier en vous aidant des 4 trous du gabarit (Figure 15).
Retirez le gabarit et percez 4 avant-trous (3,2 mm (1/8 po) de diamètre) avec un foret bien affûté (Figure 15).
Percez 4 avant-trous (10,3 mm (13/32 po) de diamètre) dans les avant-trous avec un foret bien affûté (Figure 15).

Installez le nouveau pivot à l'aide de 4 boulons (⅜ x 1 po) et 3 contre-écrous (⅜ po) insérés dans les trous percés (Figure 16).
Installez le support de galet anti-scalp sur le tablier de coupe à l’aide des boulons de carrosserie et des écrous précédemment déposés (Figure 16).
Installez le galet anti-scalp sur le support à l'aide du boulon d’axe (0,95 x 11,43 cm (⅜ x 4½ po)), des bagues et de l'écrou à embase (0,95 cm (⅜ po)) retirés précédemment, comme montré à la Figure 16.

Pièces nécessaires pour cette opération:
| Ventilateur | 1 |
| Courroie du système de ramassage | 1 |
| Couvercle de courroie de ventilateur | 1 |
| Ressort | 1 |
Consultez le Manuel de l'utilisateur du système de ramassage pour monter correctement le ventilateur, la courroie du système de ramassage, le ressort et le couvercle de courroie de ventilateur.