Note: 请根据正常操作位置确定机器的左右侧。
将机器停在水平地面上。
将移动控制杆移至空档锁定位置。
接合驻车刹车。
关闭发动机并拔下钥匙。

此程序中需要的物件:
| 皮带轮总成 | 1 |
| 皮带轮安装板——仅适用于带铝合金锭轴的机器 | 1 |
| 凸缘螺母(3/8 英寸)——仅适用于带铝合金锭轴的机器 | 3 |
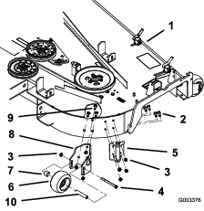
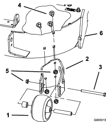
从锭轴上卸下上螺母、垫圈和偏心轮(图 5)。
Note: 从锭轴上卸下偏心轮时要注意方向,确保在随后的过程中能正确安装。

将皮带轮安装板螺栓插入偏心轮的孔中(图 6)。

将 3 个螺母松松地安装到螺栓上(图 7)。
螺母与偏心轮之间留出 5mm 的间隙。

用垫圈和上螺母将偏心轮组件安装到锭轴上(图 8)。

上紧上螺母扭矩至 176~217N·m。
Note: 确保偏心轮锭轴能够自由转动。
对齐新皮带轮总成,使开口位于螺母顶部(图 9)。

转动皮带轮,使其锁定到位(图 10)。
Note: 如果皮带轮不能转动,则进一步松开螺母以使螺母升起,并使皮带轮锁定到位。

在新的皮带轮总成安装到位后,拧紧螺母以固定新皮带轮总成。
上紧 3 个螺母扭矩至 28~34N∙m。
安装刀盘皮带。
此程序中需要的物件:
| 吹风机枢轴 | 1 |
| 金属模板 | 1 |
| 螺栓(⅜ x 1英寸) | 3 |
| 锁紧螺母(⅜ 英寸) | 3 |
Note: 如果安装有枢轴,切勿执行此程序。
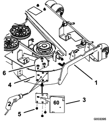
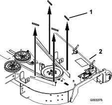
利用剪草机刀盘上现有的孔,用先前卸下的托架螺栓和螺母将其上标有数字 60 的金属模板安装到剪草机刀盘(图 13)。
确保托架螺栓和螺母紧固,并确保模板紧贴着剪草机刀盘。
用模板中的 3 个孔,对新剪草机刀盘孔位置进行中心冲钻(图 13)。
取下金属模板,用锋利的钻头钻 3 个定位孔(直径 3.2mm)(图 13)。
用锋利的钻头在定位孔内钻 3 个孔(直径 10.3mm)(图 13)。

利用钻好的孔,用 3 个螺栓(3/8 x 1 英寸)和 3 个锁紧螺母(3/8 英寸)安装新的吹风机枢轴(图 14)。
如图 14 所示,用先前卸下的轴螺栓(3/8 x 4½ 英寸)、隔片、轴套和凸缘螺母(3/8 英寸)将防刮滚筒安装到吹风机枢轴上。

此程序中需要的物件:
| 吹风机枢轴 | 1 |
| 金属模板 | 1 |
| 螺栓(⅜ x 1英寸) | 4 |
| 锁紧螺母(⅜ 英寸) | 4 |
Note: 如果安装有枢轴,切勿执行此程序。
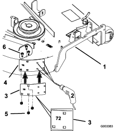
利用剪草机刀盘上现有的孔,用先前卸下的托架螺栓和螺母将其上标有号码 72 的金属模板安装到剪草机刀盘(图 15)。
确保托架螺栓和螺母紧固,并确保模板紧贴着剪草机刀盘。
用模板中的 4 个孔,对新剪草机刀盘孔位置进行中心冲钻(图 15)。
取下金属模板,用锋利的钻头钻 4 个定向孔(直径 3.2mm)(图 15)。
用锋利的钻头在定位孔内钻 4 个定位孔(直径 10.3mm)(图 15)。

利用钻好的孔,用 4 个螺栓(3/8 x 1 英寸)和 4 个锁紧螺母(3/8 英寸)安装新的吹风机枢轴(图 16)。
用先前卸下的托架螺栓和螺母将防刮滚筒支架安装到剪草机刀盘上(图 16)。
如图 16 所示,用先前卸下的轴螺栓(3/8 x 4½ 英寸)、轴套和凸缘螺母(3/8 英寸)将防刮滚筒安装到支架上。

此程序中需要的物件:
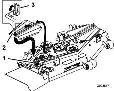
| 吹风机组件 | 1 |
| 集草袋皮带 | 1 |
| 吹风机皮带罩 | 1 |
| 弹簧 | 1 |
请参阅集草袋操作员手册,了解安装吹风机、集草袋皮带、弹簧和吹风机皮带罩的正确程序。