| Периодичность технического обслуживания | Порядок технического обслуживания |
|---|---|
| Перед каждым использованием или ежедневно |
|
Управляемая идущим сзади оператором газонокосилка с режущим аппаратом вращательно-цилиндрического типа предназначена для коммерческого использования профессиональными наемными операторами. Она предназначена главным образом для скашивания травы на благоустроенных газонах. Использование этого изделия не по прямому назначению может быть опасным для пользователя и находящихся рядом людей.
Внимательно изучите данное руководство, чтобы знать, как правильно использовать и обслуживать машину, не допуская ее повреждения и травмирования персонала. Вы несете ответственность за правильное и безопасное использование машины.
Посетите веб-сайт www.Toro.com для получения информации о технике безопасности при работе с изделием, обучающих материалов по эксплуатации изделия, информации о принадлежностях, а также для получения помощи в поисках дилера или для регистрации вашего изделия.
Для выполнения технического обслуживания, приобретения оригинальных запчастей Toro или получения дополнительной информации обращайтесь к официальному дилеру компании Toro. Не забудьте при этом указать модель и серийный номер изделия. Модель и серийный номер указаны на табличке, расположенной на задней раме. Запишите номера в предусмотренном для этого месте.
Important: С помощью мобильного устройства вы можете отсканировать QR-код на табличке с серийным номером (при наличии), чтобы получить информацию по гарантии и запчастям, а также другие сведения об изделии.

В настоящем руководстве приведены потенциальные опасности и рекомендации по их предотвращению, обозначенные символом (Рисунок 2), который предупреждает об опасности серьезного травмирования или гибели в случае несоблюдения пользователем рекомендуемых мер безопасности.

Для выделения информации в данном руководстве используются два слова. Внимание — привлекает внимание к специальной информации, относящейся к механической части машины, и Примечание — выделяет общую информацию, требующую специального внимания.
Данное изделие соответствует всем европейским директивам; подробные сведения содержатся в документе «Декларация соответствия» на каждое отдельное изделие.
Раздел 4442 или 4443 Калифорнийского свода законов по общественным ресурсам запрещает использовать или эксплуатировать на землях, покрытых лесом, кустарником или травой, двигатель без исправного искрогасительного устройства, описанного в разделе 4442 и поддерживаемого в надлежащем рабочем состоянии; или двигатель должен быть изготовлен, оборудован и проходить обслуживание с учетом противопожарной безопасности.
Прилагаемое Руководство владельца двигателя содержит информацию о требованиях Агентства по охране окружающей среды США (EPA) и (или) Директивы по контролю вредных выбросов штата Калифорния, касающихся систем выхлопа, технического обслуживания и гарантии. Запасные части можно заказать у изготовителя двигателя.
При эксплуатации данной машины на высоте 1500 метров над уровнем моря необходимы жиклеры для работы на большой высоте. См. руководство владельца двигателя Honda.
КАЛИФОРНИЯ
Положение 65, Предупреждение
Согласно законам штата Калифорния считается, что выхлопные газы этого изделия содержат химические вещества, которые вызывают рак, врождённые пороки, и представляют опасность для репродуктивной функции.
Лица, использующие данное вещество, должны иметь в виду, что, согласно информации, имеющейся в распоряжении компетентных органов штата Калифорния, оно содержит химическое соединение (соединения), отнесенные к категории канцерогенных, способных вызвать врождённые пороки и оказывающих вредное воздействие на репродуктивную систему человека.
Данная машина была спроектирована в соответствии с требованиями стандартов EN ISO 5395 и ANSI B71.4-2017 и соответствует этим требованиям, при условии, что на ней установлен механизм контроля присутствия оператора и необходимые наклейки.
Данное изделие может привести к травматической ампутации конечностей, а также к травмированию отброшенными предметами.
Перед пуском машины прочтите и усвойте содержание данного Руководства оператора.
Будьте предельно внимательны при работе на данной машине. Во избежание травмирования людей или повреждения имущества не отвлекайтесь во время работы.
Не помещайте руки и ноги рядом с движущимися компонентами машины.
Не эксплуатируйте данную машину без установленных на ней исправных ограждений и других защитных устройств.
Не допускайте посторонних лиц и детей в рабочую зону. Запрещается допускать детей к эксплуатации машины.
Прежде чем покинуть рабочее место оператора, заглушите двигатель, извлеките ключ (при наличии) и дождитесь остановки всех движущихся частей машины. Дайте машине остыть перед регулировкой, техническим обслуживанием, очисткой или помещением на хранение.
Нарушение правил
эксплуатации или
технического обслуживания
машины может привести
к травме. Чтобы
снизить вероятность
травмирования,
выполняйте правила
техники безопасности
и всегда обращайте
внимание на символы,
предупреждающие
об опасности (
, которые
имеют следующее
значение: «Осторожно!»,
«Внимание!» или
«Опасно!» — указания
по обеспечению
личной безопасности.
Несоблюдение данных
инструкций может
стать причиной
травмы или гибели.
![]() |
Предупреждающие наклейки и инструкции по технике безопасности должны быть хорошо видны оператору и установлены во всех местах потенциальной опасности. Заменяйте поврежденные или утерянные наклейки. |











Note: Определите левую и правую стороны машины относительно места оператора.
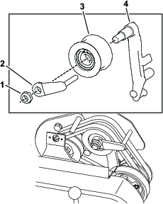
Детали, требуемые для этой процедуры:
| Рукоятка | 1 |
| Кабельная стяжка | 4 |
Удалите болты (5/16 дюйма), контргайки, штифты с кольцом и игольчатые шплинты, которые крепят нижние концы рычагов рукоятки к каждой боковой стороне машины (Рисунок 3).

Удалите болты (3/8 дюйма), шайбы и стопорные шайбы с монтажных штифтов на каждой стороне машины (Рисунок 3).
Вставьте торцевые части рукоятки в отверстия в рычагах рукоятки и совместите отверстия с монтажными штифтами (Рисунок 3).
Сожмите торцевые части рукоятки и наденьте их на монтажные штифты (Рисунок 4).

Прикрепите рукоятку к монтажным штифтам с помощью болтов (3/8 дюйма), шайб и стопорных шайб, снятых ранее (Рисунок 4).
Прикрепите рычаги рукоятки к задней части рамы с помощью снятых ранее болтов (5/16 дюйма), контргаек, игольчатых шплинтов и штифтов с кольцом (Рисунок 3).
Прикрепите к рукоятке тросы и жгут проводов кабельными стяжками (Рисунок 5).

См. Рисунок 6 для выполнения данной процедуры.

Извлеките шплинты из штифтов с кольцом на каждой стороне газонокосилки.
Удерживая рукоятку, снимите штифты с кольцом с каждой стороны и поднимите или опустите рукоятку в требуемое рабочее положение.
Установите штифты с кольцом и шплинты.
Детали, требуемые для этой процедуры:
| Вал правого колеса | 1 |
| Вал левого колеса | 1 |
Чтобы установить машину на откидную опору, опустите ногой опору вниз и потяните рукоятку вверх на себя.
Нанесите стопорящий состав для резьбы на резьбовые поверхности валов колес.
Вверните вал правого колеса в приводной шкив на правой стороне машины (Рисунок 7).
Note: Вал правого колеса имеет левую резьбу.

Затяните вал с моментом от 88 до 101 Н∙м.
Повторите действия, описанные в пунктах 2 – 4, для установки вала левого колеса на левой стороне машины.
Детали, требуемые для этой процедуры:
| Транспортное колесо | 2 |
Чтобы установить машину на откидную опору, опустите ногой опору вниз и потяните рукоятку вверх на себя.
Наденьте колесо на вал.
Отведите стопор колеса в сторону от центра колеса, чтобы сдвинуть колесо дальше на вал (Рисунок 8).

Поворачивайте колесо вперед и назад, пока оно не сядет полностью на вал и стопор не зафиксируется в канавке вала.
Повторите эту процедуру на противоположной стороне машины.
Накачайте шины до давления 8,3–10,3 бар.
Осторожно снимите машину с откидной опоры.
Перед эксплуатацией машины выполните следующие регулировки:
Детали, требуемые для этой процедуры:
| Комплект контроля присутствия оператора (заказывается отдельно; свяжитесь с официальным дистрибьютором компании Toro). | 1 |
Чтобы соответствовать требованиям стандартов EN ISO 5395 и ANSI B71.4-2017, установите комплект контроля присутствия оператора (модель № 112-9282); см. Инструкцию по установке этого комплекта.
Свяжитесь с официальным дистрибьютором компании Toro для приобретения этого комплекта.
Детали, требуемые для этой процедуры:
| Наклейка с указанием года выпуска | 1 |
| Наклейка с маркировкой CE | 1 |
Если вы используете данную машину в стране, соблюдающую стандарты CE, прикрепите наклейку с указанием года выпуска и наклейку с отметкой CE рядом с табличкой с серийным номером; см. Рисунок 9.

Детали, требуемые для этой процедуры:
| Травосборник | 1 |
Возьмитесь за верхнюю кромку травосборника и наденьте его на стержни крепления травосборника (Рисунок 10).

Период обкатки занимает всего 8 часов операции скашивания.
Эти несколько первых часов эксплуатации имеют решающее значение для безотказной работы машины в будущем. Необходимо внимательно наблюдать за функционированием машины, чтобы обнаружить и устранить незначительные неполадки, которые могут перерасти в серьезные проблемы. В течение первых нескольких часов эксплуатации часто осматривайте машину на наличие признаков утечки масла, ослабленных деталей крепления или других неполадок.
Указания по смене масла и рекомендуемому техническому обслуживанию в период обкатки см. в «Руководстве для владельца двигателя».


Рычаг управления тягой (Рисунок 12) находится на передней правой стороне панели управления. Он имеет два положения: Нейтраль и Вперед. При перемещении рычага вперед включается привод тяги.
Рычаг дроссельной заслонки (Рисунок 12) находится на правой задней стороне панели управления. Рычаг подсоединяется к рычажному механизму дроссельной заслонки карбюратора и управляет им. Сведения о частоте вращения двигателя см. в Технические характеристики.
Двухпозиционный переключатель (Рисунок 12) находится сверху панели управления. Переведите этот переключатель в положение Вкл., чтобы запустить двигатель, и в положение Выкл., чтобы его выключить.
Рабочий тормоз (Рисунок 13) находится вверху слева на передней стороне панели управления. Тормоз используется для замедления или остановки машины.

Стояночный тормоз (Рисунок 14) расположен в основании рабочего тормоза. До отказа вытяните вверх рабочий тормоз и нажмите кнопку стояночного тормоза, чтобы рабочий тормоз мог опереться на палец стояночного тормоза. Чтобы отпустить стояночный тормоз, нажмите рабочий тормоз. Прежде чем задействовать тяговый привод, необходимо отпустить рабочий тормоз.

Если штанга контроля присутствия оператора установлена на машине, то она (Рисунок 12) находится позади рукоятки. Прижмите штангу контроля присутствия оператора к рукоятке. Перед перемещением рычага привода тяги необходимо прижать к рукоятке штангу контроля присутствия оператора. Если вы отпустите штангу контроля присутствия оператора, двигатель остановится.
Рычаг привода барабана (Рисунок 15) находится в переднем правом углу машины. У рычага есть два положения:
Включено – переведите рычаг вперед для включения барабана.
Выключено – переведите рычаг назад для выключения барабана.

Рычаг воздушной заслонки (Рисунок 16) расположен слева на передней стороне двигателя. Используйте этот рычаг для облегчения запуска холодного двигателя; см. раздел Использование рычага воздушной заслонки.

Отсечной топливный клапан расположен в боковой части двигателя под рычагом воздушной заслонки (Рисунок 16).
Note: Закройте отсечной топливный клапан, когда вы не будете использовать машину в течение нескольких дней, во время транспортировки на рабочую площадку и от нее, а также при постановке машины на стоянку внутри здания; см. раздел Открывание и закрывание отсечного топливного клапана.
Для пуска двигателя потяните за рукоятку механического стартера (Рисунок 16).
| Технические характеристики модели | Модель 04055 |
| Ширина | 91 см |
| Высота | 114 см |
| Длина с травосборником | 122 см |
| Сухая масса (с травосборником и валиком Wiehle, без колес и барабана механической щетки) | 98 кг |
| Ширина скашивания | 53 см |
| Высота скашивания | 1,6–31,8 мм |
| Зажим | 4,3 мм |
| Частота вращения двигателя | Малая частота холостого хода – от 1800 до 2000 об/мин, высокая частота холостого хода – от 3350 до 3550 об/мин |
Для улучшения и расширения возможностей машины можно использовать ряд утвержденных компанией Toro вспомогательных приспособлений и навесных орудий. Обратитесь в сервисный центр официального дилера или дистрибьютора или посетите сайт www.Toro.com, на котором приведен список всех утвержденных навесных орудий и вспомогательных приспособлений.
Для поддержания оптимальных рабочих характеристик машины и регулярного прохождения сертификации безопасности всегда приобретайте только оригинальные запасные части и приспособления компании Toro. Использование запасных частей и приспособлений, изготовленных другими производителями, может быть опасным и привести к аннулированию гарантии на изделие.
Note: Определите левую и правую стороны машины относительно места оператора.
Запрещается допускать к эксплуатации или обслуживанию данной машины детей или неподготовленных людей. Минимальный возраст оператора устанавливается местными правилами и нормами. Владелец несет ответственность за подготовку всех операторов и механиков.
Ознакомьтесь с приемами безопасной эксплуатации оборудования, органами управления и знаками безопасности.
Прежде чем покинуть рабочее место оператора, заглушите двигатель, извлеките ключ (при наличии) и дождитесь остановки всех движущихся частей машины. Дайте машине остыть перед регулировкой, техническим обслуживанием, очисткой или помещением на хранение.
Освойте порядок экстренной остановки и выключения машины.
Проверьте надежность крепления и исправность органов контроля присутствия оператора, защитных выключателей и защитных предохранительных устройств. Не приступайте к эксплуатации машины, пока не убедитесь в правильной работе этих устройств.
Осмотрите участок, где будет использоваться машина, и удалите все посторонние предметы, которые могут быть отброшены машиной.
Будьте предельно осторожны при обращении с топливом. Топливо легко воспламеняется, а его пары взрывоопасны.
Потушите все сигареты, сигары, трубки и другие источники возгорания.
Используйте только разрешенную к применению емкость для топлива.
Не снимайте крышку топливного бака и не доливайте топливо в бак при работающем или горячем двигателе.
Запрещается доливать или сливать топливо в закрытом пространстве.
Запрещается хранить машину или емкость с топливом в местах, где есть открытое пламя, искры или малая горелка, используемая, например, в водонагревателе или другом оборудовании.
В случае разлива топлива не пытайтесь запустить двигатель; пока пары топлива не рассеются, следите, чтобы не возникло возгорания.
Запрещается заправлять емкости, находящиеся внутри машины, на грузовике или платформе прицепа с пластиковым настилом. Перед заполнением всегда ставьте емкости на землю, в стороне от транспортного средства.
Снимите оборудование с грузовика или прицепа и заправляйте его на земле. При отсутствии такой возможности заправлять это оборудование на прицепе следует из переносной канистры, а не с помощью заправочного пистолета.
Держите заправочный пистолет прижатым к ободку горловины топливного бака или емкости до окончания заправки.
Выполняйте ежедневно процедуры техобслуживания; см. раздел Перечень операций ежедневного технического обслуживания.
Проверяйте уровень масла в двигателе перед каждым использованием или через каждые 8 часов работы; см. Проверка уровня масла в двигателе.
Емкость топливного бака: 2.0 л (0.59 галлона США).
Рекомендуемое топливо: неэтилированный бензин с октановым числом 87 или выше (метод оценки (R+M)/2).
Этиловый спирт: приемлемым считается топливо, содержащее по объему до 10% этилового спирта или 15% MTBE (метил-трет-бутилового эфира). Этиловый спирт и MTBE – это разные вещества. Запрещается использовать бензин с содержанием этилового спирта 15% (E15) по объему.
Запрещается использовать бензин, содержащий более 10% этилового спирта по объему, такой как E15 (содержит 15% этилового спирта), E20 (содержит 20% этилового спирта) или E85 (содержит до 85% этилового спирта).
Запрещается использовать бензин, содержащий метанол.
Запрещается хранить топливо без стабилизирующей присадки в топливных баках или контейнерах на протяжении всего зимнего периода.
Не добавляйте масло в бензин.
Для получения наилучших результатов используйте только чистое, свежее топливо (полученное в течение последних 30 дней).
Использование запрещенного к применению бензина может привести к ухудшению эксплуатационных характеристик и (или) повреждениям двигателя, на которые не распространяются условия гарантии.
При определенных условиях топливо является чрезвычайно огнеопасным и взрывоопасным веществом. Возгорание или взрыв топлива могут вызвать ожоги у людей и повреждение имущества.
Заправляйте топливный бак вне помещения, на открытом воздухе и при холодном двигателе. Сразу же вытирайте пролитое топливо.
Никогда не заправляйте топливный бак в закрытом прицепе.
Не заправляйте топливный бак до предела. Доливайте топливо в топливный бак, не доходя 6–13 мм до нижней границы заливной горловины. Это пустое пространство в баке позволит топливу расширяться.
Запрещается курить при работе с топливом. Держитесь подальше от открытого пламени и от мест, где пары топлива могут воспламениться от искр.
Храните топливо в штатной емкости в месте, недоступном для детей. Приобретаемый запас топлива должен быть рассчитан не более чем на 30 дней.
Не эксплуатируйте машину без исправной выхлопной системы.
В определенных обстоятельствах во время заправки может накопиться статическое электричество и образоваться искра, вызывающая воспламенение паров топлива. Возгорание или взрыв топлива могут вызвать ожоги у людей и повреждение имущества.
Перед заправкой обязательно поставьте емкости на землю, в стороне от транспортного средства.
Не заправляйте емкости топливом внутри транспортного средства, в кузове грузовика или на платформе прицепа, так как ковровое покрытие кабины или пластмассовая облицовка кузова могут изолировать емкость и замедлить рассеяние статического заряда.
По возможности снимайте оборудование с грузовика или прицепа и заправляйте его на земле. Если снять оборудование невозможно, заправляйте его из переносной канистры, а не с помощью заправочного пистолета.
При использовании заправочного пистолета на бензозаправочной станции держите насадку прижатой к краю заливочной горловины топливного бака или емкости до окончания заправки.
Топливо опасно для здоровья и может привести к гибели при проглатывании. Продолжительное воздействие паров топлива может привести к тяжелой травме или заболеванию.
Старайтесь не вдыхать пары топлива.
Не приближайте лицо к пистолету и топливному баку или к отверстию бутыли с кондиционером топлива.
Не допускайте контакта жидкости с кожей; при попадании на кожу смойте ее водой с мылом.
Очистите область вокруг крышки топливного бака и снимите крышку (Рисунок 17). Заполните топливный бак до нижней границы заливного отверстия.
Important: Не переполняйте топливный бак.

Установите крышку топливного бака и удалите все пролитое топливо.
Для настройки машины в соответствии с состоянием травяного покрова используйте следующие таблицы.
| Каталожный номер | Описание | Интенсивность скашивания | Примечания |
| 112-9281-01 | Стандартный | Менее интенсивное | Стандартный Greensmaster 1000 |
| 112-9279-03 | Интенсивное воздействие | Более интенсивное |
| Каталожный номер | Описание | Диапазон высоты скашивания | Примечания |
| 93-4262 | Microcut | 1,57–3,1 мм | |
| 115-1880 | EdgeMax Microcut | 1,57–3,1 мм | Стандартный Greensmaster 1000 |
| 93-4263 | Tournament | 3,1–6,0 мм | |
| 115-1881 | EdgeMax Tournament | 3,1–6,0 мм | Износоустойчивые |
| 93-4264 | Low cut (малая высота скашивания) | 6,0 мм и выше | |
| 108-4303 | Extended Microcut | 1,57–3,1 мм | Менее интенсивное |
| Каталожный номер | Описание | Диаметр/материал | Примечания |
| 99-6241 | Узкий валик Wiehle | 50,8 мм, алюминий | Стандартный, зазор 0,2 дюйма |
| 88-6790 | Широкий валик Wiehle | 50,8 мм, алюминий | Увеличенное проникновение в почву, зазор 0,43 дюйма |
| 104-2642 | Полноразмерный валик | 50,8 мм, сталь | Наименьшее проникновение в почву |
| 71-1550 | Валик Wiehle | 50,8 мм, литой чугун | Увеличенное проникновение в почву, зазор 0,43 дюйма |
| 93-9045 | Валик Wiehle | 63,5 мм, алюминий | Ширина 24 дюйма для краевой опоры |
| 52-3590 | Штампованный валик | 63,5 мм, алюминий |
| Модель | Стандартный | Комплект зажимов 65-9000 | Комплект привода тяги 115-1886 | Комплекты зажимов и приводов тяги | ||||||||
| Стандартный барабан | Дополнительный барабан | Стандартный барабан | Дополнительный барабан | Стандартный барабан | Дополнительный барабан | Стандартный барабан | Дополнительный барабан | |||||
| 04810 | 11 ножей 4,1 мм | 14 ножей 3,3 мм | 8 ножей 5,8 мм | 11 ножей 6,4 мм | 14 ножей 4,8 мм | 8 ножей 8,6 мм | 11 ножей 3,8 мм | 14 ножей 3,0 мм | 8 ножей 5,1 мм | 11 ножей 5,6 мм | 14 ножей 4,3 мм | 8 ножей 7,6 мм |
| Скорость движения по земле | 5,39 км/ч | 4,80 км/ч | ||||||||||
| Периодичность технического обслуживания | Порядок технического обслуживания |
|---|---|
| Перед каждым использованием или ежедневно |
|
В случае отсоединения или повреждения защитных блокировочных выключателей машина может неожиданно заработать, что приведет к получению травм.
Не вмешивайтесь в работу блокировочных выключателей.
Ежедневно проверяйте работу блокировочных выключателей и заменяйте все поврежденные выключатели перед эксплуатацией машины.
Отожмите ногой откидную опору вниз и поднимите рукоятку вверх и назад, чтобы приподнять колеса от земли.
Установите рычаг управления тягой в положение включено, а органы управления двигателем в положение запуска.
Попробуйте запустить двигатель.
Двигатель не должен запускаться. Если двигатель запускается, блокировочный выключатель нуждается в ремонте. Устраните неисправность до начала работы на машине. См. раздел Обслуживание блокировочного выключателя тяги
Осторожно поднимите машину за рукоятку, чтобы освободить откидную опору.
Для перевозки машины на небольшое расстояние используйте ходовые колеса.
Установите ходовые колеса; см. Установка транспортных колес.
Убедитесь, что рычаг управления тягой и приводом барабана находится в нейтральном положении.
Запустите двигатель; см. раздел Пуск двигателя
Установите регулятор дроссельной заслонки в положение Медленно, приподнимите переднюю часть машины, плавно включите тяговый привод и медленно увеличьте частоту вращения двигателя.
Отрегулируйте дроссельную заслонку для работы газонокосилки с требуемой скоростью и переместите машину к месту назначения.
Для транспортировки машины на большие расстояния используйте прицеп. Будьте осторожны при погрузке машины в прицеп, а также при ее выгрузке.
Осторожно переместите машину на прицеп.
Выключите двигатель, включите стояночный тормоз и поверните топливный клапан в положение Выкл.
Для погрузки машины на прицеп или грузовик используйте полноразмерные наклонные въезды.
Надежно прикрепите машину к прицепу.
Note: Для транспортировки машины можно использовать прицеп Trans Pro компании Toro. Инструкции по погрузке на прицеп см. в Руководстве оператора для вашего прицепа.
Important: Не включайте двигатель машины при перевозке ее на прицепе, т.к. она может получить повреждение.
Верните рычаг управления тягой в нейтральное положение, установите дроссельную заслонку в положение Медленно и заглушите двигатель.
Чтобы установить машину на откидную опору, опустите ногой опору вниз и потяните рукоятку вверх на себя.
Снимите ходовые колеса, для этого отожмите стопоры колес из канавок шестигранных валов.
Осторожно опустите машину с откидной опоры, медленно нажимая на нее вперед или подняв опору нижней рукоятки, при этом пружина должна возвратить откидную опору в положение хранения.
Используйте рычаг воздушной заслонки для облегчения запуска холодного двигателя. При запуске холодного двигателя переведите рычаг в положение Дросселирование. После пуска двигателя переведите рычаг в положение Работа.

Управляйте подачей топлива в двигатель с помощью отсечного топливного клапана следующим образом:
Владелец или пользователь несет полную ответственность за любые несчастные случаи с людьми, а также за нанесение ущерба имуществу, и должен предпринять все меры для предотвращения таких случаев.
Используйте подходящую одежду, включая защитные очки, длинные брюки, нескользящую прочную обувь и средства защиты органов слуха. Закрепляйте длинные волосы на затылке и не носите свободную одежду и ювелирные украшения.
Запрещается управлять машиной в состоянии болезни, усталости, а также под воздействием алкоголя или сильнодействующих лекарственных препаратов.
Будьте предельно внимательны при работе на данной машине. Во избежание травмирования людей или повреждения имущества не отвлекайтесь во время работы.
Прежде чем запускать машину, убедитесь в том, что все приводы находятся в нейтральном положении, стояночный тормоз включен, и вы находитесь на рабочем месте оператора.
Не допускайте посторонних лиц и детей в рабочую зону. Если рядом должны находиться помощники, будьте внимательны и убедитесь в том, что на машине установлен травосборник.
Эксплуатируйте машину только в условиях хорошей видимости, чтобы уберечься от ям или скрытых опасностей.
Запрещается работать на машине, если существует вероятность удара молнией.
Не производите скашивание на влажной траве. Неустойчивое положение ног создает опасность – человек может поскользнуться и упасть.
Держите руки и ноги на безопасном расстоянии от режущего блока.
Прежде чем начать движение задним ходом, посмотрите назад и вниз и убедитесь в том, что путь свободен.
Будьте осторожны, приближаясь к закрытым поворотам, кустарникам, деревьям или к другим объектам, которые могут ухудшать обзор.
Всегда останавливайте режущий блок, когда не производите скашивание.
Отсоедините привод режущего блока и заглушите двигатель перед регулировкой высоты скашивания.
Запрещается заводить двигатель в закрытом пространстве, где могут накапливаться выхлопные газы.
Запрещается оставлять работающую машину без присмотра.
Прежде чем покинуть рабочее место оператора, выполните следующие действия:
Установите машину на ровной поверхности.
Выключите режущий блок.
Включите стояночный тормоз.
Отключите машину и извлеките ключ (при наличии).
Дождитесь остановки всех движущихся частей.
Выключите машину перед опорожнением травосборника.
Не дотрагивайтесь до двигателя, глушителя или выхлопной трубы во время работы двигателя или вскоре после его останова, так как эти устройства могут быть достаточно горячими, чтобы причинить ожоги.
Выключите машину и отключите привод режущего блока в следующих ситуациях:
перед заправкой топливом;
перед прочисткой ограждения выброса;
перед демонтажем травосборника;
перед проверкой, очисткой или техническим обслуживанием режущего блока;
после удара о посторонний предмет или при возникновении аномальной вибрации; перед запуском и эксплуатацией машины при проверке режущего блока на наличие повреждений и выполнении ремонта (при необходимости);
когда вы покидаете рабочее место оператора.
Используйте только приспособления и навесное оборудование, утвержденные компанией Toro®.
Основная опасность при работе на склонах — потеря управляемости и опрокидывание машины, которое может привести к травме или гибели. Вы несете ответственность за безопасную работу на склонах. Эксплуатация машины на любых склонах требует максимальной осторожности. Перед использованием машины на склоне выполните следующие действия:
Прочитайте и изучите инструкции по работе на склонах, приведенные в руководстве и имеющиеся на машине.
Оцените условия на рабочей площадке, чтобы определить, безопасно ли эксплуатировать машину на склоне в этот день. При осмотре площадки всегда руководствуйтесь здравым смыслом и правильно оценивайте ситуацию. Изменения характера поверхности, например влага, могут мгновенно повлиять на работу машины на склоне.
Двигайтесь поперек склона, никогда не перемещайтесь вверх и вниз. Старайтесь не работать на слишком крутых или влажных склонах. Неустойчивое положение ног создает опасность – человек может поскользнуться и упасть.
Находясь у основания склона, оцените степень его опасности. Запрещается эксплуатировать машину рядом с обрывами, канавами, насыпями, водоемами или другими опасностями. Машина может внезапно опрокинуться, если колесо пройдет по кромке или кромка обрушится. При работе на машине поддерживайте безопасное расстояние до любого объекта, представляющего опасность. Для работы в таких зонах используйте ручные инструменты.
Старайтесь не начинать движение, не останавливаться и не поворачивать на склоне. Не допускайте внезапного изменения скорости или направления движения; выполняйте повороты медленно и плавно.
Не эксплуатируйте машину в условиях, когда имеются сомнения относительно сцепления с грунтом, управляемости или устойчивости машины. Помните, что при работе на влажной траве, поперек крутых склонов или на спусках по склону машина может потерять сцепление с поверхностью. Потеря сцепления с поверхностью ведущих колес может привести к соскальзыванию и потере рулевого управления и возможности торможения. Машина может начать скользить, даже если ведущие колеса не вращаются.
Удалите или пометьте препятствия, такие как канавы, ямы, колея, ухабы, камни или другие скрытые опасности. Высокая трава может скрывать различные препятствия. При движении по неровной поверхности машина может перевернуться.
Если вы потеряете контроль над машиной, отойдите в сторону от направления движения машины.
При движении вниз по склону всегда держите включенной соответствующую передачу. Не допускайте свободного скатывания вниз по склону (относится только к машинам, имеющим привод с зубчатыми передачами).
Note: Изображения и описания органов управления, упоминаемых в настоящем разделе, см. в разделе Органы управления.
Note: Убедитесь, что провод зажигания установлен на свечу зажигания.
Убедитесь, что рычаг управления тягой и приводом барабана находится в положении выключено.
Note: Двигатель нельзя будет запустить, если рычаг управления тягой находится в положении включено.
Убедитесь, что клапан отключения подачи топлива открыт.
Переведите двухпозиционный выключатель в положение Вкл.
Установите рычаг дроссельной заслонки в положение Быстро.
При запуске холодного двигателя переведите рычаг воздушной заслонки в среднее положение между положениями Дросселирование и Работа.
Note: При пуске прогретого двигателя можно не закрывать воздушную заслонку.
Вытягивайте рукоятку ручного стартера, пока не произойдет надежное зацепление, после чего резким рывком запустите двигатель.
Important: Во избежание обрыва тросика или повреждения узла стартера не вытягивайте тросик стартера до предела и не отпускайте рукоятку стартера при вытягивании тросика.
После прогрева двигателя переведите рычаг воздушной заслонки в положение Работа.
Переведите рычаг управления тягой в положение выключено.
Переведите рычаг дроссельной заслонки в положение Медленно.
Установите переключатель «Вкл./выкл.» в положение Выкл.
Перед постановкой машины на хранение или ее транспортировкой закройте клапан отключения подачи топлива.
Important: В процессе скашивания трава воздействует на режущий блок как смазка. Интенсивная работа режущего блока при отсутствии контакта с травой может повредить режущий блок.
Скашивайте грины, двигаясь по грину в прямом и обратном направлении по прямой линии.
Старайтесь не скашивать траву по кругу и не поворачивайте машину на гринах, т.к. могут образоваться задиры.
Поворачивать газонокосилку следует за пределами грина, поднимая режущий барабан (нажимая на ручку вниз) и поворачивая газонокосилку на тяговом барабане.
При скашивании двигайтесь с обычной пешеходной скоростью. Движение с более высокой скоростью сэкономит немного времени, но приведет к плохому качеству скашивания.
Чтобы сохранять прямолинейное движение на протяжении всего грина и поддерживать одинаковое расстояние от края предыдущей скошенной полосы, используйте ориентирующие полосы на травосборнике (Рисунок 20).

При эксплуатации машины в условиях недостаточной освещенности используйте комплект светодиодного освещения; обратитесь к официальному дистрибьютору компании Toro.
Important: Запрещается использовать на этой машине другие осветительные системы, т.к. они не будут работать надлежащим образом с выходным напряжением переменного тока генератора на данной машине.
Правильная эксплуатация машины обеспечивает самое ровное скашивание травяного покрова. См. также Полезные советы, где приведены основные рекомендации по достижению наилучших результатов работы машины.
Important: Слишком длительная работа режущего блока без скошенной травы (действующей в качестве смазки) может привести к повреждению блока.
Запустите двигатель, установите дроссельную заслонку на пониженные обороты двигателя, нажмите на рукоятку вниз, чтобы поднять режущий блок, переведите рычаг тяги в положение «Вкл.» (ENGAGE) и переместите машину на край газона.
Переведите рычаг тяги в положение «Выкл.» (DISENGAGED), а рычаг привода барабана в положение «Вкл.» (ENGAGE).
Переведите рычаг тяги в положение «Вкл.» (ENGAGE), увеличивайте посредством дроссельной заслонки обороты двигателя до тех пор, пока машина не будет двигаться с требуемой скоростью, переместите машину на газон, опустите переднюю часть машины и начните работу.
Закончив скашивание, выведите машину с травяного покрова, переведите рычаг управления тягой в положение «Выключено» (DISENGAGED), заглушите двигатель и переведите рычаг привода барабана в положение «Выключено» (DISENGAGED).
Опорожните корзину для травы от скошенной травы, установите ее на газонокосилку и начните операцию транспортировки.
Выведите газонокосилку с грина, переведите рычаг управления тягой и приводом барабана в положение выключен и выключен двигатель.
Опорожните травосборник, установите травосборник на газонокосилку и транспортируйте машину к месту хранения.
Прежде чем покинуть рабочее место оператора, выключите двигатель, извлеките ключ (при наличии) и дождитесь остановки всех движущихся частей машины. Дайте машине остыть перед регулировкой, техническим обслуживанием, очисткой или помещением на хранение.
Для предотвращения возгорания очистите машину от травы и загрязнений. Удалите следы утечек масла или топлива.
Дайте двигателю остыть перед постановкой машины на хранение в закрытом помещении.
Запрещается хранить машину или емкость с топливом в местах, где есть открытое пламя, искры или малая горелка, используемая, например, в водонагревателе или другом оборудовании.
Прежде чем выключить двигатель, снизьте обороты двигателя при помощи дроссельной заслонки и, если у двигателя есть клапан отключения подачи топлива, выключите его после скашивания.
После скашивания транспортируйте машину от рабочей площадки; см. разделы Транспортировка машины с помощью транспортных колес или Транспортировка машины с помощью прицепа.
Невыполнение требований по надлежащему техническому обслуживанию автомобиля может привести к преждевременному отказу систем автомобиля и возможным травмам оператора или находящихся поблизости людей.
Своевременно обслуживайте машину и поддерживайте ее в исправном рабочем состоянии, как описано в данном руководстве.
Note: Определите левую и правую стороны машины относительно места оператора.
Important: Не наклоняйте машину больше чем на 25°. Наклон машины на угол больше 25° приведет к попаданию масла в камеру сгорания и(или) течи топлива из крышки топливного бака.
Important: Информацию о дополнительных процедурах технического обслуживания см. в Руководстве для владельца двигателя.
Прежде чем покинуть рабочее место оператора, выполните следующие действия:
Установите машину на ровной поверхности.
Переведите рычаг дроссельной заслонки в положение малой частоты вращения холостого хода.
Выключите режущий блок (блоки).
Убедитесь, что педаль управления тягой находится в нейтральном положении.
Включите стояночный тормоз.
Отключите машину и извлеките ключ (при наличии).
Дождитесь остановки всех движущихся частей.
Прежде чем выполнять техническое обслуживание, дайте компонентам машины остыть.
По возможности не выполняйте техническое обслуживание на машине с работающим двигателем. Держитесь на безопасном расстоянии от движущихся частей.
Если для выполнения регулировок при техническом обслуживании двигатель должен работать, держите руки, ноги, одежду и любые части тела на безопасном расстоянии от режущего блока, навесных орудий и любых движущихся частей. Не допускайте присутствия посторонних лиц.
Для предотвращения возгорания очистите от травы и загрязнений режущий блок, привод, глушитель, решетку охладителя и двигатель. Удалите следы утечек масла или топлива.
Поддерживайте все компоненты в исправном состоянии. Замените все изношенные и поврежденные детали и наклейки и восстановите все отсутствующие детали и наклейки. Чтобы обеспечить безопасную работу машины, следите, чтобы все крепежные детали были надежно затянуты.
Регулярно проверяйте и заменяйте по мере необходимости компоненты травосборника.
Для обеспечения безопасной работы и поддержания оптимальных эксплуатационных характеристик машины используйте только оригинальные запасные части компании Toro. Использование запасных частей, изготовленных другими производителями, может быть опасным и привести к аннулированию гарантии на данное изделие.
Для проведения капитального ремонта или получения технической помощи обращайтесь к официальному дистрибьютору компании Toro.
| Периодичность технического обслуживания | Порядок технического обслуживания |
|---|---|
| Через первые 20 часа |
|
| Перед каждым использованием или ежедневно |
|
| Через каждые 25 часов |
|
| Через каждые 50 часов |
|
| Через каждые 100 часов |
|
| Через каждые 300 часов |
|
| Через каждые 1000 часов |
|
Important: Скопируйте эту страницу для повседневного использования.
| Пункт проверки при техобслуживании | Для недели: | ||||||
|---|---|---|---|---|---|---|---|
| Пн. | Вт. | Ср. | Чт. | Пт. | Сб. | Вс. | |
| Проверьте работу защитных блокировок. | |||||||
| Проверьте работу стояночного тормоза. | |||||||
| Проверьте уровень топлива. | |||||||
| Проверьте уровень масла в двигателе. | |||||||
| Проверьте воздушный фильтр. | |||||||
| Очистите охлаждающие ребра двигателя. | |||||||
| Убедитесь в отсутствии посторонних шумов двигателя. | |||||||
| Убедитесь в отсутствии посторонних шумов при работе машины. | |||||||
| Проверьте регулировку контакта барабана с неподвижным ножом. | |||||||
| Проверьте регулировку высоты скашивания. | |||||||
| Заправьте все масленки консистентной смазкой. | |||||||
| Восстановите поврежденное лакокрасочное покрытие. | |||||||
| Проверил: | ||
| Позиция | Дата | Информация |
При выполнении технического обслуживания или регулировок машины кто-то может выполнить случайный запуск двигателя. Случайный запуск двигателя может причинить серьезную травму вам или другим окружающим лицам.
Перед проведением любого технического обслуживания заглушите двигатель, включите стояночный тормоз и отсоедините провод (провода) свечи зажигания от свечи (свечей). Кроме того, отведите провод (провода) в сторону для исключения возможности случайного контакта провода (проводов) со свечей (свечами) зажигания.
Перед техобслуживанием, очисткой или выполнением любых регулировок машины выполните следующие действия:
Установите машину на ровной поверхности.
Заглушите двигатель и извлеките ключ из машины (при наличии).
Включите стояночный тормоз.
Прежде чем приступать к техническому обслуживанию, размещению на хранение или ремонту, дождитесь остановки всех движущихся частей и остывания двигателя.
Отсоедините провод свечи зажигания (Рисунок 21).

| Периодичность технического обслуживания | Порядок технического обслуживания |
|---|---|
| Через каждые 25 часов |
|
Заправьте 12 масленок на газонокосилке консистентной смазкой № 2 на литиевой основе. Для получения наилучших результатов используйте ручной смазочный пистолет.
Расположение масленок:
Две на переднем валике (Рисунок 22)
Две на подшипниках барабана (Рисунок 22)
Две на осях барабанов (Рисунок 23)
Три на дифференциале Рисунок 23)
Две на подшипниках промежуточного вала барабанаРисунок 24)
Одна на шарнирах натяжного ролика ремня Рисунок 25).
Протрите все масленки чистой ветошью
Закачайте консистентную смазку в каждую масленку.
Important: Не прикладывайте слишком большое усилие во избежание неустранимого повреждения смазочных уплотнений.
Удалите излишек консистентной смазки.




Не изменяйте настройку регулятора оборотов двигателя и не превышайте допустимую частоту вращения двигателя.
Не выключайте двигатель до полной выработки топлива или откачайте топливо ручным насосом; запрещается использовать перелив сифоном. Если необходимо слить топливо из топливного бака, слейте его вне помещения.
Перед запуском залейте в картер двигателя приблизительно 0,56 л масла надлежащей вязкости. В двигателе используется любое высококачественное масло, имеющее эксплуатационную классификацию Американского института нефти (API) SJ или выше. Выберите правильную категорию вязкости (удельный вес) масла в зависимости от температуры окружающей среды. На Рисунок 26 приведены рекомендации по температуре/вязкости.

Note: При использовании универсальных масел (5W-20, 10W-30 и 10W-40) расход масла увеличивается. Если используются такие виды масел, чаще проверяйте уровень масла в двигателе.
| Периодичность технического обслуживания | Порядок технического обслуживания |
|---|---|
| Перед каждым использованием или ежедневно |
|
Наилучший момент для проверки уровня масла в двигателе – когда двигатель холодный или перед его запуском в начале рабочего дня. Если двигатель уже поработал, перед проверкой дайте маслу стечь в поддон (не менее 10 минут).
Заглушите двигатель и дождитесь остановки всех движущихся частей; см. раздел Подготовка автомобиля к техническому обслуживанию.
Установите машину так, чтобы двигатель располагался горизонтально, и очистите область вокруг маслозаливной горловины (Рисунок 27).

Снимите масломерный щуп, повернув его против часовой стрелки.
Выньте щуп и дочиста протрите его конец.
Вставьте щуп в маслозаливную горловину до упора, но не заворачивайте его.
Выньте щуп и проверьте уровень моторного масла (Рисунок 28).

Если уровень масла в двигателе не соответствует норме, добавьте или слейте масло, чтобы получить требуемый уровень; см. раздел Замена масла в двигателе.
| Периодичность технического обслуживания | Порядок технического обслуживания |
|---|---|
| Через первые 20 часа |
|
| Через каждые 100 часов |
|
После работы двигателя масло может быть горячим, и контакт с ним может привести к серьезной травме.
Избегайте контакта с горячим моторным маслом при его сливе.
Заглушите двигатель и дождитесь остановки всех движущихся частей; см. раздел Подготовка автомобиля к техническому обслуживанию.
Установите поддон под пробку сливного отверстия для сбора масла.
Снимите пробку сливного отверстия, шайбу и измерительный щуп (Рисунок 27).
Расположите двигатель таким образом, чтобы масло вытекало из него.
После полного слива масла переведите двигатель в горизонтальное положение и установите на место пробку сливного отверстия и новую шайбу.
Note: Утилизируйте использованное масло в официальном центре переработки отходов.
Медленно залейте масло в заливное отверстие до тех пор, пока оно не будет находиться на требуемом уровне.
Убедитесь в том, что уровень масла соответствует норме на масломерном щупе; см. раздел Проверка уровня масла в двигателе.
Заверните измерительный щуп до упора в маслозаливное отверстие.
Вытрите пролитое масло.
Присоедините провод к свече зажигания.
| Периодичность технического обслуживания | Порядок технического обслуживания |
|---|---|
| Перед каждым использованием или ежедневно |
|
| Через каждые 50 часов |
|
| Через каждые 300 часов |
|
Important: Запрещается эксплуатация двигателя без установленного воздушного фильтра в сборе, поскольку возможно серьезное повреждение двигателя.
Заглушите двигатель и дождитесь остановки всех движущихся частей; см. раздел Подготовка автомобиля к техническому обслуживанию.
Отверните барашковую гайку, которая крепит крышку воздухоочистителя (Рисунок 29).
Снимите крышку воздухоочистителя.
Note: Проследите за тем, чтобы никакие загрязнения и мусор с крышки воздухоочистителя не упали в основание.
Снимите элементы из пеноматериала и бумаги с основания.
Снимите элемент из пеноматериала с бумажного элемента.
Проверьте элементы из пеноматериала и бумаги; замените их, если они повреждены или сильно загрязнены.

Очистите бумажный элемент легким постукиванием для удаления загрязнений.
Note: Не пытайтесь удалять грязь щеткой с бумажного элемента; щетка втирает грязь в волокна. Замените элемент, если не удалось удалить загрязнения постукиванием.
Очистите элемент из пеноматериала в теплой мыльной воде или невоспламеняемом растворителе.
Note: Не используйте бензин для очистки элемента из пеноматериала, так как это может привести к возгоранию или взрыву.
Тщательно промойте и просушите элемент из пеноматериала.
Удалите грязь с основания и крышки с помощью влажной ткани.
Note: Следите за тем, чтобы никакие загрязнения и мусор не попали в воздушный канал, ведущий в карбюратор.
Установите элементы воздухоочистителя и убедитесь, что они правильно расположены. Заверните нижнюю барашковую гайку.
Установите крышку и заверните верхнюю барашковую гайку, чтобы закрепить ее.
| Периодичность технического обслуживания | Порядок технического обслуживания |
|---|---|
| Через каждые 100 часов |
|
| Через каждые 300 часов |
|
Используйте NGK BPR6ES или эквивалентную свечу зажигания.
Заглушите двигатель и дождитесь остановки всех движущихся частей; см. раздел Подготовка автомобиля к техническому обслуживанию.
Очистите поверхность вокруг свечи зажигания.
Выверните свечу зажигания из головки цилиндра.
Important: Замените свечу зажигания, имеющую трещины, повреждения или следы загрязнения. Пескоструйная обработка, шабровка или очистка электродов не допускаются, т.к. попадание абразивных частиц в двигатель может привести к его повреждению.
Установите в свече зазор, равный 0,7-0,8 мм.

Осторожно заверните свечу от руки (во избежание заворачивания с перекосом) до отказа.
Затяните свечу зажигания еще на 1/2 оборота, если она новая; в ином случае затяните ее дополнительно на 1/8 – 1/4 оборота.
Important: Незатянутая свеча зажигания может сильно нагреться и повредить двигатель; слишком сильная затяжка свечи может повредить резьбу в головке цилиндра.
Присоедините провод к свече зажигания.
Используйте следующую процедуру, если потребуется регулировка или замена блокировочного выключателя тяги.
Убедитесь, что двигатель выключен, а рычаг управления тягой выведен из зацепления и опирается на упор нейтрали (Рисунок 31).

Ослабьте крепежные детали блокировочного выключателя (Рисунок 31).
Установите регулировочную прокладку толщиной 0,8 мм между рычагом управления тягой и блокировочным выключателем (Рисунок 31 ).
Затяните крепежные детали блокировочного выключателя и снова проверьте зазор.
Note: Рычаг управления тягой не должен касаться выключателя.
Включите рычаг управления тягой и убедитесь, что выключатель разомкнут.
Note: В случае необходимости замените выключатель.
Если рабочий/стояночный тормоз проскальзывает во время работы, отрегулируйте его.
Включите рабочий тормоз, нажмите ручку стояночного тормоза и дайте рабочему тормозу опереться на палец стояночного тормоза (Рисунок 32)

Используя пружинные весы, отожмите рычаг рабочего тормоза назад (Рисунок 33). Отпускание тормоза должно происходить при приложении усилия 13,5–18 кг. Если стояночный тормоз отпускается раньше, чем будет приложено усилие 13,5–18 кг, отрегулируйте тросик тормоза.

Ослабьте стопор, фиксирующий крышку клинового ремня, и откиньте крышку (Рисунок 34).

Регулировка натяжения троса тормоза производится следующим образом.
Для уменьшения натяжения тросика ослабьте переднюю зажимную гайку троса и затяните заднюю зажимную гайку (Рисунок 35). Повторите действия, описанные в пунктах 1 и 2, и при необходимости отрегулируйте натяжение.
Для увеличения натяжения троса затягивайте переднюю зажимную гайку троса и отпускайте заднюю зажимную гайку (Рисунок 35). Повторите действия, описанные в пунктах 1 и 2, и при необходимости отрегулируйте натяжение.
Note: Регулировка может быть выполнена на тросе возле зажимной гайки у панели управления или на кронштейне у основания двигателя.

Закройте крышку и зафиксируйте стопор.
Чтобы обеспечить надлежащую работу машины и предотвратить чрезмерный износ, убедитесь, что ремень натянут правильно. Почаще проверяйте ремни.
Снимите детали крепления крышки ремня и саму крышку, чтобы открыть доступ к ремню (Рисунок 36).

Проверьте натяжение, приложив к ремню посредине между шкивами (Рисунок 37) усилие 18–22 Н. Отклонение ремня должно составлять 6 мм.

Для регулировки натяжения ремня выполните следующие действия:
Отпустите гайку крепления натяжного ролика и поджимайте натяжной ролик по часовой стрелке к обратной стороне ремня, пока не будет получено требуемое натяжение ремня (Рисунок 37).
Important: Не затягивайте ремень слишком сильно.
Затяните гайку для фиксации выполненной регулировки.
Установите крышку ремня на место.
Сохраняя небольшой зазор между уплотнением крышки и боковой пластиной, установите каждый крепежный болт таким образом, чтобы резьба вошла в зацепление во вставке.
Note: Этот зазор позволит выполнить визуальное выравнивание болтов относительно резьбовых вставок.
После установки всех болтов затяните их так, чтобы выступы внутри крышки уперлись в боковую пластину.
Note: Не затягивайте болты слишком сильно.
Снимите детали крепления крышки ремня и саму крышку, чтобы открыть доступ к ремню (Рисунок 38).

Проверьте натяжение, приложив к ремню посредине между шкивами (Рисунок 39) усилие 18–22 Н.
Note: Отклонение ремня должно составлять 6 мм.

Для регулировки натяжения ремня выполните следующие действия:
Ослабьте крепежную гайку натяжного ролика и поджимайте натяжной ролик по часовой стрелке к обратной стороне ремня, пока не будет достигнуто требуемое натяжение ремня (Рисунок 39).
Important: Не затягивайте ремень слишком сильно.
Затяните гайку для фиксации выполненной регулировки.
Установите крышку ремня на место.
Сохраняя небольшой зазор между уплотнением крышки и боковой пластиной, установите каждый крепежный болт таким образом, чтобы резьба вошла в зацепление во вставке.
Note: Этот зазор позволит выполнить визуальное выравнивание болтов относительно резьбовых вставок.
После установки всех болтов затяните их так, чтобы выступы внутри крышки уперлись в боковую пластину.
Note: Не затягивайте болты слишком сильно.
Отверните болты крепления передней и задней частей крышки дифференциала к его корпусу и сдвиньте части крышки в сторону, чтобы получить доступ к ремню.
Проверьте натяжение, приложив к ремню посредине между шкивами (Рисунок 40) усилие 22–26 Н.
Note: Отклонение ремня должно составлять 6 мм.

Для регулировки натяжения ремня выполните следующие действия:
Ослабьте крепежную гайку натяжного ролика и поворачивайте натяжной ролик по часовой стрелке, прижимая к обратной стороне ремня, пока не будет достигнуто требуемое натяжение ремня (Рисунок 40).
Important: Не затягивайте ремень слишком сильно.
Затяните гайку для фиксации выполненной регулировки.
Установите крышку ремня на место.
Сохраняя небольшой зазор между уплотнением крышки и боковой пластиной, установите каждый крепежный болт таким образом, чтобы резьба вошла в зацепление во вставке. Этот зазор позволит выполнить визуальное выравнивание болтов относительно резьбовых вставок.
После установки всех болтов затяните их так, чтобы выступы внутри крышки уперлись в боковую пластину. Не затягивайте болты слишком сильно.
Для регулировки натяжения главных клиновых ремней прежде всего проверьте регулировку рычага управления тягой; см. Регулировка рычага управления тягой.
Если ремни по-прежнему проскальзывают после регулировки управления тягой, перейдите к следующему этапу.
Ослабьте стопор, фиксирующий крышку клинового ремня, и откиньте крышку (Рисунок 41).

Чтобы увеличить натяжение ремня, ослабьте болты крепления двигателя и по пазам сдвиньте двигатель назад.
Important: Не затягивайте ремень слишком сильно.
Затяните крепежные болты.
Note: После установки новых клиновых ремней расстояние между осями ведущего и ведомого шкивов должно равняться примерно 12,7 см.
После натяжения главных клиновых ремней проверьте с помощью линейки выравнивание шкива выходного вала двигателя и шкива промежуточного вала.
Если шкивы не выровнены, ослабьте винты крепления монтажной опоры двигателя к раме машины и перемещайте двигатель из стороны в сторону до выравнивания шкивов с точностью 0,7 мм.
Затяните крепежные винты и проверьте выравнивание.
Для облегчения толкания или буксировки машины с выключенным двигателем отрегулируйте направляющую ремня (Рисунок 42, врезка) следующим образом:
Включите муфту.
Отпустите контргайку, которая крепит натяжной ролик и направляющую ремня к рычагу натяжного ролика.
Поворачивайте направляющую ремня по часовой стрелке, пока зазор между направляющим пальцем и обратной стороной приводного ремня не будет равен приблизительно 1,5 см.
Затяните контргайку, которая крепит натяжной ролик и направляющую ремня к рычагу натяжного ролика.

Закройте крышку и зафиксируйте стопор.
Отверните болты крепления крышек ремней тягового привода и привода барабана к правой боковой пластине и снимите крышки ремней.
Ослабьте на всех натяжных роликах гайки крепления и поверните каждый ролик против часовой стрелки от обратной стороны каждого ремня, чтобы ослабить натяжение ремня.
Снимите ремни.
Снимите болты крепления передней и задней частей крышки дифференциала к корпусу дифференциала и отодвиньте части крышки, чтобы открыть доступ к ремню (Рисунок 43).

Ослабьте гайки крепления натяжного ролика дифференциала и поверните ролик против часовой стрелки от обратной стороны каждого ремня, чтобы ослабить натяжение ремня.
Удалите 2 болта и 2 контргайки, которые крепят передний корпус муфты к боковой пластине (Рисунок 43).
Переверните корпус на 180° так, чтобы его низ был обращен вверх.
Удалите 2 болта и 2 контргайки, которые крепят корпус правого заднего подшипника к боковой пластине (Рисунок 43).
Переверните корпус на 180° так, чтобы его низ был обращен вверх.
Снимите старый ремень.
Протяните новый ремень над крышками повернутых корпусов, частями крышки дифференциала и наденьте на шкивы дифференциала.
Убедитесь, что натяжной ролик упирается в обратную сторону ремня.
Поверните оба корпуса обратно в вертикальное положение и прикрепите их к боковой пластине ранее снятыми болтами и гайками.
Отрегулируйте натяжение ремня дифференциала; см. Регулировка ремня дифференциала.
Отрегулируйте натяжение ремней привода тяги и привода барабана; см. Регулировка ремня привода тяги и Регулировка ремня привода барабана.
Установите крышки дифференциала, привода тяги и привода барабана.
Выполните эти действия для устранения провисания троса управления тягой:
Переведите рычаг управления тягой в положение Выключено.
Ослабьте стопор, фиксирующий крышку клинового ремня, и откиньте крышку (Рисунок 41).
Чтобы устранить провисание троса управления тягой, ослабьте переднюю зажимную гайку троса и затяните заднюю зажимную гайку (Рисунок 44) так, чтобы провисание было устранено.

Затяните переднюю зажимную гайку троса.
Закройте крышку и зафиксируйте стопор.
Проверьте работу рычага устройства управления тягой.
Соблюдайте осторожность при проверке барабана режущего блока. При техническом обслуживании барабана используйте перчатки и соблюдайте осторожность.
Износ или повреждение ножей барабанов или неподвижного ножа может привести к его разрушению и выбросу фрагментов в направлении оператора или находящихся поблизости людей, что может стать причиной серьезной травмы, в том числе с летальным исходом.
Периодически осматривайте подвижные и неподвижные ножи на наличие чрезмерного износа и повреждений.
При проверке ножей будьте внимательны. Обслуживайте ножи в перчатках и будьте осторожны. Выполняйте только замену подвижных и неподвижных ножей или их заточку обратным вращением; никогда не выпрямляйте и не сваривайте их.
Припаркуйте машину на ровной поверхности, предпочтительно на плите из прецизионной стали.
Поместите плоскую стальную полосу 0,6 х 2,5 см, длиной примерно 73,6 см под ножи барабана, уперев ее в передний край неподвижного ножа, чтобы не допустить упора неподвижной планки в рабочую поверхность.
Поднимите передний валик так, чтобы на поверхности лежали только задний тормозной барабан и барабан.
Нажмите с усилием на машину над барабаном, чтобы все ножи барабана касались стальной полосы.
Нажимая на барабан, введите калибр для измерения зазоров под один конец тормозного барабана, а затем проверьте другой конец тормозного барабана.
Note: Если зазор между тормозным барабаном и рабочей поверхностью на каком-либо конце больше 0,25 мм, отрегулируйте тормозной барабан (перейдите к пункту 6). Если зазор меньше 0,25 мм, регулировка не требуется.
Снимите задний кожух ремня с правой стороны машины (Рисунок 45).

Поворачивайте ведомый шкив валика до совмещения с 4 винтами с буртиком подшипника валика (Рисунок 46).

Ослабьте 4 винта подшипников валика и винт крепления натяжного ролика.
Поднимайте или опускайте правую сторону узла валика, пока зазор не станет меньше 0,25 мм.
Затяните винты крепления валика.
Отрегулируйте натяжение ремня и затяните винт крепления натяжного ролика. (Рисунок 46).
Отрегулируйте контакт барабана с неподвижным ножом после шлифования, заточки обратным вращением или разборки режущего блока. Это не является ежедневной процедурой регулировки.
Припаркуйте машину на ровной рабочей поверхности.
Для доступа к неподвижному ножу и барабану наклоните машину назад на рукоятку.
Important: Не наклоняйте машину больше чем на 25°. Наклон машины на угол больше 25° приведет к попаданию масла в камеру сгорания и(или) течи топлива из крышки топливного бака.
Поверните барабан таким образом, чтобы нож пересекал кромку неподвижного ножа между первой и второй головками винтов неподвижного ножа с правой стороны режущего блока (Рисунок 47).

Поверните барабан таким образом, чтобы нож пересекал кромку неподвижного ножа между первой и второй головками винтов неподвижного ножа с правой стороны режущего блока.
Вставьте регулировочную прокладку толщиной 0,05 мм между отмеченным ножом и кромкой неподвижного ножа в точке, где отмеченный нож пересекает кромку неподвижного ножа.
Поворачивайте правый регулировочный винт планки неподвижного ножа до тех пор, пока не почувствуете легкое давление (т.е. тянущее усилие) на регулировочной прокладке при перемещении ее из стороны в сторону (Рисунок 47).
Удалите регулировочную прокладку.
С левой стороны режущего блока медленно поверните барабан так, чтобы ближайший нож пересекал кромку неподвижного ножа между головками первого и второго винтов.
Повторите действия, описанные в пунктах с 4 по 7, для левой стороны режущего блока и левого регулировочного винта планки неподвижного ножа.
Используя те же точки контакта, повторяйте действия, описанные в пунктах с 5 по 7, пока не будет достигнуто легкое тянущее усилие с правой и левой стороны режущего блока.
Чтобы между барабаном и неподвижным ножом был легкий контакт, поверните каждый регулировочный винт планки неподвижного ножа по часовой стрелке на 3 щелчка.
Note: Каждый поворот регулировочного винта планки неподвижного ножа на один щелчок сдвигает неподвижный нож на 0,018 мм. При вращении по часовой стрелке кромка неподвижного ножа приближается к барабану, а при вращении против часовой стрелки она удаляется от барабана.
Проверьте характеристики скашивания, вставив длинную полоску бумаги между барабаном и неподвижным ножом перпендикулярно неподвижному ножу (Рисунок 48). Медленно проверните барабан вперед. При этом бумага должна разрезаться.

Note: Если наблюдается чрезмерный контакт / тянущее усилие барабана, необходимо выполнить заточку обратным вращением на лицевой поверхности неподвижного ножа или отшлифовать режущий блок для получения острых кромок, необходимых для точного скашивания.
Убедитесь, что задний валик горизонтален и что контакт между неподвижным ножом и барабаном является правильным. Для доступа к переднему и заднему валикам и неподвижному ножу наклоните машину назад на рукоятку.
Important: Не наклоняйте машину больше чем на 25°. Наклон машины на угол больше 25° приведет к попаданию масла в камеру сгорания и(или) течи топлива из крышки топливного бака.
Ослабьте контргайки, которые крепят рычаги регулировки высоты скашивания к кронштейнам высоты скашивания (Рисунок 49).

Ослабьте гайку измерительной планки (Рисунок 50) и установите регулировочный винт на необходимую высоту скашивания. Расстояние между нижней частью головки винта и лицевой поверхностью планки равно высоте скашивания.

Зацепите головку винта за режущую кромку неподвижного ножа и расположите задний конец планки на заднем валике (Рисунок 51).

Поворачивайте регулировочный винт, пока валик не коснется переднего конца мерной планки.
Регулируйте оба конца валика до тех пор, пока весь валик не станет параллелен неподвижному ножу.
Important: При правильной регулировке задний и передний валики касаются измерительной планки, а винт прижимается к неподвижному ножу. Это обеспечивает одинаковую высоту скашивания с обеих сторон неподвижного ножа.
Затяните гайку для фиксации выполненной регулировки.
Important: Чтобы избежать снятия дерна при неровном травяном покрове, убедитесь, что опоры валиков направлены назад (валик ближе к барабану).
Note: В зависимости от применения и нужд пользователя передний валик может быть установлен в три разных положения (Рисунок 52).
Переднее положение используется, когда установлена механическая щетка.
Без механической щетки используется среднее положение.
Третье положение используется на особо неровных травяных покровах.

Отрегулируйте щиток-отражатель так, чтобы скошенная трава попадала в травосборник.
Измерьте расстояние от верха переднего несущего стержня до переднего края щитка на каждой стороне режущего блока (Рисунок 53).

Для нормальных условий скашивания щиток-отражатель травы должен быть установлен на высоту 10 см от несущего стержня. Ослабьте болты и гайки крепления каждого конца щитка-отражателя к боковой пластине и отрегулируйте высоту щитка.
Затяните детали крепления.
Note: При работе в условиях достаточно сухой почвы щиток можно опустить (скошенная трава пролетает над верхом корзины) или, если трава тяжелая и мокрая, поднять (скошенная трава скапливается в задней части корзины).
Отрегулируйте отражатель так, чтобы вся скошенная трава выбрасывалась из области барабана.
Ослабьте винты крепления верхней планки (Рисунок 54) к режущему блоку.

Вставьте толщиномер на 1,5 мм между верхней поверхностью барабана и отражателем и затяните винты.
Убедитесь, что расстояние от отражателя до барабана одинаковое по всей длине барабана.
Note: Отражатель можно отрегулировать для компенсации изменения состояния травяного покрова. Когда трава очень влажная, устанавливайте планку ближе к барабану. И наоборот, когда трава сухая, отодвиньте планку от барабана. Для обеспечения оптимальных характеристик планка должна быть параллельна барабану. Регулируйте планку каждый раз при регулировке высоты щитка и заточке барабана на станке.
Чтобы определить, для какого вида скашивания — стандартного или интенсивного — предназначен неподвижный нож, проверьте монтажные проушины левой неподвижной планки. Если монтажные проушины закруглены, то планка неподвижного ножа является стандартной. Если монтажные проушины имеют прорези, то это неподвижный нож для интенсивного скашивания (Рисунок 55).

Поверните регулировочный винт планки неподвижного ножа против часовой стрелки, чтобы отвести неподвижный нож от барабана (Рисунок 56).

Отвинчивайте гайку натяжения пружины до тех пор, пока шайба больше не будет нажимать на неподвижный нож (Рисунок 56).
На каждой стороне машины ослабьте зажимную гайку, стопорящую болт планки неподвижного ножа (Рисунок 57).

Снимите оба болта неподвижного ножа, что позволит снять неподвижный нож с машины, потянув его вниз. На каждом конце неподвижного ножа оставьте 2 нейлоновые и 2 штампованные стальные шайбы (Рисунок 57).
Установите неподвижный нож, расположив монтажные проушины между шайбой и регулятором неподвижного ножа.
Закрепите неподвижный нож на обеих боковых пластинах болтами неподвижного ножа (с зажимными гайками на болтах) и 8 шайбами.
Note: Установите нейлоновую шайбу с каждой стороны выступа боковой пластины. Снаружи на каждую нейлоновую шайбу поместите стальную шайбу.
Затяните болты с моментом от 27 до 36 Н∙м.
Затяните зажимные гайки так, чтобы наружные упорные шайбы свободно вращались.
Затяните гайку натяжения пружины так, чтобы пружина полностью сжалась, затем отверните ее на 1/2 оборота.
Отрегулируйте неподвижный нож; см. Регулировка контакта барабана с неподвижным ножом.
Снимите пробку с крышки правого привода барабана (Рисунок 58).

Вставьте приводной удлинитель на 1/2 дюйма, подсоединенный к машине заточки обратным вращением, в квадратное отверстие в центре шкива барабана.
Произведите заточку обратным вращением согласно Руководству по заточке барабанов и вращающихся ножей газонокосилок компании Toro, форма № 80-300 PT.
Прикосновение к барабану или другим движущимся частям может привести к травме.
Держитесь на безопасном расстоянии от барабана при заточке обратным вращением.
Никогда не используйте малярную щетку с короткой ручкой при заточке обратным вращением. Рукоятку (№ по каталогу 29-9100) в сборе или в виде отдельных деталей можно приобрести у официального дистрибьютора компании Toro.
Note: Чтобы улучшить режущую кромку, после окончания заточки обратным вращением обработайте напильником переднюю поверхность неподвижного ножа. При этом будут удалены все заусенцы или неровные края, которые могут образоваться на режущей кромке.
Закончив эти действия, установите пробку в крышку.
Прежде чем покинуть рабочее место оператора, заглушите двигатель, извлеките ключ (при наличии) и дождитесь остановки всех движущихся частей. Дайте машине остыть перед регулировкой, техническим обслуживанием, очисткой или помещением на хранение.
Запрещается хранить машину или емкость с топливом в местах, где есть открытое пламя, искры или малая горелка, используемая, например, в водонагревателе или другом оборудовании.
Удалите скошенную траву, загрязнения и въевшуюся грязь с наружных частей всей машины, особенно с двигателя. Очистите грязь и сухую траву с наружных поверхностей ребер головки блока цилиндров двигателя и корпуса вентилятора.
Important: Машину можно мыть мягким моющим средством с водой. Не мойте машину струей под давлением. Старайтесь не использовать много воды, особенно вблизи щитка рычага переключения передач и двигателя.
Для долгосрочного хранения (более 30 дней) добавьте в бак с топливом стабилизирующую/ улучшающую присадку.
Запустите двигатель на 5 минут для распределения кондиционированного топлива по топливной системе.
Выключите двигатель, подождите, пока он остынет, и слейте топливо из бака или же продолжайте работу двигателя, пока он не заглохнет.
Запустите двигатель и дайте ему поработать до тех пор, пока он не заглохнет. Снова запустите двигатель с закрытой воздушной заслонкой и повторяйте это действие до тех пор, пока двигатель не перестанет запускаться.
Отсоедините провод от свечи зажигания.
Утилизируйте надлежащим образом все неиспользованное топливо. Утилизируйте его в соответствии местными нормами.
Note: Запрещается хранить топливо с добавлением стабилизатора/кондиционера топлива дольше срока, рекомендованного изготовителем стабилизатора топлива.
Проверьте и затяните все болты, гайки и винты. Отремонтируйте или замените все изношенные или поврежденные детали.
Подкрасьте все поцарапанные или оголенные металлические поверхности. Краску можно приобрести в сервисном центре официального дистрибьютора.
Храните машину в чистом, сухом гараже или складском помещении. Накройте машину для ее защиты и сохранения в чистоте.