Mantenimiento
Cambio del lubricante de la caja de engranajes
| Intervalo de mantenimiento |
| Después de las 100 primeras horas |
| Cada 500 horas/cada año (lo que ocurra primero) |
-
Limpie las superficies exteriores de la carcasa del groomer.
Important: Asegúrese de que no haya suciedad ni recortes en la parte exterior de la carcasa del groomer; si se introducen residuos en el groomer, pueden producirse daños en la caja de engranajes.
-
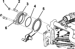
Retire el tapón de vaciado de la parte inferior de la carcasa (Figura 27).
-
Retire el tapón de llenado del lado de la carcasa y afloje el tapón de ventilación de aire en la parte superior, de modo que pueda pasar el aire (Figura 27).
-
Coloque un recipiente apropiado debajo del orificio de vaciado de aceite para recoger el aceite drenado.
-
Incline la unidad de corte hacia atrás sobre soporte el hasta que el orificio de vaciado esté abajo para que se vacíe completamente (Figura 25).

-
Mueva la unidad de corte hacia adelante y hacia atrás para asegurar un vaciado completo. Cuando el aceite se haya drenado por completo, coloque la unidad de corte sobre una superficie nivelada.
-
Instale el tapón de vaciado.
-
Utilice la jeringa incluida (Pieza Nº 137-0872) para llenar la caja de transmisión con aceite 80-90W. Llene con 50 cc para molinetes de 13 cm (5") o 90 cc para molinetes de 18 cm (7").

-
Instale el tapón de llenado y apriete el tapón de ventilación de aire.
-
Apriete todos los tapones a 3.62 – 4.75 N∙m (32 – 42 pulgadas-libra).

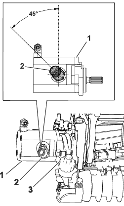
Retirada de la caja de transmisión del groomer
Note: Guarde todas las piezas retiradas para su instalación posterior a menos que se especifique lo contrario.
Important: Si tiene algún problema para retirar la caja de transmisión del groomer, consulte el Manual de mantenimiento de la unidad de tracción o póngase en contacto con su distribuidor autorizado Toro.
-
Retire el tapón del groomer.
-
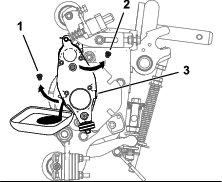
Retire los pernos de fijación que conectan el groomer a la caja de transmisión (Figura 17).
-
Retire el pasador de ajuste y la chaveta que conectan la caja de transmisión del groomer a los brazos de ajuste (Figura 28).

-
Inmovilice el molinete antes de retirarlo; consulte Inmovilización del molinete para retirar los insertos roscados.
-
Instale el tornillo de refuerzo (Pieza Nº 1-803022 — se vende por separado) en las roscas internas de la cabeza hexagonal de la transmisión del groomer, y apriete a 13.5 N·m (120 pulgadas-libra), como se muestra en la Figura 28.
-
Retire la caja de transmisión del groomer del molinete de corte girando la cabeza hexagonal de la transmisión del groomer (Figura 28).
Important: Si la caja de transmisión del groomer está instalada en el lado derecho de la unidad de corte, gire la cabeza hexagonal de la transmisión del groomer en sentido antihorario (rosca a derechas) para retirar el eje de la caja de transmisión de la unidad de corte.
Important: Si la caja de transmisión del groomer está instalada en el lado izquierdo de la unidad de corte, gire la cabeza hexagonal de la transmisión del groomer en sentido horario (rosca a izquierdas) para retirar el eje de la caja de transmisión de la unidad de corte.
Important: Debe utilizar una llave de vaso hexagonal de pared gruesa.
Limpieza del molinete groomer
| Intervalo de mantenimiento y servicio | Procedimiento de mantenimiento |
|---|---|
| Después de cada uso |
Lave el molinete groomer con una manguera después del uso. No dirija el chorro de agua directamente hacia las juntas de los cojinetes del groomer. No deje que el molinete acondicionador permanezca mojado porque se oxidarían sus componentes.
Inspección de las cuchillas
| Intervalo de mantenimiento y servicio | Procedimiento de mantenimiento |
|---|---|
| Cada vez que se utilice o diariamente |
Inspeccione regularmente las cuchillas del molinete groomer en busca de señales de daños y desgaste. Enderece las cuchillas dobladas con un alicate, y sustituya las cuchillas desgastadas. Al inspeccionar las cuchillas, compruebe que las tuercas de cada extremo del eje están bien apretadas.

Inmovilización del molinete
Advertencia
Las cuchillas del molinete de corte están muy afiladas y son capaces de amputar manos y pies.
-
Mantenga las manos y los pies fuera del molinete.
-
Asegúrese de que el molinete está inmovilizado antes de realizar cualquier tarea de mantenimiento.
Inmovilización del molinete para retirar los insertos roscados
-
Afloje el perno del protector del lado izquierdo de la unidad de corte y eleve el protector trasero (Figura 30).
-
Introduzca una palanca de mango largo (se recomienda una palanca de 1 cm x 30 cm (⅜" x 12") con mango de destornillador) a través de la parte trasera del molinete de corte, junto al lado de la unidad de corte a apretar (Figura 30).
-
Coloque la palanca contra el lado soldado de la placa de apoyo del molinete (Figura 30).
Note: Inserte la palanca entre la parte superior del eje del molinete y la parte trasera de 2 cuchillas de molinete para que el molinete no se desplace.
Important: No toque el filo de corte de ninguna cuchilla con la palanca; esto podría dañar el filo de corte y/o distorsionar la cuchilla.
Important: El inserto del lado izquierdo de la unidad de corte tiene rosca a izquierdas. El inserto del lado derecho de la unidad de corte tiene rosca a derechas.

-
Apoye el mango de la palanca contra el rodillo trasero.
-
Complete la retirada del inserto roscado asegurándose de que la palanca no se mueva, luego retire la palanca.
-
Baje el protector trasero y apriete el perno del protector.
Inmovilización del molinete para instalar los insertos roscados
-
Introduzca una palanca de mango largo (se recomienda una palanca de 1 cm x 30 cm (⅜" x 12") con mango de destornillador) a través de la parte delantera del molinete de corte, junto al lado de la unidad de corte a apretar (Figura 31).
-
Coloque la palanca contra el lado soldado del refuerzo interno del molinete de corte (Figura 31).
Note: La palanca debe entrar en contacto con una cuchilla en la parte delantera, contra el eje del molinete y contra una cuchilla de la parte trasera del molinete, inmovilizándolo.
Important: No toque el filo de corte de ninguna cuchilla con la palanca; esto podría dañar el filo de corte y/o distorsionar la cuchilla.
Important: El inserto del lado izquierdo de la unidad de corte tiene rosca a izquierdas. El inserto del lado derecho de la unidad de corte tiene rosca a derechas.

-
Apoye el mango de la palanca contra el rodillo.
-
Complete la instalación del inserto roscado conforme a las instrucciones de instalación y los requisitos de par de apriete del inserto roscado, asegurándose de que la palanca no se mueva, luego retire la palanca.























