Установите машину на ровной поверхности.
Опустите все навесное оборудование (при наличии).
Включите стояночный тормоз.
Выключите двигатель и извлеките ключ из замка зажигания.
Детали, требуемые для этой процедуры:
| Большой монтажный кронштейн | 1 |
| Болт с шестигранной головкой (⅜ x ¾ дюйма) | 2 |
| Контргайка (⅜ дюйма) | 2 |
| R-образный хомут | 2 |
| Контейнер для мусора | 1 |
| Стержень контейнера для мусора | 1 |
Вставьте стержень контейнера в контейнер для мусора.
Установите R-образные хомуты на дверь (Рисунок 1).

Прикрепите, не затягивая, большой кронштейн к двери с помощью 2 болтов (⅜ x ¾ дюйма) и 2 контргаек (⅜ дюйма), как показано на Рисунок 1.
Расположите кронштейн на двери так, чтобы он не касался машины (Рисунок 1).
Затяните болты крепления большого кронштейна (Рисунок 1).
Установите контейнер для мусора вместе со стержнем на большой кронштейн (Рисунок 1).
Детали, требуемые для этой процедуры:
| Малый монтажный кронштейн | 1 |
| Контргайка (⅜ дюйма) | 2 |
| Контейнер для мусора | 1 |
| Стержень контейнера для мусора | 1 |
| U-образный болт | 2 |
Вставьте стержень контейнера в контейнер для мусора.
Прикрепите, не затягивая, малый кронштейн к защитной дуге с помощью U-образного болта и 2 контргаек (⅜ дюйма), как показано на Рисунок 2.
Расположите кронштейн на защитной дуге так, чтобы он не касался машины (Рисунок 2).

Затяните U-образный болт крепления малого кронштейна (Рисунок 2).
Установите контейнер для мусора со стержнем на малый кронштейн (Рисунок 2).
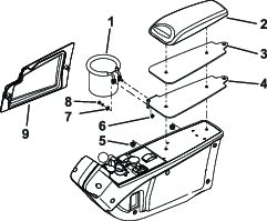
Детали, требуемые для этой процедуры:
| Кронштейн подлокотника | 1 |
| Подстаканник | 1 |
| Плоская шайба | 2 |
| Винт с шестигранной головкой (№ 10 x ⅝ дюйма) | 2 |
| Контргайка (№ 10) | 2 |
Снимите панель подлокотника, чтобы получить доступ к его крепежным деталям (Рисунок 3).

Отверните гайки крепления накладки подлокотника. Удалите в отходы имеющийся кронштейн подлокотника (Рисунок 3).
Установите новый кронштейн и накладку на подлокотник с помощью ранее снятых гаек (Рисунок 3).
Установите подстаканник на кронштейн подлокотника с помощью 2 болтов (№ 10 x ⅝ дюйма), 2 шайб и 2 контргаек (№ 10), как показано на Рисунок 3.
Установите панель подлокотника (Рисунок 3).