准备机器
准备机器
-
将机器停在水平地面上。
-
放下所有附件(如配备)。
-
接合驻车刹车。
-
关闭发动机并拔下钥匙。
将垃圾袋安装到驾驶室门上
此程序中需要的物件:
| 大支架底座 | 1 |
| 六角头螺丝(3/8 x ¾ 英寸) | 2 |
| 锁紧螺母 (⅜ 英寸) | 2 |
| R 形夹 | 2 |
| 垃圾袋 | 1 |
| 垃圾袋杆 | 1 |
-
将袋杆安装到垃圾袋中。
-
将 R 形夹安装到门上(图 1)。
-
如图 1 所示,用 2 个螺栓(3/8 x 3/4 英寸)和 2 个锁紧螺母(3/8 英寸)将大支架松松地固定到门上。
-
调整门上的支架,使之不会干扰机器(图 1)。
-
紧固固定大支架的螺栓(图 1)。
-
将垃圾袋和袋杆安装到大支架中(图 1)。
将垃圾袋安装到翻车保护杆上
此程序中需要的物件:
| 小支架底座 | 1 |
| 锁紧螺母(⅜ 英寸) | 2 |
| 垃圾袋 | 1 |
| 垃圾袋杆 | 1 |
| U 形螺栓 | 2 |
-
将袋杆安装到垃圾袋中。
-
如图 2 所示,用 U 形螺栓和 2 个锁紧螺母(3/8 英寸)将小支架松松地固定到翻车保护杆上。
-
调整翻车保护杆上的支架,使之不会干扰机器(图 2)。
-
紧固固定小支架的 U 形螺栓(图 2)。
-
将垃圾袋和袋杆安装到小支架中(图 2)。
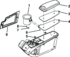
将饮料架安装到扶手上
此程序中需要的物件:
| 扶手支架 | 1 |
| 饮料架 | 1 |
| 扁平垫圈 | 2 |
| 六角头螺丝(#10 x 5/8 英寸) | 2 |
| 锁紧螺母(#10) | 2 |
-
卸下扶手面板,以便接触到扶手五金件(图 3)。
-
卸下固定扶手垫的螺母。丢弃现有扶手支架(图 3)。
-
用之前卸下的螺母将新扶手支架和扶手垫安装到扶手上(图 3)。
-
如图 3 所示,用 2 个螺栓(#10 x 5/8 英寸)、2 垫圈和 2 个锁紧螺母(#10)将饮料架安装到扶手支架上。
-
安装扶手面板(图 3)。
关闭本安全部分,即表明我确认已阅读并理解该部分内容。
关闭
170443