Estacione a máquina numa superfície plana.
Desça todos os acessórios (se instalados).
Engate o travão de estacionamento.
Desligue o motor e retire a chave.
Peças necessárias para este passo:
| Montagem do suporte grande | 1 |
| Parafuso de cabeça sextavada (⅜ pol. x ¾ pol.) | 2 |
| Porca de bloqueio (⅜ pol.) | 2 |
| Grampo em R | 2 |
| Saco de lixo | 1 |
| Barra do saco do lixo | 1 |
Instale a barra do saco no saco do lixo.
Instale os grampos em R na porta (Figura 1).

Instale sem apertar o suporte grande na porta utilizando dois parafusos (⅜ x ¾ pol.) e duas porcas de bloqueio (⅜ pol.) como se mostra na Figura 1.
Posicione o suporte na porta de forma a que não interfira com a máquina (Figura 1).
Aperte os parafusos que prendem o suporte grande (Figura 1).
Instale o saco do lixo e a barra no suporte grande (Figura 1).
Peças necessárias para este passo:
| Montagem do suporte pequeno | 1 |
| Porca de bloqueio (⅜ pol.) | 2 |
| Saco de lixo | 1 |
| Barra do saco do lixo | 1 |
| Cavilha em U | 2 |
Instale a barra do saco no saco do lixo.
Instale sem apertar o suporte pequeno na barra de segurança utilizando um parafuso em U e duas porcas de bloqueio (⅜ pol.) como se mostra na Figura 2.
Posicione o suporte na barra de segurança de forma a que não interfira com a máquina (Figura 2).

Aperte o parafuso em U que prende o suporte pequeno (Figura 2).
Instale o saco do lixo e barra no suporte pequeno (Figura 2).
Peças necessárias para este passo:
| Suporte do apoio para o braço | 1 |
| Suporte de bebida | 1 |
| Anilha plana | 2 |
| Parafuso de cabeça sextavada (n.º 10 x 5/8 pol.) | 2 |
| Porca de bloqueio (n.º 10) | 2 |
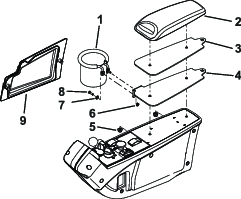
Remova o painel do apoio para o braço para obter acesso às ferragens do apoio para o braço (Figura 3).

Remova as porcas que prendem a almofada do apoio para o braço. Deite fora o suporte do apoio para o braço existente (Figura 3).
Instale o novo suporte do apoio para o braço e almofada do apoio para o braço com as porcas previamente removidas (Figura 3).
Instale o suporte de bebida no suporte do apoio para o braço com dois parafusos (n.º 10 x 5/8 pol.), duas anilhas e duas porcas de bloqueio (n.º 10) como se mostra na Figura 3.
Instale o painel do apoio para o braço (Figura 3).