Parcheggiate la macchina su terreno pianeggiante.
Abbassate tutti gli attrezzi (se presenti).
Inserite il freno di stazionamento.
Spegnete il motore e togliete la chiave.
Parti necessarie per questa operazione:
| Supporto staffa grande | 1 |
| Vite a testa esagonale (⅜" x ¾") | 2 |
| Dado di bloccaggio (⅜") | 2 |
| Serratubi a R | 2 |
| Contenitore portarifiuti | 1 |
| Asta per contenitore portarifiuti | 1 |
Inserite l'asta nel contenitore portarifiuti.
Montate i serratubi a R sullo sportello (Figura 1).

Fissate senza serrare la staffa grande allo sportello servendovi di 2 bulloni (⅜" x ¾") e 2 dadi di bloccaggio (⅜") come illustrato in Figura 1.
Posizionate la staffa sullo sportello in modo che non interferisca con la macchina (Figura 1).
Serrate i bulloni che fissano la staffa grande (Figura 1).
Montate il contenitore portarifiuti e l'asta sulla staffa grande (Figura 1).
Parti necessarie per questa operazione:
| Supporto staffa piccola | 1 |
| Dado di bloccaggio (⅜") | 2 |
| Contenitore portarifiuti | 1 |
| Asta per contenitore portarifiuti | 1 |
| Cavallotto | 2 |
Inserite l'asta nel contenitore portarifiuti.
Fissate senza serrare la staffa piccola al roll bar con un cavallotto e 2 dadi di bloccaggio (⅜") come mostrato nella Figura 2.
Posizionate la staffa sul roll bar in modo che non interferisca con la macchina (Figura 2).

Serrate il cavallotto che fissa la staffa piccola (Figura 2).
Montate il contenitore portarifiuti e l'asta sulla staffa piccola (Figura 2).
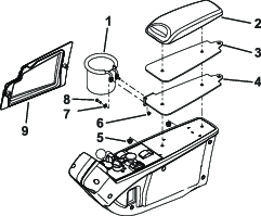
Parti necessarie per questa operazione:
| Staffa del bracciolo | 1 |
| Portabevande | 1 |
| Rondella piana | 2 |
| Vite a testa esagonale (n. 10 x ⅝") | 2 |
| Dado di bloccaggio (n. 10) | 2 |
Rimuovete il pannello del bracciolo per accedere alla ferramenta del bracciolo (Figura 3)

Rimuovete i dadi che trattengono il cuscinetto del bracciolo. Scartate la staffa del bracciolo esistente (Figura 3).
Montate la staffa del nuovo bracciolo e il cuscinetto del bracciolo sul bracciolo con i dadi precedentemente rimossi (Figura 3).
Montate il portabevande sulla staffa del bracciolo utilizzando 2 bulloni (n.10 x ⅝"), 2 rondelle e 2 dadi di bloccaggio (n. 10) come mostrato nella Figura 3.
Montate il pannello del bracciolo (Figura 3).