Parkeer de machine op een horizontaal oppervlak.
Laat alle werktuigen neer (indien aanwezig).
Stel de parkeerrem in werking.
Zet de motor af en verwijder het sleuteltje.
Benodigde onderdelen voor deze stap:
| Grote beugelhouder | 1 |
| Zeskantschroef (⅜" x ¾") | 2 |
| Borgmoer (⅜") | 2 |
| R-klem | 2 |
| Vuilniszak | 1 |
| Stang voor vuilniszak | 1 |
Breng de stang voor de vuilniszak aan in de vuilniszak.
Bevestig de R-klemmen aan de deur (Figuur 1).

Bevestig de grote beugel losjes aan de deur met 2 bouten (⅜" x ¾") en 2 borgmoeren (⅜"); zie Figuur 1.
Plaats de beugel aan de deur zodat deze de machine niet belemmert (Figuur 1).
Draai de bouten vast waarmee de grote beugel bevestigd is (Figuur 1).
Monteer de vuilniszak en de stang in de grote beugel (Figuur 1).
Benodigde onderdelen voor deze stap:
| Kleine beugelhouder | 1 |
| Borgmoer (⅜") | 2 |
| Vuilniszak | 1 |
| Stang voor vuilniszak | 1 |
| U-bout | 2 |
Breng de stang voor de vuilniszak aan in de vuilniszak.
Bevestig de kleine beugel losjes aan de rolbeugel met een U-bout en 2 borgmoeren (⅜"); zie Figuur 2.
Plaats de beugel op de rolbeugel zodat deze de machine niet belemmert (Figuur 2).

Draai de U-bout vast waarmee de kleine beugel bevestigd is (Figuur 2).
Monteer de vuilniszak en de stang in de kleine beugel (Figuur 2).
Benodigde onderdelen voor deze stap:
| Beugel voor armsteun | 1 |
| Bekerhouder | 1 |
| Platte ring | 2 |
| Zeskantschroef (nr. 10 x ⅝") | 2 |
| Borgmoer (nr. 10) | 2 |
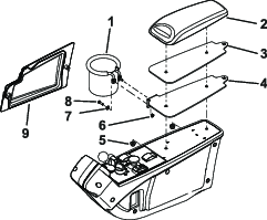
Verwijder het armsteunpaneel om toegang te krijgen tot het bevestigingsmateriaal van de armsteun (Figuur 3).

Verwijder de moeren waarmee het armsteunkussen bevestigd is. Gooi de aanwezige beugel voor de armsteun weg (Figuur 3).
Monteer de nieuwe armsteunbeugel en het armsteunkussen met de eerder verwijderde moeren aan de armsteun (Figuur 3).
Bevestig de bekerhouder aan de armsteunbeugel met 2 bouten (nr. 10 x ⅝"), 2 ringen en 2 borgmoeren (nr. 10) zoals getoond in Figuur 3.
Monteer het armsteunpaneel (Figuur 3).