Parkera maskinen på en plan yta.
Sänk ner alla redskap (i förekommande fall).
Koppla in parkeringsbromsen.
Stäng av motorn och ta ut nyckeln.
Delar som behövs till detta steg:
| Stort monteringsfäste | 1 |
| Sexkantskruv (⅜ x ¾ tum) | 2 |
| Låsmutter (⅜ tum) | 2 |
| R-klämma | 2 |
| Soppåse | 1 |
| Sophinkshandtag | 1 |
Montera hinkhandtaget på sophinken.
Montera R-klämmorna på dörren (Figur 1).

Fäst det stora fästet på dörren med två skruvar (⅜ x ¾ tum) och två låsmuttrar (⅜ tum) enligt Figur 1.
Placera fästet på dörren så att det inte stör maskinen (Figur 1).
Dra åt skruvarna som fäster det stora fästet (Figur 1).
Montera sophinken och handtaget i det stora fästet (Figur 1).
Delar som behövs till detta steg:
| Litet monteringsfäste | 1 |
| Låsmutter (⅜ tum) | 2 |
| Soppåse | 1 |
| Sophinkshandtag | 1 |
| U-bult | 2 |
Montera hinkhandtaget på sophinken.
Fäst det lilla fästet löst på störtbågen med en U-bult och två låsmuttrar (⅜ tum) enligt Figur 2.
Placera fästet på störtbågen så att det inte stör maskinen (Figur 2).

Dra åt U-bulten som fäster det lilla fästet (Figur 2).
Montera sophinken och handtaget i det lilla fästet (Figur 2).
Delar som behövs till detta steg:
| Armstödsfäste | 1 |
| Mugghållare | 1 |
| Planbricka | 2 |
| Sexkantskruv (nr 10 x ⅝ tum) | 2 |
| Låsmutter (nr 10) | 2 |
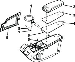
Ta bort armstödspanelen för att få tillgång till armstödets fästelement (Figur 3).

Ta bort muttrarna som fäster armstödsdynan. Kassera det befintliga armstödsfästet (Figur 3).
Montera det nya armstödsfästet och den nya armstödsdynan på armstödet med de tidigare borttagna muttrarna (Figur 3).
Montera mugghållaren på armstödsfästet med två skruvar (nr 10 x ⅝ tum), två brickor och två låsmuttrar (nr 10) enligt Figur 3.
Montera armstödspanelen (Figur 3).