Garez la machine sur une surface plane et horizontale.
Abaissez tous les accessoires (selon l'équipement).
Serrez le frein de stationnement.
Coupez le moteur et enlevez la clé.
Pièces nécessaires pour cette opération:
| Grand support | 1 |
| Vis à tête hexagonale (3/8" x 3/4") | 2 |
| Contre-écrou (3/8") | 2 |
| Collier en R | 2 |
| Sac à déchets | 1 |
| Tige de sac à déchets | 1 |
Insérez la tige dans le sac à déchets.
Montez les colliers en R sur la porte (Figure 1).

Fixez légèrement le grand support sur la porte à l'aide de 2 boulons (3/8" x ¾") et 2 contre-écrous (3/8"), comme montré à la Figure 1.
Montez le support sur la porte de telle façon qu'il ne gêne pas la machine (Figure 1).
Serrez les boulons de fixation du grand support (Figure 1).
Installez le sac à déchets et la tige sur le grand support (Figure 1).
Pièces nécessaires pour cette opération:
| Petit support | 1 |
| Contre-écrou (3/8") | 2 |
| Sac à déchets | 1 |
| Tige de sac à déchets | 1 |
| Étrier fileté | 2 |
Insérez la tige dans le sac à déchets.
Fixez légèrement le petit support sur la porte à l'aide d'un étrier fileté et 2 contre-écrous (3/8"), comme montré à la Figure 2.
Montez le support sur l'arceau de sécurité de telle façon qu'il ne gêne pas la machine (Figure 2).

Serrez l'étrier fileté qui fixe le petit support (Figure 2).
Installez le sac à déchets et la tige sur le petit support (Figure 2).
Pièces nécessaires pour cette opération:
| Support d'accoudoir | 1 |
| Porte-gobelet | 1 |
| Rondelle plate | 2 |
| Vis à tête hexagonale (nº 10 x 5/8") | 2 |
| Contre-écrou (nº 10) | 2 |
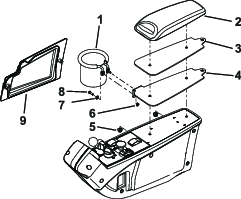
Déposez le panneau de l'accoudoir pour accéder aux fixations de l'accoudoir (Figure 3).

Retirez les écrous de maintien du rembourrage de l'accoudoir. Mettez au rebut le support d'accoudoir existant (Figure 3).
Installez le nouveau support et le rembourrage sur l'accoudoir à l'aide des écrous retirés précédemment (Figure 3).
Fixez le porte-gobelet sur le support d'accoudoir à l'aide de 2 boulons (nº 10 x 5/8"), 2 rondelles et 2 contre-écrous (nº 10), comme montré à la Figure 3.
Reposez le panneau d'accoudoir (Figure 3).