Parker maskinen på en plan overflade.
Sænk alle redskaber (hvis udstyret hermed).
Aktiver parkeringsbremsen.
Sluk motoren, og tag nøglen ud.
Dele, der skal bruges til dette trin:
| Stort monteringsbeslag | 1 |
| Sekskantskrue (⅜" x ¾") | 2 |
| Låsemøtrik (3/8 tomme) | 2 |
| R-klemme | 2 |
| Skraldepose | 1 |
| Skraldespandsbøjle | 1 |
Monter skraldespandsbøjlen på skraldespanden.
Monter R-klemmerne på døren (Figur 1).

Fastgør det store beslag løst til døren med 2 bolte (⅜" x ¾") og 2 låsemøtrikker (⅜") som vist i Figur 1.
Anbring beslaget på døren, så det ikke berører maskinen (Figur 1).
Tilspænd boltene, der fastgør det store beslag (Figur 1).
Monter skraldespanden og skraldespandsbøjlen på det store beslag (Figur 1).
Dele, der skal bruges til dette trin:
| Lille monteringsbeslag | 1 |
| Låsemøtrik (⅜") | 2 |
| Skraldepose | 1 |
| Skraldespandsbøjle | 1 |
| Bøjleskrue | 2 |
Monter skraldespandsbøjlen på skraldespanden.
Fastgør det lille beslag løst på styrtbøjlen med en bøjleskrue og 2 låsemøtrikker (⅜") som vist i Figur 2.
Anbring beslaget på styrtbøjlen, så det ikke berører maskinen (Figur 2).

Tilspænd bøjleskruen, der fastgør det lille beslag (Figur 2).
Monter skraldespanden og skraldespandsbøjlen på det lille beslag (Figur 2).
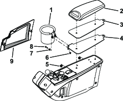
Dele, der skal bruges til dette trin:
| Armlænsbeslag | 1 |
| Kopholder | 1 |
| Flad skive | 2 |
| Sekskantskrue (nr. 10 x ⅝") | 2 |
| Låsemøtrik (nr. 10) | 2 |
Fjern armlænspanelet for at få adgang til armlænets fastgørelsesanordninger (Figur 3).

Fjern de møtrikker, der fastholder armlænspuden. Kasser det eksisterende armlænsbeslag (Figur 3).
Monter det nye armlænsbeslag og armlænspuden på armlænet med de møtrikker, du fjernede tidligere (Figur 3).
Monter kopholderen på armlænsbeslaget med 2 bolte (nr. 10 x ⅝"), 2 spændeskiver og 2 låsemøtrikker (nr. 10) som vist i Figur 3.
Monter armlænspanelet (Figur 3).