| 유지보수 서비스 간격 | 유지보수 절차 |
|---|---|
| 매번 사용하기 전 또는 매일 |
|
이 기계는 승용식, 릴블레이드 잔디 예초기이며, 상업적인 작업에서 전문가가 사용하는 장비입니다. 이 장비는 주로 잘 관리된 잔디밭의 잔디를 자르는 용도로 설계되었습니다. 이 제품을 지정되지 않은 용도로 사용하면 작업자나 주변 사람들이 위험해질 수 있습니다.
이 정보를 주의 깊게 읽고 제품을 제대로 조작 및 유지관리하는 방법과 부상 및 제품 손상을 방지하는 방법에 대해 익히십시오. 사용자는 제품을 제대로 안전하게 조작해야 할 책임이 있습니다.
안전 요령, 교육 자료, 액세서리 정보 등의 자세한 정보를 찾거나 판매점 위치를 찾거나 제품을 등록하는 경우 www.Toro.com을 방문하십시오.
서비스, Toro 순정 부품 또는 추가 정보가 필요하면 공식 서비스 딜러나 Toro 고객 서비스에 연락하여 제품의 모델 번호와 일련 번호를 알려 주십시오. 그림 1은 제품의 모델번호와 일련번호 위치를 보여 줍니다. 이들 번호를 다음 칸에 적어 두십시오.
Important: 모바일 기기에서는 일련번호판(장착한 경우)의 QR 코드를 스캔하여 보증, 부품 및 기타 제품 정보를 열어볼 수 있습니다.

본 설명서는 잠재적인 위험에 대해 설명하고 있으며, 권장 예방 조치를 따르지 않을 경우 심각한 부상이나 사망을 초래할 수 있는 위험에 대해서는 안전 경고 기호(그림 2)로 표시합니다.

본 설명서에서는 2가지 단어를 사용하여 정보를 강조합니다. 중요는 특별한 기계 정보에 대한 주의를 환기시키며 참고는 특별한 주의를 기울일 필요가 있는 일반 정보를 강조합니다.
이 제품은 모든 관련 유럽 지침을 준수합니다. 자세한 내용은 각 제품의 구체적인 적합성 선언(DOC)을 참조하십시오.
Section 4442에 정의되어 있는 스파크 방지 머플러가 엔진에 장착되어 있고 정상적으로 유지관리하는 경우 또는 엔진이 화재를 방지할 수 있도록 구성, 장착 및 유지관리되는 경우 외에는, 산림, 덤불 또는 목초 지대에서 엔진을 사용하거나 작동하는 것은 캘리포니아 Public Resource Code Section 4442 또는 4443 위반입니다.
동봉된 엔진 사용 설명서는 미국 환경 보호국(EPA) 및 배기 시스템, 유지보수 및 보증에 대한 캘리포니아 배기가스 통제 규정에 대해 알려드리기 위한 것입니다. 교체 부품은 엔진 제조사를 통해 주문할 수 있습니다.
캘리포니아
Proposition 65 경고
캘리포니아 주에서 디젤 엔진 배기가스와 그 일부 구성 성분은 암, 선천성 기형 및 기타 생식 기능 장애를 일으키는 것으로 알려져 있습니다.
배터리 포스트, 터미널 및 관련 액세서리에는 캘리포니아 주에서 암과 생식 기능 장애를 일으키는 것으로 알려진 납과 납 화합물, 화학 물질이 들어 있습니다. 취급 후에는 손을 씻으십시오.
본 제품의 사용으로 캘리포니아 주에서 암, 선천성 기형 및 기타 생식 기능 장애를 일으키는 것으로 알려진 화학 물질이 들어 있습니다.
이 장비는 EN ISO 5395(설치 절차를 완료한 경우) 및 ANSI B71.4-2017에 따라 설계되었습니다.
이 제품으로 인해 손이나 발이 절단될 수 있으며 물체가 튕겨나올 수도 있습니다.
엔진을 시동하기 전에 이 사용 설명서의 내용을 읽고 숙지하십시오.
장비를 작동하는 동안에는 온전히 주의를 기울이십시오. 주의력을 산만하게 하는 활동을 하면, 사람이 다치거나 자산이 손상될 수 있습니다.
장비의 움직이는 부품 근처에 손이나 발을 두지 마십시오.
장비에 모든 보호 장치 및 기타 안전 보호 장치가 제자리에 장착되어 제대로 작동하지 않는 상태에서는 장비를 운전하지 마십시오.
주변 사람들과 아이들은 작업 공간에 들어오지 못하게 하십시오. 절대로 아이들이 장비를 작동하게 하지 마십시오.
엔진을 끄고 키를 뺀 다음(꽂혀 있는 경우) 모든 움직임이 멈출 때까지 기다려 운전석에서 내리십시오. 장비가 식은 후에 장비를 조정, 정비, 청소 또는 보관하십시오.
이 장비를 잘못 사용하거나 정비하면 사람이 다치는 사고가 생길 수 있습니다. 부상 위험을 줄이려면 여기에 나와
있는 안전 지침을 따르고 주의, 경고 또는 위험과 같은 개인 안전 지침을 의미하는 안전 경고 기호(
)에 항상 주의를 기울이십시오.
이 지침을 따르지 않을 경우 사람이 다치거나 사망하는 사고가 발생할 수 있습니다.
본 장비의 엔진은 EU Stage 3b를 준수합니다.
![]() |
안전 문구 데칼과 지침은 작업자의 눈에 쉽게 보이며 잠재적인 위험이 있는 모든 부분에 부착되어 있습니다. 손상되거나 유실된 데칼은 교체하십시오. |





















Note: 정상 운전 위치에서 장비의 좌측과 우측을 판단합니다.
이 절차를 수행하는 데 필요한 부품:
| 후드 잠금 브래킷 | 1 |
| 리벳 | 2 |
| 나사(¼ x 2 인치) | 1 |
| 플랫 와셔(1/4 인치) | 2 |
| 록너트(¼ 인치) | 1 |
후드 래치 브래킷에서 후드 래치를 풉니다 (그림 4).

후드 래치 브래킷을 후드에 고정하는 2개의 리벳을 분리합니다(그림 5).

후드에서 후드 래치 브래킷을 분리합니다.
장착 구멍을 맞추고, CE 잠금 브래킷과 후드 래치 브래킷을 후드에 끼웁니다.
Note: 잠금 브래킷은 후드에 닿아야 합니다(그림 5). 잠금 브래킷 암의 볼트/너트 조립부품은 제거하지 마십시오.

와셔를 후드 안쪽 구멍에 맞춥니다.
리벳으로 브래킷과 와셔를 후드에 고정합니다(그림 6).
래치를 후드 래치 브래킷에 끼웁니다(그림 7).

후드 잠금 브래킷의 다른 쪽 암에 볼트를 끼워 래치를 제자리에 고정합니다(그림 8).

볼트를 꽉 조이되 너트는 조이지 마십시오.
이 절차를 수행하는 데 필요한 부품:
| 전방 호스 가이드(오른쪽) | 1 |
| 전방 호스 가이드(왼쪽) | 1 |
운송 브래킷에서 릴 모터를 제거합니다.
운송 브래킷을 분리하여 폐기합니다.
상자에서 커팅 유닛을 꺼냅니다.
커팅 유닛 사용 설명서에 설명된 대로 조립하고 조정합니다.
카운터웨이트(그림 9)가 커팅 유닛 사용 설명서에 설명된 대로 커팅 유닛 끝에 제대로 설치되어 있는지 확인합니다.

이 잔디 보정 스프링은 모든 커팅 유닛의 릴 구동 모터와 같은 쪽에 장착되어야 합니다. 스프링의 위치를 변경하려면, 다음 순서대로 하십시오.
로드 브래킷을 커팅 유닛 탭에 고정하는 2개의 캐리지 볼트와 너트를 분리합니다(그림 10).

스프링 튜브 볼트를 캐리어 프레임 탭에 고정하는 플랜지 너트를 분리합니다(그림 10).
램프 어셈블리를 뺍니다.
스프링 튜브 볼트를 캐리어 프레임의 반대쪽 탭에 장착하고 플랜지 너트로 고정합니다.
Note: 볼트 머리는그림 11에 보이는 것처럼 탭 바깥쪽에 위치하게 됩니다.

캐리지 볼트와 너트로 로드 브래킷을 커팅 유닛 탭에 장착합니다(그림 11). 커팅 유닛에서 로드 브래킷을 설치할 때 왼쪽 호스 가이드를 커팅 유닛 탭 앞쪽에 장착합니다(그림 13).
Important: 커팅 유닛 4(왼쪽 앞) 및 커팅 유닛 5(오른쪽 앞)에서, 로드 브래킷 마운팅 너트를 사용하여 호스 가이드를 커팅 유닛 탭 앞에 설치합니다. 호스 가이드는 커팅 유닛 중앙을 (그림 12에서 그림 14까지) 향해 기울어져야 합니다.



Note: 커팅 유닛을 설치하거나 분리할 때에는 헤어핀 코터가 로드 브래킷 옆에 있는 스프링 로드 구멍에 설치되었는지 확인하십시오. 그렇지 않으면, 헤어핀 코터를 로드 끝의 구멍에 설치해야 합니다.
후방 커팅 유닛의 캐리어 프레임에서 2개의 피벗 스페이서, 육각 소켓 나사, 플랜지 록너트(그림 15)를 제거하여 후방 커팅 유닛(커팅 유닛 2 및 3)의 스티어링을 높입니다. 그림 12을 참조하십시오.

모든 리프트 암을 완전히 내립니다.
캐리어 프레임 샤프트에 깨끗한 그리스를 바릅니다(그림 16).

전방 커팅 유닛의 경우, 캐리어 프레임 샤프트를 리프트 암 피벗 요크 안으로 삽입하면서 커팅 유닛을 리프트 암 밑으로 밀어 넣습니다(그림 16).
스러스트 워셔가 캐리어 프레임 샤프트에 올바르게 놓였는지 확인합니다.
클리크 핀을 사용하여 캐리어 프레임 샤프트를 리프트 암 요크에 고정합니다(그림 16).
커팅 유닛의 스티어링을 고정하려면 스내퍼 핀으로 캐리어 프레임에 피벗 요크를 고정합니다(그림 17).

Note: 경사로를 커팅할 때 고정 스티어링을 사용합니다.
커팅 높이가 19mm 이상인 경우 후방 커팅 유닛에서 다음 절차를 따릅니다.
스내퍼 핀으로 리프트 암 체인을 체인 브래킷에 고정합니다(그림 19).
Note: 커팅 유닛 사용 설명서에 나와 있는 체인 링크 수를 사용합니다.

릴 모터의 스플라인 샤프트에 깨끗한 그리스를 칠합니다.
릴 모터 O-링에 기름을 치고 모터 플랜지에 설치합니다.
모터 플랜지가 볼트에 닿지 않도록 모터를 시계 방향으로 회전하여 설치합니다(그림 20).

플랜지가 볼트를 감싸도록 모터를 시계 반대 방향으로 돌린 다음 볼트를 조입니다.
Important: 릴 모터 호스가 꼬이거나 얽히지 않게 하고, 끼일 위험이 없는지 확인하십시오.
잔디 보정 스프링(그림 21)을 사용하면 웨이트가 전방 롤러에서 후방 롤러로 이동합니다. 이는 마르셀링(marcelling) 또는 보빙(bobbing)이라고도 하는 잔디에 생기는 물결무늬를 줄이는 데 도움이 됩니다.
Important: 트랙션 장비에 장착된 커팅 유닛을 전방을 똑바로 향하도록 작업 현장에 내려놓고 스프링을 조정하십시오.
장비를 작동하기 전에 그리스를 발라 적절하게 윤활 처리하십시오. 윤활를 참조하십시오. 장비에 그리스를 적절하게 바르지 않으면 중요 부품이 조기에 고장날 수 있습니다.
엔진을 처음 시동하기 전에 후방 차축 오일 레벨을 확인하십시오. 후방 차축의 오일 레벨 확인을 참조하십시오.
엔진을 처음 시동하기 전에 유압 오일 레벨을 확인하십시오. 유압 오일 레벨 확인을 참조하십시오.
엔진을 처음 시동하기 전, 그리고 그 후에는 엔진 오일 레벨을 확인하십시오. 엔진 오일 점검을 참조하십시오.
이 절차를 수행하는 데 필요한 부품:
| 경고 데칼 | 1 |
| CE 데칼 | 1 |
| 생산 연도 데칼 | 1 |
CE 규정을 준수해야 하는 장비의 경우, 일련번호 플레이트 근처에 생산 연도 데칼(부품 번호 138-5615)을 붙이고, 후드 록 근처에 CE 데칼(부품 번호 93-7252)을 붙이고, 표준 경고 데칼(부품 번호 120-1683) 위에 CE 경고 데칼(부품 번호 133-1186)을 부착합니다.
두 개의 풋 페달(그림 25)은 방향 전환이나 경사로에서 더 높은 제동력을 확보할 수 있도록 개별 휠 브레이크를 작동시킵니다.
페달 잠금 래치(그림 25)를 페달과 연결하여 주차 브레이크를 체결합니다.
주차 브레이크를 체결하려면 (그림 25) 페달과 페달 잠금 래치를 연결하고 오른쪽 주차 페달을 밟으면서 토 페달을 체결합니다. 주차 브레이크를 풀려면 주차 브레이크 래치가 풀릴 때까지 브레이크 페달 중 하나를 밟으십시오.

트랙션 페달(그림 25)은 전진 및 후진을 제어합니다. 페달 위쪽을 밟으면 앞으로 움직이고 아래쪽을 밟으면 뒤로 움직입니다. 지면 속도는 얼마나 깊게 페달을 밟느냐에 따라 다릅니다. 최고 지면 속도를 내려면 스로틀을 FAST(고속) 위치에 두고 페달을 최대한 밟으십시오.
장비를 멈추려면 트랙션 페달을 밟는 발의 힘을 줄여서 트랙션 페달이 가운데 위치로 돌아오게 하십시오.
스티어링 휠을 자기 쪽으로 기울이려면 풋 페달(그림 25)을 밟고 자신에게 가장 편한 위치로 스티어링을 당긴 후 페달에서 발을 떼십시오.
예초 속도 제한기(그림 26)가 위로 젖혀져 있으면 예초 속도가 제어되며 커팅 유닛 체결이 가능합니다. 각 스페이서는 예초 속도를 0.8 km/h 단위로 조정합니다. 볼트 위에 스페이서가 많을수록 장비가 더 천천히 움직이게 됩니다. 장비를 이동하려면, 예초 속도 제한기를 뒤로 젖혀 최대 이동 속도를 내십시오.
트랙션 페달을 전진 또는 후진 방향으로 밟을 수 있는 양을 제한하는 나사(그림 26)를 조정하여 속도를 제한합니다.
Important: 속도 제한기 나사는 펌프가 최대 행정에 도달하기 전에 트랙션 페달을 정지시켜야 합니다. 그렇지 않으면 펌프가 손상될 수 있습니다.

이 레버(그림 27)는 커팅 유닛을 올리고 내리며, 예초 모드에서 릴이 활성화되어 있을 경우 릴까지 작동시키고 멈추는 역할도 합니다. 예초/이동 레버가 이동 위치에 있으면 커팅 유닛을 아래로 내릴 수 없습니다.
키 스위치(그림 27)의 위치는 OFF(꺼짐), ON/PREHEAT(켬/예열) 및 START(시동)의 세 곳입니다.
InfoCenter LCD 디스플레이에는 작동 상태, 다양한 진단 정보 및 기타 장비 정보가 표시됩니다(그림 27).
PTO 스위치(그림 27)의 2가지 위치: 시동 및 정지. PTO 버튼을 밀어서 커팅 유닛 블레이드를 결합합니다. 버튼을 뒤로 당겨서 커팅 유닛 블레이드 결합을 해제합니다.

엔진 속도를 높이려면 엔진 속도 스위치(그림 27)를 앞으로 움직이고 속도를 낮추려면 뒤로 움직이십시오.
스위치를 아래쪽으로 내려 전조등을 켜십시오(그림 27).
12V 전기 액세서리(옵션)에 전원을 공급하려면 전력 공급 지점(그림 28)을 사용하십시오.

보관하려면 백 홀더(그림 29)를 사용하십시오.

릴을 이면 연마하려면 백랩 레버를 사용합니다(그림 30).

시트를 전방 또는 후방으로 움직이려면 이 레버를 당깁니다(그림 31).
이 노브를 돌려 시트 팔걸이 각도를 조정합니다(그림 31).
등받침 각도를 조정하려면 이 레버를 움직입니다(그림 31).
중량 게이지는 작업자의 체중에 맞게 시트가 조정되었는지 알려줍니다(그림 31). 녹색 범위 내에서 서스펜션의 위치를 조정하여 높이를 조정할 수 있습니다.

체중에 맞춰 시트를 조정합니다(그림 31). 공기 압력을 높이려면 레버를 위로 당기고 공기압력을 낮추려면 아래로 내립니다. 예초/이동 레버가 이동 위치에 있으면 커팅 유닛을 아래로 내릴 수 없습니다.
InfoCenter LCD 디스플레이는 작동 상태, 다양한 진단 및 기타 장비 정보를 표시합니다(그림 32). InfoCenter에는 시작 화면과 주 정보 화면이 있습니다. 언제든지 아무 InfoCenter 버튼을 누르고 적절한 방향 화살표를 선택하면 시작 화면과 주 정보 화면 간을 전환할 수 있습니다.

왼쪽 버튼, 메뉴 액세스/뒤로 버튼—이 버튼을 눌러 InfoCenter 메뉴에 액세스하십시오. 이 버튼을 사용하여 현재 사용하는 메뉴에서 빠져나올 수 있습니다.
가운데 버튼—이 버튼을 사용하여 메뉴를 아래로 스크롤하십시오.
오른쪽 버튼—이 버튼을 사용하여 메뉴를 여십시오. 메뉴의 오른쪽 화살표는 추가적인 내용이 있음을 나타냅니다.
역방향 수동 팬—왼쪽 및 오른쪽 버튼을 동시에 누르면 이 기능을 활성화할 수 있습니다.
비퍼—데크를 낮추거나 경고 및 고장이 발생하면 작동합니다.
Note: 각 버튼의 목적은 필요에 따라 그때그때 달라질 수 있습니다. 각 버튼에는 현재 기능을 나타내는 아이콘이 표시됩니다.
| SERVICE DUE | 예정된 정비를 수행해야 할 때임을 나타냅니다 |
![]() | 정비까지 남은 시간 |
![]() | 정비 시간 재설정 ![]() |
![]() | 정보 아이콘 |
![]() | 아워 미터 |
![]() | 고속 |
![]() | 저속 |
![]() | 팬 역방향—팬이 역방향임을 표시함 |
![]() | 공기 흡입 히터가 작동함 |
![]() | 커팅 유닛 올림 |
![]() | 커팅 유닛 내림 |
![]() | 작업자가 착석해야 합니다 |
![]() | 주차 브레이크 표시—주차 브레이크가 걸려 있음을 나타냅니다 |
![]() | 고속 범위에 있음을 나타냅니다 |
![]() | 중립 |
![]() | 저속 범위에 있음을 나타냅니다 |
![]() | 냉각수 온도-엔진 냉각수 온도를 °C 또는 °F로 나타냅니다 |
![]() | 온도(고온) |
![]() | 거부되었거나 허용되지 않음 |
![]() | PTO가 체결되어 있습니다 |
![]() | 엔진 시동 |
![]() | 정지 또는 셧다운 |
![]() | 엔진 |
![]() | 키 스위치 |
![]() | 커팅 유닛이 내려지고 있음을 나타냅니다 |
![]() | 커팅 유닛이 올라가고 있음을 나타냅니다 |
![]() | PIN 암호 |
![]() | 유압 오일 온도—유압 오일 온도를 표시합니다 |
![]() | CAN 버스 |
![]() | InfoCenter |
![]() | 불량 또는 실패 |
![]() | 전구 |
![]() | TEC 컨트롤러의 출력 또는 하네스의 제어선 |
![]() | 높음: 허용 범위 초과 |
![]() | 낮음: 허용 범위 이하 |
/![]() | 범위를 벗어남 |
![]() | 스위치 |
![]() | 스위치를 놓아야 합니다 |
![]() | 표시된 상태로 변경해야 합니다 |
| 기호는 종종 결합하여 문장을 형성합니다. 아래에 몇 가지 예가 나와 있습니다. | |
![]() | 장비를 중립으로 놓아야 합니다 |
![]() | 엔진 시동이 거부되었습니다 |
![]() | 엔진 셧다운 |
![]() | 엔진 냉각수 온도가 너무 높음 |
![]() | 유압 오일이 너무 높음 |
![]() | 착석하거나 주차 브레이크를 거십시오 |
PIN을
입력해야만 액세스 가능
InfoCenter 메뉴 시스템에 접근하려면 주 화면에서 메뉴 접근 버튼을 누르십시오. 주 메뉴가 나타납니다. 메뉴에서 사용할 수 있는 옵션은 다음 표를 참고하십시오.
| 주 메뉴 | |
| 메뉴 항목 | 설명 |
| Faults | Faults 메뉴에는 최근의 장비 고장 목록이 포함되어 있습니다. Faults 메뉴 및 그 안에 포함된 내용에 대한 자세한 정보는 정비 설명서를 참조하거나 Toro 공식 판매 대리점에 문의하십시오. |
| Service | Service 메뉴에는 사용 시간 카운터 및 그 밖의 유사한 수치 등 장비에 대한 정보가 포함되어 있습니다. |
| Diagnostics | Diagnostics 메뉴는 각 장비 스위치, 센서 및 제어 출력 상태를 표시합니다. 이 메뉴를 사용하면 어떤 제어장치가 켜져 있고 꺼져 있는지 알 수 있기 때문에 특정 문제를 해결할 수 있습니다. |
| Settings | Settings 메뉴를 사용하면 InfoCenter 디스플레이의 구성 변수를 사용자 지정하거나 수정할 수 있습니다. |
| About | About 메뉴는 장비의 모델 번호, 일련번호 및 소프트웨어 버전을 나열합니다. |
| Service | |
| 메뉴 항목 | 설명 |
| Hours | Hours 메뉴는 장비, 엔진 및 PTO가 작동된 총 시간과 장비의 이동 및 정비 시간을 나열합니다. |
| Counts | Counts 메뉴는 장비와 관련한 수많은 수치를 나열합니다. |
| Diagnostics | |
| 메뉴 항목 | 설명 |
| Cutting Units | 커팅 유닛을 올리고 내리기 위한 입력, 한정자 및 출력을 나타냅니다 |
| Hi/Low Range | 이동 모드로 운전하기 위한 입력, 한정자 및 출력을 나타냅니다 |
| PTO | PTO 회로를 활성화하기 위한 입력, 한정자 및 출력을 나타냅니다 |
| Engine Run | 엔진을 시동하기 위한 입력, 제한 조건 및 출력을 나타냅니다 |
| Backlap | 백랩 기능을 작동시키기 위한 입력, 제한 조건 및 출력을 나타냅니다 |
| Settings | |
| 메뉴 항목 | 설명 |
| Units | InfoCenter에서 사용되는 단위를 제어합니다. 영국 단위(English) 또는 미터법(Metric)을 선택할 수 있습니다. |
| Language | InfoCenter에서 사용되는 언어를 제어합니다* |
| LCD Backlight | LCD 디스플레이의 밝기를 제어합니다 |
| LCD Contrast | LCD 디스플레이의 명암을 제어합니다 |
| Front Backlap Reel Speed | 백랩 모드에서 전방 릴의 속도를 제어합니다 |
| Rear Backlap Reel Speed | 백랩 모드에서 후방 릴의 속도를 제어합니다 |
| Protected Menus | 관리자/정비사가 암호를 입력하여 보호 메뉴에 접근할 수 있도록 합니다 |
Auto Idle ![]() | 장비가 정지해 있을 때 엔진이 저속 공회전 상태로 되돌아갈 때까지 허용되는 시간을 제어합니다 |
Blade Count ![]() | 릴 속도를 위해 릴의 블레이드 수를 제어합니다 |
Mow Speed ![]() | 릴 속도를 결정하기 위해 지면 속도를 제어합니다 |
Height of cut(HOC) ![]() | 릴 속도를 결정하기 위해 예고(HOC)를 제어합니다 |
F Reel RPM ![]() | 전방 릴에 대한 계산된 릴 속도 위치를 표시합니다. 릴은 수동으로 조정할 수도 있습니다 |
R Reel RPM ![]() | 후방 릴에 대한 계산된 릴 속도 위치를 표시합니다. 릴은 수동으로 조정할 수도 있습니다 |
* 작업자용 텍스트만 번역됩니다. Faults, Service 및 Diagnostics 화면은 정비용입니다. 제목은 선택한 언어로 표시되지만 메뉴 항목은 영어입니다.
Protected
Menus로 보호—PIN을 입력해야만 액세스 가능
| About | |
| 메뉴 항목 | 설명 |
| Model | 장비의 모델 번호를 나열합니다 |
| SN | 장비의 일련번호를 나열합니다 |
| Machine Controller Revision | 마스터 컨트롤러의 소프트웨어 수정을 나열합니다 |
| InfoCenter Revision | InfoCenter의 소프트웨어 수정을 나열합니다 |
| CAN Bus | 장비 통신 버스 상태를 나열합니다 |
InfoCenter의 Settings 메뉴 내에는 Blade Count, Mow Speed, Height of Cut(HOC), F Reel RPM 및 R Reel RPM의 5가지 조정가능한 작동 환경설정 항목이 있습니다. Protected 메뉴를 사용하여 이 설정 항목을 잠글 수 있습니다.
Note: 장비 인도 시 최초 암호는 유통업체에 의해 설정되어 있습니다.
주 메뉴에서 아래로 스크롤하여 Settings 메뉴로 이동한 다음 오른쪽 버튼을 누르십시오.
Settings 메뉴에서 아래로 스크롤하여 Protected Menu로 이동한 다음 오른쪽 버튼을 누르십시오.
암호를 입력하려면 중앙 버튼을 사용하여 첫 번째 자리를 설정한 다음 오른쪽 버튼을 눌러 다음 자리로 넘어가십시오.
중앙 버튼을 사용하여 두 번째 자리를 설정한 다음 오른쪽 버튼을 눌러 다음 자리로 넘어가십시오.
중앙 버튼을 사용하여 세 번째 자리를 설정한 다음 오른쪽 버튼을 눌러 다음 자리로 넘어가십시오.
중앙 버튼을 사용하여 네 번째 자리를 설정한 다음 오른쪽 버튼을 누르십시오.
가운데 버튼을 눌러 암호를 입력하십시오.
암호가 맞아서 보호 메뉴가 “잠금 해제”되면 디스플레이 화면 우측 상단 모서리에 “PIN”이 표시됩니다.
보호 메뉴의 설정을 보고 바꾸는 기능은 변경할 수 있습니다. 보호 메뉴로 들어간 다음 아래로 스크롤하여 Protect Settings로 이동하십시오. 오른쪽 버튼을 사용하여 Protect Settings를 Off로 변경하면 암호를 입력하지 않고도 보호 메뉴의 설정을 보고 바꿀 수 있습니다. Protected Settings를 On으로 변경하면 보호 대상 옵션을 숨기므로, 암호를 입력해야 보호 메뉴의 설정을 변경할 수 있습니다. 암호를 설정한 다음에는 키 스위치를 껐다 다시 켜서 이 기능을 활성화하고 저장해야 합니다.
Note: 암호가 기억나지 않거나 잊어버린 경우에는 대리점에 연락하여 도움을 받으십시오.
Settings 메뉴에서 아래로 스크롤하여 Auto Idle로 이동합니다.
오른쪽 버튼을 눌러 자동 공회전 시간을 Off, 8S, 10S, 15S, 20S 또는 30S로 변경하십시오.
Settings 메뉴에서 아래로 스크롤하여 Blade Count로 이동하십시오
오른쪽 버튼을 눌러 블레이드 수를 5, 8 또는 11 블레이드로 변경하십시오.
Settings 메뉴에서 아래로 스크롤하여 Mow Speed로 이동하십시오.
오른쪽 버튼을 눌러 예초 속도를 선택하십시오.
중앙 및 오른쪽 버튼을 사용하여 트랙션 페달의 기계식 예초 속도 제한기에서 적절한 예초 속도 설정을 선택하십시오.
왼쪽 버튼을 눌러 예초 속도 메뉴에서 빠져나오고 설정을 저장하십시오.
Settings 메뉴에서 아래로 스크롤하여 HOC로 이동하십시오.
오른쪽 버튼을 눌러 HOC를 선택하십시오.
중앙 및 오른쪽 버튼을 사용하여 적절한 HOC 설정을 선택하십시오.
Note: 정확한 설정이 표시되지 않으면 표시된 목록 중 가장 근접한 HOC 설정을 선택하십시오.
왼쪽 버튼을 눌러 HOC 메뉴에서 빠져나오고 설정을 저장하십시오.
전방 및 후방 릴 속도는 InfoCenter에 블레이드 수, 예초 속도 및 예고를 입력하면 계산되지만 여러 가지 예초 조건에 맞게 수동으로 설정을 변경할 수도 있습니다.
F Reel RPM, R Reel RPM 혹은 두 항목 모두까지 아래로 스크롤합니다.
오른쪽 버튼을 눌러 릴 속도 값을 변경합니다. 속도 설정이 변경되면 디스플레이에는 앞서 입력한 블레이드 수, 예초 속도 및 예고를 바탕으로 계산된 릴 속도가 계속 표시되지만 새로운 값도 표시됩니다.
Note: 사양과 설계는 통보 없이 변경될 수 있습니다.
| 예폭, 68.6 cm 커팅 유닛 | 307 cm |
| 예폭, 81.3 cm 커팅 유닛 | 320 cm |
| 전폭, 68.6 cm 커팅 유닛 다운 | 345 cm |
| 전폭, 81.3 cm 커팅 유닛 다운 | 358 cm |
| 전체 폭, 커팅 유닛 업(이동) | 239 cm |
| 전체 길이 | 370 cm |
| ROPS 포함 높이 | 220 cm |
| 트랙 너비, 전방 | 229 cm |
| 트랙 너비, 후방 | 141 cm |
| 휠베이스 | 171 cm |
| 순 중량(커팅 유닛 및 유체 제외) | 1574 kg |
Toro가 승인한 부착 장치와 액세서리를 사용하여 장비의 성능을 확장하거나 향상시킬 수 있습니다. 승인된 부착 장치와 액세서리 전체 목록을 보려면 지정 서비스점이나 Toro 지정 판매 대리점에 연락하거나 www.Toro.com을 방문하십시오.
장비를 최적 성능으로 사용하거나 안전 인증을 계속 보장 받으려면 순정 Toro 교체 부품과 액세서리만 사용하십시오. 다른 제조사에서 만든 교체 부품 및 액세서리는 위험할 수 있으며, 그러한 제품을 사용하면 제품 보증이 무효가 될 수 있습니다.
Note: 정상 운전 위치에서 장비의 좌측과 우측을 판단합니다.
아이들이나 교육받지 않은 사람이 장비를 운전하거나 정비하는 것은 절대로 허용하지 마십시오. 현지 규정에 의해 작업자의 나이가 제한될 수 있습니다. 소유자는 모든 작업자 및 기술자를 교육할 책임이 있습니다.
장비 안전 운전, 작업자 제어 장치 및 안전 표시를 잘 알아 두십시오.
엔진을 끄고 키를 뺀 다음(꽂혀 있는 경우) 모든 움직임이 멈출 때까지 기다려 운전석에서 내리십시오. 장비가 식은 후에 장비를 조정, 정비, 청소 또는 보관하십시오.
장비를 정지하고 엔진을 신속하게 멈추는 방법을 숙지하십시오.
장비에 모든 보호 장치 및 기타 안전 보호 장치가 제자리에 장착되어 제대로 작동하지 않는 상태에서는 장비를 운전하지 마십시오.
예초하기 전에, 항상 장비를 점검하여 커팅 유닛이 양호한 작업 상태인지 확인하십시오.
장비를 사용할 장소를 점검하고 장비에 의해 튕겨 나갈 가능성이 있는 모든 물체를 제거하십시오.
연료를 다룰 때에는 특히 주의하십시오. 가연성이 높고 증기가 폭발할 수 있기 때문입니다.
일반 담배, 시가, 파이프 담배 및 그 밖의 점화원을 모두 제거하십시오.
승인된 연료 용기만 사용하십시오.
엔진이 작동 중이거나 뜨거운 상태에서 연료 캡을 분리하거나 연료 탱크에 급유하지 마십시오.
밀폐된 공간에서는 연료를 추가하거나 비우지 마십시오.
온수기나 기타 기구 등 노출된 화염, 불꽃, 점화용 불씨 등이 있는 곳에는 장비나 연료통을 보관하지 마십시오.
연료를 엎질렀을 때에는 엔진을 시동하지 말고 연료 증기가 사라질 때까지 발화원이 생기지 않도록 하십시오.
| 유지보수 서비스 간격 | 유지보수 절차 |
|---|---|
| 매번 사용하기 전 또는 매일 |
|
매일 장비를 시동하기 전에, 에 나오는 매일 사용/일별 절차를 수행하십시오.
83 L
다음 주의 사항을 지키지 않으면 엔진이 손상될 수 있습니다.
절대로 디젤 연료 대신 등유나 휘발유를 사용하지 마십시오.
절대로 디젤 연료에 등유나 사용한 엔진 오일을 혼용하지 마십시오.
절대로 연료를 안쪽에 아연 도금이 된 용기에 보관하지 마십시오.
연료 첨가제를 사용하지 마십시오.
깨끗하고 오래되지 않은 저황(<500 ppm) 또는 초저황(<15 ppm) 디젤 연료나 바이오디젤 연료만을 사용하십시오. 세탄가는 40 이상이어야 합니다. 연료의 신선도를 위해 180일 이내에 사용할 수 있을 정도의 양만 구매하십시오.
-7°C 이상의 온도에서는 하절기용 디젤 연료(No. 2-D)를 사용하고, -7°C 이하에서는 동절기용 디젤 연료(No. 1-D 또는 No. 1-D/2-D 혼합유)를 사용하십시오. 낮은 온도에서 겨울철 등급 연료를 사용하면 인화점이 낮아지고 콜드 플로 특성이 감소하여 시동이 쉽게 걸리고 연료 필터 막힘 현상이 줄어듭니다.
-7°C 이상에서 여름철 등급 연료를 사용하면 연료 펌프의 수명이 좀 더 늘어나고 겨울철 등급 연료에 비해 동력이 향상됩니다.
이 장비에는 B20(바이오디젤 20%, 일반 석유디젤 80%) 바이오디젤 혼합 연료를 사용할 수도 있습니다. 혼합된 석유디젤은 저황이거나 초저황 연료여야 합니다. 다음과 같은 예방 조치를 취하십시오:
바이오디젤 연료 규격: ASTM D6751 또는 EN14214
혼합 연료 규격: ASTM D975 또는 EN590
다음과 같은 예방 조치를 취하십시오:
바이오디젤 혼합유는 도장면을 손상시킬 수 있습니다.
추운 날씨에는 B5(바이오디젤 5% 함유)나 이보다 바이오디젤이 덜 섞인 혼합유를 사용하십시오.
연료와 닿는 씰, 호스 및 개스킷은 시간이 지나면서 상태가 저하되므로 면밀히 주시하십시오.
바이오디젤 혼합유로 바꾸고 나면 한동안 장비의 연료 필터가 막힐 수 있습니다.
바이오디젤에 대한 자세한 정보는 Toro 지정 판매 대리점에 문의하십시오.
평평한 곳에 장비를 주차하고 커팅 유닛을 내리고 엔진을 멈춘 다음 키를 뺍니다.
깨끗한 천을 사용하여 연료 탱크 마개 주위를 닦습니다.
연료 탱크 마개(그림 33)를 엽니다.

연료 레벨이 연료 주입구 하단에 도달할 때까지 연료를 채웁니다.
탱크를 채운 다음에는 연료 탱크 마개를 단단히 닫습니다.
Note: 가능하면 매번 장비를 사용하고 난 후 연료 탱크를 채우십시오. 이렇게 하면 연료 탱크 내부에 생길 수 있는 응축 현상이 최소 수준으로 줄어듭니다.
소유자/작업자는 사람이 다치거나 재산이 손상되는 사고를 막을 수 있으며, 이에 대해 책임이 있습니다.
보안경, 긴 바지, 잘 미끄러지지 않는 튼튼한 신발 및 청력 보호구를 포함하여, 적절한 의복을 착용하십시오. 긴 머리는 뒤로 묶고 헐렁한 옷이나 보석류는 착용하지 마십시오.
아프거나 지친 상태, 또는 음주나 약물 복용 후에는 장비를 운전하지 마십시오.
장비를 작동하는 동안에는 온전히 주의를 기울이십시오. 주의력을 산만하게 하는 활동을 하면, 사람이 다치거나 자산이 손상될 수 있습니다.
엔진을 시동하기 전에 모든 구동 장치가 중립 위치에 있고 주차 브레이크가 걸려 있는지 확인하고, 운전 위치에 앉으십시오.
장비에 승객을 태우지 말고 주위 사람들과 아이들이 작업 영역에 들어오지 못하게 하십시오.
시야가 잘 보이는 곳에서만 장비를 운전하고 움푹 패인 곳이나 숨겨진 위험 요소를 피하십시오.
젖은 잔디에서는 예초하지 마십시오. 마찰력이 감소하여 장비가 미끄러질 수 있습니다.
손이나 발은 커팅 유닛에서 거리를 두십시오.
후진 시에는 후방과 아래쪽을 주시하여 장애물이 없는지 확인하십시오.
사각 지대, 관목, 나무 또는 그 외의 시야를 방해하는 물체에 접근할 때에는 주의하십시오.
잔디를 깎지 않을 경우에는 항상 커팅 유닛을 멈추십시오.
방향을 바꾸거나 장비를 가지고 차도나 인도를 건널 때에는 속도를 줄이고 주의를 기울이십시오. 항상 다른 차량에 양보하십시오.
통풍이 잘 되는 공간에서만 엔진을 작동하십시오. 배기 가스에는 흡입하면 치명적인 일산화탄소가 들어 있습니다.
장비를 작동한 채 자리를 비우지 마십시오.
운전석을 떠나기 전에 다음을 이행하십시오:
평평한 곳에 장비를 주차합니다.
커팅 유닛(들)을 풀고 부착 장치를 내립니다.
주차 브레이크를 겁니다.
엔진을 끄고 키를 뺍니다(꽂혀 있는 경우).
모든 움직임이 멈출 때까지 기다립니다.
가시성이 좋고 기상 상태가 적절한 경우에만 장비를 운전하십시오. 번개가 칠 위험이 있는 상태에서는 장비를 운전하지 마십시오.
장비에서 ROPS를 분리하지 마십시오.
안전 벨트가 부착되어 있는지, 그리고 긴급 상황이 발생하면 안전 벨트를 즉시 풀 수 있는지 확인하십시오.
머리 위의 장애물을 주의 깊게 확인하고 닿지 않게 하십시오.
손상 여부를 주기적으로 철저하게 검사하고 모든 장착 패스너를 단단히 조여 ROPS를 안전하게 작동하는 상태로 관리하십시오.
손상된 ROPS는 교체하십시오. 수리 또는 개조하지 마십시오.
항상 롤바를 올린 상태로 안전 벨트를 사용하십시오.
ROPS는 일체형 안정 장치입니다. 접이식 롤바를 올려서 잠근 상태로 유지하고, 롤바를 올린 상태로 장비를 작동할 때 안전 벨트를 사용하십시오.
접이식 롤바는 꼭 필요한 경우에만 일시적으로 내리십시오. 롤바를 접은 상태에서는 안전 벨트를 착용하지 마십시오.
접이식 롤바가 내려진 상태에서는 전복 방지가 되지 않는다는 점에 유의하십시오.
예초할 영역을 확인하고 경사로, 급경사로, 물 등이 있는 곳에서는 접이식 롤바를 접지 마십시오.
통제력을 잃거나 뒤집혀서 심하게 다치거나 사망하는 사고는 주로 비탈길에서 일어납니다. 작업자는 경사로 작업을 안전하게 할 책임이 있습니다. 비탈길에서 장비를 운전할 때에는 특별히 주의해야 합니다.
작업자는 현장 측량을 포함하여 현장 조건을 평가하여 경사로가 장비 운전에 안전한지 판단해야 합니다. 측량할 때 항상 상식과 좋은 판단력을 사용하십시오.
경사로에서 장비를 작동하기 위한 아래의 경사로 지침을 검토하고 장비를 작동하는 조건을 검토하여 해당 시점에 해당 부지에서 해당 조건에서 작동할 수 있는지 판단해야 합니다. 지형이 바뀌면 장비의 경사로 운전에 변화가 생길 수 있습니다.
경사로에서는 장비를 시동하거나 정지하거나 회전하지 마십시오. 속도나 방향을 갑자기 변경하지 마십시오. 방향 전환은 천천히 점진적으로 하십시오.
트랙션, 스티어링, 안정성 등에 의문이 있으면 어떤 경우에도 장비를 작동하지 마십시오.
배수로, 파인 부분, 바퀴 자국, 융기, 돌, 그 밖의 숨겨진 물체 등 장애물이 있으면 제거하거나 표시하십시오. 잔디가 길어서 장애물이 보이지 않을 수 있습니다. 지형이 고르지 않으면 장비가 뒤집힐 수 있습니다.
젖은 잔디에서 장비를 작동하거나 경사로를 가로지르거나 내리막에서 장비를 작동하면 장비가 견인력을 잃게 될 수 있다는 점에 유의하십시오. 구동 휠이 구동력을 잃으면 미끄러져 제동이 되지 않고 스티어링도 되지 않을 수 있습니다.
급경사로, 배수로, 둑, 물웅덩이 또는 기타 위험 요소 근처에서 장비를 작동할 때 매우 주의하십시오. 바퀴가 가장자리를 넘어가거나 가장자리가 함몰하면 장비가 갑자기 뒤집힐 수 있습니다. 장비와 위험 요소 사이에 안전 영역을 정하십시오.
경사로의 아랫 부분에 있는 위험 요소를 확인하십시오. 위험 요소가 있으면, 보행자를 통제한 장비로 경사로를 예초하십시오.
가능한 경우, 경사로에서 작업하는 동안 커팅 유닛(들)을 지면으로 내린 상태로 유지하십시오. 경사로에서 작업하는 동안 커팅 유닛(들)을 올리면 장비가 불안정해질 수 있습니다.
잔디 수거 시스템 또는 기타 부착 장치를 다룰 때 매우 주의하십시오. 그런 것이 있으면 장비 안정성이 바뀌어 통제할 수 없게 될 수 있습니다.
Important: 다음 중 하나의 상황이라도 발생하면 연료 시스템을 비워야 합니다:
연료 부족으로 엔진 작동이 중지된 경우.
연료 시스템 부품에 대해 유지 관리 작업을 수행한 경우.
트랙션 페달에서 발을 떼고 페달이 NEUTRAL(중립) 위치인지 확인합니다.
Note: 주차 브레이크가 걸렸는지 확인합니다.
엔진 속도 스위치를 LOW IDEA(저속 공회전) 위치로 돌립니다.
키를 RUN(작동) 위치로 돌립니다.
Note: 글로 인디케이터가 켜집니다.
예열 표시등이 어두워지면 키를 START(시동) 위치로 돌립니다.
엔진이 시동되면 바로 키를 놓아 RUN(작동) 위치로 돌아가게 합니다.
엔진 속도를 조정합니다.
Important: 한 번에 15초 이상 시동 모터를 돌리지 마십시오. 그렇게 하면 시동 장치가 빨리 망가질 수 있습니다. 15초 후에도 엔진의 시동이 걸리지 않으면 키를 OFF(꺼짐) 위치로 돌리고 제어장치 및 절차를 다시 확인하고 15초를 더 기다린 뒤 시동을 다시 걸어 보십시오.
온도가 -7°C 이하이면 시동 모터를 30초 동안 돌린 뒤 60초 동안 끄는 작업을 2번 시도하십시오.
움직이는 부품에 닿으면 부상을 입을 수 있습니다.
엔진을 끄고 움직이는 모든 부품이 정지할 때까지 기다렸다가 오일 누출, 느슨한 부품, 그 밖의 장애 유무를 확인하십시오.
Important: 최대 부하로 작동한 후에는 엔진을 끄기 전에 5분 동안 엔진이 공회전하게 합니다. 이렇게 해서 엔진을 끄기 전에 터보차저를 식히십시오. 이를 이행하지 않을 경우 터보차저 문제가 발생할 수 있습니다.
Note: 장비를 주차할 때는 커팅 유닛을 지면까지 내립니다. 유닛을 내리면 시스템의 유압 부하를 해제하고, 부품의 마모를 방지하고, 커팅 유닛이 실수로 내려오는 것을 방지합니다.
엔진 속도를 저속 공회전으로 되돌립니다.
PTO 스위치를 OFF(꺼짐) 위치로 이동합니다.
주차 브레이크를 겁니다.
키를 OFF(꺼짐) 위치로 돌립니다.
갑작스러운 시동을 방지하려면 스위치에서 키를 뽑습니다.
후방 커팅 유닛 리프트 암은 다양한 잔디 상태에 맞게 평형을 조정하여 거친 잔디밭이나 대취가 쌓인 곳에서도 한결같은 커팅 높이를 유지할 수 있습니다.
각각의 평형 스프링은 네 가지 설정 값 중 하나로 조정할 수 있습니다. 설정 값을 하나씩 달리할 때마다 커팅 유닛의 평형력은 2.3 kg씩 높아지거나 낮아집니다. 스프링은 첫 스프링 작동기 뒤쪽에 위치시켜 모든 평형력을 제거할 수 있습니다(넷째 위치).
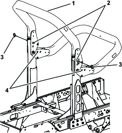
롤바를 접어서 제한 높이 구역으로 들어갈 수 있습니다.
롤바를 접어서 내리면 전복 방지 시스템(ROPS)이 없으며 ROPS 기능에 의존하면 안 됩니다.
롤바를 내린 상태에서는 안전 벨트를 착용하지 마십시오.
평평한 곳에 장비를 주차시켜 커팅 유닛을 내리고 주차 브레이크를 걸고 엔진을 멈춘 후 키를 뺍니다.
피벗 브래킷에서 스냅 핀과 클레비스 핀을 제거할 때 롤바의 상단 프레임 중량을 지지하십시오(그림 36).

멈출 때까지 프레임을 아래 방향으로 조심스럽게 내립니다.
하부 구멍에 클레비스 핀을 삽입하고 스냅 핀으로 고정하여 내린 위치로 상단 프레임을 지지합니다.
프레임을 올리려면 이 절차를 반대로 하십시오.
ROPS 고정 볼트 어셈블리가 느슨해지면 ROPS 방지 시스템이 작동하지 않으므로 전복 사고로 심각한 부상을 당하거나 사망에 이를 수 있습니다.
올려진 위치에서 완벽한 ROPS 보호를 제공하려면 양쪽의 고정 볼트 어셈블리를 설치하고 완전히 고정해야 합니다.
롤바를 내리고 올릴 때 장비와 롤바 사이에 손가락이 끼일 수 있습니다.
롤바를 내리고 올릴 때 고정 부품 및 구조물의 피벗 부품 사이에 손가락이 끼이지 않도록 주의하십시오.
안전한 작업 조건에서 장비를 사용할 수 있도록 너트, 볼트 및 나사는 항상 단단히 조이십시오.
닳거나 손상된 부품은 안전을 위해 교체하십시오.
안전 벨트 및 장착물 등이 안전한 작동 상태인지 확인하십시오.
롤바가 올라가면 안전 벨트를 착용하고 롤바가 내려가면 안전 벨트를 벗으십시오.
Important: 롤바는 일체형 안정 장치입니다. 모어를 작동할 때는 롤바를 올린 위치로 둡니다. 꼭 필요한 경우에만 롤바를 일시적으로 내리십시오.
| 유지보수 서비스 간격 | 유지보수 절차 |
|---|---|
| 매번 사용하기 전 또는 매일 |
|
안전 인터록 스위치가 끊어지거나 손상된 경우 장비가 예기치 않게 작동되어 다칠 수 있습니다.
인터록 스위치를 함부로 만지지 마십시오.
인터록 스위치의 작동 상태를 매일 점검하고 손상된 스위치가 있으면 장비를 운전하기 전에 교체하십시오.
장비에는 전기 시스템 인터록 스위치가 달려 있습니다. 이러한 스위치는 트랙션 페달을 밟으면서 운전석에서 일어날 때 엔진을 정지시키도록 고안되었습니다. 그러나, 엔진이 가동 중이고 트랙션 페달이 중립인 상태에서 운전석에서 일어날 수 있습니다. PTO 스위치를 체결 해제하고 트랙션 페달을 놓을 때 엔진이 계속 가동하지만 운전석에서 일어나기 전에 엔진을 정지하십시오.
인터록 스위치의 작동을 점검하려면 다음 순서대로 하십시오.
상대적으로 넓고 개방된 장소로 천천히 장비를 운전하십시오.
커팅 유닛을 내리고 엔진을 멈춘 다음 주차 브레이크를 겁니다.
운전석에 앉아서 트랙션 페달을 누릅니다.
엔진의 시동을 겁니다.
Note: 엔진이 시동되지 않아야 합니다. 엔진의 시동이 걸리면 장비를 작동하기 전에 시정해야 하는 고장이 인터록 시스템에 있는 것입니다.
운전석에 앉아 엔진의 시동을 겁니다.
좌석에서 일어나서 PTO 스위치를 On 위치로 옮깁니다.
Note: PTO가 체결되지 않아야 합니다. PTO가 체결되면 장비를 작동하기 전에 시정해야 하는 고장이 인터록 시스템에 있는 것입니다.
운전석에 앉아 주차 브레이크를 걸고 엔진의 시동을 겁니다.
트랙션 페달을 NEUTRAL(중립) 위치에서 옮깁니다.
Note: 엔진이 껴지면 안 됩니다. 엔진이 꺼지면 장비를 작동하기 전에 시정해야 하는 고장이 인터록 시스템에 있는 것입니다.
잔디를 깎기 전에 사방이 트인 곳에서 장비 운전을 연습하십시오. 엔진을 시동하고 정지합니다. 전진 및 후진하십시오. 커팅 유닛을 올리고 내린 다음 릴을 체결하고 푸십시오. 장비에 익숙해지면 경사로를 다양한 속도로 오르고 내리는 연습을 하십시오.
작동 중 경고등에 불이 들어오면 장비를 즉시 멈추고 운전을 계속하기 전에 문제를 해결하십시오. 작동에 문제가 있는 장비를 운전할 경우 심각하게 손상될 수 있습니다.
엔진을 시동하고 엔진 속도 스위치를 FAST(빠름) 위치로 옮기십시오. 예초 속도 제한기를 MOW(예초) 위치에 놓습니다. PTO 스위치를 ON(켜짐) 위치로 옮기고 리프트 스위치를 사용하여 커팅 유닛을 제어하십시오(전방 커팅 유닛은 후방 커팅 유닛보다 일찍 내려옵니다). 전진하면서 잔디를 깎고 싶으면 트랙션 페달을 앞으로 밟으십시오.
PTO 스위치를 OFF(꺼짐) 위치로 옮기고 커팅 유닛을 이동 위치로 올리십시오. 예초 속도 제한기를 이동 위치에 놓습니다. 물체 사이를 운행할 때에는 장비나 커팅 유닛이 뜻하지 않게 손상되지 않도록 주의하십시오. 경사로에서 장비를 운전할 때에는 특히 주의를 기울이십시오. 전복될 위험이 있으므로 경사로에서는 천천히 운전하고 급회전하지 마십시오.
엔진을 끄고 키를 뺀 다음(꽂혀 있는 경우) 모든 움직임이 멈출 때까지 기다려 운전석에서 내리십시오. 장비가 식은 후에 장비를 조정, 정비, 청소 또는 보관하십시오.
커팅 유닛, 구동 장치, 머플러, 냉각 스크린 및 엔진실에 붙어 있는 잔디와 부스러기를 제거하여 화재를 예방하십시오. 흘린 오일이나 연료를 청소하십시오.
장비 보관 또는 운송 중에는 연료를 차단하십시오.
운송할 때나 사용하지 않을 때에는 부착 장치에서 구동부를 분리하십시오.
필요한 경우 안전 벨트(들)을 정비하고 청소하십시오.
온수기나 기타 기구 등 노출된 화염, 불꽃, 불이 붙을 수 있는 불씨 등이 있는 곳에는 장비나 연료통을 보관하지 마십시오.
트레일러나 트럭에 장비를 싣는 경우 전폭 램프를 사용하십시오.
장비를 단단히 매십시오.
결박 개소는 다음 위치입니다.
전방 계단 아래 각 프레임 측면
후방 범퍼

Note: 기기 아래에서 작업할 때마다 잭 스탠드로 장비를 받치십시오.
잭 포인트는 다음 위치입니다.
각 운전 타이어 내부 프레임의 장비 전면
축 중앙의 기계 후면
비상 시에는 가변 변위 유압 펌프의 우회 밸브를 작동시키고, 유압 호스를 우회 체크 밸브에 설치한 후 장비를 밀거나 견인하여 옮길 수 있습니다.
Important: 내부 변속기가 손상될 수 있으므로 3~4.8 km/h 이상의 속도, 또는 0.4 km 이상의 거리로 장비를 밀거나 견인하지 마십시오. 우회 밸브는 장비를 밀거나 견인할 때마다 반드시 열려 있어야 합니다. 또한, 반대 방향으로 장비를 밀거나 견인할 때마다 우회 체크 밸브에 유압 호스를 설치해야 합니다.
장비를 밀거나 견인해야 할 때 전진 및 후진시켜야 할 수도 있습니다. 밀거나 견인할 때 구동 시스템이 손상되지 않게 하려면 전진 및 후진으로 밀거나 견인하도록 장비를 준비하는 것이 최선입니다.
Important: 장비를 후진으로 밀거나 견인해야 할 때, 우선 4WD 매니폴드의 체크 밸브를 우회시켜야 합니다.
체크 밸브를 우회할 때 다음 Toro 부품이 필요합니다.
Toro 부품 번호 59-7410, 진단 피팅
Toro 부품 번호 354-79, 진단 피팅 캡
Toro 부품 번호 95-8843, 유압 호스
Toro 부품 번호 95-0985, 커플러 피팅(2)
Toro 부품 번호 340-77, 유압 피팅(2)
후방 트랙션 매니폴드 포트 M8 및 P2 사이에 있는 표식이 없는 포트에 진단 피팅을 설치합니다(그림 38).

후방 트랙션 매니폴드에 설치된 진단 피팅과 역견인 압력 검사 포트 사이에 유압 호스를 연결합니다(그림 39).
Note: 필요 시 유압 피팅과 커플러 피팅을 사용하여 호스를 설치합니다.

우회 밸브를 아무쪽으로나 90°(1/4 바퀴) 돌려 열어 유체가 내부적으로 우회하도록 합니다 (그림 40).
Note: 유체가 변속기를 우회하면 변속기 손상 없이 장비를 천천히 옮길 수 있습니다.밸브를 열고 닫을 때 밸브 위치를 기록하십시오.

장비를 밀거나 견인하는 작업을 완료하면 설치된 유압 호스를 제거합니다.
기존 캡을 역견인 압력 검사 포트에 설치합니다.
매니폴드에 설치한 피팅에 진단 피팅 캡을 설치합니다.
엔진을 시동하기 전에 우회 밸브를 90°(1/4 바퀴) 제자리로 돌립니다.
Note: 밸브를 닫을 때에는 토크가 7~11 N·m을 초과하지 않도록 하십시오.
장비를 전진 방향으로만 밀거나 견인해야 할 때, 우회 밸브를 돌리면 됩니다.
Important: 장비를 후진으로 밀거나 견인해야 할 때는 장비를 후진으로 밀거나 견인할 준비를 참조하십시오.
후드를 열고 중앙 덮개를 제거합니다.
우회 밸브를 아무쪽으로나 90°(1/4 바퀴) 돌려 열어 유체가 내부적으로 우회하도록 합니다 (그림 40).
Note: 유체가 변속기를 우회하면 변속기 손상 없이 장비를 천천히 전진시킬 수 있습니다.밸브를 열고 닫을 때 밸브 위치를 기록하십시오.
엔진을 시동하기 전에 우회 밸브를 90°(1/4 바퀴) 제자리로 돌립니다.
Note: 밸브를 닫을 때에는 토크가 7~11 N·m을 초과하지 않도록 하십시오.
Note: 정상 운전 위치에서 장비의 좌측과 우측을 판단합니다.
운전석을 떠나기 전에 다음을 이행하십시오:
평평한 곳에 장비를 주차합니다.
커팅 유닛(들)을 풀고 부착 장치를 내립니다.
주차 브레이크를 겁니다.
엔진을 끄고 키를 뺍니다(꽂혀 있는 경우).
모든 움직임이 멈출 때까지 기다립니다.
장비를 관리하기 전에 장비 구성 부품을 식히십시오.
가능하다면, 엔진 작동 중에는 장비를 정비하지 마십시오. 움직이는 부품에서 떨어지십시오.
기기 아래에서 작업할 때마다 잭 스탠드로 장비를 받치십시오.
에너지가 축적된 부품의 압력은 조심스럽게 빼십시오.
장비의 모든 부품을 양호한 작동 상태로 관리하고 모든 하드웨어를 조여진 상태로 관리하십시오.
닳거나 손상된 데칼은 모두 교체하십시오.
장비가 안전하게 최적 성능으로 작동하게 하려면, 순정 Toro 교체 부품만 사용하십시오. 다른 제조사에서 만든 교체 부품은 위험할 수 있으며, 그렇게 사용하면 제품 보증이 무효가 될 수 있습니다.
| 유지보수 서비스 간격 | 유지보수 절차 |
|---|---|
| 처음 8시간 후 |
|
| 처음 200시간 후 |
|
| 매번 사용하기 전 또는 매일 |
|
| 매 50시간 |
|
| 매 100시간 |
|
| 매 200시간 |
|
| 매 250시간 |
|
| 매 400시간 |
|
| 매 800시간 |
|
| 매 1,000시간 |
|
| 매 2,000시간 |
|
| 보관하기 전 |
|
이 페이지를 복사하여 사용하십시오.
| 유지보수 점검 항목 | 주 시작 날짜: | ||||||
|---|---|---|---|---|---|---|---|
| 월 | 화 | 수 | 목 | 금 | 토 | 일 | |
| 안전 인터록 작동 상태 점검. | |||||||
| 브레이크 작동 상태 점검. | |||||||
| 엔진 오일량과 연료량 점검. | |||||||
| 냉각 시스템 오일량 점검. | |||||||
| 물/연료 분리기 비움. | |||||||
| 공기 필터 정비 표시기 점검. | |||||||
| 라디에이터, 오일 쿨러, 스크린 등에 붙은 잔해물 점검. | |||||||
| 엔진 소음 이상 점검1 | |||||||
| 엔진 작동 소음 이상 점검 | |||||||
| 유압 시스템 오일량 점검. | |||||||
| 유압 호스 손상 여부 점검 | |||||||
| 오일 누출 점검 | |||||||
| 타이어 압력을 점검합니다. | |||||||
| 기계 작동 점검. | |||||||
| 릴-베드나이프 조정 점검. | |||||||
| 커팅 높이 조정 점검 | |||||||
| 모든 그리스 피팅 윤활.2 | |||||||
| 벗겨진 페인트 복원. | |||||||
| 장비 세척. | |||||||
|
1. 엔진이 시동이 잘 안 걸리거나 지나치게 매연이 나오거나 거칠게 작동하면 예열 플러그와 분사기 노즐을 점검하십시오. |
|||||||
|
2. 표시된 주기와 상관없이 매번 세척 후 즉시 시행. |
|||||||
| 검사자: | ||
| 항목 | 날짜 | 정보 |
| 1 | ||
| 2 | ||
| 3 | ||
| 4 | ||
| 5 | ||
| 6 | ||
| 7 | ||
| 8 | ||
Important: 추가 정비 절차는 엔진 사용 설명서 및 커팅 유닛 사용 설명서를 참조하십시오.
Note: www.Toro.com를 방문하여 홈 페이지의 Manual(설명서) 링크를 이용해 자신의 장비를 검색하여 전기나 유압 도면 무료 사본을 다운로드하십시오.
| 유지보수 서비스 간격 | 유지보수 절차 |
|---|---|
| 매 50시간 |
|
본 장비에는 No.2 리튬계 그리스로 정기적으로 윤활해야 하는 그리스 피팅이 있습니다. 정상적인 환경에서 장비를 운전할 경우에는 매 50시간 작동 후나 매번 세척한 후에 즉시 모든 베어링과 부싱을 윤활하십시오.
그리스 피팅 위치와 개수는 다음과 같습니다:
브레이크 샤프트 피벗 베어링(5개) (그림 41)

후방 차축 피벗 부싱(2개) (그림 42)

스티어링 실린더 볼 조인트(2개) (그림 43)

타이 로드 볼 조인트(2개) (그림 43)
킹핀 부싱(2개) (그림 43). 킹핀 위쪽의 피팅은 일년에 한 번만 윤활해야 합니다(펌프 2개).
리프트 암 부싱(커팅 유닛당 1개)(그림 44)

리프트 실린더 부싱(커팅 유닛당 2개)(그림 44)
리프트 암 피벗 부싱(커팅 유닛당 1개)(그림 45)
커팅 유닛 캐리어 프레임(커팅 유닛당 2개)(그림 45)
커팅 유닛 리프트 피벗(커팅 유닛당 1개)(그림 45)

오일을 점검하거나 크랭크실에 오일을 보충하기 전에는 엔진을 정지하십시오.
엔진 조속기 속도를 변경하거나 엔진 속도를 과도하게 올리지 마십시오.
| 유지보수 서비스 간격 | 유지보수 절차 |
|---|---|
| 매 400시간 |
|
에어 클리너 바디에 공기 누출을 유발할 수 있는 손상이 있는지 점검하십시오. 손상된 경우 교체하십시오. 흡입 시스템 전체에 걸쳐 누출, 손상 또는 느슨한 호스 클램프 유무를 점검하십시오.
에어 클리너 필터는 정비 표시기(그림 46)에서 요구할 때에만 정비하십시오. 필요하기 전에 에어 필터를 교체하면 필터를 제거했을 때 먼지가 엔진에 유입될 기회만 증가됩니다.

Important: 덮개가 제대로 닫혀 있는지 확인하고 에어 클리너 바디를 밀봉합니다.
평평한 곳에 장비를 주차시켜 커팅 유닛을 내리고 주차 브레이크를 걸고 엔진을 멈춘 후 키를 뺍니다.
래치를 바깥쪽으로 당기고 에어 클리너 덮개를 시계 반대 방향으로 돌립니다(그림 47).

에어 클리너 바디에서 덮개를 분리합니다.
필터를 빼기 전에 저압의 공기(275 kPa, 깨끗하고 건조함)로 기본 필터 바깥쪽과 캐니스터 사이에 들어찬 커다란 잔해물 덩어리를 제거합니다. 이물질이 필터를 통해 흡입계로 밀려 들어갈 수 있으니 고압의 공기는 사용하지 마십시오.
이 청소 과정은 기본 필터를 제거했을 때 잔해물이 흡입계로 유입되는 것을 방지합니다.
기본 필터를 제거하고 교체합니다(그림 48).
쓰던 필터 소자는 필터 여과재(filter media)를 손상시킬 수 있기 때문에 권장되지 않습니다. 새 필터의 손상 여부를 살펴보고 필터와 바디가 꼼꼼하게 밀봉되었는지 확인합니다. 손상된 필터 소자는 사용하지 마십시오.
캐니스터에 고정되도록 필터 소자 가장자리를 눌러 새 필터를 삽입합니다. 필터 가운데 부분은 변형될 수 있으므로 압력을 가하지 마십시오.

Important: 안전 필터를 청소하려 들지 마십시오(그림 49). 기본 필터를 3번 교체할 때마다 안전 필터를 새것으로 교체하십시오.

분리 가능한 덮개에 있는 먼지 배출 포트를 청소합니다.
덮개에서 고무 배출 밸브를 분리한 다음 구멍을 청소하고 배출 밸브를 장착합니다.
고무 배출 밸브가 아래쪽으로 향하도록(끝에서 볼 때 약 5시 방향과 7시 방향 사이에 있도록) 덮개를 장착합니다.
표시기(그림 46)가 적색으로 나타나면 표시기를 재설정합니다.
| 유지보수 서비스 간격 | 유지보수 절차 |
|---|---|
| 매번 사용하기 전 또는 매일 |
|
엔진은 크랭크실에 오일이 채워진 상태로 출하됩니다. 하지만, 엔진을 처음 시동하기 전과 후에 반드시 오일량을 확인해야 합니다.
크랭크실 용량은 필터를 포함하여 약 9.5 L입니다.
다음 사양을 충족하는 고품질 엔진 오일을 사용하십시오.
요구되는 API 분류 등급: CH-4, CI-4 또는 그 이상.
권장 오일: SAE 15W-40: -18°C 이상
대체 오일: SAE 10W-30 또는 5W-30(모든 온도에서)
Note: 대리점에서는 점도가 15W-40 또는 10W-30인 Toro 프리미엄 엔진 오일을 판매합니다.
Note: 엔진 오일을 점검하기에 가장 좋은 시간은 일과 시작 전 엔진이 식어 있을 때입니다. 엔진이 이미 작동되었다면 점검하기 최소 10분 전에 오일이 기름통으로 다시 빠져나가도록 하십시오. 오일 레벨이 계량봉의 Add 표시에 있거나 그 밑에 있다면 Full 표시까지 오일을 보충하십시오. 엔진 오일을 과도하게 주입하지 마십시오. 오일 레벨이 Full 표시와 Add 표시 사이에 있으면 오일을 보충할 필요가 없습니다.
평평한 곳에 장비를 주차시켜 커팅 유닛을 내리고 주차 브레이크를 걸고 엔진을 멈춘 후 키를 뺍니다.
후드 래치를 풀어 후드를 엽니다(그림 50).

계량봉을 빼 깨끗하게 닦고 튜브에 집어 넣은 다음 다시 빼냅니다.
오일 레벨은 안전 범위에 있어야 합니다 (그림 51).

오일 레벨이 안전 범위 아래인 경우, 주입구 마개(그림 52)를 열고 레벨이 Full 표시에 도달할 때까지 오일을 보충합니다.
Important: 엔진 오일을 과도하게 주입하지 마십시오.

Note: 다양한 오일을 사용한다면 새 오일을 추가하기 전에 크랭크실에서 기존의 모든 오일을 배출하십시오.
오일 주유 캡을 닫고 계량봉을 집어 넣습니다.
후드를 닫고 래치로 후드를 고정합니다.
엔진의 조속기 레버가 스로틀 케이블이 컨트롤 암의 슬롯 끝에 접촉하는 곳과 같은 지점에서 고속 설정 볼트를 접촉하도록 스로틀 케이블(그림 55)을 조정합니다.

특정 환경에서 연료와 연료 증기는 가연성이 매우 높고 폭발성이 있습니다. 연료로 인한 화재나 폭발은 자신과 타인에게 화상을 입힐 수 있으며 재산상의 피해를 초래할 수도 있습니다.
연료는 실외의 개방된 공간에서 엔진이 꺼지고 식었을 때 주입하십시오. 흘린 연료가 있으면 모두 닦아 내십시오.
연료 탱크를 완전히 가득 채우지 마십시오. 연료 탱크에 연료를 보충할 때는 주입구가 아니라 탱크 상단에서 25 mm 못 미치도록 보충하십시오. 탱크 내의 이 빈 공간은 연료가 팽창하는 데 필요합니다.
연료를 취급할 때 절대 담배를 피워서는 안 되며, 화염이 있는 곳이나 불꽃으로 인해 연료 가스에 불이 붙을 수 있는 곳에서 멀리 떨어지십시오.
연료는 깨끗하고 안전 승인을 받은 용기에 보관하고 마개는 닫아 두십시오.
| 유지보수 서비스 간격 | 유지보수 절차 |
|---|---|
| 매 800시간 |
|
| 보관하기 전 |
|
평평한 곳에 장비를 주차시켜 커팅 유닛을 내리고 주차 브레이크를 걸고 엔진을 멈춘 후 키를 뺍니다.
연료 시스템이 오염되거나 장비를 오랫동안 보관해야 할 경우에는 연료 탱크를 비우고 청소하십시오. 깨끗한 연료를 사용하여 탱크를 씻어 내십시오.
| 유지보수 서비스 간격 | 유지보수 절차 |
|---|---|
| 매 400시간 |
|
평평한 곳에 장비를 주차시켜 커팅 유닛을 내리고 주차 브레이크를 걸고 엔진을 멈춘 후 키를 뺍니다.
연료 공급 라인에 노후화, 손상 또는 느슨하게 연결된 부분이 있는지 점검하십시오.
| 유지보수 서비스 간격 | 유지보수 절차 |
|---|---|
| 매번 사용하기 전 또는 매일 |
|
| 매 400시간 |
|
평평한 곳에 장비를 주차시켜 커팅 유닛을 내리고 주차 브레이크를 걸고 엔진을 멈춘 후 키를 뺍니다.
깨끗한 용기를 연료 필터 밑에 놓습니다.
필터 캐니스터 아래의 드레인 플러그를 풉니다.

필터 캐니스터가 장착된 부분을 청소합니다.
필터 캐니스터를 제거하고 장착 면을 청소합니다.
필터 캐니스터의 개스킷을 깨끗한 오일로 윤활합니다.
개스킷이 장착 면에 닿을 때까지 손으로 필터 캐니스터를 설치한 다음 1/2바퀴 더 돌립니다.
필터 캐니스터 아래의 드레인 플러그를 조입니다.
평평한 곳에 장비를 주차시켜 커팅 유닛을 내리고 주차 브레이크를 걸고 엔진을 멈춘 후 키를 뺍니다.
연료 탱크 안쪽에 있는 연료 흡입 튜브에는 잔해물이 연료 시스템에 유입하는 것을 방지하는 막이 장착되어 있습니다. 연료 흡입 튜브를 분리하고, 필요한 경우 막을 청소하십시오.
장비를 수리하기 전에 배터리 연결을 해제하십시오. 먼저 음극 단자의 연결을 해제한 다음 양극 단자의 연결을 해제합니다. 먼저 양극 단자를 연결한 다음 음극 단자를 마지막으로 연결합니다.
불똥이나 화염이 없으며 통풍이 잘 되는 개방된 곳에서 배터리를 충전하십시오. 충전기를 배터리에 연결하거나 연결 해제하기 전에 충전기 플러그를 뽑으십시오. 보호복을 입고 절연된 도구를 사용하십시오.
평평한 곳에 장비를 주차시켜 커팅 유닛을 내리고 주차 브레이크를 걸고 엔진을 멈춘 후 키를 뺍니다.
래치를 풀고 작업자 제어판을 들어 올립니다(그림 57).

배터리 전해액에 포함된 황산은 치명적인 독극물이며, 심한 화상을 입힐 수 있습니다.
전해액을 마시거나 피부, 눈 또는 옷에 닿지 않도록 하십시오. 보안경과 고무 재질의 장갑을 착용하여 눈과 손을 보호하십시오.
배터리는 피부를 씻을 수 있는 깨끗한 물이 항상 있는 곳에서 충전하십시오.
배터리 포스트에 3~4 암페어의 배터리 충전기를 연결합니다.
3~4 암페어로 4~8시간 동안 배터리를 충전합니다.
배터리가 충전되면 충전기를 전기 콘센트와 배터리 포스트에서 분리합니다.
양극 케이블(적색)은 배터리 양극(+) 단자에, 음극 케이블(흑색)은 배터리 음극(–) 단자에 연결합니다(그림 58).

캡 나사와 너트로 케이블을 포스트에 고정합니다.
양극(+) 단자를 포스트 끝까지 고정하고 케이블을 말끔히 정리합니다. 케이블은 배터리 덮개에 닿지 않아야 합니다.
혹시나 일어날지 모를 단락을 방지하기 위해 양극 단자에 고무 부트(rubber boot)를 씌웁니다.
부식 방지를 위해 Grafo 112X(스킨 오버) 그리스(Toro 부품 번호: 505-47), 바셀린 또는 연성 그리스를 양쪽 배터리 연결부 모두에 바릅니다.
양극 단자에 고무 부트(rubber boot)를 씌웁니다.
제어판을 닫고 래치를 고정합니다.
| 유지보수 서비스 간격 | 유지보수 절차 |
|---|---|
| 매 50시간 |
|
Important: 장비를 용접하기 전에 배터리에서 음극 케이블을 분리하여 전기 시스템의 손상을 방지하십시오.
Note: 배터리 상태는 매주 또는 매 50시간 작동 후에 점검하십시오. 배터리가 더러우면 느리게 방전되므로 단자와 전체 배터리 케이스를 깨끗하게 유지하십시오.
다음과 같이 배터리를 청소하십시오.
평평한 곳에 장비를 주차시켜 커팅 유닛을 내리고 주차 브레이크를 걸고 엔진을 멈춘 후 키를 뺍니다.
장비에서 배터리를 분리합니다.
베이킹소다와 물을 섞은 용액으로 케이스 전체를 닦고 난 다음
깨끗한 물로 케이스를 헹굽니다.
부식 방지를 위해 Grafo 112X(스킨오버) 그리스(Toro 부품 번호: 505-47) 또는 바셀린(petroleum jelly)을 배터리 포스트와 케이블 커넥터에 바르십시오.
| 유지보수 서비스 간격 | 유지보수 절차 |
|---|---|
| 매번 사용하기 전 또는 매일 |
|
타이어는 운송을 위해 과팽창되어 있습니다. 따라서 공기를 약간 빼서 압력을 낮추십시오. 타이어의 올바른 공기압은 83~103 kPa입니다. 타이어 압력을 매일 점검합니다.
Important: 양호한 커팅 품질과 본연의 장비 성능을 위해 모든 타이어의 압력을 권장 수치로 유지하십시오. 타이어의 공기를 과도하게 빼지 마십시오.
| 유지보수 서비스 간격 | 유지보수 절차 |
|---|---|
| 처음 8시간 후 |
|
| 매 200시간 |
|
평평한 곳에 장비를 주차시켜 커팅 유닛을 내리고 주차 브레이크를 걸고 엔진을 멈춘 후 키를 뺍니다.
휠 너트의 토크를 적절히 유지하지 않으면 휠이 고장나거나 손상을 입거나, 작업자가 부상을 입을 수 있습니다.
1~4시간 사용 후에 115~136 N·m의 토크로 전방 및 후방 휠 너트를 조이고 8시간 사용 후 다시 조여야 합니다. 그 다음부터는 200시간마다 휠 너트를 조여야 합니다.
Note: 전방 휠 너트는 1/2–20 UNF입니다. 후방 휠 너트는 M12 x 1.6-6H(미터법)입니다.
| 유지보수 서비스 간격 | 유지보수 절차 |
|---|---|
| 매 400시간 |
|
유성 드라이브/드라이브의 끝에 유격이 없어야 합니다(즉, 차축에 평행하게 밀거나 당기면 휠이 움직이지 않아야 합니다).
수평면에 장비를 주차하고 주차 브레이크를 걸고 커팅 유닛을 내리고 엔진을 끄고 키를 뺍니다.
후방 휠을 괴고 장비 전방을 올리고, 잭 스탠드로 전방 차축/프레임을 지지합니다.
잭에 걸린 장비는 불안정하며 잭에서 미끄러지면 아래에 있는 사람이 부상당할 수 있습니다.
장비가 잭에 걸려 있을 때 엔진을 시동하지 마십시오.
항상 장비를 떠나기 전에 스위치에서 키를 빼십시오.
잭으로 장비를 올릴 때 타이어를 블록으로 받칩니다.
잭 스탠드로 장비를 지지합니다.
전방 구동 휠 중 한 개를 잡고 장비 방향으로 앞뒤로 밀고 당겨서 움직이는지 확인합니다.

다른 구동 휠에 대해 3 단계를 반복합니다.
휠이 움직이면 Toro 지정 판매 대리점에 연락하여 유성 드라이브를 다시 구축하십시오.
| 유지보수 서비스 간격 | 유지보수 절차 |
|---|---|
| 매 400시간 |
|
오일 규격: 고품질 SAE 85W-140 기어 오일
장비를 평평한 곳에 주차한 다음 주입 플러그는 12시 방향에, 체크 플러그는 3시 방향에, 배출 플러그는 6시 방향에 오도록 휠을 조정합니다 (그림 63).

3시 방향의 체크 플러그를 제거합니다(그림 63).
오일 레벨이 체크 플러그 구멍 하단이어야 합니다.

오일 레벨이 낮으면 12시 방향의 주입 플러그를 제거하고 3시 방향의 구멍에서 오일이 흘러나올 때까지 오일을 보충합니다.
플러그의 O-링이 마모되거나 손상되지 않았는지 점검하십시오.
Note: 필요한 경우 O-링을 교체하십시오.
플러그를 설치합니다.
장비의 반대쪽 유성 기어 어셈블리에서 1에서 5 단계까지 반복합니다.
| 유지보수 서비스 간격 | 유지보수 절차 |
|---|---|
| 처음 200시간 후 |
|
| 매 800시간 |
|
오일 규격: 고품질 SAE 85W-140 기어 오일
유성 및 브레이크 하우징 윤활 용량: 0.65 L
장비를 평평한 곳에 주차한 다음 주입 플러그는 12시 방향에, 체크 플러그는 3시 방향에, 배출 플러그는 6시 방향에 오도록 휠을 조정합니다. 유성 기어 드라이브 오일 점검의 그림 63을 참조하십시오.
12시 방향의 주입 플러그 및 3시 방향의 체크 플러그를 제거합니다(그림 65).

드레인 팬을 유성 허브 아래에 놓은 다음 6시 방향의 배출 플러그를 분리하여 오일이 완전히 배출되게 합니다(그림 65).
주입, 체크 및 배출 플러그의 O-링이 마모되거나 손상되지 않았는지 점검하십시오.
Note: 필요한 경우 O-링을 교체하십시오.
유성 하우징의 배출 구멍에 배출 플러그를 설치합니다(그림 65).
드레인 팬을 브레이크 하우징 아래에 놓은 다음 드레인 플러그를 분리하여 오일이 완전히 배출되게 합니다(그림 66).

플러그의 O-링이 마모되거나 손상되지 않았는지 점검하고 배출 플러그를 브레이크 하우징에 설치합니다.
Note: 필요한 경우 O-링을 교체하십시오.
주입 플러그 구멍을 통해 유성 기어에 고품질 SAE 85W-140 wt 기어 오일 0.65 L를 서서히 채웁니다.
Important: 0.65 L의 오일을 보충하기 전에 유성 기어가 가득 차면 한 시간을 기다리거나 플러그를 설치하고 장비를 약 3 m 옮겨 오일이 브레이크 시스템으로 분산되도록 하십시오. 그런 다음 플러그를 제거하고 남은 오일을 보충합니다.

주입 플러그 및 체크 플러그를 설치합니다.
유성 기어 및 브레이크 하우징을 깨끗하게 닦아냅니다(그림 68).

장비의 반대쪽에서 유성 기어/브레이크 어셈블리에 대해 유성 기어 드라이브 배출에 설명된 1에서 7 단계까지, 이 절차의 1에서 3 단계까지 반복합니다.
| 유지보수 서비스 간격 | 유지보수 절차 |
|---|---|
| 매번 사용하기 전 또는 매일 |
|
| 매 400시간 |
|
후방 차축은 SAE 85W-140 기어 오일이 채워진 채로 출하됩니다. 용량은 2.4 L입니다.
| 유지보수 서비스 간격 | 유지보수 절차 |
|---|---|
| 처음 200시간 후 |
|
| 매 800시간 |
|
평평한 곳에 장비를 주차시켜 커팅 유닛을 내리고 주차 브레이크를 걸고 엔진을 멈춘 후 키를 뺍니다.
양쪽 끝에 1개씩 있고 중앙에 1개가 있는 총 3개의 드레인 플러그 주변을 깨끗이 닦습니다(그림 70).

오일이 쉽게 배출되도록 오일 레벨 체크 플러그와 주 차축 통풍 캡을 분리합니다.
드레인 플러그를 제거하여 오일을 팬으로 흘려 보냅니다.
플러그를 설치합니다.
체크 플러그를 분리하고 차축에 85W-140 기어 오일를 약 2.37 L, 혹은 구멍 하단까지 오도록 채웁니다.
체크 플러그를 설치합니다.
| 유지보수 서비스 간격 | 유지보수 절차 |
|---|---|
| 매번 사용하기 전 또는 매일 |
|
| 매 400시간 |
|
기어 박스에는 SAE 85W-140 기어 오일이 채워져 있습니다. 용량은 0.5 L입니다.
평평한 곳에 장비를 주차시켜 커팅 유닛을 내리고 주차 브레이크를 걸고 엔진을 멈춘 후 키를 뺍니다.
기어 박스의 왼쪽에서 체크/주입 플러그를 분리하고(그림 71) 오일이 구멍 하단까지 차 있는지 확인합니다. 레벨이 낮으면 레벨이 구멍 아래까지 오도록 충분한 양의 오일을 보충합니다.

이 장비는 트랙션 페달에서 발을 떼었을 때 자동 전진 현상이 일어나서는 안 됩니다. 자동으로 느리게 움직이는 경우에는 조정 작업을 수행해야 합니다.
평평한 곳에 장비를 주차하고 엔진을 멈춘 다음 속도 제어를 낮은 범위로 놓고, 커팅 유닛을 아래로 내립니다.
오른쪽 브레이크 페달만 밟고 주차 브레이크를 체결합니다.
왼쪽 앞타이어가 정비소 바닥에서 떨어질 때까지 잭으로 장비 왼쪽을 들어 올립니다. 잭 스탠드로 장비를 받쳐 뜻하지 않게 장비가 떨어지지 않게 합니다.
엔진을 시동하고 저속으로 공회전 시킵니다.
펌프 로드 엔드의 잼 너트를 조정하여 펌프 제어 튜브를 앞으로 옮겨 자동 전진 현상을 없애거나 뒤로 옮겨 자동 후진 현상을 없앱니다(그림 72).

바퀴 회전이 멈추고 나면 잼 너트를 조여 조정치를 고정합니다.
엔진을 멈추고 오른쪽 브레이크를 해제합니다.
잭 스탠드를 제거하여 장비를 정비소 바닥에 내려놓습니다.
장비를 시험 운전하여 혼자서 굴러가는 현상이 일어나지 않는지 확인합니다.
| 유지보수 서비스 간격 | 유지보수 절차 |
|---|---|
| 매 800시간 |
|
평평한 곳에 장비를 주차시켜 커팅 유닛을 내리고 주차 브레이크를 걸고 엔진을 멈춘 후 키를 뺍니다.
차축 높이를 기준으로 조향 타이어의 앞쪽과 뒤쪽에서 중심부터 중심까지의 거리를 측정합니다.
Note: 앞쪽 수치가 뒤쪽 수치보다 3 mm 적어야 합니다(그림 73).

토인을 조정하려면 어느 한 쪽 타이 로드 볼 조인트에서 코터 핀과 너트를 뺍니다(그림 74).

차축 케이스 지지대에서 타이 로드 볼 조인트를 뺍니다.
타이 로드 양쪽 끝의 클램프를 풉니다(그림 74).
분리한 볼 조인트를 안쪽 또는 바깥쪽으로 완전히 한 바퀴 돌립니다.
타이 로드 엔드의 느슨한 쪽 클램프를 조입니다.
타이 로드 어셈블리 전체를 같은 방향(안쪽 또는 바깥쪽)으로 완전히 한 바퀴 돌립니다.
타이 로드 엔드의 연결된 쪽 클램프를 조입니다.
차축 케이스 지지대에 볼 조인트를 설치하고 너트를 손가락으로 단단히 조입니다.
토우 인을 측정합니다.
필요하다면 이 과정을 반복합니다.
조정이 제대로 되었으면 너트를 조이고 새 코터 핀을 설치합니다.
엔진 냉각수를 삼키면 중독될 수 있으므로, 아이들과 애완 동물의 손이 닿지 않게 하십시오.
압력이 가해진 뜨거운 냉각수가 방출되거나 뜨거운 라디에이터 및 주변 부품을 건드리면 심한 화상을 입을 수 있습니다.
엔진을 끈 후 15분 이상 냉각시킨 다음에 라디에이터 캡을 여십시오.
라디에이터 캡을 열 때에는 천 조각을 사용하고 증기가 빠져나가도록 천천히 캡을 여십시오.
| 유지보수 서비스 간격 | 유지보수 절차 |
|---|---|
| 매번 사용하기 전 또는 매일 |
|
매일 장비를 작동하기 전에 냉각수 레벨을 확인하십시오. 시스템 용량은 12.3 L입니다.
라디에이터 캡을 주의해서 분리합니다.
엔진이 작동 중이었다면 가압된 뜨거운 냉각수가 분출하여 화상을 입을 수 있습니다.
엔진이 작동 중일 때에는 라디에이터 캡을 열지 마십시오.
라디에이터 캡을 열 때에는 천 조각을 사용하고 증기가 빠져나가도록 천천히 캡을 여십시오.

라디에이터의 냉각수 레벨을 확인합니다.
Note: 라디에이터는 주입구 상단까지, 확장 탱크는 Full 표시까지 냉각수가 채워져 있어야 합니다(그림 75).
냉각수가 낮으면 물과 에틸렌 글리콜 부동액을 50대 50으로 섞은 냉각수를 추가합니다.
Note: 냉각 시스템에 물 또는 알코올/메탄올 기반 냉각수만을 사용하지 마십시오.
라디에이터 캡과 확장 탱크 캡을 장착합니다.
| 유지보수 서비스 간격 | 유지보수 절차 |
|---|---|
| 매번 사용하기 전 또는 매일 |
|
엔진 부위, 오일 쿨러와 라디에이터에 붙은 잔해물은 매일 치우십시오. 더러운 작업 환경에서는 좀 더 자주 청소하십시오.
평평한 곳에 장비를 주차시켜 커팅 유닛을 내리고 주차 브레이크를 걸고 엔진을 멈춘 후 키를 뺍니다.
래치를 풀고 후방 스크린을 흔들어서 엽니다(그림 76).

스크린에서 모든 잔해물을 말끔히 제거합니다.
Note: 스크린을 제거하려면 힌지 핀을 들어 올립니다.
압축 공기로 오일 쿨러/라디에이터 영역(그림 77)의 양쪽을 말끔히 청소합니다. 라디에이터의 전방에서부터 시작하여 잔해물을 뒤쪽으로 날려 보냅니다. 그런 다음 후방측에서 청소하여 전방으로 날려 보냅니다. 잡풀과 찌꺼기가 전부 제거될 때까지 이 절차를 여러 차례 반복하십시오.

Important: 오일 쿨러/라디에이터를 물로 청소하면 구성품의 조기 부식 손상이 촉진되며 잔해물이 눌립니다.
후방 스크린을 닫고 래치로 고정합니다.
브레이크 페달의 자유 이동 거리가 13 mm 이상이거나 브레이크가 제대로 작동하지 않으면 주 브레이크를 조정하십시오. 자유 이동이란 브레이크 페달을 밟고 나서 브레이크의 저항을 느낄 때까지의 거리입니다.
평평한 곳에 장비를 주차시켜 커팅 유닛을 내리고 주차 브레이크를 걸고 엔진을 멈춘 후 키를 뺍니다.
브레이크 페달의 잠금 래치를 풀어 양쪽 페달이 독립적으로 작동되게 합니다.
브레이크 페달의 자유 이동 거리를 줄이려면 다음과 같이 브래킷을 고정합니다.
브레이크 케이블의 나사산 끝에 있는 전방 너트를 풉니다(그림 78).

후방 너트를 조여 브레이크 페달의 자유 이동 거리가 0~13 mm가 될 때까지 케이블을 뒤로 이동시킵니다.
Note: 페달을 놓으면 브레이크 장력이 없는지 확인하십시오.
브레이크가 올바르게 조정된 후 앞너트를 조입니다.
| 유지보수 서비스 간격 | 유지보수 절차 |
|---|---|
| 매 100시간 |
|
장력이 적당하면 두 풀리 중간쯤에 있는 벨트에 45 N의 힘을 가했을 때 10 mm의 휨이 발생합니다.
10 mm 휘지 않을 경우 교류 발전기 장착 볼트를 풉니다(그림 79).

교류 발전기 벨트 장력을 높이거나 낮춘 다음 볼트를 조이십시오.
벨트의 휨량을 다시 점검하여 장력이 적당한지 확인합니다.
유압 오일이 피부에 침투하면 즉시 의학적 치료를 받으십시오. 주입된 오일은 몇 시간 내에 의사가 수술 방식으로 제거해야 합니다.
모든 유압 오일 호스 및 라인의 상태가 양호하고 모든 유압 연결부 및 피팅이 단단히 조여 있는지 확인한 후에 유압 시스템에 압력을 가하십시오.
고압의 유압 오일이 분출되는 핀 홀 구멍이나 노즐 근처에 손이나 신체를 두지 마십시오.
유압 오일 누출 지점은 판지나 종이를 사용하여 찾으십시오.
유압 시스템에 어떤 작업이라도 수행하기 전에 유압 시스템의 모든 압력을 배출하십시오.
| 유지보수 서비스 간격 | 유지보수 절차 |
|---|---|
| 매번 사용하기 전 또는 매일 |
|
유압 라인과 호스의 누출, 꼬인 라인, 느슨한 장착 지지대, 마모, 느슨한 부품, 기상 악화 및 화학적 노화 여부를 점검하십시오. 작동 전에 필요한 모든 수리를 시행하십시오.
| 유지보수 서비스 간격 | 유지보수 절차 |
|---|---|
| 매번 사용하기 전 또는 매일 |
|
출고시 유압 오일통은 고품질 유압 오일로 채워져 있습니다. 엔진을 처음 시동하기 전, 그리고 그 후에는 매일 유압 오일량을 점검합니다.
평평한 곳에 장비를 주차시켜 커팅 유닛을 내리고 주차 브레이크를 걸고 엔진을 멈춘 후 키를 뺍니다.
주입구와 유압 탱크 마개(그림 80) 주위를 닦습니다.

주입구의 캡을 엽니다.
주입구에서 계량봉을 꺼내 깨끗한 천으로 닦아 냅니다.
계량봉을 주입구에 삽입한 다음 다시 빼어 유압유 레벨을 확인합니다.
유압 오일 레벨이 계량봉에 있는 마크 2개 이내에 있어야 합니다.
유압 오일 레벨이 낮을 경우에는 상단 표시까지 적절한 유압 오일을 보충합니다.
계량봉을 삽입하고 주입구의 마개를 닫습니다.
출고시 유압 오일통은 고품질 유압 오일로 채워져 있습니다. 엔진을 처음 시동하기 전, 그리고 그 후에는 매일 유압 오일량을 점검합니다. 유압 오일 레벨 확인를 참조하십시오.
권장 유압 오일: Toro PX 연장 수명 유압 오일. 19 L들이 통이나 208 L들이 드럼으로 구입할 수 있습니다.
Note: 권장 교체 오일을 사용하는 장비는 오일과 필터를 교체해야 하는 빈도가 적습니다.
대체 유압 오일: Toro PX 연장 수명 유압 오일을 구할 수 없는 경우, 다음 모든 물질 속성에 대해 명시된 범위 내이며 산업 표준을 충족하는 규격의 기존에 사용하던 다른 석유계 유압 오일을 사용할 수 있습니다. 합성유는 사용하지 마십시오. 적절한 제품을 알아보려면 오일 판매 대리점에 문의하십시오.
Note: Toro는 부적절한 대체 제품으로 인해 발생하는 손상에 대해 책임지지 않습니다. 따라서 권장 제품을 보증하는 유명 제조사의 제품만 사용하십시오.
| 물질 속성: | ||
| 점도, ASTM D445 | cSt @ 40°C 44~48 | |
| 점도 지수 ASTM D2270 | 140 이상 | |
| 유동점, ASTM D97 | -37°C ~ -45°C | |
| 업계 표준: | Eaton Vickers 694(I-286-S, M-2950-S/35VQ25 또는 M-2952-S) | |
Note: 많은 유압 오일이 거의 무색이어서 누출 여부를 알기 어렵습니다. 유압 오일용 붉은색 첨가제는 20 ml들이 병으로 판매됩니다. 한 병이면 유압 오일 15~22 L에 충분히 사용할 수 있습니다. Toro 공식 판매 대리점에서 부품 번호가 44-2500인 부품을 주문하십시오.
Important: Toro 프리미엄 합성 생분해성 유압 오일은 Toro에서 승인한 유일한 합성 생분해성 오일입니다. 이 유압 오일은 Toro 유압 시스템에 사용되는 엘라스토머와 호환이 가능하며, 다양한 온도 조건에 적합합니다. 이 유압 오일은 기존의 광유와도 호환이 가능하지만, 최고의 생분해성과 성능을 내기 위해서는 유압 시스템에서 기존 오일을 완전히 씻어내야 합니다. 이 오일은 Toro 지정 판매 대리점에서 19 L들이 통이나 208 L들이 드럼으로 구입하실 수 있습니다.
28.4 L. 유압 오일 규격를 참조하십시오
| 유지보수 서비스 간격 | 유지보수 절차 |
|---|---|
| 매 800시간 |
|
| 매 2,000시간 |
|
오일이 오염되었다면 시스템을 세척해야 하므로 현지 Toro 지정 판매 대리점에 문의하십시오. 오염된 오일은 깨끗한 오일에 비해 우윳빛이나 검게 보입니다.
평평한 곳에 장비를 주차시켜 커팅 유닛을 내리고 주차 브레이크를 걸고 엔진을 멈춘 후 키를 뺍니다.
후드를 올립니다.
오일통 하단에서 케이스 반환 라인을 분리하여 유압 오일이 대형 드레인 팬으로 흐르게 합니다.
유압 오일의 배출이 멈추면 라인을 연결합니다.
유압 오일로 오일통을 채웁니다. 유압 오일 규격 및 유압 오일 용량를 참조하십시오.
Important: 지정된 유압 오일만 사용하십시오. 다른 유압 오일을 사용하면 시스템이 손상될 수 있습니다.
저장통 마개를 닫습니다.
엔진을 시동하고 모든 유압 제어 장치를 사용하여 유압 오일이 시스템 구석구석까지 퍼지게 합니다.
누출을 점검하고 엔진을 정지합니다.
유압 오일 레벨을 확인하고 계량봉의 Full 표시까지 차도록 충분한 양의 유압 오일을 보충합니다.
Note: 유압 시스템에 과도하게 채우지 마십시오.
| 유지보수 서비스 간격 | 유지보수 절차 |
|---|---|
| 매 800시간 |
|
| 매 1,000시간 |
|
장비의 후방(커팅 유닛)에 대해 Toro 교체 필터 부품 번호 94-2621, 장비의 전방(충전)에 대해 부품 번호 75-1310을 사용하십시오.
Important: 지정된 유형이 아닌 필터를 사용할 경우 일부 구성 요소에 대한 보증이 무효가 됩니다.
마모되거나 손상된 블레이드나 베드 나이프는 깨질 수 있으며, 블레이드 조각이 운전자나 주변에 있는 사람에게로 날아가 중상 또는 사망을 유발할 수 있습니다.
커팅 유닛이 과다하게 마모되거나 손상되었는지 주기적으로 점검하십시오.
커팅 유닛을 점검할 때에는 주의하십시오. 릴과 베드나이프를 정비할 때에는 블레이드를 무언가로 감거나 장갑을 착용하고 주의를 기울여야 합니다. 릴 및 베드 나이프은 교체하거나 연삭만 하십시오. 절대 펴거나 용접하지 마십시오.
커팅 유닛이 여러 개인 장비에서는 한 릴이 회전하면 다른 실린더/릴도 같이 회전하게 되므로 주의하십시오.
릴이나 움직이는 다른 부품에 닿으면 부상을 입을 수 있습니다.
손가락, 손 및 옷이 릴이나 기타 움직이는 부품에 닿지 않게 하십시오.
엔진 작동 중에 절대로 릴을 손이나 발로 돌리려 하지 마십시오.
Note: 백래핑 시에는 전방 유닛이 모두 함께 작동된 다음에 후방 유닛이 같이 작동됩니다.
평평한 곳에 장비를 주차시켜 커팅 유닛을 내리고 주차 브레이크를 걸고 엔진을 멈춘 후 PTO 스위치를 OFF(꺼짐) 위치로 이동합니다.
후드의 잠금을 풀고 들어 올려 제어 장치를 드러냅니다.
최초의 릴-베드나이프 조정은 백래핑해야 할 모든 커팅 유닛에서 백래핑을 하기에 적절해야 합니다. 커팅 유닛 사용 설명서를 참조하십시오.
전방, 후방 또는 두 백랩 레버 모두를 선택하여 백랩할 유닛을 결정합니다(그림 83).
엔진을 시동하여 저속으로 공회전시킵니다.
백래핑 도중에 엔진 속도를 변경하면 릴이 멈출 수 있습니다.
백래핑 도중에는 엔진 속도를 변경하지 마십시오.
낮은 엔진 공회전 속도에서만 백랩하십시오.
커팅 유닛에 닿으면 개인 상해로 이어질 수 있습니다.
작업을 진행하기 전에 커팅 유닛에서 떨어지십시오.
예초 속도 제한기를 MOW(예초) 위치에 놓고 PTO 스위치를 ON(켜짐) 위치로 옮깁니다.
리프트 스위치를 눌러 지정된 릴에 대한 백래핑 작업을 시작합니다.
손잡이가 긴 브러시로 래핑 컴파운드를 칠합니다.
Note: 손잡이가 짧은 브러시는 사용하지 마십시오.

백래핑 중에 릴이 멈추거나 속도가 일정하지 않으면 릴이 안전화될 때까지 스로틀 속도를 증가합니다.
백래핑 중에 커팅 유닛을 조정하려면 리프트 스위치 후방을 눌러 릴을 끄고, PTO 스위치를 OFF(꺼짐) 위치로 옮겨 엔진을 멈춥니다. 조정을 마친 다음에는 5~9 단계를 반복합니다.
백래핑하려는 모든 커팅 유닛에 대해 이 절차를 반복합니다.
작업을 마치면 백랩 레버를 MOW(예초) 위치로 되돌리고 후드를 내린 후 커팅 유닛에 묻은 모든 래핑 컴파운드를 닦아 냅니다. 필요에 따라 커팅 유닛의 릴-베드나이프 간격을 조정합니다. 커팅 유닛 릴 속도 제어 장치를 원하는 예초 위치로 옮깁니다.
Important: 백래핑 후 백랩 스위치를 OFF(꺼짐) 위치로 되돌리지 않으면 커팅 유닛이 올라가지 않거나 제대로 작동하지 않게 됩니다.
Note: 백래핑에 대한 추가 설명 및 절차는 Toro 연삭 릴 및 로터리 모어 설명서 양식 번호 80-300SL에서 확인할 수 있습니다.
Note: 연마 작업 후에 베드나이프의 앞면을 줄로 다듬어 절단면을 좀 더 매끄럽게 하십시오. 이렇게 하면 절단면에 생길 수 있는 거친 부분이나 울퉁불퉁한 부분이 제거됩니다.
물만 사용하거나 중성 세제를 사용하여 필요에 따라 장비를 세척하십시오. 장비를 세척할 때 천 조각을 사용할 수도 있습니다.
Important: 소금기가 있는 물이나 재생된 물을 사용하여 장비를 청소하지 마십시오.
Important: 압력 세척 장비를 사용하여 장비를 세척하지 마십시오. 압력 세척 장비는 전기 시스템을 손상 시키거나 중요한 데칼이 느슨해지게 하거나 꼭 필요한 그리스를 마찰 지점에서 씻어낼 수 있습니다. 제어판, 엔진, 배터리 등의 근처에서는 물을 과도하게 사용하지 마십시오.
Important: 엔진 작동 중에 장비를 세척하지 마십시오. 엔진 작동 중에 장비를 세척하면 엔진 내부가 손상될 수 있습니다.
엔진을 끄고 키를 뺀 다음(꽂혀 있는 경우) 모든 움직임이 멈출 때까지 기다려 운전석에서 내리십시오. 장비가 식은 후에 장비를 조정, 정비, 청소 또는 보관하십시오.
온수기나 기타 기구 등 노출된 화염, 불꽃, 점화용 불씨 등이 있는 곳에는 장비나 연료통을 보관하지 마십시오.
평평한 곳에 장비를 주차시켜 커팅 유닛을 내리고 주차 브레이크를 걸고 엔진을 멈춘 후 키를 뺍니다.
트랙션 유닛, 커팅 유닛 및 엔진을 철저하게 청소합니다.
타이어 압력을 점검합니다. 타이어 압력 점검 참조.
모든 조임부의 느슨함 여부를 점검하고 필요에 따라 조입니다.
모든 그리스 피팅과 피벗 지점에 그리스나 오일을 바릅니다. 과도한 윤활제는 닦아 냅니다.
긁히거나 벗겨지거나 녹슨 페인트칠 부분을 사포로 가볍게 문지른 다음 수정 페인트를 칠합니다. 금속 바디에 파인 곳이 있으면 수리합니다.
배터리와 케이블을 다음과 같이 정비합니다. 전기 시스템 안전성ID000-448-328를 참조하십시오:
배터리 포스트에서 배터리 단자를 제거합니다.
와이어 브러시와 베이킹 소다 용액으로 배터리, 단자 및 포스트를 청소합니다.
부식 방지를 위해 Grafo 112X 스킨오버 그리스(Toro 부품 번호: 505-47) 또는 바셀린을 케이블 단자와 배터리 포스트에 바릅니다.
60일마다 24시간 동안 배터리를 서서히 충전하여 배터리의 납 황산화를 방지합니다.
오일 팬의 엔진 오일을 배출하고 드레인 플러그를 장착합니다.
오일 필터를 제거하여 폐기합니다. 새 오일 필터를 설치합니다.
엔진에 지정된 모터 오일을 채웁니다.
엔진을 시동하고 약 2분간 공회전시킵니다.
엔진을 끄고 키를 뺍니다.
신선하고 깨끗한 연료로 연료 탱크를 씻어냅니다.
모든 연료 시스템 피팅을 고정합니다.
에어 클리너 어셈블리를 철저하게 청소하고 정비합니다.
내후성 테이프를 사용하여 에어 클리너 흡입구와 배기구를 밀봉합니다.
부동액을 점검하고 필요하면 해당 지역에서 예상되는 최저 온도에 맞추어 물과 에틸렌 글리콜 부동액을 50대 50으로 섞은 용액을 첨가합니다.