维护
推荐使用的维护计划
| 维护间隔时间 | 维护程序 |
|---|---|
| 初次使用250小时后 |
|
清洁
小心
如果将钥匙留在 (开启/关闭)开关上,可能会有人无意中启动发动机,对您或其他旁观者造成严重伤害。
执行任何维护前,请拔下点火开关的钥匙。
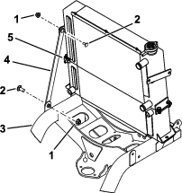
清洁驾驶室
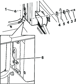
Important: 小心驾驶室的密封件(图 31)。如果您正在使用高压清洗机,保持清洗杆至少距离机器 0.6m。不要用高压清洗机直接冲洗驾驶室的密封件、玻璃密封件和后悬下方。

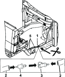
清洁空气滤清器
| 维护间隔时间 | 维护程序 |
|---|---|
| 初次使用250小时后 |
|
-
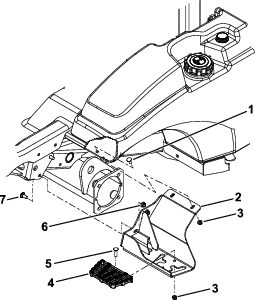
拆下驾驶室后空气滤清器的手拧螺丝和格栅(图 32)。

-
向滤清器吹入干净、无油的压缩空气,清洁滤清器。
Important: 更换任何受损的滤芯。
-
安装滤清器和格栅,用手拧螺丝固定。



































