Entretien
Programme d'entretien recommandé
| Périodicité d'entretien | Procédure d'entretien |
|---|---|
| Après les 2 premières heures de fonctionnement |
|
| Après les 10 premières heures de fonctionnement |
|
| Après les 50 premières heures de fonctionnement |
|
| À chaque utilisation ou une fois par jour |
|
| Après chaque utilisation |
|
| Toutes les 50 heures |
|
| Toutes les 150 heures |
|
| Toutes les 400 heures |
|
Liste de contrôle pour l'entretien journalier
Copiez cette page pour pouvoir vous en servir régulièrement.
| Entretiens à effectuer | Pour la semaine du : | ||||||
|---|---|---|---|---|---|---|---|
| Lun. | Mar. | Mer. | Jeu. | Ven. | Sam. | Dim. | |
| Contrôle du déflecteur d'herbe en position abaissée (le cas échéant) | |||||||
| Contrôle de la pression des pneus | |||||||
| Contrôle de l'état des lames | |||||||
| Lubrifiez tous les graisseurs1 | |||||||
| Retouchez les peintures endommagées | |||||||
|
1. Immédiatement après chaque lavage, quelle que soit la fréquence d'entretien indiquée. |
|||||||
| Notes concernant les problèmes constatés | ||
| Contrôle effectué par : | ||
| Point contrôlé | Date | Information |
Prudence
Si vous laissez la clé dans le commutateur d'allumage, quelqu'un pourrait mettre le moteur en marche accidentellement et vous blesser gravement, ainsi que toute personne à proximité.
Avant tout entretien, retirez la clé de contact du commutateur d'allumage.
Attention
Si vous soulevez la machine uniquement avec un cric pour la soutenir pendant que vous travaillez sous le plateau de coupe, le cric peut tomber, entraîner la machine dans sa chute et vous écraser ou écraser toute personne à proximité.
Supportez toujours la machine sur deux chandelles quand le plateau de coupe est levé.
Graissage
| Périodicité d'entretien | Procédure d'entretien |
|---|---|
| À chaque utilisation ou une fois par jour |
|
| Toutes les 50 heures |
|
Les graisseurs de la machine doivent être lubrifiés régulièrement avec de la graisse au lithium nº 2.
Lubrifiez aux endroits suivants :
-
Bagues d'axe de fourche de roue pivotante (4) (Figure 15)

-
Biellettes de plateau (5) (Figure 16)

-
Pivots de bras de renvoi (4) (Figure 17)

-
Charnières de plateaux latéraux (10) (Figure 18)

-
Pivot de bras pivotant repliable (1) (Figure 19)

-
Arbre d'entraînement de PDF (2) (Figure 20)

-
Roulements d'axe de pivot (5) (Figure 21)

Contrôle du niveau et vidange du lubrifiant du boîtier d'engrenages du plateau de coupe
Le boîtier d'engrenages est conçu pour fonctionner avec de l'huile pour engrenages SAE 80W-90. Le boîtier d'engrenages est rempli de lubrifiant à l'usine. Vérifiez toutefois le niveau de liquide avant d'utiliser l'unité de coupe pour la première fois.
Contrôle du lubrifiant du boîtier d'engrenages de plateau de coupe
| Périodicité d'entretien | Procédure d'entretien |
|---|---|
| Toutes les 150 heures |
|
-
Garez la machine sur un sol plat et horizontal.
-
Abaissez le plateau de coupe à la hauteur de coupe de 2,5 cm.
-
Désengagez la PDF, relâchez la pédale de déplacement et serrez le frein de stationnement.
-
Placez la commande d'accélérateur en position de BAS RéGIME, coupez le moteur, enlevez la clé et attendez l'arrêt complet de toutes les pièces mobiles avant de quitter le siège.
-
Soulevez le repose-pieds pour exposer le haut du plateau de coupe.
-
Retirez le bouchon de remplissage-jauge au sommet du boîtier d'engrenages (Figure 22) et vérifiez que le niveau de lubrifiant se situe entre les repères sur la jauge.

-
Si le niveau de lubrifiant est bas, ajoutez suffisamment de lubrifiant pour faire monter le niveau entre les repères de la jauge.
Important: Ne remplissez pas excessivement le boîtier d'engrenages et utilisez le plateau de coupe, sous peine d'endommager le boîtier d'engrenages.
Vidange du lubrifiant du boîtier d'engrenages de plateau de coupe
| Périodicité d'entretien | Procédure d'entretien |
|---|---|
| Après les 50 premières heures de fonctionnement |
|
| Toutes les 400 heures |
|
-
Garez la machine et le plateau de coupe sur une surface plane et horizontale.
-
Abaissez le plateau de coupe à la hauteur de coupe de 2,5 cm.
-
Désengagez la PDF, relâchez la pédale de déplacement et serrez le frein de stationnement.
-
Placez la commande d'accélérateur en position de BAS RéGIME, coupez le moteur, enlevez la clé et attendez l'arrêt complet de toutes les pièces mobiles avant de quitter le siège.
-
Soulevez le repose-pieds pour exposer le haut du plateau de coupe.
-
Retirez la jauge-bouchon de remplissage au sommet du boîtier d'engrenages (Figure 22).
-
Placez un bac de vidange sous le bouchon de vidange situé sous l'avant du boîtier d'engrenages, puis enlevez le bouchon et vidangez le lubrifiant dans le bac.
-
Remettez le bouchon de vidange en place.
-
Ajoutez une quantité suffisante de lubrifiant (environ 414 ml) pour faire monter le niveau entre les repères de la jauge.
Important: Ne remplissez pas excessivement le boîtier d'engrenages et utilisez le plateau de coupe, sous peine d'endommager le boîtier d'engrenages.
Entretien des courroies
| Périodicité d'entretien | Procédure d'entretien |
|---|---|
| Toutes les 50 heures |
|
Les courroies sont tendues par les poulies de tension à ressort et sont très durables. Elles commencent toutefois à s'user après de longues heures d'utilisation. La courroie peut montrer les signes d'usure suivants : grincement pendant la rotation, glissement des lames pendant la coupe, bords effilochés, traces de brûlures et fissures. Remplacez la courroie si elle présente ce genre de problèmes.
-
Abaissez l'unité de coupe au sol. Déposez les couvercles de courroie en haut de l'unité de coupe et mettez-les de côté.
-
À l'aide d'une clé à douille insérée dans les trous du bras de la poulie de tension, éloignez la poulie de tension de la courroie d'entraînement pour détendre cette dernière et pouvoir ainsi la déchausser de la poulie (Figure 23).

-
Déchaussez la courroie usagée des poulies et de la poulie de tension.
-
Acheminez la courroie neuve autour des poulies et de la poulie de tension, comme indiqué à la Figure 24.
-
Reposez les couvercles de courroies.

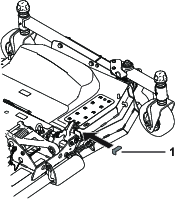
Entretien des bagues des bras pivotants
Les bras pivotants sont munis de bagues enfoncées à la presse en haut et en bas du tube. Les bagues s'usent après de nombreuses heures d'utilisation. Pour vérifier l'état des bagues, bougez la fourche de la roue pivotante longitudinalement et latéralement. Si l'axe de pivot bouge à l'intérieur des bagues, cela signifie que les bagues sont usées ; vous devez alors les remplacer.
-
Levez le plateau de coupe pour décoller les roues du sol. Calez l'unité de coupe pour l'empêcher de retomber accidentellement.
-
Retirez le chapeau de tension, la ou les entretoise(s) et la rondelle de butée situés en haut de l'axe de pivot.
-
Sortez l'axe de pivot du tube de montage, mais laissez la rondelle de butée et la ou les entretoise(s) au bas de l'axe.
-
Insérez un chasse-goupille dans le haut ou le bas du tube de montage et chassez la bague hors du tube (Figure 25).

-
Chassez ensuite l'autre bague hors du tube.
-
Nettoyez l'intérieur des tubes de montage.
-
Graissez l'intérieur et l'extérieur des nouvelles bagues.
-
À l'aide d'un marteau et d'une plaque plate, enfoncez les bagues dans le tube de montage.
-
Examinez l'état de l'axe de pivot et remplacez-le s'il est endommagé.
-
Insérez l'axe de pivot dans les bagues et le tube de montage.
-
Glissez la rondelle de butée et la ou les entretoise(s) sur l'axe de pivot.
-
Replacez le chapeau de tension sur l'axe de pivot pour maintenir les pièces en position.
Entretien des roues pivotantes et des roulements
| Périodicité d'entretien | Procédure d'entretien |
|---|---|
| Après les 2 premières heures de fonctionnement |
|
| Après les 10 premières heures de fonctionnement |
|
| Toutes les 50 heures |
|
-
Enlevez le contre-écrou du boulon qui fixe la roue pivotante à la chape (Figure 26).

-
Maintenez la roue pivotante et sortez le boulon de la fourche ou du bras pivotant.
-
Enlevez le roulement du moyeu de la roue et laissez tomber la douille d'écartement à l'extérieur (Figure 26).
-
Enlevez le roulement de l'autre côté du moyeu.
-
Vérifiez l'usure des roulements, de la douille d'écartement et de l'intérieur du moyeu. Remplacez les pièces endommagées.
-
Pour assembler la roue pivotante, enfoncez le roulement dans le moyeu.
Note: Lors de la pose des roulements, appuyez sur la bague extérieure des roulements.
-
Glissez la douille d'écartement dans le moyeu. Insérez l'autre roulement dans le côté ouvert du moyeu pour bloquer la douille d'écartement à l'intérieur.
-
Montez la roue pivotante entre la fourche et fixez-la en place à l'aide du boulon et du contre-écrou.
Entretien des lames
Consignes de sécurité relative aux lames
Une lame usée ou endommagée peut se briser et projeter le morceau cassé dans votre direction ou celle d'autres personnes, et infliger des blessures graves ou mortelles.
-
Contrôlez l'état et l'usure des lames périodiquement.
-
Examinez toujours les lames avec prudence. Manipulez les lames avec des gants ou en les enveloppant dans un chiffon, et toujours avec prudence. Limitez-vous à remplacer ou aiguiser les lames ; n'essayez jamais de les redresser ou de les souder.
-
Sur les machines à plusieurs lames, la rotation d'une lame peut entraîner celle des autres.
Avant le contrôle ou l'entretien des lames
-
Désengagez la PDF, relâchez la pédale de déplacement et serrez le frein de stationnement.
-
Placez la commande d'accélérateur en position de BAS RéGIME, coupez le moteur, enlevez la clé et attendez l'arrêt complet de toutes les pièces mobiles avant de quitter le siège.
Détection des lames faussées
-
Désengagez la PDF, relâchez la pédale de déplacement et serrez le frein de stationnement.
-
Placez la commande d'accélérateur en position de BAS RéGIME, coupez le moteur, enlevez la clé et attendez l'arrêt complet de toutes les pièces mobiles avant de quitter le siège.
-
Tournez les lames dans le sens longitudinal (Figure 27).

-
Mesurez la distance entre la surface plane et le tranchant (position A) des lames (Figure 27). Notez cette valeur.
-
Tournez les lames pour faire passer les pointes qui sont à l'arrière à l'avant.
-
Mesurez la distance entre la surface plane et le tranchant des lames, au même endroit que lors de l'opération 3 ci-dessus. Les mesures obtenues aux opérations 3 et 4 ne doivent pas différer de plus de 3 mm. Si la différence est supérieure à 3 mm, la lame est faussée et doit être remplacée ; voir Dépose et pose des lames.
Attention
Une lame faussée ou endommagée peut se briser et projeter le morceau cassé dans votre direction ou celle de personnes à proximité, et infliger des blessures graves ou mortelles.
-
Remplacez toujours une lame faussée ou endommagée par une neuve.
-
Ne créez jamais d'indentations dans les bords ou à la surface des lames, par exemple en les limant.
-
Dépose et pose des lames
Remplacez la lame si elle a heurté un obstacle, et si elle est déséquilibrée, usée ou faussée. Pour garantir le meilleur rendement et le maximum de sécurité, utilisez toujours des lames Toro d'origine. N'utilisez jamais les lames d'autres constructeurs car elles peuvent être dangereuses.
-
Levez l'unité de coupe au maximum, serrez le frein de stationnement, coupez le moteur et enlevez la clé de contact. Calez l'unité de coupe pour l'empêcher de retomber accidentellement.
-
Tenez la lame par son extrémité avec un chiffon ou un gant épais. Enlevez le boulon, la coupelle de protection et la lame de l'axe de pivot (Figure 28).

-
Montez la lame, l'ailette vers l'unité de coupe, et fixez-la avec la coupelle de protection et le boulon Serrez le boulon de la lame à un couple de 115 à 149 N·m.
Important: Pour obtenir une coupe correcte, l'ailette de la lame doit être dirigée vers l'intérieur de l'unité de coupe.
Contrôle et affûtage de(s) lame(s)
| Périodicité d'entretien | Procédure d'entretien |
|---|---|
| Après les 10 premières heures de fonctionnement |
|
| À chaque utilisation ou une fois par jour |
|
| Toutes les 50 heures |
|
Danger
Une lame usée ou endommagée peut se briser et projeter le morceau cassé dans votre direction ou celle d'autres personnes, et infliger des blessures graves ou mortelles.
-
Contrôlez l'état et l'usure des lames périodiquement.
-
N'essayez pas de redresser une lame faussée.
-
Ne soudez jamais une lame brisée ou fendue.
-
Remplacez toute lame usée ou endommagée par une lame Toro neuve afin de garantir la sécurité continue du produit.
Le tranchant comme l'ailette (qui est la partie relevée à l'opposé du tranchant) contribuent tous deux à assurer la qualité de la coupe. L'ailette est importante, car elle redresse l'herbe et permet d'obtenir une coupe nette. Toutefois, elle a tendance à s'user progressivement au cours de l'utilisation normale. À mesure que l'ailette s'use, la qualité de la coupe se dégrade, même si les tranchants de la lame restent vifs. Le tranchant de la lame doit être bien aiguisé pour couper l'herbe nettement, sans l'arracher. Si la lame est émoussée, l'herbe coupée a tendance à brunir et à être déchiquetée sur les bords. Affûtez les tranchants pour remédier à cela.
-
Garez la machine sur un sol plat et horizontal. Levez l'unité de coupe, serrez le frein de stationnement, amenez la pédale de déplacement à la position neutre, placez le levier de PDF en position DéSENGAGéE, coupez le moteur et enlevez la clé.
-
Examinez attentivement les tranchants de la lame, particulièrement au point de rencontre de la partie plane et de l'ailette (Figure 29). Le sable et les matières abrasives peuvent éroder le métal à cet endroit, c'est pourquoi il est important de contrôler l'état de la lame avant d'utiliser la machine. Remplacez la lame si elle est usée (Figure 29) ; voir Dépose et pose des lames.

Attention
Si la lame est trop usée, une entaille se forme entre l'ailette et la partie plane (Figure 29). La lame peut alors se briser et un morceau être projeté du dessous de la machine, vous blessant gravement ou une personne à proximité.
-
Contrôlez l'état et l'usure des lames périodiquement.
-
Remplacez toute lame usée ou endommagée par une lame Toro neuve afin de garantir la sécurité continue du produit.
-
-
Examinez les tranchants de toutes les lames et affûtez-les s'ils sont émoussés ou ébréchés. N'aiguisez que le haut du tranchant et conservez l'angle de coupe d'origine pour obtenir une coupe nette (Figure 30). Limez la même quantité de métal sur chacun des deux tranchants pour ne pas déséquilibrer la lame.

Note: Déposez les lames et aiguisez-les à la meule ; voir Dépose des lames. Une fois affûtée, remontez la lame ainsi que la coupelle de protection et le boulon de fixation. L'ailette de la lame doit se trouver en haut de la lame. Serrez le boulon de la lame à un couple de 115 à 149 N·m.
Réglage des chaînes de retenue du plateau
Utilisez 2 cales (réf. Toro 138-8243) ou 2 jauges d'épaisseur de 0,15 mm
Préparation du plateau de coupe
-
Démarrez le moteur, abaissez les plateaux de coupe gauche et droit, coupez le moteur, enlevez la clé et attendez l'arrêt complet de toutes les pièces mobiles.
-
Sur les plateaux extérieurs, essuyez la patte du profilé intérieur (Figure 31).


-
À l'avant du plateau, desserrez complètement les écrous à embase crantée extérieurs qui fixent les 4 étriers filetés en place (Figure 32).

-
À l'arrière du plateau, desserrez complètement les écrous à embase crantée intérieurs qui fixent les 4 étriers filetés en place (Figure 33).

Montage de la cale sur le plateau
-
Montez les cales à l'avant du plateau, comme montré à la Figure 34.
Note: Insérez la partie de la longue patte de la cale sous le protège-courroie.


-
Montez les cales à l'avant du plateau, comme montré à la Figure 35.

Note: Si vous utilisez des jauges d'épaisseur, utilisez un morceau de ruban adhésif pour coller une jauge (0,15 mm) sur la patte du profilé intérieur (Figure 36).

-
Démarrez le moteur, levez complètement les plateaux de coupe gauche et droit, coupez le moteur, enlevez la clé et attendez l'arrêt complet de toutes les pièces mobiles.
Procédure de tension des chaînes
-
À l'avant du plateau, serrez les écrous à embase crantée extérieurs jusqu'à ce que les chaînes soient tendues (Figure 37).
Note: Vérifiez que la cale (ou la jauge d'épaisseur) du plateau touche bien la biellette de pivot.
Important: Veillez à régler les paires supérieure et inférieure d'écrou à embase crantée de la même manière.

-
Vissez les écrous à embase crantée intérieurs (Figure 37) et serrez-les à un couple de 103 à 127 N·m.
-
À l'arrière du plateau, serrez les écrous à embase crantée intérieurs jusqu'à ce que les chaînes soient tendues (Figure 38).
Note: Vérifiez que la cale (ou la jauge d'épaisseur) du plateau touche bien la biellette de pivot.
Important: Veillez à régler les paires supérieure et inférieure d'écrou à embase crantée de la même manière.

-
Vissez les écrous à embase crantée extérieurs (Figure 38) et serrez-les à un couple de 103 à 127 N·m.
-
Démarrez le moteur, abaissez le plateau, levez l'autre plateau, coupez le moteur, enlevez la clé et attendez l'arrêt complet de toutes les pièces mobiles.
-
Retirez les cales ou les jauges d'épaisseur (Figure 39).

-
Répétez les opérations des procédures Montage de la cale sur le plateau et Procédure de tension des chaînes pour l'autre plateau de coupe.
Nettoyage du dessous de l'unité de coupe
| Périodicité d'entretien | Procédure d'entretien |
|---|---|
| Après chaque utilisation |
|
Enlevez chaque jour l'herbe agglomérée sous l'unité de coupe.
-
Désengagez la PDF, relâchez la pédale de déplacement en position neutre et serrez le frein de stationnement.
-
Placez la commande d'accélérateur en position de BAS RéGIME, coupez le moteur, enlevez la clé et attendez l'arrêt complet de toutes les pièces mobiles avant de quitter le poste de conduite.
-
Levez l'unité de coupe en position de TRANSPORT.
-
Avec un cric, soulevez l'avant de la machine et soutenez-la avec des chandelles.
-
Lavez soigneusement le dessous de l'unité de coupe à l'eau.























