Vedligeholdelse
Skema over anbefalet vedligeholdelse
| Vedligeholdelsesintervaller | Vedligeholdelsesprocedure |
|---|---|
| Efter de første 2 timer |
|
| Efter de første 10 timer |
|
| Efter de første 50 timer |
|
| Hver anvendelse eller dagligt |
|
| Efter hver anvendelse |
|
| For hver 50 timer |
|
| For hver 150 timer |
|
| For hver 400 timer |
|
Kontrolliste for daglig vedligeholdelse
Kopier denne side til daglig brug.
| Vedligeholdelsespunkter | I ugen: | ||||||
|---|---|---|---|---|---|---|---|
| Man. | Tirs. | Ons. | Tors. | Fre. | Lør. | Søn. | |
| Kontroller græsdeflektoren i sænket position (hvis relevant) | |||||||
| Kontroller dæktrykket | |||||||
| Kontroller skæreknivenes tilstand | |||||||
| Smør alle smørenipler1 | |||||||
| Pletreparationsmaling | |||||||
|
1. Umiddelbart efter hver vask, uanset det angivne interval. |
|||||||
| Bemærkninger om problemområder | ||
| Eftersyn foretaget af: | ||
| Punkt | Dato | Oplysninger |
Forsigtig
Hvis du lader nøglen sidde i tændingen, kan andre personer utilsigtet komme til at starte motoren og forårsage alvorlig personskade på dig eller andre omkringstående.
Fjern nøglen fra tændingen, før vedligeholdelsesarbejde påbegyndes.
Advarsel
Hvis du hæver maskinen og kun bruger en donkraft til at understøtte den med, mens du arbejder under plæneklipperskjoldet, kan donkraften vælte, hvorved klippeskjoldet kan falde ned og knuse dig eller omkringstående personer.
Brug altid mindst 2 støttebukke til at understøtte maskinen, når du har hævet plæneklipperskjoldet.
Smøring
| Vedligeholdelsesintervaller | Vedligeholdelsesprocedure |
|---|---|
| Hver anvendelse eller dagligt |
|
| For hver 50 timer |
|
Maskinen har smørenipler, som skal smøres jævnligt med litiumfedt nr. 2.
Smør følgende områder:
Serviceeftersyn af olien i plæneklipperskjoldets gearkasse
Gearkassen er konstrueret til drift med SAE 80W-90-gearolie. Selvom gearkassen leveres med smøreolie fra fabrikken, skal oliestanden kontrolleres, før klippeenheden betjenes første gang.
Kontrol af olien i plæneklipperskjoldets gearkasse
| Vedligeholdelsesintervaller | Vedligeholdelsesprocedure |
|---|---|
| For hver 150 timer |
|
-
Parker maskinen på en plan flade.
-
Sænk plæneklipperskjoldet til en klippehøjdeposition på 2,5 cm.
-
Udkobl kraftudtaget, slip traktionspedalen, og aktiver parkeringsbremsen.
-
Sæt gashåndtaget i positionen SLOW (Langsom), stop motoren, tag nøglen ud, og vent, indtil alle bevægelige dele er stoppet, før du stiger af.
-
Løft fodstøtten, så du kan se plæneklipperskjoldets overside.
-
Fjern målepinden/påfyldningsproppen, der sidder oven på gearkassen (Figur 22), og kontroller, at oliestanden står mellem mærkerne på målepinden.

-
Hvis oliestanden er lav, skal du påfylde så megen olie, at oliestanden kommer op mellem mærkerne på målepinden.
Important: Fyld ikke for meget på gearkassen og betjen plæneklipperskjoldet, da det kan beskadige gearkassen.
Skift af olien i plæneklipperskjoldets gearkasse
| Vedligeholdelsesintervaller | Vedligeholdelsesprocedure |
|---|---|
| Efter de første 50 timer |
|
| For hver 400 timer |
|
-
Parker maskinen og klippeenheden på en plan flade.
-
Sænk plæneklipperskjoldet til en klippehøjdeposition på 2,5 cm.
-
Udkobl kraftudtaget, slip traktionspedalen, og aktiver parkeringsbremsen.
-
Sæt gashåndtaget i positionen SLOW (Langsom), sluk for motoren, tag nøglen ud, og vent, indtil alle bevægelige dele er stoppet, før du forlader betjeningspositionen.
-
Løft fodstøtten, så du kan se plæneklipperskjoldets overside.
-
Fjern målepinden/påfyldningsproppen, der sidder oven på gearkassen (Figur 22).
-
Sæt et aftapningskar under aftapningsproppen, som er placeret forrest under gearkassen, og skru aftapningsproppen af, så olien kan løbe ud i aftapningskarret.
-
Skru aftapningsproppen i igen.
-
Påfyld så megen olie, ca. 414 ml, at oliestanden kommer op mellem mærkerne på målepinden.
Important: Fyld ikke for meget på gearkassen og betjen plæneklipperskjoldet, da det kan beskadige gearkassen.
Eftersyn af remmene
| Vedligeholdelsesintervaller | Vedligeholdelsesprocedure |
|---|---|
| For hver 50 timer |
|
Remme, der holdes stramme af den fjederbelastede styreremskive, er meget slidstærke. Efter mange timers drift vil en rem imidlertid begynde at vise tegn på slitage. Tegn på, at en rem er slidt, er, at den hviner, når den kører rundt, skæreknivene glider, når der klippes græs, flossede remkanter, brændemærker og revner. Hvis du bemærker nogen af disse forhold, skal du udskifte remmen.
-
Sænk klippeenheden ned på gulvet. Afmonter remskærmene for oven på klippeenheden, og sæt dem til side.
-
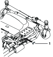
Brug en topnøgle i styrearmens huller til at flytte styreremskiven væk fra drivremmen for derved at løsne remspændingen og lade remmen glide af remskiven (Figur 23).

-
Fjern den gamle rem fra omkring remskiverne og styreremskiven.
-
Før den nye rem rundt om remskiverne og styreremskivens samling som vist i Figur 24.
-
Monter remskærmene.

Serviceeftersyn af bøsningerne i styrehjulsarmene
Styrehjulsarmene har bøsninger presset ind i den øverste og nederste del af røret. Efter mange driftstimer vil disse bøsninger blive slidt. Bøsningerne kontrolleres ved at flytte styrehjulsgaflen frem og tilbage og fra side til side. Hvis styrehjulsspindlen er løs inden i bøsningerne, er bøsningerne slidte og skal udskiftes.
-
Hæv klippeenheden, så hjulene løftes af jorden. Understøt klippeenheden, så den ikke kan falde ned ved et uheld.
-
Fjern strammehætten, afstandsbøsningen/-bøsningerne og trykskiven fra den øverste del af styrehjulsspindlen.
-
Træk styrehjulsspindlen ud af monteringsrøret. Lad trykskiven og afstandsbøsningen/-bøsningerne sidde på bunden af spindlen.
-
Sæt en uddriver ind i den øverste eller nederste del af monteringsrøret, og driv bøsningen ud af røret (Figur 25).

-
Før den anden bøsning ud af røret.
-
Rengør indersiden af rørene for at fjerne evt. snavs.
-
Smør indersiden og ydersiden af de nye bøsninger med fedt.
-
Før bøsningerne ind i monteringsrøret med en hammer og en flad plade.
-
Efterse styrehjulsspindlen for slid, og udskift den, hvis den er beskadiget.
-
Skub styrehjulsspindlen gennem bøsningerne og monteringsrøret.
-
Skub trykskiven og afstandsbøsningen/-bøsningerne på spindlen.
-
Monter strammehætten på styrehjulsspindlen for at holde alle dele på plads.
Eftersyn af styrehjulene og lejerne
| Vedligeholdelsesintervaller | Vedligeholdelsesprocedure |
|---|---|
| Efter de første 2 timer |
|
| Efter de første 10 timer |
|
| For hver 50 timer |
|
-
Skru låsemøtrikken af bolten, der holder styrehjulsenheden fast i styrehjulsgaflen (Figur 26).

-
Tag fat i styrehjulet, og tag bolten ud af gaflen eller drejearmen.
-
Fjern lejet fra hjulnavet, og lad lejeafstandsbøsningen falde ud (Figur 26).
-
Fjern lejet fra den modsatte side af hjulnavet.
-
Kontroller lejer, afstandsklods og hjulnavets inderside for slid. Udskift beskadigede dele.
-
Saml styrehjulet ved at skubbe lejet ind i hjulnavet.
Note: Tryk på lejets yderste løbering, når du monterer lejerne.
-
Skub lejeafstandsstykket ind i hjulnavet. Skub det andet leje ind i hjulnavets åbne ende, så lejeafstandsstykket holdes fast inden i hjulnavet.
-
Monter styrehjulsenheden i styrehjulsgaflen, og fastgør den med bolten og låsemøtrikken.
Serviceeftersyn af skæreknivene
Skæreknivssikkerhed
En slidt eller beskadiget skærekniv kan gå itu, og et stykke af den kan blive kastet mod dig eller omkringstående, hvilket kan forårsage alvorlige eller livsfarlige kvæstelser.
-
Efterse jævnligt skærekniven for slid og skader.
-
Vær forsigtig, når du efterser skæreknivene. Pak skæreknivene ind, eller bær handsker, og vær forsigtig når du efterser skæreknivene. Du må kun udskifte eller slibe skæreknivene. De må aldrig rettes ud eller svejses.
-
På maskiner med mange skæreknive skal du være meget forsigtig, da én skæreknivs rotation kan få andre skæreknive til at rotere.
Før besigtigelse eller eftersyn af skæreknivene
-
Udkobl kraftudtaget, slip traktionspedalen, og aktiver parkeringsbremsen.
-
Sæt gashåndtaget i positionen SLOW (Langsom), stop motoren, tag nøglen ud, og vent, indtil alle bevægelige dele er stoppet, før du stiger af.
Kontrol for bøjede skæreknive
-
Udkobl kraftudtaget, slip traktionspedalen, og aktiver parkeringsbremsen.
-
Sæt gashåndtaget i positionen SLOW (Langsom), sluk for motoren, tag nøglen ud, og vent, til alle bevægelige dele er standset, før du forlader betjeningspositionen.
-
Drej skæreknivene, indtil enderne vender fremad og bagud (Figur 27).

-
Mål fra en plan overflade til skærekanten, position A, på knivene(Figur 27). Noter dette mål.
-
Drej de modsatte ender af knivene fremad.
-
Mål fra en plan overflade til knivenes skærekant ved samme punkt som i trin 3 ovenfor. Forskellen mellem målene fra trin 3 og 4 må ikke overstige 3 mm. Hvis dette mål overskrider 3 mm, er kniven bøjet og skal udskiftes. Se Afmontering og montering af kniv(e).
Advarsel
En bøjet eller beskadiget kniv kan gå i stykker og skade dig eller omkringstående alvorligt eller endda medføre døden.
-
Udskift altid en bøjet eller beskadiget kniv med en ny kniv.
-
Fil eller lav ikke skarpe hakker i knivenes kanter eller flader.
-
Afmontering og montering af kniv(e)
Kniven skal udskiftes, hvis den rammer en fast genstand, eller hvis den er ude af balance, slidt eller bøjet. Brug altid originale Toro-knive ved udskiftning for at sikre sikkerheden og en optimal ydelse. Brug aldrig knive, der er fremstillet af andre producenter, da de kan være farlige at bruge.
-
Hæv klippeenheden til øverste position, aktiver parkeringsbremsen, stands motoren, og tag tændingsnøglen ud. Understøt klippeenheden, så den ikke kan falde ned ved et uheld.
-
Tag fat i enden af kniven med en klud eller en tyk handske. Fjern knivbolten, antiskalperingsskålen og skærekniven fra spindelakslen (Figur 28).

-
Monter klingeseglet, så det vender mod klippeenheden med antiskalperingskoppen og klingebolten. Spænd skæreknivsbolten til 115 til 149 Nm.
Important: Den buede del af skærekniven skal pege mod indersiden af klippeenheden for at sikre en god klipning.
Eftersyn og slibning af skærekniven(e)
| Vedligeholdelsesintervaller | Vedligeholdelsesprocedure |
|---|---|
| Efter de første 10 timer |
|
| Hver anvendelse eller dagligt |
|
| For hver 50 timer |
|
Fare
En slidt eller beskadiget skærekniv kan gå itu, og et stykke af den kan blive kastet mod dig eller omkringstående, hvilket kan forårsage alvorlige eller livsfarlige kvæstelser.
-
Efterse jævnligt skærekniven for slid og skader.
-
Forsøg aldrig at rette en bøjet kniv ud.
-
Svejs ikke en skærekniv, der er beskadiget eller revnet.
-
En slidt eller beskadiget skærekniv skal udskiftes med en ny Toro-skærekniv for at sikre produktets fortsatte sikkerhedscertificering.
Både skærene og seglen – som er den del, der vender opad, modsat skæret – bidrager til en klipning af god kvalitet. Seglet er vigtigt, fordi det løfter græsset lige op, hvilket giver en jævn klipning. Seglen slides dog gradvist ned under drift, hvilket er helt normalt. Efterhånden som seglen nedslides, forringes klippekvalitet i nogen grad, selvom skærene er skarpe. Knivens skær skal være skarpt, så græsset skæres af snarere end rives af. Et sløvt skær viser sig ved, at græssets spidser ser brune og sønderrevne ud. Slib skærene for at rette op på denne tilstand.
-
Parker maskinen på en plan overflade. Hæv klippeenheden, aktiver parkeringsbremsen, sæt traktionspedalen i neutral position, sæt kraftudtagets håndtag i positionen OFF (fra), sluk for motoren, og tag nøglen ud.
-
Undersøg omhyggeligt skæreknivens skær, især der hvor den flade side og den buede side mødes (Figur 29). Da sand og slibematerialer kan slide det metal, der forbinder den flade og den buede side af skærekniven, væk, skal skærekniven kontrolleres, før maskinen anvendes. Hvis du bemærker tegn på slid (Figur 29), skal skærekniven udskiftes. Se Afmontering og montering af kniv(e).

Advarsel
Hvis skærekniven får lov til at blive slidt, vil der danne sig en slids mellem seglen og den flade del af skærekniven (Figur 29). Før eller siden kan et stykke af skærekniven knække af og blive slynget ud fra husets underside, hvilket muligvis kan medføre alvorlig personskade for dig eller omkringstående personer.
-
Efterse jævnligt skærekniven for slid og skader.
-
En slidt eller beskadiget skærekniv skal udskiftes med en ny Toro-skærekniv for at sikre produktets fortsatte sikkerhedscertificering.
-
-
Undersøg alle knivenes skær. Slib skærene, hvis de er sløve eller hakkede. Slib kun oversiden af skærekanten, og bevar den oprindelige klippevinkel for at sikre, at kniven er skarp (Figur 30). Skærekniven bevarer balancen, hvis der fjernes samme mængde metal på begge skær.

Note: Fjern knivene og slib dem på en slibemaskine. Se Afmontering af skæreknivene. Når du har slebet skærene, skal kniven monteres igen sammen med antiskalperingskoppen og knivbolten. Knivenes segle skal være oven på kniven. Spænd skæreknivsbolten til 115 til 149 Nm.
Justering af skjoldbegrænsningskæderne
Anvend 2 skjoldafstandsstykker med Toro-delnr. 138-8243 eller 2 søgelærer – 0,15 mm
Klargøring af plæneklipperskjoldet
-
Tænd motoren, sænk venstre og højre skjold, sluk motoren, tag nøglen ud, og vent, til alle bevægelige dele er standset.
-
Rengør den indre kanals tap ved de udvendige skjolde (Figur 31).


-
Løsn de udvendige takkede flangemøtrikker, der fastgør de 4 bøjleskruer, på forsiden af skjoldet (Figur 32).

-
Løsn de indvendige takkede flangemøtrikker, der fastgør de 4 bøjleskruer, på bagsiden af skjoldet (Figur 33).

Montering af afstandsstykket på skjoldet
-
Monter skjoldafstandsstykkerne på forsiden af skjoldet som vist i Figur 34.
Note: Indsæt delen af afstandsstykket med den lange tap under remskærmen.


-
Monter skjoldafstandsstykkerne på forsiden af skjoldet som vist i Figur 35.

Note: Hvis du anvender søgelærer, skal du bruge et stykke tape til at fastgøre en søgelære på 0,15 mm til den indre kanals tap (Figur 36).

-
Tænd motoren, hæv venstre og højre skjold helt, sluk motoren, tag nøglen ud, og vent, til alle bevægelige dele er standset.
Tilspænding af kæderne
-
Tilspænd de udvendige takkede flangemøtrikker på forsiden af skjoldet, indtil kæderne er stramme (Figur 37).
Note: Sørg for, at skjoldafstandsstykket (eller søgelæren) berører drejeleddet.
Important: Sørg for, at de øvre og nedre par takkede flangemøtrikker justeres ensartet.

-
Skru de indvendige takkede flangemøtrikker på (Figur 37), og tilspænd dem med et moment på 103 til 127 Nm.
-
Tilspænd de indvendige takkede flangemøtrikker på bagsiden af skjoldet, indtil kæderne er stramme (Figur 38).
Note: Sørg for, at skjoldafstandsstykket (eller søgelæren) berører drejeleddet.
Important: Sørg for, at de øvre og nedre par takkede flangemøtrikker justeres ensartet.

-
Skru de udvendige takkede flangemøtrikker på (Figur 38), og tilspænd dem med et moment på 103 til 127 Nm.
-
Tænd motoren, sænk det justerede skjold, hæv det andet skjold, sluk motoren, tag nøglen ud, og vent, til alle bevægelige dele er standset.
-
Fjern afstandsstykkerne eller søgelærerne (Figur 39).

-
Gentag trinene i Montering af afstandsstykket på skjoldet og Tilspænding af kæderne for det andet plæneklipperskjold.
Rengøring under klippeenheden
| Vedligeholdelsesintervaller | Vedligeholdelsesprocedure |
|---|---|
| Efter hver anvendelse |
|
Fjern ophobning af græs under klippeenheden hver dag.
-
Udkobl kraftudtaget, lad traktionspedalen returnere til den neutrale position, og aktiver parkeringsbremsen.
-
Sæt gashåndtaget i positionen SLOW (langsom), sluk for motoren, tag nøglen ud, og vent, til alle bevægelige dele er standset, før du forlader førersædet.
-
Hæv klippeenheden til positionen TRANSPORT.
-
Løft maskinens forende med en donkraft, og understøt den med støttebukke.
-
Rengør klippeenhedens underside omhyggeligt med vand.






























