Onderhoud
Aanbevolen onderhoudsschema
| Onderhoudsinterval | Onderhoudsprocedure |
|---|---|
| Na de eerste 2 bedrijfsuren |
|
| Na de eerste 10 bedrijfsuren |
|
| Bij elk gebruik of dagelijks |
|
| Om de 50 bedrijfsuren |
|
Voorzichtig
Als u het sleuteltje in het contact laat, bestaat de kans dat iemand de motor per ongeluk start waardoor u en andere omstanders ernstig letsel kunnen oplopen.
Verwijder het sleuteltje uit het contact voordat u onderhoudswerkzaamheden uitvoert aan de machine.
Waarschuwing
Als u de machine opkrikt en op slechts op de krik laat steunen terwijl u onder het maaidek werkt, bestaat de kans dat de krik omvalt zodat het maaidek naar beneden valt waarbij u of omstanders worden verpletterd.
Plaats de machine altijd op minstens 2 assteunen als u de machine hebt opgekrikt.
Voorzichtig
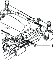
Boven op het maaidek bevinden zich 2 verbindingen die zijn bevestigd aan het frame. Deze verbindingen zitten vast aan torsieveren die onder spanning staan (Figuur 14). Als u de verbinding losmaakt, komt de opgeslagen energie in de torsieveer vrij, waardoor de verbindingen in beweging kunnen komen en daarbij handen of vingers kunnen verwonden.
Wees voorzichtig als u het maaidek verwijdert van het frame, en zet de verbindingen vast voordat u deze losmaakt van het frame.

Smering
| Onderhoudsinterval | Onderhoudsprocedure |
|---|---|
| Bij elk gebruik of dagelijks |
|
| Om de 50 bedrijfsuren |
|
De machine is voorzien van smeerpunten die regelmatig moeten worden gesmeerd met nr. 2 smeervet op lithiumbasis. Als de machine in normale omstandigheden wordt gebruikt, moet u alle lagers en lagerbussen om de 50 bedrijfsuren of direct na een wasbeurt smeren.
Smeer de volgende punten:
Onderhoud van de drijfriemen
Raadpleeg Figuur 22 om de drijfriemen juist te geleiden.

Onderhoud van de lagers in de zwenkwielarmen
In de boven- en onderkant van de buis in de zwenkwielarmen zitten lagerbussen gedrukt. Deze lagerbussen zullen na vele bedrijfsuren slijten. Om de lagerbussen te controleren, moet u de zwenkwielvork naar voren en naar achteren en van links naar rechts bewegen. Als de zwenkwielas los in de lagerbussen zit, zijn de lagerbussen versleten en zijn deze aan vervanging toe.
-
Hef het maaidek op zodat de wielen vrijkomen van de grond. Zet het maaidek vast om te voorkomen dat dit per ongeluk naar beneden valt.
-
Verwijder het klemkapje, (de) afstandsstuk(ken) en de drukring van de bovenkant van de zwenkwielas.
-
Trek de zwenkwielas uit de buis waarin deze is bevestigd. Laat de drukring en afstandsstuk(ken) onder op de as zitten.
-
Sla een drevel in de boven- of onderkant van de bevestigingsbuis en tik de lagerbus uit de buis (Figuur 23).

-
Tik de andere lagerbus uit de buis.
-
Verwijder vuil van de binnenkant van de buizen.
-
Smeer vet aan de binnen- en buitenkant van de nieuwe lagerbussen.
-
Druk de lagerbussen voorzichtig in de bevestigingsbuis met behulp van een hamer en een vlakke plaat.
-
Controleer de zwenkwielas op slijtage en vervang deze in geval van beschadiging.
-
Steek de zwenkwielas door de lagerbussen en de bevestigingsbuis.
-
Schuif de drukring en afstandsstuk(ken) op de as.
-
Installeer het klemkapje op de zwenkwielas om alle onderdelen op hun plaats te houden.
Onderhoud van zwenkwielen en lagers
| Onderhoudsinterval | Onderhoudsprocedure |
|---|---|
| Na de eerste 2 bedrijfsuren |
|
| Na de eerste 10 bedrijfsuren |
|
| Om de 50 bedrijfsuren |
|
-
Verwijder de borgmoer van de bout waarmee het zwenkwiel is bevestigd aan de zwenkwielvork (Figuur 24).

-
Pak het zwenkwiel vast en schuif de bout uit de vork of draaiarm.
-
Verwijder het lager uit de wielnaaf en laat het lager eruit vallen (Figuur 24).
-
Verwijder het lager vanaf de andere kant van de wielnaaf.
-
Controleer de lagers, het afstandsstuk en de binnenkant van de wielnaaf op slijtage. Beschadigde delen vervangen.
-
Om het zwenkwiel in elkaar te zetten, drukt u het lager in de wielnaaf.
Note: Om de lagers te monteren, moet u op de buitenste loopring van het lager drukken.
-
Schuif het afstandsstuk van het lager in de wielnaaf. Druk het andere lager in het open uiteinde van de wielnaaf om het afstandsstuk van het lager in de wielnaaf vast te zetten.
-
Plaats de zwenkwielset in de zwenkwielvork en zet deze vast op zijn plaats met behulp van de bout en de borgmoer.
Onderhoud van de maaimessen
Zorg gedurende het hele maaiseizoen voor scherpe maaimessen. Scherpe messen snijden het gras goed af zonder het te scheuren of te kwetsen. Door scheuren en kwetsen wordt het gras bruin aan de randen, waardoor het langzamer groeit en gevoeliger is voor ziekten.
Controleer elke dag of de maaimessen scherp zijn en of ze versleten of beschadigd zijn. Slijp de messen indien dit nodig is. Als een mes beschadigd of versleten is, moet u het onmiddellijk vervangen door een origineel Toro mes.
Gevaar
Een versleten of beschadigd mes kan breken en een stuk van het mes kan naar u of naar omstanders worden uitgeworpen en ernstig lichamelijk of dodelijk letsel toebrengen.
-
Controleer op gezette tijden het maaimes op slijtage of beschadigingen.
-
Vervang een versleten of beschadigd mes.
Controleer de messen om de 8 bedrijfsuren.
Vóór controle en onderhoud van de maaimessen
-
Schakel de aftakas uit, laat het tractiepedaal los en stel de parkeerrem in werking.
-
Zet de gashendel op LANGZAAM, schakel de motor uit, verwijder het contactsleuteltje en wacht totdat alle bewegende delen tot stilstand zijn gekomen voordat u de bestuurdersstoel verlaat.
De maaimessen controleren
| Onderhoudsinterval | Onderhoudsprocedure |
|---|---|
| Bij elk gebruik of dagelijks |
|
-
Controleer de snijranden (Figuur 25). Als de snijranden niet scherp zijn of inkepingen vertonen, moet u de messen verwijderen en deze slijpen. Zie De maaimessen slijpen.
-
Controleer de messen, in het bijzonder de vleugel (Figuur 25). Als u beschadiging, slijtage of groefvorming in dit deel constateert (Figuur 25), moet u het mes direct vervangen.
Gevaar
Als het mes gaat slijten, kan er een groef ontstaan tussen de vleugel en het platte deel van het mes. Uiteindelijk kan dan een stuk van het mes afbreken en van onder de maaikast worden weggeslingerd waardoor de bestuurder of een omstander ernstig letsel kan oplopen.
-
Controleer op gezette tijden het maaimes op slijtage of beschadigingen.
-
Probeer nooit een krom mes te richten of een gebroken of gescheurd mes te lassen.
-
Vervang een versleten of beschadigd mes.

-
Controle op kromme messen
-
Schakel de aftakas uit, laat het tractiepedaal los en stel de parkeerrem in werking.
-
Zet de gashendel in de stand LANGZAAM, schakel de motor uit, verwijder het contactsleuteltje en wacht totdat alle bewegende delen tot stilstand zijn gekomen voordat u de bestuurdersstoel verlaat.
-
Draai de messen totdat de uiteinden in de lengterichting liggen (Figuur 26).

-
Meet de afstand tussen een horizontaal oppervlak en de snijrand, stand A, van de messen (Figuur 26). Noteer deze afstand.
-
Draai de tegenovergestelde uiteinden van de messen naar voren.
-
Meet de afstand tussen een horizontaal oppervlak en de snijrand van de messen op dezelfde plaats als in bovengenoemde stap 3. Het verschil tussen de afstanden die zijn gemeten bij stap 3 en stap 4 mag niet meer dan 3 mm zijn. Als dit verschil meer bedraagt dan 3 mm, is het mes krom en moet het worden vervangen; zie Maaimessen verwijderen en Maaimessen monteren.
Waarschuwing
Een krom of beschadigd mes kan breken en u of omstanders ernstig letsel toebrengen.
-
Vervang altijd een krom of beschadigd mes door een nieuw mes.
-
Vijl of maak nooit scherpe inkepingen in de snijranden of het oppervlak van het mes.
-
Maaimessen verwijderen
Vervang maaimessen die uit balans of gebogen zijn, of in aanraking zijn gekomen met een hard voorwerp. Om de beste prestaties te verkrijgen en er zeker van te zijn dat de machine altijd veilig kan worden gebruikt, moet u ter vervanging uitsluitend originele Toro messen gebruiken. Gebruik ter vervanging nooit messen van andere fabrikanten omdat dit in strijd kan zijn met de veiligheidsnormen.
Waarschuwing
Contact met een scherp mes kan ernstig letsel veroorzaken.
Draag handschoenen of wikkel een doek om de scherpe kanten van het mes.
-
Pak het uiteinde van het mes vast met een doek of een dikke handschoen.
-
Verwijder de mesbout, de antiscalpeercup en het mes van de as (Figuur 29).
De maaimessen slijpen
Waarschuwing
Als het mes wordt geslepen, kunnen delen van het mes worden weggeslingerd en ernstig letsel veroorzaken.
Draag goede oogbescherming als u een mes slijpt.
-
Slijp de snijranden aan beide uiteinden van het mes (Figuur 27).
Note: Houd daarbij de oorspronkelijke hoek in stand. Het mes blijft in balans als u van beide snijranden dezelfde hoeveelheid materiaal verwijdert.

-
Controleer de balans van het mes met een mesbalans (Figuur 28).
Note: Als het mes horizontaal blijft, is het in balans en geschikt voor gebruik. Als het mes niet in balans is, moet u wat metaal afvijlen van het uiteinde van de vleugel (Figuur 29). Herhaal dit indien nodig totdat het mes in balans is.


Maaimessen monteren
Note: De 2 messen van de zijmaaidekken verschillen van de 3 middelste messen.
De begrenzerkettingen van het maaidek afstellen
Gebruik 2 opvulstukken voor het maaidek met Toro onderdeelnr. 138-8243 of 2 voelermaten – 0,15 mm.
Het maaidek voorbereiden
-
Start de motor, laat het linker en rechter maaidek neer, zet de motor uit, verwijder het contactsleuteltje en wacht totdat alle bewegende delen tot stilstand zijn gekomen.
-
Veeg bij de buitenste maaidekken de lip van het binnenste kanaal schoon (Figuur 30).


-
Maak aan de voorkant van het maaidek de buitenste gekartelde flensmoeren waarmee de 4 U-bouten zijn bevestigd volledig los (Figuur 31).

-
Maak aan de achterkant van het maaidek de binnenste gekartelde flensmoeren waarmee de 4 U-bouten zijn bevestigd volledig los (Figuur 32.

Het opvulstuk aan het maaidek monteren
-
Monteer de opvulstukken voor het maaidek aan de voorkant van het maaidek zoals getoond in Figuur 33.
Note: Steek de lange lip van het opvulstuk gedeeltelijk onder de drijfriemkap.


-
Monteer de opvulstukken voor het maaidek aan de voorkant van het maaidek zoals getoond in Figuur 34.

Note: Als u voelermaten gebruikt, gebruik dan een stukje tape om een voelermaat (0,15 mm) te bevestigen aan de lip van het binnenste kanaal (Figuur 35).

-
Start de motor, breng het linker en rechter maaidek volledig omhoog, zet de motor uit, verwijder het contactsleuteltje en wacht totdat alle bewegende delen tot stilstand zijn gekomen.
De kettingen aanspannen
-
Draai aan de voorkant van het maaidek de buitenste gekartelde flensmoeren vast tot de kettingen aangespannen zijn (Figuur 36).
Note: Zorg ervoor dat het opvulstuk voor het maaidek (of de voelermaat) de scharnierverbinding raakt.
Important: Zorg ervoor dat de bovenste en onderste gekartelde flensmoerparen gelijkmatig zijn afgesteld.

-
Draai de binnenste gekartelde flensmoeren vast (Figuur 36) met een torsie van 103 tot 127 N·m.
-
Draai aan de achterkant van het maaidek de binnenste gekartelde flensmoeren vast tot de kettingen aangespannen zijn (Figuur 37).
Note: Zorg ervoor dat het opvulstuk voor het maaidek (of de voelermaat) de scharnierverbinding raakt.
Important: Zorg ervoor dat de bovenste en onderste gekartelde flensmoerparen gelijkmatig zijn afgesteld.

-
Draai de buitenste gekartelde flensmoeren vast (Figuur 37) met een torsie van 103 tot 127 N·m.
-
Start de motor, laat het afgestelde maaidek neer, breng het andere maaidek omhoog, zet de motor uit, verwijder het contactsleuteltje en wacht totdat alle bewegende delen tot stilstand zijn gekomen.
-
Verwijder de opvulstukken of voelermaten (Figuur 38).

-
Herhaak stap Het opvulstuk aan het maaidek monteren en De kettingen aanspannen voor het andere maaidek.



























