Wartung
Empfohlener Wartungsplan
| Wartungsintervall | Wartungsmaßnahmen |
|---|---|
| Nach zwei Betriebsstunden |
|
| Nach 10 Betriebsstunden |
|
| Nach 50 Betriebsstunden |
|
| Bei jeder Verwendung oder täglich |
|
| Nach jeder Verwendung |
|
| Alle 50 Betriebsstunden |
|
| Alle 150 Betriebsstunden |
|
| Alle 400 Betriebsstunden |
|
Checkliste – tägliche Wartungsmaßnahmen
Kopieren Sie diese Seite für regelmäßige Verwendung.
| Wartungsprüfpunkt | Für KW: | ||||||
|---|---|---|---|---|---|---|---|
| Mo | Di | Mi | Do | Fr | Sa | So | |
| Prüfen Sie das Grasablenkblech in der abgesenkten Stellung (falls zutreffend) | |||||||
| Stellen Sie den Reifendruck ein | |||||||
| Prüfen Sie den Zustand der Messer | |||||||
| Fetten Sie alle Schmiernippel ein1 | |||||||
| Bessern Sie Lackschäden aus | |||||||
|
1. Unmittelbar nach jeder Wäsche, ungeachtet des aufgeführten Intervalls. |
|||||||
| Aufzeichnungen irgendwelcher Probleme | ||
| Inspiziert durch: | ||
| Punkt | Datum | Informationen |
Achtung
Wenn Sie den Zündschlüssel im Zündschloss stecken lassen, könnte eine andere Person den Motor versehentlich anlassen und Sie und Unbeteiligte schwer verletzen.
Ziehen Sie vor dem Ausführen von Wartungsarbeiten den Zündschlüssel ab.
Warnung:
Wenn Sie die angehobene Maschine nur mit Achsständern abstützen, während Sie unter dem Mähwerk arbeiten, kann der Achsständer rutschen. Das Mähwerk kann herunterfallen und Sie und Unbeteiligte zerquetschen.
Sichern Sie die Maschine immer mit mindestens 2 Achsständern ab, wenn Sie das Mähwerk angehoben haben.
Schmierung
| Wartungsintervall | Wartungsmaßnahmen |
|---|---|
| Bei jeder Verwendung oder täglich |
|
| Alle 50 Betriebsstunden |
|
Die Maschine hat Schmiernippel, die regelmäßig mit Nr. 2 Schmierfett auf Lithiumbasis eingefettet werden müssen.
Fetten Sie folgende Bereiche ein:
Warten des Getriebeschmiermittels des Mähwerks
Für das Getriebe sollte Schmiermittel der Sorte SAE 80W-90 verwendet werden. Obwohl die Getriebe werksseitig mit Getriebeöl versandt wird, sollten Sie den Ölstand vor dem erstmaligen Verwenden des Mähwerks prüfen.
Prüfen des Getriebeschmiermittels des Mähwerks
| Wartungsintervall | Wartungsmaßnahmen |
|---|---|
| Alle 150 Betriebsstunden |
|
-
Parken Sie die Maschine auf einer ebenen Fläche.
-
Senken Sie das Mähwerk auf eine Schnitthöhe von 2,5 cm ab.
-
Kuppeln Sie den Zapfwellenantrieb (ZWA) aus, lassen Sie das Fahrpedal los und aktivieren Sie die Feststellbremse.
-
Schieben Sie den Fahrantriebshebel in die LANGSAM-Stellung, stellen Sie den Motor ab, ziehen Sie den Schüssel ab und verlassen Sie den Sitz erst, wenn alle beweglichen Teile zum Stillstand gekommen sind.
-
Heben Sie die Fußplattform an, um die Oberseite des Mähwerks freizulegen.
-
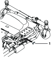
Nehmen Sie den Ölpeilstab bzw. die Füllschraube oben am Getriebe ab (Bild 22) und stellen Sie sicher, dass der Schmiermittelstand zwischen den Markierungen am Peilstab liegt.

-
Wenn der Schmiermittelstand zu niedrig ist, gießen Sie nur so viel Schmiermittel ein, dass der Stand zwischen den Markierungen am Peilstab liegt.
Important: Überfüllen Sie das Getriebe nicht und verwenden Sie das Mähwerk nicht, sonst kann das Getriebe beschädigt werden.
Wechseln des Getriebeschmiermittels des Mähwerks
| Wartungsintervall | Wartungsmaßnahmen |
|---|---|
| Nach 50 Betriebsstunden |
|
| Alle 400 Betriebsstunden |
|
-
Stellen Sie die Maschine auf eine ebene Fläche.
-
Senken Sie das Mähwerk auf eine Schnitthöhe von 2,5 cm ab.
-
Kuppeln Sie den Zapfwellenantrieb (ZWA) aus, lassen Sie das Fahrpedal los und aktivieren Sie die Feststellbremse.
-
Schieben Sie den Gasbedienungshebel in die LANGSAM-Stellung, stellen Sie den Motor ab, ziehen Sie den Schüssel ab und verlassen Sie den Sitz erst, wenn alle beweglichen Teile zum Stillstand gekommen sind.
-
Heben Sie die Fußplattform an, um die Oberseite des Mähwerks freizulegen.
-
Nehmen Sie den Peilstab bzw. die Füllschraube von der Oberseite des Getriebes ab (Bild 22).
-
Stellen Sie eine Auffangwanne unter die Ablassschraube, die sich unter dem vorderen Teil des Getriebes befindet, und entfernen Sie die Schraube, damit das Schmiermittel in die Wanne ablaufen kann.
-
Drehen Sie die Ablassschraube wieder auf.
-
Füllen Sie Schmiermittel auf, ungefähr 414 ml, bis der Stand zwischen den Markierungen am Peilstab liegt.
Important: Überfüllen Sie das Getriebe nicht und verwenden Sie das Mähwerk nicht, sont kann das Getriebe beschädigt werden.
Wartung der Riemen
| Wartungsintervall | Wartungsmaßnahmen |
|---|---|
| Alle 50 Betriebsstunden |
|
Die von der gefederten Riemenscheibe gespannten Riemen sind sehr haltbar. Nach einem längeren Einsatz weist ein Riemen dennoch Anzeichen von Verschleiß auf. Anzeichen eines abgenutzten Treibriemens sind u. a. das Quietschen des Riemens, wenn er sich dreht, das Schlüpfen der Messer beim Mähen, zerfranste Ränder, Versengen und Risse. Tauschen Sie den Riemen aus, wenn Sie derartige Anzeichen feststellen.
-
Senken Sie das Mähwerk auf den Werkstattboden ab. Entfernen Sie die Abdeckungen von der Oberseite des Mähwerks und legen diese zur Seite.
-
Schieben Sie die Spannscheibe mit einem Schraubenschlüssel in den Löchern der Spannscheibenarme vom Treibriemen, um die Riemenspannung zu verringern, und den Riemen von der Spannscheibe abzuziehen (Bild 23).

-
Entfernen Sie den alten Riemen von den Spannscheiben und der Riemenscheibe.
-
Führen Sie den neuen Riemen um die Riemenscheiben und die Spannscheiben, siehe Bild 24.
-
Bringen Sie die Riemenabdeckungen wieder an.

Warten der Büchsen in den Laufradarmen
In die Ober- und Unterseite des Rohrs der Laufradarme sind Büchsen eingepresst, die sich nach einer längeren Einsatzdauer abnutzen. Bewegen Sie zum Prüfen der Büchsen die Laufradgabeln hin und her und von einer Seite zur anderen. Wenn die Laufradspindel in den Büchsen locker ist, sind die Büchsen abgenutzt und müssen ausgetauscht werden.
-
Heben Sie das Mähwerk an, sodass die Räder Bodenfreiheit haben. Blockieren Sie das Mähwerk so, dass es nicht herunterfallen kann.
-
Entfernen Sie die Spannkappe, die Distanzstücke und Druckscheibe von der Oberseite der Laufradspindel.
-
Ziehen Sie die Laufradspindel aus dem Befestigungsrohr heraus. Lassen Sie die Druckscheibe und die Distanzstücke unten in der Laufradspindel zurück.
-
Stecken Sie einen Dorn oben oder unten in das Befestigungsrohr und treiben die Büchsen heraus (Bild 25).

-
Treiben Sie dann die andere Büchse aus dem Rohr heraus.
-
Reinigen Sie die Innenseite der Rohre, um Schmutz zu entfernen.
-
Fetten Sie die Innen- und Außenseiten der neuen Büchsen ein.
-
Treiben Sie die Büchsen mit einem Hammer und einem Stück Flachstahl in das Befestigungsrohr ein.
-
Prüfen Sie die Laufradspindel auf Abnutzung und tauschen sie aus, wenn sie beschädigt ist.
-
Schieben Sie die Laufradspindel durch die Büchsen und das Befestigungsrohr.
-
Schieben Sie die Druckscheibe und die Distanzstücke auf die Spindel.
-
Bringen Sie die Spannkappe auf der Laufradspindel an, um alle Teile zu befestigen.
Warten der Laufräder und -lager
| Wartungsintervall | Wartungsmaßnahmen |
|---|---|
| Nach zwei Betriebsstunden |
|
| Nach 10 Betriebsstunden |
|
| Alle 50 Betriebsstunden |
|
-
Entfernen Sie die Sicherungsmutter von der Schraube, mit der das Laufrad an der der Gabel befestigt ist (Bild 26).

-
Halten Sie das Laufrad fest und schieben die Schraube aus der Gabel oder vom Gelenkarm ab.
-
Entfernen Sie das Lager aus der Radnabe und lassen das Lagerdistanzstück herausfallen (Bild 26).
-
Entfernen Sie das Lager aus der gegenüberliegenden Seite der Radnabe.
-
Prüfen Sie die Lager, das Distanzstück und die Innenseite der Radnabe auf Abnutzung. Tauschen Sie abgenutzte und defekte Teile aus.
-
Drücken Sie das Lager zum Zusammenbauen des Laufrads in die Radnabe.
Note: Drücken Sie beim Einsetzen der Lager auf den äußeren Lagerkäfig.
-
Schieben Sie das Lagerdistanzstück in die Radnabe. Drücken Sie das andere Lager in das freie Ende der Radnabe, um das Lagerdistanzstück im Inneren der Radnabe zu halten.
-
Setzen Sie das Laufrad zwischen die Laufradgabel und befestigen Sie es mit der Schraube und der Sicherungsmutter.
Warten der Schnittmesser
Sicherheitshinweise zum Messer
Ein abgenutztes oder beschädigtes Messer kann zerbrechen. Herausgeschleuderte Messerstücke können Sie oder Unbeteiligte treffen und schwere oder tödliche Verletzungen verursachen.
-
Prüfen Sie das Messer regelmäßig auf Abnutzung und Defekte.
-
Prüfen Sie die Messer vorsichtig. Wickeln Sie die Messer in einen Lappen ein oder tragen Handschuhe; gehen Sie bei der Wartung der Messer mit besonderer Vorsicht vor. Wechseln oder schärfen Sie die Messer, sie dürfen keinesfalls geglättet oder geschweißt werden.
-
Denken Sie bei Maschinen mit mehreren Schnittmessern daran, dass ein sich bewegendes Messer das Mitdrehen anderer Messer verursachen kann.
Vor dem Prüfen oder Warten der Schnittmesser
-
Kuppeln Sie den Zapfwellenantrieb (ZWA) aus, lassen Sie das Fahrpedal los und aktivieren Sie die Feststellbremse.
-
Schieben Sie den Fahrantriebshebel in die LANGSAM-Stellung, stellen Sie den Motor ab, ziehen Sie den Schüssel ab und verlassen Sie den Sitz erst, wenn alle beweglichen Teile zum Stillstand gekommen sind.
Prüfen auf verbogene Schnittmesser
-
Kuppeln Sie den Zapfwellenantrieb (ZWA) aus, lassen Sie das Fahrpedal los und aktivieren Sie die Feststellbremse.
-
Schieben Sie den Gasbedienungshebel in die LANGSAM-Stellung, stellen Sie den Motor ab, ziehen Sie den Schüssel ab und verlassen Sie den Sitz erst, wenn alle beweglichen Teile zum Stillstand gekommen sind.
-
Drehen Sie die Schnittmesser, bis die Enden nach vorne und hinten gerichtet sind (Bild 27).

-
Messen Sie von einer ebenen Fläche bis zur Schnittkante (Position A) der Messer (Bild 27). Notieren Sie diesen Wert.
-
Drehen Sie das andere Ende des Messers nach vorne.
-
Messen Sie von einer ebenen Oberfläche bis zur Schnittkante der Messer an der gleichen Stelle wie bei Schritt 3 oben. Der Unterschied zwischen den in Schritt 3 und 4 erhaltenen Werten darf höchstens 3 mm betragen. Bei einem Unterschied von mehr als 3 mm ist das Messer verbogen und muss ausgetauscht werden, siehe Entfernen und Einbauen der Messer.
Warnung:
Ein verbogenes oder beschädigtes Messer kann brechen und Sie oder Unbeteiligte schwer verletzen oder töten.
-
Ersetzen Sie verbogene oder beschädigte Messer immer durch neue.
-
Feilen oder bilden Sie nie scharfe Auskerbungen an der Schnitt- oder Oberfläche des Messers.
-
Entfernen und Einbauen der Messer
Tauschen Sie das Messer aus, wenn es auf einen festen Gegenstand geprallt oder unwuchtig oder verbogen ist. Benutzen Sie immer nur Toro Originalersatzmesser, um die sichere und optimale Leistung der Maschine sicherzustellen. Verwenden Sie nie Messer anderer Hersteller; diese könnten sich eventuell als gefährlich erweisen.
-
Heben Sie das Mähwerk an, aktivieren die Feststellbremse, stellen den Motor ab und ziehen den Zündschlüssel ab. Blockieren Sie das Mähwerk so, dass es nicht herunterfallen kann.
-
Halten Sie das Ende des Messers mit einem stark wattierten Handschuh oder wickeln Sie einen Lappen um es herum. Entfernen Sie die Messerschraube, die Antiskalpierkuppe und das Messer von der Spindelwelle (Bild 28).

-
Montieren Sie das Messer mit den Windflügeln in Richtung Mähwerk sowie mit der Antiskalpierkuppe und der Messerschraube. Ziehen Sie die Messerschraube bis auf 115-149 Nm an.
Important: Der gebogene Teil des Messers muss zur Innenseite des Mähwerks zeigen, um einen guten Schnitt sicherzustellen.
Prüfen und Schärfen des Schnittmesser(s)
| Wartungsintervall | Wartungsmaßnahmen |
|---|---|
| Nach 10 Betriebsstunden |
|
| Bei jeder Verwendung oder täglich |
|
| Alle 50 Betriebsstunden |
|
Gefahr
Ein abgenutztes oder beschädigtes Messer kann zerbrechen. Herausgeschleuderte Messerstücke können Sie oder Unbeteiligte treffen und schwere oder tödliche Verletzungen verursachen.
-
Prüfen Sie das Messer regelmäßig auf Abnutzung und Defekte.
-
Versuchen Sie nicht, ein verbogenes Messer zu begradigen.
-
Schweißen Sie nie ein zerbrochenes oder gespaltenes Messer.
-
Tauschen Sie ein abgenutztes oder beschädigtes Messer gegen ein neues Toro Messer aus, um die Sicherheitszulassung des Produkts auch weiterhin zu garantieren.
Beide Schnittkanten und die Windflügel, die gegenüber der Schnittkante nach oben gebogen sind, tragen zur guten Schnittqualität bei. Der Windflügel ist wichtig, weil er die Grashalme aufrecht stellt, was zum gleichmäßigen Schnitt beiträgt. Der Windflügel wird jedoch im Einsatz langsam abgewetzt, wobei es sich um eine normale Erscheinung handelt. Während der Windflügel langsam abgenutzt wird, kommt es immer mehr zur Minderung der Schnittqualität, obgleich die Schnittkanten scharf sind. Die Schnittkante des Messers muss scharf bleiben, um sicherzustellen, dass die Grashalme geschnitten und nicht zerfetzt werden. Sie erkennen eine stumpfe Schnittkante daran, dass die Grasspitzen bräunlich und zerfetzt aussehen. Beheben Sie diesen Zustand durch das Schärfen der Schnittkanten.
-
Stellen Sie die Maschine auf eine ebene Fläche. Heben Sie das Mähwerk an, aktivieren Sie die Feststellbremse, stellen Sie das Fahrpedal in die Neutral-Stellung, stellen Sie den Zapfwellenhebel in die AUS-Stellung, stellen Sie den Motor ab und ziehen Sie den Zündschlüssel ab.
-
Prüfen Sie die Schnittkanten des Messers sorgfältig, insbesondere dort, wo die geraden Flächen die gebogenen berühren (Bild 29). Da Sand und anderes reibendes Material das Metall abschleifen kann, das die flachen mit den gebogenen Teilen verbindet, müssen Sie das Messer vor jedem Einsatz der Maschine prüfen. Wenn Sie Abnutzungen (Bild 29) feststellen, tauschen Sie das Messer aus, siehe Entfernen und Einbauen der Messer.

Warnung:
Wenn sich das Messer abwetzen kann, bildet sich ein Schlitz zwischen dem Windflügel und dem flachen Teil des Messers (Bild 29). Zuletzt kann sich ein Stück des Messers lösen und aus dem Gehäuse herausgeschleudert werden. Das kann zu schweren Verletzungen bei Ihnen selbst und Unbeteiligten führen.
-
Prüfen Sie das Messer regelmäßig auf Abnutzung und Defekte.
-
Tauschen Sie ein abgenutztes oder beschädigtes Messer gegen ein neues Toro Messer aus, um die Sicherheitszulassung des Produkts auch weiterhin zu garantieren.
-
-
Untersuchen Sie die Schnittkanten aller Messer. Schärfen Sie alle stumpfen und ausgekerbten Schnittkanten. Schärfen Sie nur die Oberseite der Schnittkanten und behalten dabei den ursprünglichen Schnittwinkel bei, um die Schärfe des Messers zu gewährleisten (Bild 30). Das Schnittmesser behält seine Auswuchtung bei, wenn von beiden Schnittkanten die gleiche Materialmenge entfernt wird.

Note: Entfernen Sie die Messer und schärfen Sie auf einem Schleifapparat; siehe Entfernen der Schnittmesser“. Bringen Sie nach dem Schärfen der Schnittkanten das Messer mit der Antiskalpierkuppe und der Messerschraube an. Die Windflügel müssen sich oben auf dem Messer befinden. Ziehen Sie die Messerschraube bis auf 115-149 Nm an.
Anpassen der Mähwerksbegrenzungsketten
Verwenden Sie zwei Unterlegscheiben für das Mähwerk Toro Bestellnr. 138-8243 oder zwei Fühlerlehren – 0,15 mm
Vorbereiten des Mähwerks
-
Starten Sie den Motor, senken Sie das linke und rechte Mähwerk ab, schalten Sie den Motor aus, ziehen Sie den Schlüssel ab und warten Sie, bis alle beweglichen Teile zum Stillstand gekommen sind.
-
Wischen Sie am äußeren Mähwerk die Lasche des inneren Kanals ab (Bild 31).


-
Lösen Sie an der Vorderseite des Mähwerks die außenliegenden gezahnten Bundmuttern, die die vier Bügelschrauben (Bild 32) sichern, vollständig.

-
Lösen Sie auf der Rückseite des Mähwerks die innenliegenden gezahnten Bundmuttern, die die vier Bügelschrauben (Bild 33) sichern, vollständig.

Einbau der Unterlegscheibe am Mähwerk
-
Bringen Sie die Unterlegscheibe des Mähwerks an der Vorderseite des Mähwerks an, wie in Bild 34 dargestellt.
Note: Führen Sie den Teil der langen Lasche der Unterlegscheibe unter der Riemenabdeckung ein.


-
Bringen Sie die Unterlegscheibe des Mähwerks an der Voderseite des Mähwerks an, wie in Bild 35 dargestellt.

Note: Wenn Sie Fühlerlehren verwenden, verwenden Sie ein Stück Klebeband, um eine Fühlerlehre - 0,15 mm - auf die Lasche des inneren Kanals (Bild 36) zu kleben.

-
Starten Sie den Motor, heben Sie das linke und rechte Mähwerk an, schalten Sie den Motor aus, ziehen Sie den Schlüssel ab und warten Sie, bis alle beweglichen Teile zum Stillstand gekommen sind.
Spannen der Ketten
-
Ziehen Sie an der Vorderseite des Mähwerks die außenliegenden gezahnten Bundmuttern fest, bis die Ketten gespannt sind (Bild 37).
Note: Achten Sie darauf, dass die Unterlegscheibe am Mähwerk (oder die Fühlerlehre) das Drehgelenk berührt.
Important: Achten Sie darauf, dass die oberen und unteren gezahnten Bundmutterpaare gleichmäßig eingestellt sind.

-
Setzen Sie die innenliegenden gezahnten Bundmuttern (Bild 37) ein und ziehen Sie sie auf ein Drehmoment von 103 bis 127 N·m an.
-
Ziehen Sie an der Rückseite des Mähwerks die innenliegenden gezahnten Bundmuttern fest, bis die Ketten gespannt sind (Bild 38).
Note: Achten Sie darauf, dass die Unterlegscheibe am Mähwerk (oder die Fühlerlehre) das Drehgelenk berührt.
Important: Achten Sie darauf, dass die oberen und unteren gezahnten Bundmutterpaare gleichmäßig eingestellt sind.

-
Setzen Sie die außenliegenden gezahnten Bundmuttern (Bild 38) ein und ziehen Sie sie auf ein Drehmoment von 103 bis 127 N·m an.
-
Starten Sie den Motor, senken Sie das eingestellte Mähwerk ab und heben Sie das andere Mähwerk an, schalten Sie den Motor aus, ziehen Sie den Schlüssel ab und warten Sie, bis alle beweglichen Teile zum Stillstand gekommen sind.
-
Entfernen Sie die Unterlegscheiben oder Fühlerlehren (Bild 39).

-
Wiederholen Sie die Schritte Einbau der Unterlegscheibe am Mähwerk und Spannen der Ketten für die anderen Mähwerke.
Unterseite des Mähwerks reinigen
| Wartungsintervall | Wartungsmaßnahmen |
|---|---|
| Nach jeder Verwendung |
|
Entfernen Sie täglich Schnittgutrückstände unter dem Mähwerk.
-
Kuppeln Sie die Zapfwelle aus, lassen Sie das Fahrpedal in die Neutral-Stellung zurückgehen, und aktivieren Sie die Feststellbremse.
-
Schieben Sie den Gasbedienungshebel in die LANGSAM-Stellung, stellen Sie den Motor ab, ziehen Sie den Schüssel ab, und verlassen Sie den Sitz erst, wenn alle beweglichen Teile zum Stillstand gekommen sind.
-
Heben Sie die Schneideinheiten in die TRANSPORTSTELLUNG an.
-
Heben Sie die Maschine vorne an und stützen Sie sie auf Achsständern ab.
-
Reinigen Sie die Unterseite der Schneideinheit gründlich mit Wasser.






























