Mantenimiento
Calendario recomendado de mantenimiento
| Intervalo de mantenimiento y servicio | Procedimiento de mantenimiento |
|---|---|
| Después de las primeras 2 horas |
|
| Después de las primeras 10 horas |
|
| Después de las primeras 50 horas |
|
| Cada vez que se utilice o diariamente |
|
| Cada 50 horas |
|
| Cada 150 horas |
|
| Cada 400 horas |
|
Cuidado
Si deja la llave en el interruptor de encendido, alguien podría arrancar el motor accidentalmente y causar lesiones graves a usted o a otras personas.
Retire la llave del interruptor de encendido antes de realizar ninguna operación de mantenimiento.
Advertencia
Si usted eleva la máquina usando solamente un gato para apoyarla mientras trabaja debajo de la carcasa de corte, el gato podría volcar, haciendo que caiga la carcasa de corte, aplastándole a usted o a otras personas.
Asegure la máquina siempre con al menos 2 soportes fijos cuando la carcasa del cortacésped está elevada.
Cuidado
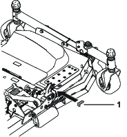
En la parte superior de la carcasa del cortacésped hay dos brazos de acoplamiento que conectan la carcasa al bastidor. Estos brazos están conectados a muelles de torsión que están bajo tensión (Figura 12). Si usted desconecta el brazo, la energía almacenada en el muelle de torsión será liberada y podría desplazar los brazos de acoplamiento, causándole lesiones en las manos o los dedos.
Tenga cuidado al retirar la carcasa del cortacésped del bastidor, y asegure los brazos de acoplamiento antes de desconectarlos del bastidor.

Lubricación
| Intervalo de mantenimiento y servicio | Procedimiento de mantenimiento |
|---|---|
| Cada vez que se utilice o diariamente |
|
| Cada 50 horas |
|
La máquina tiene engrasadores que deben ser lubricados regularmente con grasa de litio de propósito general Nº 2. Si la máquina se utiliza en condiciones normales, lubrique todos los cojinetes y casquillos después de cada 50 horas de operación o inmediatamente después de cada lavado.
Lubrique las zonas siguientes:
-
Casquillos (4) del eje de la horquilla de las ruedas giratorias (Figura 13)

-
Brazos de acoplamiento de la carcasa (5) (Figura 14)

-
Pivotes de los brazos tensores (4) (Figura 15)

-
Bisagras de las carcasas laterales (10) (Figura 16)

-
Pivote del brazo de la rueda giratoria plegable (1) (Figura 17)

-
Árbol de transmisión de la TDF (2) (Figura 18)

-
Cojinetes de los ejes de las cuchillas (5) (Figura 19).

Mantenimiento del lubricante de la caja de engranajes de la carcasa de corte
La caja de engranajes está diseñada para funcionar con lubricante para engranajes SAE 80W-90. Aunque la caja de engranajes viene de fábrica lleno de lubricante, compruebe el nivel antes de utilizar la unidad de corte por primera vez, y luego cada 150 horas de operación. Cambie el lubricante de la caja de engranajes cada 400 horas de operación.
Comprobación del lubricante de la caja de engranajes de la carcasa de corte
| Intervalo de mantenimiento y servicio | Procedimiento de mantenimiento |
|---|---|
| Cada 150 horas |
|
-
Coloque la máquina y la unidad de corte en una superficie nivelada.
-
Baje la carcasa de corte a la posición de altura de corte de 2,5 cm.
-
Desengrane la toma de fuerza, suelte el pedal de tracción y ponga el freno de estacionamiento.
-
Mueva la palanca del acelerador a la posición de Lento, pare el motor, retire la llave y espere a que se detengan todas las piezas en movimiento antes de abandonar el puesto del operador.
-
Levante el reposapiés, dejando expuesta la parte superior de la carcasa del cortacésped.
-
Retire la varilla/ tapón de llenado de la parte superior de la caja de engranajes (Figura 20) y asegúrese de que el lubricante está entre las marcas de la varilla.

-
Si el nivel de lubricante es bajo, añada lubricante hasta que el nivel esté entre las marcas de la varilla.
Note: No llene demasiado la caja de engranajes, porque puede dañarse.
Cambio del lubricante de la caja de engranajes de la carcasa de corte
| Intervalo de mantenimiento y servicio | Procedimiento de mantenimiento |
|---|---|
| Después de las primeras 50 horas |
|
| Cada 400 horas |
|
-
Coloque la máquina y la unidad de corte en una superficie nivelada.
-
Baje la carcasa de corte a la posición de altura de corte de 2,5 cm.
-
Desengrane la toma de fuerza, suelte el pedal de tracción y ponga el freno de estacionamiento.
-
Mueva la palanca del acelerador a la posición de Lento, pare el motor, retire la llave y espere a que se detengan todas las piezas en movimiento antes de abandonar el puesto del operador.
-
Levante el reposapiés, dejando expuesta la parte superior de la carcasa del cortacésped.
-
Retire el tapón de llenado/varilla de la parte superior de la caja de engranajes (Figura 20).
-
Coloque un recipiente debajo del tapón de vaciado, situado debajo de la parte delantera de la caja de engranajes, y retire el tapón, dejando que el lubricante se vacíe en el recipiente.
-
Vuelva a colocar el tapón de vaciado.
-
Añada aproximadamente 414 ml de lubricante, hasta que el nivel esté entre las marcas de la varilla.
Note: No llene demasiado la caja de engranajes, porque puede dañarse.
Mantenimiento de las correas de transmisión
Consulte en Figura 21 el enrutado correcto de las correas de transmisión.

Mantenimiento de los casquillos de las ruedas giratorias
Los brazos de las ruedas giratorias tienen casquillos colocados a presión en las partes superior e inferior del tubo, que se desgastarán después de muchas horas de uso. Para comprobar los casquillos, mueva la horquilla hacia adelante y hacia atrás, y de un lado a otro. Si el eje tiene holgura dentro de los casquillos, los casquillos están desgastados y deben cambiarse.
-
Levante la unidad de corte de manera que las ruedas queden levantadas del suelo. Bloquee la unidad de corte para evitar que se caiga accidentalmente.
-
Retire el casquillo tensor, el/los suplemento(s) y la arandela de empuje de la parte superior del husillo de la rueda giratoria.
-
Retire el husillo del tubo de montaje. Deje la arandela de empuje y el/los suplemento(s) en la parte inferior del husillo.
-
Inserte un botador fino en la parte superior o inferior del tubo de montaje y dé golpes hasta que salga el casquillo del tubo (Figura 22).

-
Extraiga el otro casquillo del tubo.
-
Limpie el interior de los tubos para eliminar toda suciedad.
-
Aplique grasa al interior y al exterior de los casquillos nuevos.
-
Usando un martillo y una chapa plana, coloque los casquillos nuevos en el tubo de montaje.
-
Inspeccione el husillo para ver si está desgastado, y cámbielo si está dañado.
-
Inserte el husillo de la rueda giratoria por los casquillos y el tubo de montaje.
-
Deslice la arandela de empuje y el/los suplemento(s) en el eje.
-
Coloque el casquillo tensor en el eje para retener todas las piezas.
Mantenimiento de las ruedas giratorias y los cojinetes
| Intervalo de mantenimiento y servicio | Procedimiento de mantenimiento |
|---|---|
| Después de las primeras 2 horas |
|
| Después de las primeras 10 horas |
|
| Cada 50 horas |
|
-
Retire la contratuerca del perno que sujeta el conjunto de la rueda giratoria en la horquilla (Figura 23).

-
Sujete la rueda giratoria y retire el perno de la horquilla o del brazo de pivote.
-
Retire el cojinete de la rueda y deje que se caiga el suplemento del cojinete (Figura 23).
-
Retire el cojinete del otro lado de la rueda.
-
Compruebe los cojinetes, el suplemento y el interior de la rueda por si estuvieran desgastados. Sustituya cualquier pieza dañada.
-
Para ensamblar la rueda giratoria, coloque el cojinete en el cubo de la rueda.
Note: Al instalar los cojinetes, empuje en el anillo de rodadura exterior de los mismos.
-
Deslice el suplemento del cojinete en el cubo de la rueda. Coloque el otro cojinete en la parte abierta del cubo de la rueda para fijar el suplemento dentro del cubo.
-
Instale el conjunto de la rueda giratoria entre la horquilla y fíjelo con el perno y la contratuerca.
Mantenimiento de las cuchillas de corte
Mantenga las cuchillas afiladas durante toda la temporada de corte, ya que una cuchilla afilada corta limpiamente y sin rasgar o deshilachar las hojas de hierba. Si se rasgan o se deshilachan, los bordes de las hojas se secarán, lo cual retardará su crecimiento y favorecerá la aparición de enfermedades.
Compruebe cada día que las cuchillas de corte están afiladas y que no están desgastadas o dañadas. Afile las cuchillas siempre que sea necesario. Si una cuchilla está desgastada o deteriorada, sustitúyala inmediatamente por una cuchilla nueva genuina Toro.
Peligro
Una cuchilla desgastada o dañada puede romperse, y un trozo de la cuchilla podría ser arrojado hacia usted u otra persona, provocando lesiones personales graves o la muerte.
-
Inspeccione periódicamente las cuchillas, para asegurarse de que no están desgastadas ni dañadas.
-
Sustituya cualquier cuchilla desgastada o dañada.
Inspeccione y compruebe las cuchillas cada 8 horas.
Antes de inspeccionar o realizar mantenimiento en las cuchillas
-
Desengrane la toma de fuerza, suelte el pedal de tracción y ponga el freno de estacionamiento.
-
Mueva la palanca del acelerador a la posición de Lento, pare el motor, retire la llave y espere a que se detengan todas las piezas en movimiento antes de abandonar el puesto del operador.
Inspección de las cuchillas
| Intervalo de mantenimiento y servicio | Procedimiento de mantenimiento |
|---|---|
| Cada vez que se utilice o diariamente |
|
-
Inspeccione los filos de corte (Figura 24). Si los bordes no están afilados o tienen muescas, retire las cuchillas y afílelas. Consulte Afilado de las cuchillas.
-
Inspeccione las cuchillas, especialmente la parte de la vela (Figura 24). Si observa daños, desgaste o la formación de una ranura en esta zona (Figura 24), instale inmediatamente una cuchilla nueva.
Peligro
Si permite que se desgaste la cuchilla, se formará una ranura entre la vela y la parte plana de la cuchilla. Con el tiempo, una parte de la cuchilla puede desprenderse y ser arrojada desde debajo de la carcasa, posiblemente causando lesiones graves o la muerte a usted o a otra persona.
-
Inspeccione periódicamente las cuchillas, para asegurarse de que no están desgastadas ni dañadas.
-
No intente enderezar una cuchilla doblada, y no suelde nunca una cuchilla rota o agrietada.
-
Sustituya cualquier cuchilla desgastada o dañada.

-
Verificación de la rectilinealidad de las cuchillas
-
Desengrane la toma de fuerza, suelte el pedal de tracción y ponga el freno de estacionamiento.
-
Mueva la palanca del acelerador a la posición de Lento, pare el motor, retire la llave y espere a que se detengan todas las piezas en movimiento antes de abandonar el puesto del operador.
-
Gire las cuchillas hasta que los extremos estén orientados hacia adelante y hacia atrás (Figura 25).

-
Mida desde una superficie nivelada hasta el filo de corte, posición A, de las cuchillas (Figura 25). Anote esta dimensión.
-
Gire hacia adelante los otros extremos de las cuchillas.
-
Mida desde una superficie nivelada hasta el filo de corte de las cuchillas en la misma posición que en el paso 3 anterior. La diferencia entre las dimensiones obtenidas en los pasos 3 y 4 no debe superar los 3 mm. Si esta dimensión es superior a 3 mm, la cuchilla está doblada y debe ser cambiada; consulte Cómo retirar las cuchillas y Cómo instalar las cuchillas.
Advertencia
Una cuchilla doblada o dañada podría romperse y podría causar graves lesiones o la muerte a usted o a otras personas.
-
Siempre sustituya una cuchilla doblada o dañada por una cuchilla nueva.
-
Nunca lime ni cree muescas afiladas en los bordes o en la superficie de la cuchilla.
-
Cómo retirar las cuchillas
Las cuchillas deben cambiarse si han golpeado un objeto sólido, si están desequilibradas o si están dobladas. Para asegurar un rendimiento óptimo y el continuado cumplimiento de las normas de seguridad de la máquina, utilice cuchillas de repuesto genuinas Toro. Las cuchillas de repuesto de otros fabricantes pueden hacer que se incumplan las normas de seguridad.
Advertencia
El contacto con una cuchilla afilada puede causar graves lesiones.
Lleve guantes, o envuelva los bordes cortantes de la cuchilla con un trapo.
-
Sujete el extremo de la cuchilla usando un trapo o un guante grueso.
-
Retire del eje el perno de la cuchilla, el protector del césped y la cuchilla (Figura 28).
Afilado de las cuchillas
Advertencia
Mientras se afilan las cuchillas, es posible que salgan despedidos trozos de las mismas, causando lesiones graves.
Lleve protección ocular adecuada mientras afila las cuchillas.
-
Afile el filo de corte en ambos extremos de la cuchilla (Figura 26).
Note: Mantenga el ángulo original. La cuchilla permanece equilibrada si se retira la misma cantidad de material de ambos bordes de corte.

-
Verifique el equilibrio de la cuchilla colocándola sobre un equilibrador de cuchillas (Figura 27).
Note: Si la cuchilla se mantiene horizontal, está equilibrada y puede utilizarse. Si la cuchilla no está equilibrada, rebaje algo el metal en la parte de la vela solamente (Figura 28). Repita este procedimiento hasta que la cuchilla esté equilibrada.


Cómo instalar las cuchillas
Note: Las cuchillas de las 2 carcasas laterales no son las mismas que las 3 cuchillas centrales.
-
Instale la cuchilla en el eje (Figura 28).
Important: La parte curva de la cuchilla debe apuntar hacia arriba, hacia el interior del cortacésped para asegurar un corte correcto.
-
Instale la placa protectora de césped y el perno de la cuchilla (Figura 28).
-
Apriete el perno de la cuchilla a 115–149 N·m.
Ajuste de las cadenas limitadoras de la carcasa
Utilice 2 suplementos para la carcasa (Toro Pieza Nº 138-8243) o 2 galgas de 0,15 mm
Preparación de la carcasa
-
Arranque el motor, baje las carcasas izquierda y derecha, apague el motor, retire la llave y espere a que se detengan todas las piezas en movimiento.
-
En las carcasas exteriores, limpie con un trapo la pestaña del canal interior (Figura 29).


-
En la parte delantera de la carcasa, afloje del todo las tuercas con arandela prensada dentada que sujetan las 4 abrazaderas (Figura 30).

-
En la parte trasera de la carcasa, afloje del todo las tuercas con arandela prensada dentada que sujetan las 4 abrazaderas (Figura 31).

Colocación del suplemento en la carcasa
-
Instale los suplementos de la carcasa en la parte delantera de la carcasa, como se muestra en la Figura 32.
Note: Introduzca la pestaña larga del suplemento por debajo de la cubierta de la correa.


-
Instale los suplementos de la carcasa en la parte delantera de la carcasa, como se muestra en la Figura 33.

Note: Si utiliza galgas, utilice un trozo de cinta para pegar una galga de 0,15 mm a la pestaña del canal interior (Figura 34).

-
Arranque el motor, eleve totalmente las carcasas izquierda y derecha, apague el motor, retire la llave y espere a que se detengan todas las piezas en movimiento.
Tensado de las cadenas
-
En la parte delantera de la carcasa, apriete las tuercas con arandela prensada dentada exteriores hasta que las cadenas estén tensadas (Figura 35).
Note: Asegúrese de que el suplemento (o la galga) de la carcasa está en contacto con el acoplamiento de giro.
Important: Asegúrese de ajustar uniformemente los pares de tuercas con arandela prensada dentada superiores e inferiores.

-
Enrosque las tuercas con arandela prensada dentada interiores (Figura 35) y apriételas a 103 – 127 N∙m.
-
En la parte trasera de la carcasa, apriete las tuercas con arandela prensada dentada interiores hasta que las cadenas estén tensadas (Figura 36).
Note: Asegúrese de que el suplemento (o la galga) de la carcasa está en contacto con el acoplamiento de giro.
Important: Asegúrese de ajustar uniformemente los pares de tuercas con arandela prensada dentada superiores e inferiores.

-
Enrosque las tuercas con arandela prensada dentada exteriores (Figura 36) y apriételas a 103 – 127 N∙m.
-
Arranque el motor, baje la carcasa ajustada, eleve la otra carcasa, apague el motor, retire la llave y espere a que se detengan todas las piezas en movimiento.
-
Retire los suplementos o las galgas (Figura 37).

-
Repita los pasos de Colocación del suplemento en la carcasa y Tensado de las cadenas en la otra carcasa de corte.


















