Manutenzione
Programma di manutenzione raccomandato
| Cadenza di manutenzione | Procedura di manutenzione |
|---|---|
| Dopo le prime 2 ore |
|
| Dopo le prime 10 ore |
|
| Dopo le prime 50 ore |
|
| Prima di ogni utilizzo o quotidianamente |
|
| Ogni 50 ore |
|
| Ogni 150 ore |
|
| Ogni 400 ore |
|
Attenzione
Se lasciate la chiave nell'interruttore di accensione, qualcuno potrebbe accidentalmente avviare il motore e ferire gravemente voi o altre persone.
Togliete la chiave dall'interruttore di accensione prima di ogni intervento di manutenzione.
Avvertenza
Se sollevate la macchina con un cricchetto per sostenerla mentre lavorate sotto il piatto di taglio, il cricchetto potrebbe inclinarsi e far cadere il piatto di taglio, schiacciando voi o gli astanti.
Se dovete sollevate il piatto di taglio, sostenete sempre la macchina con un minimo di due cavalletti meccanici.
Attenzione
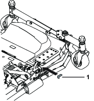
Sopra il piatto di taglio sono previste due connessioni che li collegano al telaio. A queste connessioni sono collegate delle molle di torsione sotto tensione (Figura 12). Scollegando la connessione si rilascia l'energia accumulata nella molla di torsione, che può causare il movimento della connessione e ferirvi le mani o le dita.
Prestate attenzione nel rimuovere il piatto di taglio dal telaio, e fissate le connessioni prima di scollegarle dal telaio.

Lubrificazione
| Cadenza di manutenzione | Procedura di manutenzione |
|---|---|
| Prima di ogni utilizzo o quotidianamente |
|
| Ogni 50 ore |
|
La macchina è dotata di raccordi per ingrassaggio che devono essere lubrificati ad intervalli regolari con grasso universale n. 2 a base di litio. Se utilizzate la macchina in condizioni normali, lubrificate tutti i cuscinetti e le boccole ogni 50 ore di servizio o immediatamente dopo ogni lavaggio.
Lubrificate le seguenti zone:
-
Boccole (4) dell'asse della forcella delle ruote orientabili (Figura 13)

-
Attacchi del piatto (5) (Figura 14)

-
Perni del braccio di rinvio (4) (Figura 15)

-
Cerniere del piatto laterale (10) (Figura 16)

-
Perno del braccio della ruota orientabile pieghevole (1) (Figura 17)

-
Albero di trasmissione PDF (2) (Figura 18)

-
Cuscinetti dell'asse del perno (5) (Figura 19)

Revisione del lubrificante per ingranaggi del piatto di taglio
Gli ingranaggi funzionano con lubrificante per ingranaggi SAE 80W-90. Gli ingranaggi sono stati lubrificati in fabbrica, tuttavia si consiglia di controllare il livello del lubrificante prima di utilizzare il piatto di taglio per la prima volta, ed in seguito ogni 150 ore di servizio. Cambiate il lubrificante negli ingranaggi ogni 400 ore di servizio.
Controllo del lubrificante per ingranaggi del piatto di taglio
| Cadenza di manutenzione | Procedura di manutenzione |
|---|---|
| Ogni 150 ore |
|
-
Parcheggiate la macchina e l'apparato di taglio su terreno pianeggiante.
-
Abbassate il piatto di taglio all'altezza di taglio di 2,5 cm.
-
Disinnestate la PDF, rilasciate il pedale della trazione e inserite il freno di stazionamento.
-
Portate la leva dell'acceleratore in posizione Minima, spegnete il motore, togliete la chiave, e prima di scendere dalla postazione di guida attendete che tutte le parti in movimento si arrestino.
-
Alzate il poggiapiedi per esporre la parte superiore del piatto di taglio.
-
Togliete il tappo di riempimento/asta di livello da sopra gli ingranaggi (Figura 20) e verificate che il lubrificante si trovi tra i segni riportati sull'asta.

-
Se il lubrificante è insufficiente, rabboccate fino a raggiungere i segni di pieno sull'asta di livello.
Note: Non riempite troppo, per non danneggiare gli ingranaggi.
Cambio del lubrificante per ingranaggi del piatto di taglio
| Cadenza di manutenzione | Procedura di manutenzione |
|---|---|
| Dopo le prime 50 ore |
|
| Ogni 400 ore |
|
-
Parcheggiate la macchina e l'apparato di taglio su terreno pianeggiante.
-
Abbassate il piatto di taglio all'altezza di taglio di 2,5 cm.
-
Disinnestate la PDF, rilasciate il pedale della trazione e inserite il freno di stazionamento.
-
Portate la leva dell'acceleratore in posizione Minima, spegnete il motore, togliete la chiave, e prima di scendere dalla postazione di guida attendete che tutte le parti in movimento si arrestino.
-
Alzate il poggiapiedi per esporre la parte superiore del piatto di taglio.
-
Togliete l'asta di livello/tappo di riempimento da sopra gli ingranaggi (Figura 20).
-
Mettete una bacinella sotto il tappo di spurgo situato sotto la parte anteriore degli ingranaggi e togliete il tappo per scaricare il lubrificante nella bacinella.
-
Montate il tappo di spurgo.
-
Rabboccate con circa 414 ml di lubrificante, finché il livello non raggiunge i segni di pieno sull'asta.
Note: Non riempite troppo, per non danneggiare gli ingranaggi.
Revisione delle cinghie di trasmissione
Fate riferimento a Figura 21 per disporre adeguatamente le cinghie di trasmissione.

Manutenzione delle boccole dei bracci delle ruote orientabili
Nel tubo dei bracci delle ruote orientabili sono inserite, in alto e in basso, delle boccole; dopo molte ore di servizio le boccole si consumano. Per controllare le boccole, spostate la forcella della ruota orientabile avanti e indietro e da un lato all'altro. Se il perno della ruota orientabile risulta allentato all'interno delle boccole, significa che le boccole sono consumate e devono essere sostituite.
-
Alzate l'apparato di taglio, in modo che le ruote siano sollevate da terra. Bloccate l'apparato di taglio per impedire che cada accidentalmente.
-
Togliete il cappuccio di tensione, il distanziale (o distanziali) e la rondella di spinta dalla parte superiore del perno della ruota orientabile.
-
Estraete il perno della ruota orientabile dal tubo di fissaggio. Lasciate la rondella di spinta e il distanziale (o distanziali) sulla base del perno.
-
Inserite un punteruolo nella parte superiore o inferiore del tubo di fissaggio, e spingete la boccola fuori del tubo (Figura 22).

-
Estraete dal tubo l'altra boccola.
-
Pulite l'interno dei tubi per rimuovere lo sporco.
-
Lubrificate le nuove boccole all'interno ed all'esterno con del grasso.
-
Con un martello e una piastra piatta inserite le boccole nel tubo di fissaggio.
-
Controllate che il perno della ruota orientabile non sia usurato, e sostituitelo se è danneggiato.
-
Spingete il perno della ruota orientabile nelle boccole e nel tubo di fissaggio.
-
Fate scorrere la rondella di spinta e il distanziale (o distanziali) sul perno.
-
Mettete il cappuccio di tensione sul perno della ruota orientabile per fissare in sede tutte le parti.
Revisione delle rotelle orientabili e dei cuscinetti
| Cadenza di manutenzione | Procedura di manutenzione |
|---|---|
| Dopo le prime 2 ore |
|
| Dopo le prime 10 ore |
|
| Ogni 50 ore |
|
-
Togliete il dado di bloccaggio dal bullone che fissa la ruota orientabile alla forcella (Figura 23).

-
Afferrate la ruota orientabile ed estraete la vite a testa cilindrica dalla forcella o dal braccio di rotazione.
-
Togliete il cuscinetto dal mozzo della ruota e lasciate cadere il distanziale del cuscinetto (Figura 23).
-
Togliete il cuscinetto dalla parte opposta del mozzo della ruota.
-
Controllate che i cuscinetti, il distanziale e l'interno del mozzo non siano usurati. Sostituite le parti avariate.
-
Per montare la ruota orientabile, inserite il cuscinetto nel mozzo della ruota.
Note: Durante il montaggio dei cuscinetti, premete l’anello esterno del cuscinetto.
-
Fate scorrere il distanziale del cuscinetto nel mozzo della ruota. Spingete l'altro cuscinetto nell'estremità aperta del mozzo della ruota, in modo da imprigionare il distanziale all'interno del mozzo.
-
Montate il gruppo ruota orientabile tra le forcelle, e fissatelo in sede con il bullone e il dado di bloccaggio.
Revisione delle lame di taglio
Mantenete affilate le lame per tutta la stagione di taglio, perché le lame affilate eseguono un taglio netto senza strappare o frammentare l’erba. In caso contrario i bordi dell'erba diventano marrone, di conseguenza l'erba cresce più lentamente ed è più soggetta a malattie.
Ogni giorno controllate che le lame siano affilate, e che non siano usurate o danneggiate. All'occorrenza affilate le lame. Sostituite immediatamente la lama se è danneggiata o usurata, utilizzando una lama di ricambio originale Toro.
Pericolo
Le lame consumate o danneggiate possono spezzarsi e scagliare frammenti verso di voi o un astante, causando gravi ferite o anche la morte.
-
Controllate la lama ad intervalli regolari, per accertare che non sia consumata o danneggiata.
-
Se la lama è consumata o danneggiata, sostituitela.
Controllate accuratamente le lame ogni 8 ore.
Prima di controllare o revisionare le lame
-
Disinnestate la PDF, rilasciate il pedale della trazione e inserite il freno di stazionamento.
-
Portate la leva dell'acceleratore in posizione Minima, spegnete il motore, togliete la chiave, e prima di scendere dalla postazione di guida attendete che tutte le parti in movimento si arrestino.
Controllo delle lame
| Cadenza di manutenzione | Procedura di manutenzione |
|---|---|
| Prima di ogni utilizzo o quotidianamente |
|
-
Controllate i taglienti (Figura 24). Se i taglienti non sono affilati o mostrano delle tacche, togliete le lame e affilatele. Vedere Affilatura delle lame.
-
Controllate le lame, in particolare la costa (Figura 24). In caso di danni, usura o scanalature nell'area (Figura 24), montate immediatamente una nuova lama.
Pericolo
Se continuate ad usare una lama usurata, si forma una scanalatura tra la costa e la sezione piatta della lama. Alla fine, un pezzo di lama può staccarsi e venire lanciato dal sottoscocca, con il rischio di ferite gravi o morte per voi o gli astanti.
-
Controllate la lama ad intervalli regolari, per accertare che non sia consumata o danneggiata.
-
Non cercate di raddrizzare le lame curve, e non saldate mai le lame spezzate o incrinate.
-
Se la lama è consumata o danneggiata, sostituitela.

-
Controllo delle lame curve
-
Disinnestate la PDF, rilasciate il pedale della trazione e inserite il freno di stazionamento.
-
Portate la leva dell'acceleratore in posizione Minima, spegnete il motore, togliete la chiave, e prima di scendere dalla postazione di guida attendete che tutte le parti in movimento si arrestino.
-
Girate le lame fino a disporle in parallelo con la lunghezza della macchina (Figura 25).

-
Misurate da un piano orizzontale fino al tagliente delle lame, posizione A, (Figura 25). Prendete nota di questa misura.
-
Girate in avanti le estremità opposte delle lame.
-
Misurate da un piano orizzontale fino al tagliente delle lame, nella medesima posizione riportata alla precedente voce 3. La differenza tra le misure rilevate alle voci e 4 non deve superare i 3 mm. Se la differenza supera 3 mm, la lama è curva e dev'essere sostituita; vedere Rimozione delle lame e Montaggio delle lame.
Avvertenza
Una lama curva o danneggiata può spezzarsi e ferire gravemente o uccidere voi o gli astanti.
-
Sostituite sempre con una lama nuova le lame curve o danneggiate.
-
Non limate mai la lama, e non create intaccature aguzze sul tagliente o sulla superficie della lama.
-
Rimozione delle lame
Sostituite le lame se colpiscono un corpo solido, e se sono sbilanciate o curve. Per ottenere prestazioni ottimali e mantenere la macchina in conformità alle norme di sicurezza, utilizzate lame di ricambio originali Toro. Le lame di ricambio di altre marche possono annullare la conformità alle norme di sicurezza.
Avvertenza
Il contatto con una lama affilata può causare gravi ferite.
Indossate guanti di protezione o avvolgete con un cencio i taglienti affilati della lama.
-
Tenete l'estremità della lama con un cencio o un guanto bene imbottito.
-
Togliete il bullone, la piastra antistrappo e la lama dall'asse del fusello (Figura 28).
Affilatura delle lame
Avvertenza
Le schegge causate dall'affilatura della lama possono causare gravi ferite.
Durante l'affilatura delle lame indossate l'opportuna protezione degli occhi.
-
Affilate il tagliente da entrambe le estremità della lama (Figura 26).
Note: Rispettate l'angolazione originale. La lama conserva il proprio equilibrio soltanto se viene rimossa una quantità uguale di materiale da entrambi i taglienti.

-
Controllate l’equilibrio della lama posizionandola su un bilanciatore (Figura 27).
Note: Se la lama rimane in posizione orizzontale, è bilanciata e può essere utilizzata. Se la lama non è bilanciata, limate del metallo soltanto dalla costa (Figura 28). Ripetete la procedura finché la lama non è perfettamente bilanciata.


Montaggio delle lame
Note: Le 2 lame del piatto laterale non sono uguali alle 3 lame centrali.
Regolazione delle catene limitatrici del piatto
Utilizzate 2 spessori per piatti n. cat. Toro 138-8243 oppure 2 spessimetri da 0,15 mm
Preparazione del piatto di taglio
-
Avviate il motore, abbassate i piatti destro e sinistro, spegnete il motore, togliete la chiave e attendete che tutte le parti in movimento si arrestino.
-
Pulite con un panno la linguetta del profilo interno dei piatti esterni (Figura 29).


-
Nella parte anteriore del piatto, allentate completamente i dadi flangiati dentati esterni che fissano i 4 cavallotti (Figura 30).

-
Nella parte posteriore del piatto, allentate completamente i dadi flangiati dentati interni che fissano i 4 cavallotti (Figura 31).

Montaggio dello spessore sul piatto
-
Installate gli spessori del piatto nella parte anteriore del piatto come mostrato nella Figura 32.
Note: Inserite la linguetta lunga dello spessore sotto al copricinghia.


-
Installate gli spessori del piatto nella parte anteriore del piatto come mostrato nella Figura 33.

Note: Se utilizzate spessimetri, servitevi di un pezzo di nastro per far aderire uno spessimetro di 0,15 mm alla linguetta del profilo interno (Figura 34).

-
Avviate il motore, sollevate completamente i piatti destro e sinistro, spegnete il motore, togliete la chiave e attendete che tutte le parti in movimento si arrestino.
Messa in tensione delle catene
-
Nella parte anteriore del piatto, serrate i dadi flangiati dentati esterni sinché le catene non sono in tensione (Figura 35).
Note: Assicuratevi che gli spessori del piatto (o lo spessimetro) entrino perciò in contatto con lo snodo girevole.
Important: Assicuratevi che le coppie di dadi flangiati dentati superiori e inferiori siano regolate uniformemente.

-
Inserite i dadi flangiati dentati interni (Figura 35) e serrateli a una coppia compresa tra 103 e 127 N∙m.
-
Nella parte posteriore del piatto, serrate i dadi flangiati dentati interni sinché le catene non sono in tensione (Figura 36).
Note: Assicuratevi che gli spessori del piatto (o lo spessimetro) entrino perciò in contatto con lo snodo girevole.
Important: Assicuratevi che le coppie di dadi flangiati dentati superiori e inferiori siano regolate uniformemente.

-
Inserite i dadi flangiati dentati esterni (Figura 36) e serrateli a una coppia compresa tra 103 e 127 N∙m.
-
Avviate il motore, abbassate il piatto che avete regolato, sollevate l'altro piatto, spegnete il motore, togliete la chiave e attendete che tutte le parti in movimento di arrestino.
-
Rimuovete gli spessori o gli spessimetri (Figura 37).

-
Ripetete i passaggi al punto Montaggio dello spessore sul piatto e Messa in tensione delle catene per gli altri piatti di taglio.


















