Viðhald
Ráðlögð viðhaldsáætlun/-áætlanir
| Tíðni viðhaldsþjónustu | Viðhaldsferli |
|---|---|
| Eftir fyrstu 8 klukkustundirnar |
|
| Fyrir hverja notkun eða daglega |
|
| Á 25 klukkustunda fresti |
|
| Á 50 klukkustunda fresti |
|
| Á 100 klukkustunda fresti |
|
Þrif á hlíf safnarans
| Tíðni viðhaldsþjónustu | Viðhaldsferli |
|---|---|
| Fyrir hverja notkun eða daglega |
|
Þrífið sigtið fyrir hverja notkun (oftar þegar grasið er blautt).
-
Aftengið aflúttakið og setjið stöðuhemilinn á.
-
Drepið á vélinni, takið lykilinn úr og bíðið eftir að allir hlutir hafa stöðvast áður en staðið er upp úr sætinu.
-
Opnið safnarann.
-
Hreinsið óhreinindi af sigtinu.
-
Lokið safnaranum.
Söfnunarkerfið þrifið
| Tíðni viðhaldsþjónustu | Viðhaldsferli |
|---|---|
| Fyrir hverja notkun eða daglega |
|
-
Þrífið safnarahlífina að innan og utan, rörið og undir sláttuvélinni. Notið milt hreinsiefni til að fjarlægja óhreinindi.
-
Gangið úr skugga um að allt gras sé hreinsað af öllum hlutum.
-
Leyfið öllum hlutum að þorna vel að þrifum loknum.
Note: Setjið alla hluta á sinn stað og látið sláttuvélina ganga í eina mínútu til að flýta fyrir þurrkun.
Skoðun blásarareimar
| Tíðni viðhaldsþjónustu | Viðhaldsferli |
|---|---|
| Eftir fyrstu 8 klukkustundirnar |
|
| Á 25 klukkustunda fresti |
|
Leitið eftir sprungum, slitnum brúnum, ummerkjum um bruna eða öðrum skemmdum á reimunum. Skiptið um skemmdar reimar.
Skipt um blásarareim
-
Aftengið aflúttakið, setjið akstursstjórnstangirnar í HLUTLAUSA LáSSTöðU og setjið stöðuhemilinn á.
-
Drepið á vélinni, takið lykilinn úr og bíðið þar til allir hlutir hafa stöðvast áður en staðið er upp úr sætinu.
-
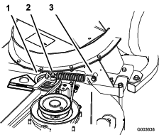
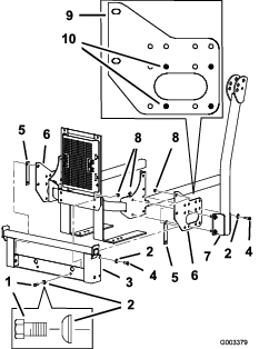
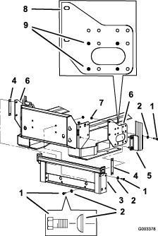
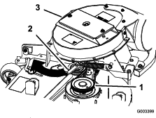
Togið gormspennta lausahjólið aftur til að draga úr strekkingu reimarinnar (Mynd 33).
-
Fjarlægið fyrirliggjandi safnarareim af trissu sláttubúnaðarpallsins og síðan trissum blásarans.
-
Setjið nýju reimina á trissur blásarans og trissu sláttubúnaðarpallsins (Mynd 33).

-
Setjið gorminn á eins og sýnt er á Mynd 34.

-
Togið gormspennta lausahjólið aftur og setjið reimina á gormspennta lausahjólið (Mynd 33).
Skoðun og stilling klinku blásarans
Lokið blásaranum til að sjá hvort klinkurnar eru rétt stilltar. Losið eða herðið boltana til að klinkurnar haldi blásaranum þétt við sláttubúnaðarpallinn en þó sé hægt að losa hann með höndunum.

Milliarmur og pinni handfangs smurðir
Söfnunarkerfið skoðað
| Tíðni viðhaldsþjónustu | Viðhaldsferli |
|---|---|
| Eftir fyrstu 8 klukkustundirnar |
|
| Á 100 klukkustunda fresti |
|
-
Aftengið aflúttakið, setjið akstursstjórnstangirnar í HLUTLAUSA LáSSTöðU og setjið stöðuhemilinn á.
-
Drepið á vélinni, takið lykilinn úr og bíðið þar til allir hlutir hafa stöðvast áður en staðið er upp úr sætinu.
-
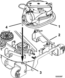
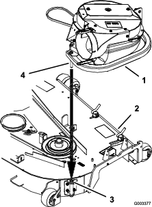
Skoðið efra rörið, neðra rörið, safnarann og blásarann.
Note: Skiptið um sprungna eða bilaða hluta.
-
Skoðið safnaragrindina.
Note: Skiptið um sprungna eða bilaða hluta.
-
Herðið allar rær, bolta og skrúfur.
Lokun hlera stillt
Hægt er að stilla lamaarmana tvo og stoppskrúfurnar tvær til að hægt sé að loka hleranum alveg.
-
Aftengið aflúttakið, setjið akstursstjórnstangirnar í HLUTLAUSA LáSSTöðU og setjið stöðuhemilinn á.
-
Drepið á vélinni, takið lykilinn úr og bíðið þar til allir hlutir hafa stöðvast áður en staðið er upp úr sætinu.
-
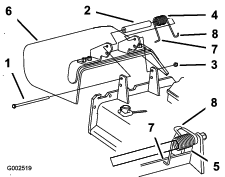
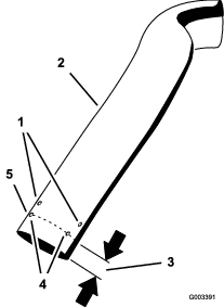
Þegar hlerinn er lokaður skal losa rærnar og stilla stoppboltana þannig að snertiarmurinn snúi beint upp og niður (Mynd 38 og Mynd 39).
-
Stillið lengd lamaarmanna þannig að hlerinn lokist alveg og nokkur þrýstingur sé á handfanginu (Mynd 38 og Mynd 39).
Note: Lengið armana til að draga úr þrýstingnum. Styttið armana til að auka þrýstinginn
Note: Gangið úr skugga um að bæði vinstri og hægri hliðin séu stilltar á sömu lengd. Þegar hlerinn er lokaður ættu armarnir að vera nokkuð vel hertir til að draga úr skrölti.
-
Herðið rærnar.


Opnun hlera stillt
Note: Gerið þetta eftir að hlerinn er stilltur þannig að hann lokist alveg.
Stillið arm handfangsins þannig að hlerinn opnist eins og hægt er (Mynd 40).
Note: Lengið arm handfangsins til að opna hlerann meira. Styttið arm handfangsins til að opna hlerann minna
Note: Snerting snertiarmsins við stopparann stjórnar því hversu mikið hlerinn opnast. Ekki er hægt að stilla stopparann og hann kemur í veg fyrir að hlerinn opnist of mikið.

Stilling á klinkum
Note: Stillið stöðu fyrir opinn hlera og lokaðan hlera áður en klinkurnar eru stilltar.
-
Aftengið aflúttakið, setjið akstursstjórnstangirnar í HLUTLAUSA LáSSTöðU og setjið stöðuhemilinn á.
-
Drepið á vélinni, takið lykilinn úr og bíðið þar til allir hlutir hafa stöðvast áður en staðið er upp úr sætinu.
-
Lokið dyrunum.
-
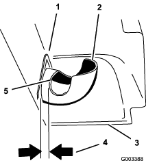
Tryggið að klinkurnar festist alveg og snerti klinkustöngina sem er soðin á hlerann (Mynd 41).
Note: Klinkurnar verða að vera þétt upp við klinkustöngina. Þær þurfa að vera nógu lausar til að hreyfast.

Skoðun sláttuvélarhnífa
-
Skoðið sláttuvélarhnífana reglulega og alltaf þegar hnífur rekst í aðskotahlut.
-
Ef hnífar eru mjög slitnir eða skemmdir skal setja nýja hnífa í. Frekari upplýsingar um viðhald á hnífum eru í notendahandbók sláttuvélarinnar.
Sláttuvélarhnífarnir settir á
Við flestar sláttuaðstæður skila hefðbundnir hnífar með hárri lyftu skilvirkustu söfnuninni.
Mælt er með notkun Atomic-hnífa frá Toro fyrir söfnun laufs við þurrar aðstæður. Notið hnífa með miðlungs eða lítilli lyftu við þurrar og rykugar aðstæður til að draga úr blæstri ryks og óhreininda án þess að það hafi áhrif á söfnun.
Viðeigandi hnífar fyrir mismunandi sláttuaðstæður fást hjá næsta viðurkennda þjónustu- og söluaðila.
Frekari upplýsingar um uppsetningu hnífa eru í notendahandbók sláttuvélarinnar.
Grashlíf sett á
Viðvörun
Óvarið losunarop býður upp á hættuna á því að sláttuvélin skjóti hlutum að stjórnanda eða öðrum með meðfylgjandi hættu á alvarlegum meiðslum. Við þetta er hnífurinn einnig óvarinn.
-
Vinnið aldrei á sláttuvél án hlífðarplötu, lokplötu eða grasrennu og safnara.
-
Gangið úr skugga um að grashlífin sé niðri.
-
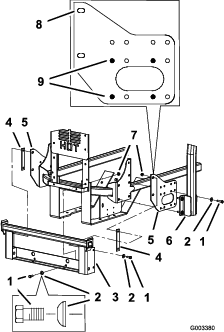
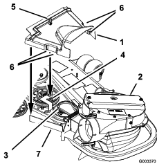
Fjarlægið lásróna, boltann, gorminn og stöðuhólkinn sem halda hlífinni á snúningsfestingunum (Mynd 42).
-
Fjarlægið skemmdu eða slitnu grashlífina.
-
Setjið stöðuhólkinn og gorminn á grashlífina.
Note: Setjið L-endann á gorminum fyrir aftan brúnina á pallinum.
Note: Tryggið að L-endinn á gorminum sé festur fyrir aftan brúnina á pallinum áður en boltinn er settur í eins og sýnt er á Mynd 42
-
Setjið boltann og róna á.
-
Festið J-krókur gormsins á grashlífina (Mynd 42).
Important: Grashlífin þarf að geta farið niður í rétta stöðu. Lyftið hlífinni upp til að kanna hvort hún fari alveg niður.




































