| Périodicité d'entretien | Procédure d'entretien |
|---|---|
| À chaque utilisation ou une fois par jour |
|
Ce pulvérisateur-épandeur à conducteur debout est destiné aux utilisateurs compétents pour des applications résidentielles et commerciales. La machine est principalement conçue pour l'application des produits chimiques employés pour l'entretien des pelouses ou l'enlèvement de la neige ou la glace sur les terrains privés, dans les parcs, sur les terrains de sport et les terrains commerciaux.
Lisez attentivement cette notice pour apprendre comment utiliser et entretenir correctement votre produit, et éviter ainsi de l'endommager ou de vous blesser. Vous êtes responsable de l'utilisation sûre et correcte du produit.
Vous pouvez contacter Toro directement sur www.Toro.com pour tout document de formation à la sécurité et à l'utilisation des produits, pour tout renseignement concernant un produit ou un accessoire, pour obtenir l'adresse des dépositaires ou pour enregistrer votre produit.
Pour obtenir des prestations de service, des pièces Toro d'origine ou des renseignements complémentaires, munissez-vous des numéros de modèle et de série du produit et contactez un dépositaire-réparateur ou le service client Toro agréé. La Figure 1 indique l'emplacement des numéros de modèle et de série du produit. Inscrivez les numéros dans l'espace réservé à cet effet.
Important: Avec votre appareil mobile, vous pouvez scanner le code QR sur l'autocollant du numéro de série (le cas échéant) pour accéder à l'information sur la garantie, les pièces et autres renseignements concernant le produit.

Les mises en garde de ce manuel soulignent des dangers potentiels et sont signalées par le symbole de sécurité (Figure 2), qui indique un danger pouvant entraîner des blessures graves ou mortelles si les précautions recommandées ne sont pas respectées.

Ce manuel utilise deux termes pour faire passer des renseignements essentiels. Important, pour attirer l'attention sur une information d'ordre mécanique spécifique, et Remarque, pour souligner une information d'ordre général méritant une attention particulière.
Vous commettez une infraction à la section 4442 ou 4443 du Code des ressources publiques de Californie si vous utilisez cette machine dans une zone boisée, broussailleuse ou recouverte d'herbe, à moins d'équiper le moteur d'un pare-étincelles en bon état, tel que défini dans la section 4442, ou à moins que le moteur soit construit, équipé et entretenu correctement pour prévenir les incendies.
Le manuel du propriétaire du moteur ci-joint est fourni à titre informatif concernant la réglementation de l'Agence américaine pour la protection de l'environnement (EPA) et la réglementation antipollution de l'état de Californie relative aux systèmes antipollution, à leur entretien et à leur garantie. Vous pouvez vous en procurer un nouvel exemplaire en vous adressant au constructeur du moteur.
CALIFORNIE
Proposition 65 - Avertissement
Les gaz d'échappement de ce produit contiennent des substances chimiques considérées par l'état de Californie comme susceptibles de provoquer des cancers, des malformations congénitales et autres troubles de la reproduction.
Les bornes de la batterie et accessoires connexes contiennent du plomb et des composés de plomb. L'état de Californie considère ces substances chimiques comme susceptibles de provoquer des cancers et des troubles de la reproduction. Lavez-vous les mains après avoir manipulé la batterie.
L'utilisation de ce produit peut entraîner une exposition à des substances chimiques considérées pas l'état de Californie comme capables de provoquer des cancers, des anomalies congénitales ou d'autres troubles de la reproduction.
Les instructions suivantes sont issues de la norme ANSI B71.4-2017.
Ce produit peut vous blesser. Respectez toujours toutes les consignes de sécurité pour éviter des blessures graves.
L'utilisation de ce produit à d'autres fins que celle qui est prévue peut être dangereuse pour l'utilisateur et les personnes à proximité.
Vous devez lire et comprendre le contenu de ce Manuel de l'utilisateur avant de démarrer le moteur.
Utilisez un équipement de protection individuelle (EPI) adapté pour éviter tout contact avec les produits chimiques. Les substances chimiques utilisées dans le système de pulvérisation peuvent être nocives et toxiques.
N'approchez pas les mains ou les pieds des composants mobiles de la machine.
N'utilisez pas la machine si tous les capots et autres dispositifs de protection appropriés ne sont pas en place et en bon état de marche.
Ne vous approchez pas des buses pendant la pulvérisation et tenez-vous à l'écart du brouillard de pulvérisation. Tenez tout le monde et tous les animaux à une distance suffisante de la machine.
N'admettez pas d'enfants dans le périmètre de travail. N'autorisez jamais un enfant à utiliser la machine.
Arrêtez la machine, coupez le moteur et enlevez la clé avant de faire un plein, une vidange, un entretien ou de déboucher la machine.
L'usage ou l'entretien incorrect de cette machine
peut occasionner des accidents. Pour réduire les risques d'accidents
et de blessures, respectez les consignes de sécurité
qui suivent. Tenez toujours compte des mises en garde signalées
par le symbole de sécurité (
) et la mention Prudence,
Attention ou Danger. Le non respect de ces instructions peut entraîner
des blessures graves voire mortelles.
Vous trouverez d'autres consignes de sécurité, le cas échéant, en vous reportant aux sections respectives dans ce manuel.
Pour plus de renseignements sur les consignes de sécurité, y compris les conseils de sécurité et les documents de formation, vous pouvez aussi vous rendre sur www.Toro.com.
Les accessoires disponibles pour cette machine ne sont pas tous abordés dans ce manuel. Reportez-vous au manuel de l'utilisateur de chaque accessoire pour plus de précisions sur les consignes de sécurité.
![]() |
Des autocollants de sécurité et des instructions bien visibles par l'opérateur sont placés près de tous les endroits potentiellement dangereux. Remplacez tout autocollant endommagé ou manquant. |










Contrôlez la pression des pneus avant et arrière et regonflez-les au besoin; voir Contrôle de la pression des pneus.
À la livraison, le carter moteur contient de l'huile; vérifiez cependant le niveau d'huile et rectifiez-le au besoin; voir Huile moteur spécifiée et Contrôle du niveau d'huile moteur.
À la livraison, la boîte-pont contient du liquide; contrôlez le niveau de liquide de la boîte-pont dans le vase d'expansion et rectifiez-le au besoin; voir Entretien de la boîte-pont.
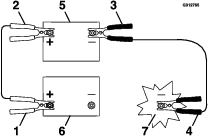
Déposez le couvercle du bac de batterie (Figure 3).

Connectez le câble positif à la borne positive (+) de la batterie au moyen d'un boulon à embase et d'un écrou à embase (Figure 3).
Connectez le câble négatif à la borne négative (-) de la batterie au moyen d'un boulon à embase et un écrou à embase (Figure 3).
Placez le couvercle sur le bac de la batterie et fixez le couvercle ainsi que le bac sur le support de la batterie à l'aide de la sangle (Figure 3).


La commande de direction est située derrière la console de commande (voir Figure 6).
Déplacez la commande de direction vers la droite ou la gauche pour diriger la machine vers la droite ou la gauche.
Amenez la commande de direction au centre pour conduire la machine en ligne droite.

Le levier de commande de déplacement est situé au centre de la commande de direction et commande le déplacement en marche avant et arrière de la machine (voir Figure 6).
Poussez le levier de commande de déplacement en avant ou tirez-le en arrière pour faire avancer ou reculer la machine.
Note: La vitesse de la machine est proportionnelle à l'actionnement du levier de commande de déplacement.
La machine s'arrête lorsque vous amenez le levier de commande de déplacement au centre.
Note: Le levier revient à la position POINT MORT lorsque vous le relâchez.
Important: Si le levier de commande de déplacement ne revient pas au POINT MORT lorsque vous le relâchez, contactez un dépositaire-réparateur agréé.
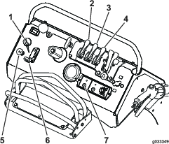
La commande d'accélérateur (manette rouge) est située sur le côté gauche de la console de commande (Figure 7).

La commande de starter est située sur le côté gauche de la console de commande; elle facilite le démarrage du moteur à froid (Figure 7).
Note: Si le moteur est chaud, ne le démarrez pas et ne le faites par tourner avec le starter EN SERVICE.
Tirez la commande de starter pour mettre le starter EN SERVICE.
Poussez la commande de starter pour mettre le starter HORS SERVICE.
Le commutateur d'allumage est situé sur le côté gauche de la console de commande (Figure 7).
Le commutateur d'allumage sert à démarrer et arrêter le moteur. Le commutateur d'allumage a trois positions : ARRêT, CONTACT et DéMARRAGE.
Note: Vous devez serrer le frein de stationnement pour démarrer le moteur.
Le compteur horaire est situé au-dessus du commutateur d'allumage, sur le côté gauche de la console de commande (Figure 7).
Le compteur horaire totalise les heures de fonctionnement de la machine.
Le robinet d'arrivée de carburant est situé sur le côté avant droit du moteur, sous le réservoir de carburant (Figure 8).
Note: Fermez le robinet d'arrivée de carburant quand vous n'utilisez pas la machine pendant quelques jours, pour la transporter d'un lieu à un autre ou pour la garer dans un local.

Sur le côté droit du moteur (Figure 9).
Tournez la commande dans le sens horaire jusqu'à la position MARCHE avant de démarrer le moteur. Tournez la commande dans le sens antihoraire jusqu'à la position ARRêT pour couper le moteur.

Le levier du frein de stationnement est situé au-dessus de la plate-forme, sur le côté droit (Figure 10).
Pour serrer le frein de stationnement, abaissez le levier.
Note: Le levier permet de serrer un frein de stationnement dans la boîte-pont.
Tirez sur le levier pour desserrer le frein de stationnement.

Note: Lorsque vous garez la machine sur une forte pente, calez les roues en plus de serrer le frein de stationnement. Lorsque vous transportez la machine, serrez le frein de stationnement et arrimez la machine au véhicule de transport.
Le levier de déblocage des roues motrices est situé au-dessus de la plate-forme, sur le côté gauche (Figure 10).
Le levier de déblocage des roues motrices sert à désengager la transmission hydrostatique et à déplacer la machine manuellement.
Pour pousser ou tirer la machine, levez le levier de déblocage des roues motrices.
Pour conduire la machine, abaissez le levier de déblocage des roues motrices.
La commande de déflecteur est située à droite du compteur horaire sur la console de commande (Figure 11).

Utilisez la commande de déflecteur pour interrompre momentanément la décharge de produits granuleux sur le côté gauche de l'épandeur. Fermez le déflecteur au moyen de la commande lorsque vous ne voulez pas semer de produits granuleux sur les trottoirs, les parcs de stationnement ou les patios.
Appuyez sur le bouton pour fermer le déflecteur et dévier temporairement les produits granuleux.
Tirez le bouton pour ouvrir le déflecteur et reprendre l'épandage normal.
La commande d'épandage est située à droite de la commande de déflecteur sur la console de commande (Figure 11).
Utilisez la commande d'épandage pour augmenter le volume d'épandage de produit granuleux sur le côté gauche ou droit de la machine.
Pour épandre une plus grande quantité de produit sur la gauche, débloquez la commande d'épandage, tirez-la légèrement puis bloquez-la à nouveau.
Pour épandre une plus grande quantité de produit sur la droite, débloquez la commande d'épandage, abaissez-la légèrement puis bloquez-la à nouveau.
Ce levier est en quatrième position en haut et au centre de la console de commande (Figure 11).
Pour épandre une large bande de produit granuleux, tirez ce levier complètement en arrière à la position d'ouverture complète.
Pour fermer le déflecteur de la turbine, poussez le levier complètement en avant à la position fermée.
Ce levier est en cinquième position en haut et au centre de la console de commande (Figure 11).
Pour épandre une bande étroite de produit granuleux, tirez ce levier complètement en arrière à la position d'OUVERTURE limitée.
Pour fermer le déflecteur de la turbine, poussez le levier d'application grande largeur complètement en avant.
Note: Seul le levier du déflecteur de turbine pour application grande largeur permet de fermer le déflecteur de la turbine. Le levier du déflecteur de turbine pour application petite largeur est également ramené à la position avant quand vous poussez le levier d'application grande largeur en avant.
Ce bouton est situé sous les leviers de déflecteur de turbine pour application grande et petit largeur (Figure 11).
Utilisez le bouton de réglage de débit d'application petite largeur pour réguler le débit de décharge du produit granuleux de la trémie sur la turbine lorsque le levier de déflecteur de turbine pour application petite largeur est à la position d'OUVERTURE (limitée).
Tournez le bouton de débit d'application petite largeur dans le sens horaire pour réduire le débit de décharge du produit granuleux de la trémie.
Tournez le bouton dans le sens antihoraire pour augmenter le débit de décharge du produit granuleux de la trémie.
La commande marche/arrêt de la turbine est située sous le bouton de débit d'application de la turbine, en bas de la console de commande (Figure 11).
Utilisez cette commande pour actionner le moteur électrique qui entraîne la turbine.
Appuyez sur la commande marche/arrêt pour actionner la turbine.
Appuyez sur la commande marche/arrêt pour arrêter la turbine.
La commande de vitesse de la turbine est située à droite de la commande marche/arrêt de la turbine, en bas de la console de commande (Figure 11).
Utilisez cette commande pour régler la vitesse de rotation de la turbine.
Tournez la commande dans le sens antihoraire pour réduire la vitesse de rotation de la turbine.
Tournez la commande dans le sens horaire pour augmenter la vitesse de rotation de la turbine.
La came et la tige de dosage sont situées à l'avant de la machine et sous la trémie de l'épandeur (Figure 12).

Utilisez la came de dosage pour régler le volume maximum de produit qui sera distribué par le déflecteur de turbine sur la turbine.
La fente de la came, après la position 9 sur la came, permet d'ouvrir le déflecteur de turbine à la position maximale. Ce réglage convient pour le sable sec, les fondants routiers ou autres produits difficiles à répandre.
Note: Utilisez le réglage 9 de la came lorsque vous nettoyez la trémie.

Cette commande est située sur la console de commande (Figure 13).
Tournez la commande de pression de pulvérisation dans le sens horaire pour augmenter la pression aux buses de pulvérisation.
Tournez la commande de pression dans le sens antihoraire pour réduire la pression aux buses.
Ce levier est situé sur la console de commande (Figure 13).
Lorsque vous placez le levier d'agitation de la cuve à la position ACTIVéE, la pompe de pulvérisation fait circuler le contenu de la cuve pour maintenir un mélange homogène de la solution chimique.
Tirez le levier d'agitation en arrière pour faire circuler le contenu dans la cuve du pulvérisateur.
Poussez le levier en avant pour arrêter la circulation du contenu de la cuve.
Note: N'utilisez pas l'agitation pendant la pulvérisation. Placez le levier d'agitation en position désactivée pour assurer une répartition correcte du produit pulvérisé.
Note: Faites tourner le moteur au-dessus du régime de ralenti et activez la pompe de pulvérisation pour obtenir une agitation efficace de la cuve.
Ce levier est situé sur la console de commande (Figure 13).
Pour ACTIVER la pulvérisation étroite (buse centrale seulement), tirez le levier vers vous.
Pour DéSACTIVER la pulvérisation étroite, poussez le levier dans la direction opposée.
Ce levier est situé sur la console de commande (Figure 13).
Pour ACTIVER la pulvérisation large (buses gauche et droite), tirez le levier vers vous.
Pour DéSACTIVER la pulvérisation large, poussez le levier dans la direction opposée.
Ce manomètre est situé sur la console de commande (Figure 13).
Le manomètre vous permet de vérifier la pression du liquide dans le circuit du pulvérisateur.
Cette commande est située sur la console de commande (Figure 13).
La commande permet de démarrer et d'arrêter la pompe pendant la pulvérisation ou la circulation du liquide dans la cuve du pulvérisateur (agitation).
Pour démarrer la pompe, appuyez sur le haut de la commande.
Pour arrêter la pompe, appuyez sur le bas de la commande.
La gâchette de l'applicateur manuel et son verrou sont situés sur le dessus de la poignée de l'applicateur (Figure 13 et Figure 14).
Pour utiliser l'applicateur manuel du pulvérisateur, serrez la gâchette contre la poignée de l'applicateur.
Pour verrouiller la gâchette en position ACTIVéE, serrez-la à fond contre la poignée, puis verrouillez-la; pour déverrouiller la gâchette, débloquez le verrou.
Relâchez la gâchette pour arrêter la pulvérisation.

Le robinet de vidange est situé à gauche, sous la cuve du pulvérisateur (Figure 16).
Le robinet permet de vidanger les produits chimiques liquides de la cuve.

Pour ouvrir le robinet de vidange de la cuve, tournez la manette de 90° dans le sens horaire (manette alignée sur le robinet).
Pour fermer le robinet, tournez la manette de 90° dans le sens antihoraire.
Le robinet d'alimentation de la pompe est situé sur le côté droit de la machine, sous la cuve du pulvérisateur (Figure 16).
Utilisez le robinet d'alimentation de la pompe pour couper le débit de produits chimiques liquides à la pompe.

Pour ouvrir le robinet d'alimentation, tournez la manette de 90° dans le sens horaire (manette alignée sur le robinet).
Pour fermer le robinet, tournez la manette de 90° dans le sens antihoraire.
| Largeur hors tout | 90 cm (35,5 po) | |
| Longueur hors tout | 171 cm (67,5 po) | |
| Hauteur hors tout | 131 cm (51,5 po) | |
| Poids | Cuve de pulvérisateur et trémie vides | 227 kg (500 lb) |
| Trémie seule pleine | 307 kg (676 lb) | |
| Cuve de pulvérisateur seule pleine | 309 kg (682 lb) | |
| Cuve de pulvérisateur et trémie vides + 1 sac supplémentaire de produit granuleux dans la cuve | 412 kg (909 lb) | |
| Poids maximum de la machine | Machine chargée + utilisateur | ≤ 513 kg (1 130 lb) |
| Capacité de la trémie | 79 kg (175 lb) | |
| Capacité de la cuve de pulvérisateur | 76 L (20 gallons américains) | |
| Vitesse de déplacement maximale | Marche avant | 9 km/h (5,5 mi/h) |
Note: Les côtés gauche et droit de la machine sont déterminés d'après la position d'utilisation normale.
Garez la machine sur une surface stable et de niveau, coupez le moteur, serrez le frein de stationnement, enlevez la clé et attendez l'arrêt complet de toutes les pièces mobiles; faites refroidir la machine avant de la remiser, de la nettoyer, de la régler ou de la réviser.
Ne confiez jamais l'utilisation de la machine à des enfants ou à des personnes non qualifiées. La réglementation locale peut imposer un âge minimum pour les utilisateurs. Le propriétaire de la machine doit assurer la formation de tous les utilisateurs et mécaniciens.
Familiarisez-vous avec le maniement correct du matériel, les commandes et les symboles de sécurité.
Apprenez à arrêter la machine et à couper le moteur rapidement.
Vérifiez toujours que les commandes de présence de l'utilisateur, les contacteurs de sécurité et les capots de protection sont en place et fonctionnent correctement. N'utilisez pas la machine en cas de mauvais fonctionnement.
N'utilisez pas la machine si elle ne fonctionne pas correctement ou si elle est endommagée de quelque manière que ce soit. Remédiez au problème avant d'utiliser la machine ou l'accessoire.
Vérifiez que le poste d'utilisation est propre et exempt de résidus de produit chimique ou de dépôts de débris.
Vérifiez le serrage de tous les raccords hydrauliques, ainsi que l'état de tous les flexibles avant de mettre le système sous pression.
Les substances chimiques utilisées dans le système de pulvérisation peuvent être nocives et toxiques pour vous-même, toute autre personne présente, les animaux et peuvent aussi endommager les plantes, les sols et autres.
Si vous utilisez plusieurs produits chimiques, lisez l'information relative à chacun d'entre eux. Refusez d'utiliser ou d'intervenir sur le pulvérisateur si ces renseignements ne sont pas disponibles.
Avant toute intervention sur un système de pulvérisation, assurez-vous qu'il a été neutralisé et rincé à trois reprises en conformité avec les recommandations du ou des fabricants des produits chimiques et que toutes les vannes ont effectué 3 cycles.
Assurez-vous de disposer d'une source d'eau propre et de savon à proximité afin de pouvoir laver immédiatement la peau en cas de contact direct avec un produit chimique.
Lisez attentivement les étiquettes signalétiques et les fiches de données de sécurité (FDS) de tous les produits chimiques utilisés, et protégez-vous en suivant les recommandations des fabricants des produits chimiques.
Protégez-vous toujours le corps des produits chimiques. Utilisez un équipement de protection individuelle (EPI) adapté pour éviter tout contact direct avec les produits chimiques, notamment :
lunettes de sécurité, lunettes à coques et/ou écran facial
combinaison de protection chimique
appareil respiratoire ou masque filtrant
gants résistants aux produits chimiques
bottes en caoutchouc ou autres chaussures solides
vêtements de rechange propres, savon et serviettes jetables pour le nettoyage
Suivez la formation appropriée avant d'utiliser ou de manipuler des produits chimiques.
Utilisez le produit chimique correct pour la tâche à accomplir.
Suivez les instructions du fabricant concernant l'application sûre du produit chimique. Ne dépassez pas la pression d'application recommandée pour le système.
Ne remplissez pas, n'étalonnez pas et ne nettoyez pas la machine si des personnes, en particulier des enfants, ou des animaux se trouvent à proximité.
Manipulez les produits chimiques dans un local bien ventilé.
Prévoyez une source d'eau propre, surtout pour remplir la cuve du pulvérisateur.
Vous ne devez jamais manger, boire ou fumer lorsque vous travaillez près de produits chimiques.
Ne nettoyez pas les buses de pulvérisation en soufflant dedans ou en les mettant dans la bouche.
Lavez-vous toujours les mains et toute partie du corps exposée dès que possible après avoir travaillé avec des produits chimiques.
Conservez les produits chimiques dans leur emballage d'origine et rangez-les en lieu sûr.
Débarrassez-vous correctement des produits chimiques et des récipients qui les contiennent, selon les instructions du fabricant et la réglementation locale.
Les produits et vapeurs chimiques sont dangereux; n'entrez jamais dans la cuve ou la trémie et ne placez jamais votre tête au-dessus ou dans l'ouverture d'une cuve.
Respectez la réglementation locale, régionale et fédérale concernant l'épandage ou la pulvérisation de produits chimiques.
Faites preuve de la plus grande prudence quand vous manipulez du carburant, en raison de son inflammabilité et du risque d'explosion des vapeurs qu'il dégage.
Éteignez cigarettes, cigares, pipes et autres sources d'étincelles.
Utilisez exclusivement un bidon à carburant homologué.
N'enlevez pas le bouchon du réservoir de carburant et n'ajoutez pas de carburant quand le moteur tourne ou est encore chaud.
N'ajoutez pas de carburant et ne vidangez pas le réservoir dans un local fermé.
Ne remisez pas la machine ni les bidons de carburant à proximité d'une flamme nue, d'une source d'étincelles ou d'une veilleuse, telle celle d'un chauffe-eau ou autre appareil.
Si vous renversez du carburant, ne mettez pas le moteur en marche. Évitez toute source possible d'inflammation jusqu'à dissipation complète des vapeurs de carburant.
Chaque jour, avant de démarrer la machine, effectuez les procédures de contrôle suivantes :
| Périodicité d'entretien | Procédure d'entretien |
|---|---|
| À chaque utilisation ou une fois par jour |
|
Si le contacteur de sécurité est déconnecté ou endommagé, la machine peut se mettre en marche inopinément et causer des blessures.
Ne modifiez pas abusivement le contacteur de sécurité.
Vérifiez chaque jour le fonctionnement du contacteur de sécurité et remplacez-le s'il est endommagé avant d'utiliser la machine.
Important: Assurez-vous que tous les mécanismes de sécurité de la machine sont connectés et en bon état de marche avant d'utiliser la machine.
Le système de sécurité est conçu pour empêcher le démarrage du moteur si le frein de stationnement n'est pas serré.
| Périodicité d'entretien | Procédure d'entretien |
|---|---|
| À chaque utilisation ou une fois par jour |
|
Amenez la machine sur un sol plat et horizontal.
Calez les roues de la machine.
Débranchez les fils des bougies.
Desserrez le frein de stationnement.
Amenez le levier de commande de déplacement à la position POINT MORT et tournez la clé à la position de DéMARRAGE.
Note: Le démarreur ne doit pas entraîner le moteur.
Si le démarreur entraîne le moteur de la machine, la machine ne réussit pas ce test et ne doit pas être utilisée. Contactez un dépositaire Toro agréé.
Si le démarreur n'entraîne pas le moteur, la machine réussit le test : serrez le frein de stationnement, branchez le fil de la bougie et enlevez les cales des roues.
| Carburant à base de pétrole | Utilisez de l'essence sans plomb avec un indice d'octane de 87 ou plus (méthode de calcul [R+M]/2). |
| Carburant à l'éthanol | Utilisez de l'essence sans plomb contenant jusqu'à 10 % d'éthanol (essence-alcool); sinon, de l'essence avec 15 % de MTBE (éther méthyltertiobutylique) par volume peut être utilisée à la rigueur. L'éthanol et le MTBE sont deux produits différents. |
| L'utilisation d'essence contenant 15 % d'éthanol (E15) par volume n'est pas agréée. N'utilisez jamais d'essence contenant plus de 10 % d'éthanol par volume, comme E15 (qui contient 15 % d'éthanol), E20 (qui contient 20 % d'éthanol) ou E85 (qui contient jusqu'à 85 % d'éthanol). L'utilisation d'essence non agréée peut entraîner des problèmes de performances et/ou des dommages au moteur qui peuvent ne pas être couverts par la garantie. |
Important: Pour assurer le fonctionnement optimal de la machine, utilisez uniquement du carburant propre et frais (stocké depuis moins d'un mois).
N'utilisez pas d'essence contenant du méthanol.
Ne stockez pas le carburant dans le réservoir ou dans des bidons de carburant pendant l'hiver, à moins d'utiliser un stabilisateur de carburant.
N'ajoutez pas d'huile à l'essence.
Utilisez un additif stabilisateur/conditionneur dans la machine pour :
Important: N'utilisez pas d'additifs contenant du méthanol ou de l'éthanol.
Ajoutez à l'essence la quantité correcte de stabilisateur/conditionneur.
Note: L'efficacité des stabilisateurs/conditionneurs est optimale lorsqu'ils sont ajoutés à de l'essence fraîche. Pour réduire les risques de formation de dépôts visqueux dans le circuit d'alimentation, ajoutez toujours un stabilisateur au carburant.
Capacité du réservoir de carburant : 6,8 L (1,8 gallon américain)
Note: Il est difficile de faire le plein de carburant avec un récipient de grande capacité, de 19 L (5 gal. américains) par exemple.Pour faciliter le ravitaillement en carburant, utilisez un bidon de 4 à 8 L (1 à 2 gallons américains) et un entonnoir.
Garez la machine sur une surface plane et horizontale, et coupez le moteur.
Laissez refroidir le moteur.
Nettoyez la surface autour du bouchon du réservoir de carburant et enlevez le bouchon (Figure 17).

Remplissez le réservoir de carburant (Figure 17) jusqu'à 6 à 13 mm (0,25 à 0,5 po) du sommet. Le carburant ne doit pas monter dans le goulot de remplissage.
Important: Laissez un espace d'au moins 6 mm (0,25 po) au-dessous du haut du réservoir pour permettre au carburant de se dilater.
Revissez fermement le bouchon du réservoir de carburant.
Essuyez le carburant éventuellement répandu.
Le propriétaire/l'utilisateur est responsable des accidents pouvant entraîner des dommages corporels et matériels et peut les prévenir.
Portez des vêtements appropriés, y compris une protection oculaire, un pantalon, des chaussures solides à semelle antidérapante et des protecteurs d'oreilles. Si vos cheveux sont longs, attachez-les, rentrez les vêtements amples et ne portez pas de bijoux pendants.
Portez un équipement de protection individuelle adapté comme stipulé sous Consignes de sécurité concernant les produits chimiques.
Accordez toute votre attention à l'utilisation de la machine. Ne vous livrez à aucune activité risquant de vous distraire, au risque de causer des dommages corporels ou matériels.
N'utilisez pas la machine si vous êtes malade ou fatigué(e), ni sous l'emprise de l'alcool, de drogues ou de médicaments.
Ne transportez jamais de passagers sur la machine et tenez les autres personnes et les animaux domestiques à l'écart de la zone de travail.
N'essayez pas de stabiliser la machine en posant le pied à terre. Si vous perdez le contrôle de la machine, descendez de la plate-forme et éloignez-vous de la machine.
Ne mettez pas les pieds sous la plate-forme.
Ne déplacez la machine qu'avec vos deux pieds sont sur la plate-forme et vos deux mains posées sur les barres de référence.
N'utilisez la machine que si la visibilité est bonne pour éviter les trous ou autres dangers cachés.
Avant de démarrer le moteur, asseyez-vous sur le siège, vérifiez que la transmission est au point mort et que le frein de stationnement est serré.
Avant de démarrer le moteur, asseyez-vous sur le siège, vérifiez que la transmission est au point mort et que le frein de stationnement est serré.
Faites preuve de prudence à l'approche de tournants sans visibilité, de buissons, d'arbres ou d'autres objets susceptibles de gêner la vue.
Veillez à ne pas perdre l'équilibre quand vous utilisez la machine, surtout en marche arrière,
Ne vous approchez pas des buses pendant la pulvérisation et tenez-vous à l'écart du brouillard de pulvérisation. Tenez tout le monde et tous les animaux à une distance suffisante de la machine.
Ne pulvérisez et n'épandez jamais de produits chimiques quand des personnes, en particulier des enfants ou encore des animaux sont à proximité.
Avant de faire marche arrière, vérifiez que la voie est libre juste derrière la machine et sur sa trajectoire.
Faites preuve de prudence à l'approche de tournants sans visibilité, de buissons, d'arbres ou d'autres objets susceptibles de gêner la vue.
N'utilisez pas la machine à proximité de fortes dénivellations, de fossés ou de berges. La machine pourrait se retourner brusquement si une roue passe par-dessus une dénivellation quelconque et se retrouve dans le vide, ou si un bord s'effondre.
Ralentissez et allégez la charge sur terrain accidenté, irrégulier et près de trottoirs, trous et autres accidents de terrain. Le chargement peut se déplacer et rendre la machine instable.
Si la machine heurte un obstacle ou vibre de manière inhabituelle, coupez le moteur, enlevez la clé, serrez le frein de stationnement et vérifiez si la machine est endommagée. Effectuez toutes les réparations nécessaires avant de réutiliser la machine.
Ralentissez et faites preuve de prudence quand vous changez de direction, ainsi que pour traverser des routes et des trottoirs avec la machine. Cédez toujours la priorité.
Redoublez de prudence quand vous conduisez la machine sur des surfaces humides, lorsque les conditions météorologiques sont défavorables, à grande vitesse ou à pleine charge. Le temps et la distance d'arrêt augmentent dans ces conditions.
Ne faites jamais tourner le moteur dans un local fermé ne permettant pas d'évacuer les gaz d'échappement.
Ne laissez jamais la machine en marche sans surveillance.
Ne touchez pas le moteur ou le silencieux si le moteur est en marche ou vient de s'arrêter, car vous pourriez vous brûler.
Avant de quitter la position d'utilisation :
Arrêtez la machine sur un sol plat et horizontal.
Fermez le déflecteur de turbine pour application grande largeur et coupez la pompe de pulvérisation.
Coupez le moteur et enlevez la clé de contact.
Serrez le frein de stationnement.
Attendez l'arrêt complet de toutes les pièces mobiles.
N'utilisez pas la machine si la foudre menace.
N'utilisez pas la machine pour tracter quoi que ce soit.
Ne modifiez pas le réglage du régulateur et ne faites pas tourner le moteur à un régime excessif.
Utilisez uniquement des accessoires et outils agréés par Toro.
L'applicateur manuel retient les liquides sous pression, même lorsque le moteur est coupé. La pulvérisation sous haute pression peut causer des blessures graves ou mortelles.
Ne vous approchez pas de la buse et ne dirigez par la pulvérisation ou le jet vers des personnes, des animaux ou du matériel ne faisant pas partie de la zone de travail.
Ne dirigez pas la pulvérisation sur ou près des composants ou des sources électriques.
N'attachez pas de flexibles ou autres composants au bout de la buse de l'applicateur manuel.
N'essayez pas de débrancher l'applicateur manuel de la machine lorsque le système est sous pression.
N'utilisez pas l'applicateur manuel si le verrou de la gâchette est endommagé ou absent.
Tournez le verrou de l'applicateur manuel à la position ARRêT lorsque vous avez terminé.
Ne touchez pas la turbine de l'épandeur lorsqu'elle est en rotation.
Arrêtez l'épandage/la pulvérisation quand vous prenez des virages serrés afin de minimiser la dispersion du produit chimique.
Les vapeurs de produits chimiques peuvent dériver et causer des blessures aux personnes et aux animaux; elles peuvent aussi endommager les plantes, le sol ou autres biens matériels.
Les charges liquides et les produits granuleux peuvent se déplacer. Cela se produit la plupart du temps dans les virages, en montant ou en descendant une pente, si vous changez brusquement de vitesse ou si vous traversez des surfaces irrégulières. Si le chargement se déplace, la machine peut se renverser.
Évacuez avec précaution la pression à l'intérieur de l'applicateur manuel chaque fois que vous coupez le moteur.
Lorsque vous vidangez ou évacuez la pression du système, vérifiez que personne ne se tient devant les buses et ne vidangez jamais le liquide sur les pieds de qui que ce soit.
Les pentes augmentent significativement les risques de perte de contrôle et de retournement de la machine pouvant entraîner des accidents graves, voire mortels. Vous êtes responsable de la sécurité d'utilisation de la machine sur les pentes. L'utilisation de la machine sur une pente, quelle qu'elle soit, demande une attention particulière.
Lisez les instructions ci-dessous concernant à l'utilisation de la machine sur les pentes et déterminez si les conditions d'utilisation existantes et le site se prêtent à l'utilisation de la machine. Les variations de terrain peuvent modifier le fonctionnement de la machine sur les pentes.
Déterminez si la pente vous permet d'utiliser la machine sans risque, en étudiant le terrain entre autres. Faites toujours preuve de bon sens et de discernement quand vous réalisez cette étude.
Évitez de démarrer, de vous arrêter ou de tourner sur les pentes. Déplacez-vous dans le sens de la pente. Évitez de changer brusquement de vitesse ou de direction. Si vous ne pouvez pas faire autrement, tournez lentement et progressivement, de préférence vers le bas. Faites toujours marche arrière avec prudence.
N'utilisez pas la machine si vous avez des doutes concernant la motricité, la direction ou la stabilité de la machine.
Enlevez ou balisez les obstacles tels que fossés, trous, ornières, bosses, rochers ou autres dangers cachés. L'herbe haute peut masquer les obstructions. Les irrégularités du terrain peuvent provoquer le retournement de la machine.
Tenez compte du fait que la motricité de la machine peut être réduite sur les surfaces humides, en travers des pentes ou dans les descentes. Les roues peuvent patiner en cas de perte d'adhérence, ce qui peut entraîner la perte du freinage et de la direction.
Faites preuve de la plus grande prudence lorsque vous utilisez la machine près de fortes dénivellations, de fossés, de berges, d'étendues d'eau ou autres dangers. La machine pourrait se retourner brusquement si une roue passe par-dessus une dénivellation quelconque et se retrouve dans le vide, ou si un bord s'effondre. Établissez une zone de sécurité entre la machine et tout danger potentiel.
Redoublez de prudence lorsque la machine est équipée d'accessoires, car ceux-ci peuvent en modifier la stabilité.
Si le moteur cale ou commence à perdre de la puissance pendant que vous montez une pente, freinez progressivement et descendez lentement la pente en ligne droite et en marche arrière.
Laissez toujours la machine en prise (le cas échéant) quand vous descendez une pente.
Ne garez pas la machine sur une pente.
Le poids du produit dans la cuve peut modifier le comportement de la machine. Respectez les consignes de sécurité suivantes pour éviter de perdre le contrôle du véhicule et de vous blesser :
Si vous transportez de lourdes charges, ralentissez et prévoyez une distance de freinage suffisante. Ne freinez pas brutalement. Redoublez de prudence sur les pentes.
Le liquide dans la cuve se déplace, particulièrement dans les virages, en montant ou en descendant une pente, si vous changez brusquement de vitesse ou si vous traversez des surfaces irrégulières. Si le chargement se déplace, la machine peut se renverser.
Tirez le bouton de verrouillage de la plate-forme vers l'intérieur, jusqu'à ce que la goupille passe le trou supérieur dans le châssis (Figure 18).

Faites pivoter la plate-forme vers le bas jusqu'à ce que la goupille de verrouillage soit en face du trou inférieur du châssis (Figure 18).
Déplacez le bouton de verrouillage vers l'extérieur, jusqu'à ce que la goupille dépasse du trou inférieur (Figure 18).
Tirez le bouton de verrouillage de la plate-forme vers l'intérieur, jusqu'à ce que la goupille passe le trou supérieur dans le châssis (Figure 18).
Faites pivoter la plate-forme vers le haut jusqu'à ce que la goupille soit en face du trou supérieur du châssis (Figure 18).
Déplacez le bouton de verrouillage vers l'extérieur, jusqu'à ce que la goupille dépasse du trou supérieur (Figure 18).
Régulez le débit de carburant dans le moteur à l'aide du robinet d'arrivée de carburant comme suit :
Pour ouvrir le robinet d'arrivée de carburant, tournez-le complètement à gauche.
Pour fermer le robinet d'arrivée de carburant, tournez-le complètement à droite.

Vérifiez que le robinet d'arrivée de carburant est ouvert; voir Ouverture et fermeture du robinet d'arrivée de carburant.
Amenez le levier de commande de direction/déplacement au POINT MORT et serrez le frein de stationnement; voir Commande de direction, Levier de commande de déplacement et Levier de frein de stationnement.
Note: Vous devez serrer le frein de stationnement pour pouvoir démarrer le moteur. (Vous pouvez démarrer le moteur sans être sur la plate-forme.)
Réglez la commande d'accélérateur à mi-course entre les positions BAS RéGIME et HAUT RéGIME; voir Commande d'accélérateur.
Si le moteur est froid, tirez la commande de starter à la position EN SERVICE; voir Commande de starter.
Note: Lorsque le moteur est chaud, poussez la commande de starter à la position HORS SERVICE.
Tournez le commutateur d'allumage en position DéMARRAGE; voir Commutateur d'allumage.
Note: Relâchez le commutateur quand le moteur démarre.
Important: N'actionnez pas le démarreur plus de 10 secondes de suite. Si le moteur ne démarre pas, patientez 60 secondes avant de faire une nouvelle tentative. Le démarreur risque de surchauffer si vous ne respectez pas ces consignes.
Si la commande de starter est en position EN SERVICE, ramenez-la graduellement à la position HORS SERVICE à mesure que le moteur se réchauffe.
Amenez le levier de commande de direction/déplacement au POINT MORT et immobilisez complètement la machine; voir Commande de direction et Levier de commande de déplacement.
Réglez la commande d'accélérateur à mi-course entre les positions BAS RéGIME et HAUT RéGIME; voir Commande d'accélérateur.
Laissez tourner le moteur pendant au moins 15 secondes, puis coupez-le en tournant le commutateur d'allumage à la position ARRêT; voir Commutateur d'allumage
Serrez le frein de stationnement; voir Levier de frein de stationnement.
Enlevez la clé; voir Commutateur d'allumage.
Fermez le robinet d'arrivée de carburant si vous vous ne devez pas utiliser la machine pendant plusieurs jours, pour le transport ou lorsqu'elle est garée dans un local; voir Ouverture et fermeture du robinet d'arrivée de carburant.
Important: Le moteur peut être endommagé s'il fonctionne alors que le couvercle du filtre à air est à la position basses températures dans des conditions ambiantes normales.
Le couvercle du filtre à air a 2 positions : température ambiante basse ou normale :
Réglez le couvercle du filtre à air comme suit :
À basses températures ambiantes (air froid et humidité), le flocon de neige situé sur le couvercle du filtre à air doit être à l'extérieur (Figure 20).
Note: Utilisez cette position si le carburateur de la machine est gelé. Les symptômes associés comprennent le fonctionnement irrégulier du moteur au ralenti et à bas régime, et la production de fumée noire ou blanche à l'échappement.
À des températures ambiantes normales, le soleil situé sur le couvercle du filtre à air doit être à l'extérieur (Figure 20).
Note: Utilisez cette position si le carburateur de la machine n'est pas gelé.

La machine peut tourner rapidement quand vous déplacez la commande de direction à gauche ou à droite. Vous risquez alors de perdre le contrôle de la machine et de vous blesser gravement ou d'endommager la machine.
Soyez extrêmement prudent dans les virages.
Ralentissez avant de prendre des virages serrés.
Important: Si le levier de commande de déplacement ne revient pas au POINT MORT lorsque vous le relâchez, contactez un dépositaire-réparateur agréé.
Important: Pour déplacer la machine (en marche avant ou arrière), desserrez le frein de stationnement (tirez le levier vers le haut) avant d'actionner le levier de commande de déplacement.
Amenez le levier de commande de déplacement au POINT MORT.
Desserrez le frein de stationnement.
Pour conduire la machine, procédez comme suit :
Pour avancer en ligne droite, centrez la commande de direction et poussez le levier de commande de déplacement en avant.
Note: Plus le levier de commande de vitesse est éloigné de la position POINT MORT, plus la machine se déplace rapidement.

Pour tourner à gauche ou à droite, déplacez la commande de direction dans la direction voulue.
Pour arrêter la machine, amenez le levier de commande de déplacement au POINT MORT.
Note: La distance d'arrêt peut varier selon la charge du pulvérisateur-épandeur.
Note: La commande revient à la position POINT MORT lorsque vous la relâchez.
Amenez le levier de commande de déplacement au POINT MORT.
Pour faire reculer la machine en ligne droite, tirez lentement le levier de commande de déplacement en arrière.

Pour tourner à gauche ou à droite, déplacez la commande de direction dans la direction voulue.
Pour arrêter la machine, amenez le levier de commande de déplacement au POINT MORT.
Note: La distance d'arrêt peut varier selon la charge du pulvérisateur-épandeur.
Les produits chimiques sont dangereux et peuvent causer des blessures.
Lisez le mode d'emploi des produits chimiques avant de les manipuler, et suivez les recommandations et les consignes de sécurité du fabricant.
N'approchez pas les produits chimiques de la peau. En cas de contact, lavez soigneusement la zone affectée avec de l'eau propre et du savon.
Portez une protection oculaire, des gants et autres équipements de protection selon les instructions du fabricant du produit chimique.
Utilisez l'épandeur pour disperser des substances granuleuses fluides, telles graines de graminées, engrais, fondants routiers, etc. Lorsque vous utilisez l'épandeur, commencez par remplir la trémie, puis répandez le produit granuleux sur la surface de travail et terminez par le nettoyage de la trémie.
Important: Lorsque vous utilisez l'épandeur, nettoyez-le toujours soigneusement à la fin de la journée.
Avant de commencer l'épandage, étalonnez l'épandeur en fonction du produit que vous allez épandre; voir Étalonnage de l'épandeur.
Important: Avant de remplir la trémie, vérifiez que vous avez sélectionné le bon débit d'épandage.
Étalonnez l'épandeur pour chaque nouveau matériau. L'épandeur peut épandre du produit en bandes larges de 1,5 à 6,7 m (5 à 22 pi) selon le calibre, le volume/la densité du produit, la vitesse de déplacement et la force du vent.
Utilisez les Tables d'épandage ainsi que l'information fournie sous Détermination de la répartition du produit, Détermination de la largeur d'épandage effective et Calcul du débit d'application pour étalonner l'épandeur.
Matériel fourni par l'utilisateur : 15 bacs de récupération peu profonds et 15 éprouvettes de dosage graduées
Note: La méthode la plus précise de mesure de la distribution consiste à utiliser des bacs de récupérations peu profonds et des éprouvettes de dosage graduées. Dans l'exemple ci-dessous, 15 bacs de faible profondeur, et d'environ 30 cm (12 po) de large, 91 cm (36 po) de long et 5 cm (2 po) de haut sont utilisés.
Placez un bac au centre de la trajectoire. Disposez deux autres bacs, un de chaque côté, en les espaçant suffisamment pour permettre à la machine de passer au-dessus du bac central sans le toucher avec les roues.
Placez les autres bacs en ligne droite, comme montré à la Figure 23 ou la Figure 24.
Éloignez suffisamment la machine de la zone d'essai (où se trouvent les bacs de récupération) pour lui permettre d'atteindre la vitesse d'épandage voulue avant d'arriver dans la zone.
Déterminer le débit d'application et le réglage de la came de dosage; voir Tables d'épandage.
Tournez la came de dosage (Figure 25) à la position de réglage déterminée à l'opération 4.

Remplissez la trémie à peu près à la moitié avec le produit désiré; voir Remplissage de la trémie de l'épandeur.
Réglez la commande de répartition à mi-course; voir .
Réglez la vitesse de la turbine au taux d'épandage approprié.
Conduisez la machine vers le site d'essai à la vitesse correcte.
Lorsque vous approchez du bac central, tirez le levier de commande du déflecteur de distribution grande largeur à la position ouverte et passez au-dessus du bac central.
Refermez le déflecteur, amenez le levier de commande de déplacement à la position POINT MORT, coupez le moteur, attendez l'arrêt complet de toutes les pièces mobiles, enlevez la clé et serrez le frein de stationnement.
Étiquetez chaque éprouvette de dosage en fonction du bac correspondant (par exemple L2, L1, Central, R1, R2); voir Figure 23 et Figure 24.
Videz chaque bac de récupération dans l'éprouvette graduée correspondante. Notez la quantité de produit récupérée et remettez le bac à sa place. Continuez jusqu'à ce que tous les bacs soient vides.
Note: Répétez l'épandage plusieurs fois sur la zone d'essai, toujours dans la même direction, jusqu'à ce que le bac de récupération contienne une quantité de produit suffisante pour remplir à moitié une éprouvette graduée.
Placez les éprouvettes de dosage graduées en ligne droite comme les bacs, puis évaluez le volume de produit dans chacune d'elles pour déterminer la qualité de la répartition par l'épandeur.
Pour ajuster la répartition de l'épandage, voir Réglage de la répartition d'épandage.
Remplissez la trémie à la moitié avec le produit désiré et répétez les opérations 1 à 9 jusqu'à obtention d'une distribution uniforme.
Utilisez la largeur effective pour déterminer la distribution uniforme du produit.
Note: La largeur d'épandage varie de 6 à 8 m (20 à 25 pi).
Lorsque la répartition est réglée correctement, évaluez le volume de produit dans l'éprouvette graduée centrale.
Localisez les deux éprouvettes graduées, une de chaque côté du centre, qui contiennent la moitié du volume de produit mesurée dans l'éprouvette graduée centrale.
Rejoignez les deux bacs correspondants. En commençant par le bord extérieur mesurez la distance entre le bac gauche et le bord extérieur du bac droit, en passant par le bac central; notez la valeur mesurée.
Notez la largeur effective d'épandage ici :.
Déterminez la longueur du parcours en divisant 93 m2 (1 000 pi2) par la largeur effective d'épandage que vous avez déterminée sous Détermination de la largeur d'épandage effective; utilisez la formule de calcul de la longueur de parcours. Notez la longueur du parcours ici :.
| Formule | 93 m2(1 000 pi2) / Largeur effective mesurée | = | Longueur du parcours d'étalonnage |
| Exemple | 93 m2(1 000 pi2) / 1,8 m (6 pi) | = | 51 m (167 pi) |
Note: Dans cet exemple, la largeur effective est 8 m (6 pi).
Mesurez et balisez le parcours de manière visible sur toute sa longueur. Prévoyez une distance suffisante jusqu'à la balise de départ du parcours pour que l'épandeur avance à sa vitesse de déplacement maximale au moment où il passe devant.
Déterminez la superficie de la zone de travail et la quantité de produit à appliquer, et notez ces valeurs sur la feuille de superficie et de quantité.
Notez la superficie de la zone de travail ici :.
Notez la quantité de produit à appliquer ici :.
Au départ, utilisez le débit d'application recommandé qui est indiqué à la section Tables d'épandage ou le débit recommandé sur l'étiquette du fabricant du produit pour vous aider à déterminer la quantité de produit que vous épandrez sur une superficie de 93 m2 (1 000 pi2).
Note: Dans cet exemple, le parcours d'étalonnage a une superficie de 1,8 m (6 pi) par 51 m (167 pi).
Réglez la came de dosage à la valeur appropriée; voir Tables d'épandage comme point de départ.
Versez le produit dans la trémie.
Note: Dans cet exemple, nous avons ajouté 11,3 kg (25 lb) de produit.
Conduisez l'épandeur sur le parcours d'étalonnage tout en épandant le produit.
Videz le produit qui reste dans la trémie dans un seau propre; voir Vidage de l'épandeur.
Pesez le seau de produit et notez le poids. Remettez le contenu du seau dans la trémie puis pesez le seau vide. Calculez le poids du produit restant à l'aide de la formule de calcul du poids. Notez le poids du produit restant ici :.
| Formule | (Poids du produit restant et du seau) – (poids du seau) | = | Poids du produit restant |
| Exemple | 10 kg (22 lb) – 1 kg (2 lb) | = | 9 kg (20 lb) |
Note: Dans cet exemple, il reste 9 kg (20 lb) de produit dans la trémie après l'application de produit sur le parcours d'essai.
Calculez le poids du produit appliqué à l'aide de la formule qui suit. Notez le poids du produit appliqué ici :.
| Formule | (Poids initial du produit) - (poids du produit restant) | = | Poids du produit appliqué |
| Exemple | 11,3 kg (25 lb) – 9 kg (20 lb) | = | 2.3 kg (5 lb) |
| 3 |
Note: Ce calcul signifie que 2,3 kg (5 lb) de produit ont été appliqués sur le parcours d'essai de 93 m2 (1 000 pi2).
Au besoin, ajustez la came de dosage pour obtenir le débit d'application recommandé. Une fois le taux d'application correct obtenu, répétez encore une fois cette procédure pour confirmer vos résultats.
Important: Choisissez chaque fois un nouveau parcours d'étalonnage, pour ne pas endommager la pelouse par une application excessive de produit.
Capacité maximale de la trémie : 79 kg (175 lb)
Conduisez la machine jusqu'au lieu de travail.
Conduisez la machine sur une surface de niveau, amenez le levier de commande de déplacement à la position POINT MORT, coupez le moteur, attendez l'arrêt complet de toutes les pièces mobiles, enlevez la clé et serrez le frein de stationnement.
Vérifiez que le levier de déflecteur de turbine pour application grande largeur est complètement en avant (fermé); voir Levier de déflecteur de turbine pour application grande largeur.
Reportez-vous aux Tables d'épandage pour déterminer le réglage de la came de dosage (Figure 26).
Note: Si le réglage n'est pas indiqué pour le type de produit que vous utilisez, réglez la came à la valeur la plus basse, puis ajustez le réglage en fonction des besoins.

Enlevez le couvercle de la trémie, ajoutez le produit d'épandage et remettez le couvercle sur la trémie (Figure 26).
Note: Ne surchargez pas la trémie; la capacité maximale de la trémie est de 79 kg (175 lb).
Note: Vous pouvez placer un sac supplémentaire de produit granuleux sur la cuve du pulvérisateur au besoin.
Conduisez la machine sur une surface de niveau, amenez le levier de commande de déplacement à la position POINT MORT, coupez le moteur, attendez l'arrêt complet de toutes les pièces mobiles, enlevez la clé et serrez le frein de stationnement.
Videz la trémie en retirant autant du produit que possible.
Retirez les 4 vis à oreilles qui fixent le couvercle avant (sous la turbine) au châssis et déposez le couvercle (Figure 27).

Retirez la goupille d'entraînement qui fixe la turbine à l'arbre du moteur de turbine et déposez la turbine de l'arbre (Figure 28 et Figure 29).


Placez un bac peu profond sous l'arbre du moteur de turbine (Figure 29).
Poussez le manchon de verrouillage du câble de déflecteur vers l'arrière et soulevez le câble de la rotule sur la tige de dosage (Figure 30).

Tirez le câble hors de la rotule (Figure 30).
Tournez la came de dosage au-delà de la position 9 de manière à aligner la fente de la came sur la tige (Figure 30).
Poussez complètement la tige de dosage en arrière (Figure 30).
S'il reste du produit dans la trémie, videz-le dans un bac de faible profondeur que vous enlèverez une fois la trémie vide.
Installez la turbine sur son arbre et fixez-la en place avec la goupille d'entraînement.
Alignez les trous du couvercle avant sur les écrous à clips du châssis, et fixez le couvercle à l'aide des 4 vis à oreilles que vous avez retirées à l'opération 3 de Dépose de la turbine.
Note: Les tableaux de réglage de came pour granulés et graines de graminées sont reproduits avec l'accord de Brinly-Hardy Company; consultez le site Web de Brinly-Hardy Company pour plus de renseignements.
Ces tableaux ne sont fournis qu'à titre indicatif. D'autres facteurs, tels les conditions météorologiques, le fonctionnement de l'épandeur et l'état du produit, affectent les résultats.
| Type | kg par 93 m2 (lb par 1 000 pi2) | Réglage de came – une passe | Réglage de came – deux passes |
| Granulés fins | 0.5 (1) | 3,6 | 3,1 |
| 0.9 (2) | 4 | 3,5 | |
| 1.4 (3) | 4,2 | 3,7 | |
| Mélange de granulés fins | 0.9 (2) | 3,7 | 3,2 |
| 1.8 (4) | 4,7 | 4,1 | |
| 2.7 (6) | 5,2 | 4,5 | |
| Petits granulés | 0.9 (2) | 3 | 2,2 |
| 1.8 (4) | 4,2 | 3,7 | |
| 2.7 (6) | 4,5 | 4 | |
| Granulés azotés moyen calibre | 0.5 (1) | 3,5 | 3 |
| 0.9 (2) | 4,2 | 3,7 | |
| 1.4 (3) | 4,7 | 4 | |
| Granulés moyen calibre | 0.9 (2) | 3,5 | 3 |
| 1.8 (4) | 4,2 | 3,8 | |
| 2.7 (6) | 5,2 | 4,5 | |
| Granulés lourds de gros calibre | 0.9 (2) | 3,8 | 3,3 |
| 1.8 (4) | 4,9 | 4,1 | |
| 2.7 (6) | 5,9 | 4,9 |
La table ci-dessous n'est fournie qu'à titre indicatif. Si la pulvérisation et l'épandage s'effectuent simultanément, réglez l'épandage à deux fois la largeur de la pulvérisation, ce afin d'éviter la formation de bandes ou de traînées. Par exemple, largeur de pulvérisation standard = 2,7 m (9 pi) et largeur d'épandage = 5,4 m (18 pi).
| Type | Poids du sac | Couverture – m2 (pi2) | Réglage de la came – Dosage maximal | Réglage de la came – Mi-dosage | Largeur d'épandage |
|---|---|---|---|---|---|
| Pâturin ou agrostide | 0,23 kg (0,5 lb) | 93 (1 000) | 1,25 | 4 | |
| 0,45 kg (1 lb) | 93 (1 000) | 2 | 4 | ||
| 0,9 kg (2 lb) | 93 (1 000) | 2,5 | 4 | ||
| Pâturin Park, Merion, Delta ou du Kentucky | 2,27 kg (0,5 lb) | 93 (1 000) | 2,5 | 4 | |
| 0,45 kg (1 lb) | 93 (1 000) | 3 | 4 | ||
| 0,9 kg (2 lb) | 93 (1 000) | 3,5 | 4 | ||
| Herbe des Bermudes à coque | 0,9 kg (2 lb) | 93 (1 000) | 2,75 | 2,25 | 6 |
| 1,36 kg (3 lb) | 93 (1 000) | 3 | 2,5 | 6 | |
| 1,81 kg (4 lb) | 93 (1 000) | 3,25 | 2,75 | 6 | |
| Mélanges avec grosses graines | 0,9 kg (2 lb) | 93 (1 000) | 6 | 6 | |
| 1,81 kg (4 lb) | 93 (1 000) | 7 | 6 | ||
| 2,72 kg (6 lb) | 93 (1 000) | 7 | 6 | ||
| Ray-Grass ou grande fétuque | 0,9 kg (2 lb) | 93 (1 000) | 6 | 6 | |
| 1,81 kg (4 lb) | 93 (1 000) | 7 | 6 | ||
| 2,72 kg (6 lb) | 93 (1 000) | 7,75 | 6 | ||
| Dichondra | 113 g (4 oz) | 93 (1 000) | 1,9 | 8 | |
| 227 g (8 oz) | 93 (1 000) | 2,1 | 8 | ||
| 340 g (12 oz) | 93 (1 000) | 2,5 | 8 | ||
| Pensacola Bahia | 1,81 kg (4 lb) | 93 (1 000) | 4,5 | 3,75 | 7 |
| 2,27 kg (0,5 lb) | 93 (1 000) | 4,75 | 4 | 7 | |
| 2,72 kg (6 lb) | 93 (1 000) | 5 | 4,25 | 7 |
Si l'épandage n'est pas égal des deux côtés, c'est-à-dire s'il est insuffisant ou excessif d'un côté (voir Figure 31 et Figure 32), ajustez-le comme suit :

Note: N'ajustez pas les rampes qui divisent le flux de produit. Ajustez seulement les positions des rampes avant ou arrière.
Débloquez la commande d'épandage en tournant la poignée dans le sens antihoraire de 90°, comme montré en 2 sur la Figure 32.

Réglez la répartition comme suit :
Si la quantité épandue est trop importante sur le côté gauche de la machine, tirez légèrement la commande d'épandage vers le haut; voir 3 sur la Figure 32.
Si la quantité épandue est trop importante sur le côté droit de la machine, poussez légèrement la commande d'épandage vers le bas; voir 4 sur la Figure 32.
Bloquez la commande d'épandage en tournant la poignée dans le sens horaire de 90°; voir 5 sur la Figure 32.
Utilisez la commande du déflecteur pour dévier ou interrompre temporairement l'épandage de matériau granulaire afin d'éviter trottoirs, parcs de stationnement, patios ou en tout autre endroit où l'application n'est pas souhaitée.
Note: Le déflecteur modifie la décharge de produits sur le côté gauche de l'épandeur uniquement.
Appuyez sur le bouton pour abaisser le déflecteur et bloquer temporairement l'application de produit granuleux.
Tirez le bouton vers le haut pour relever le déflecteur et permettre l'épandage normal du produit sur le côté gauche de la machine.

Démarrez le moteur et placez la commande d'accélérateur à mi-course, entre les positions BAS RéGIME et HAUT RéGIME.
Réglez la commande de vitesse de turbine à au débit d'épandage approprié puis poussez la commande marche/arrêt de la turbine à la position MARCHE (Figure 34).

Pour verrouiller la commande de vitesse de la turbine, appuyez sur la commande marche/arrêt pendant 5 secondes (Figure 34).
Note: Le témoin au-dessus de la commande marche/arrêt de la turbine clignote à intervalles réguliers. Si la commande de vitesse de la turbine est verrouillée (ce qui est indiqué par le clignotement du témoin), le moteur de la turbine va démarrer et fonctionner à la dernière vitesse utilisée avant le verrouillage.
Pour déverrouiller la commande de vitesse de la turbine, démarrez le moteur de la turbine et appuyez sur la commande marche/arrêt pendant 5 secondes (le témoin s'allume en continu).

Amenez la commande d'accélérateur à la position HAUT RéGIME et faites avancer la machine.
Ouvrez le déflecteur d'application petite ou grande largeur pour commencer l'épandage (Figure 36).
Note: Utilisez le bouton de réglage de débit d'application petite largeur pour réguler le débit de décharge du produit granuleux de la trémie sur la turbine lorsque le levier de déflecteur de turbine pour application petite largeur est à la position d'OUVERTURE.

Évaluez la largeur de l'épandage.
Note: S'il est nécessaire de régler la largeur d'épandage, voir Réglage de la répartition d'épandage.
Une fois l'épandage terminé, fermez le déflecteur de turbine pour application grande largeur.
Note: Seul le levier du déflecteur de turbine pour application grande largeur permet de fermer le déflecteur de la turbine. Le levier du déflecteur de turbine pour application petite largeur est également ramené à la position avant quand vous poussez le levier d'application grande largeur en avant.
Nettoyez la trémie après chaque séance d'épandage; voir Nettoyage et graissage de l'épandeur.
Important: Videz et nettoyez toujours l'épandeur immédiatement après chaque utilisation. Dans le cas contraire, les produits chimiques peuvent corroder l'épandeur et d'autres composants.
Important: Veillez à étalonner l'épandeur avant de l'utiliser.

Pour assurer une application uniforme, faites chevaucher les passages, comme montré à la Figure 37.
Note: L'avant de la trémie distribue une plus grande quantité de graines que les côtés. Vous pouvez régler la répartition afin d'obtenir les résultats recherchés.
Surveillez d'éventuels changement de répartition du produit; une répartition inégale peut entraîner la formation de bandes.
Les produits chimiques sont dangereux et peuvent causer des blessures.
Lisez le mode d'emploi des produits chimiques avant de les manipuler, et suivez les recommandations et les consignes de sécurité du fabricant.
N'approchez pas les produits chimiques de la peau. En cas de contact, lavez soigneusement la zone affectée avec de l'eau propre et du savon.
Portez une protection oculaire, des gants et autres équipements de protection selon les instructions du fabricant du produit chimique.
Utilisez le pulvérisateur pour disperser herbicides, pesticides, engrais et autres substances liquides. Avant d'utiliser le pulvérisateur, vérifiez que vous avez nettoyé la cuve, les canalisations et les buses avant d'ajouter une substance chimique. Pour utiliser le pulvérisateur, commencez par remplir la cuve, puis pulvérisez la solution chimique sur la surface de travail. Nettoyez la cuve une fois la pulvérisation terminée. Il est important d'effectuer chacune de ces opérations pour éviter d'endommager le pulvérisateur. Par exemple, vous ne devez pas mélanger ni ajouter de produits chimiques dans la cuve du pulvérisateur la veille pour les pulvériser le lendemain matin. Cela pourrait causer la séparation des produits chimiques et endommager les composants du pulvérisateur.
Important: Lorsque vous utilisez le pulvérisateur, nettoyez-le toujours soigneusement à la fin de la journée.
Note: Avant la toute première pulvérisation, après avoir remplacé des buses ou quand le pulvérisateur est déréglé, étalonnez le pulvérisateur pour la vitesse de déplacement et le débit d'application.
Note: Les buses de pulvérisation droite et gauche (blanches) produisent un jet large tandis que la buse centrale (rouge) produit un jet à angle étroit.
Note: Consultez l'étiquette du produit chimique pour connaître les débits de pulvérisation recommandés.
La méthode d'étalonnage du débit de pulvérisation nécessite de parcourir une distance prédéfinie, de noter le temps écoulé et de mesurer la quantité de liquide qui a été appliquée durant cette période.
Matériel fourni par l'utilisateur : chronomètre pouvant mesurer ± 1/10 seconde.
Mesurez et balisez de manière visible le parcours qui servira à calculer la vitesse de déplacement moyenne. Notez la longueur du parcours ici :.
Note: Dans cet exemple, la longueur du parcours est 45,7 m (150 pi).
Remplissez à moitié la cuve de pulvérisation d'eau propre; voir Remplissage de la cuve du pulvérisateur.
Conduisez la machine à un endroit suffisamment éloigné du parcours prévu de manière qu'elle se déplace à la vitesse voulue avant d'atteindre la première balise.
Chronométrez le temps (en secondes) qu'il faut à la machine pour arriver au bout du parcours repéré (45,7 m [150 pi] dans notre exemple) tout en maintenant la vitesse de déplacement voulue. Notez cette valeur dans la feuille de temps de parcours.
| Temps | |
| Essai 1 | secondes |
| Essai 2 | secondes |
| Essai 3 | secondes |
Répétez les opérations 2 à 4 deux autres fois.
Conduisez le pulvérisateur sur une surface de niveau, amenez le levier de commande de déplacement à la position POINT MORT, coupez le moteur, attendez l'arrêt complet de toutes les pièces mobiles, enlevez la clé et serrez le frein de stationnement.
Faites la moyenne des 3 temps d'essai (en secondes) à l'aide de la formule suivante : Notez la vitesse moyenne de conduite du parcours ici :.
| Formule | (temps 1) + (temps 2) + (temps 3) | ||
| secondes | = | Temps moyen de conduite du parcours | |
| 3 | |||
| Exemple | 21,6 + 19,1+ 18,4 secondes | = | 19,7 secondes |
| 3 |
Calculez la vitesse moyenne de déplacement à l'aide la formule suivante : Notez la vitesse moyenne de déplacement ici :.
Note: 1 km/h = 16,6 m/minute (1 mi/h = 88 pi/minute)
| Formule | Longueur du parcoursm (pi) x 60 secondes | = | Vitesse moyenne de déplacement en km/h (mi/h) |
| Temps de conduite du parcours (secondes) x16,7 m/minute (88 pi/minute) | |||
| Exemple | 45,7 m (150 pi) x 60 secondes | = | 8,4 km/h(5,2 mi/h) |
| 19,7 secondes x 16,6 m/minute (88 pi/minute) |
Matériel fourni par l'utilisateur : Chronomètre pouvant mesurer ± 1/10 seconde et récipient gradué par 50 ml (1 oz liq.).
Note: Vérifiez que le système de pulvérisation est propre et que la cuve est à moitié pleine d'eau propre.
Serrez le frein de stationnement et mettez le moteur en marche.
Réglez la commande de pompe/agitation de la cuve à la position MARCHE.
Tirez le levier d'agitation en arrière pour lancer l'agitation de la cuve.
Placez la commande d'accélérateur en position HAUT RéGIME.
Poussez le levier de commande d'agitation à la position ARRêT.
Note: Arrêtez l'agitation pour permettre une pression et une répartition correctes de la pulvérisation.
Utilisez la commande de pression de pulvérisation pour régler la pression du système à 2,8 bar (40 psi).
Note: Les buses rouge et blanche montées sur ce pulvérisateur fonctionnent à une pression nominale de 2,8 bar (40 psi).
Placez le récipient gradué sous chaque buse pendant 19,7 secondes.
Note: Notez la quantité d'eau récupérée pour chaque buse sur la feuille de liquide récupéré.

| Buse gauche | Buse centrale | Buse droite | |
|---|---|---|---|
| Essai 1 | ml (oz liq.) | ml (oz liq.) | ml (oz liq.) |
| Essai 2 | ml (oz liq.) | ml (oz liq.) | ml (oz liq.) |
| Essai 3 | ml (oz liq.) | ml (oz liq.) | ml (oz liq.) |
Répétez deux fois encore l'opération 7 pour chaque buse.
Mettez la commande de la pompe/agitation de la cuve à la position Arrêt.
Calculez le débit d'eau moyen de chaque buse à l'aide de la formule ci-après :
| Formule | essai 1 + essai 2 + essai 3 | = | Débit moyen de buse en 19,7 secondes |
| 3 | |||
| Exemple buse centrale – jet étroit (rouge) | 475 ml (16,05 oz liq.) + 507 ml (17,15 oz liq.) + 504 ml (17,05 oz liq.) | = | 0,49 L (16,75 oz liq.) |
| 3 |
Buse droite – notez le débit moyen ici :.
Buse centrale – notez le débit moyen ici :.
Buse gauche – notez le débit moyen ici :.
Convertissez les millilitres (onces liquides) calculés à l'opération 10 de Essai de débit des buses en litres (gallons américains) à l'aide de la formule de conversion de quantité.
Note: 1 L = 1000 ml1 gallon américain = 128 oz liq.
| Formule | Résultat (X) ml (oz liq.) | = | (X) L (gallon américain) |
| 0,1 L (128 oz liq.) | |||
| Exemple buse centrale – jet étroit (rouge) | 490 ml (16,75 oz liq.) | = | 0,49 L (0,13 gallon américain) |
| 0,1 L (128 oz liq.) |
Buse droite – notez la quantité d'eau récupérée convertie ici :.
Buse centrale – notez la quantité d'eau récupérée convertie ici :.
Buse gauche – notez la quantité d'eau récupérée convertie ici :.
Calculez le débit de chaque buse à l'aide de la formule ci-après :
| Formule | Résultat (X) L (gallon américain) x 60 secondes | = | (X) L (gallon américain) |
| 19,7 secondes | |||
| Exemple buse centrale – jet étroit (rouge) | 0,49 L (0,13 gallon américain) x 60 secondes | = | 3,07 L (0,40 gallon américain) par minute |
| 19,7 secondes |
Buse droite – notez le débit calculé ici :.
Buse centrale – notez le débit calculé ici :.
Buse gauche – notez le débit calculé ici :.
Note: Si l'eau récupérée des buses ne correspond pas à la quantité indiquée dans le Table de débit des buses, vérifiez l'étanchéité, l'état ou l'usure des buses, flexibles et raccords; nettoyez ou remplacez les buses au besoin.
Utilisez les tables de débit pour déterminer le fonctionnement des buses de pulvérisation :
Débit des buses à différentes pression de pulvérisation
Buses usées ou endommagées
Le contenu du tableau suivant est basé sur le tableau d'information de capacité de buse fourni avec l'autorisation de TeeJet® Technologies. Utilisez le tableau ci-dessous ou consultez le site de TeeJet® Technologies pour déterminer si le débit de la buse correspond au débit spécifié (+/– 10 %).
Note: Le contenu du tableau ci-dessous est basé sur une pulvérisation d'eau à 21°C (70°F).
| Pression | Débit – buse neuve | Débit – buse en service | ||
| 0,7 bar(10 psi) | 769 ml (26 oz liq.)/min | 0,76 L (0,20 gallon américain)/min | 0,68 à 0,75 L (0,18 à 0,22 gallon américain)/min | |
| 1,4 bar(20 psi) | 1 065 ml (36 oz liq.)/min | 1,06 L (0,28 gallon américain)/min | 0,95 à 1,17 L (0,25 à 0,31 gallon américain)/min | |
| 2,1 bar(30 psi) | 1 331 ml (45 oz liq.)/min | 1,32 L (0,35 gallon américain)/min | 1,19 à 1,45 L (0,32 à 0,39 gallon américain)/min | |
| 2,8 bar(40 psi) | 1 508 ml (51 oz liq.)/min | 1,51 L (0,40 gallon américain)/min | 1,36 à 1,66 L (0,36 à 0,44 gallon américain)/min | |
| Pression | Débit – buse neuve | Débit – buse en service | ||
| 0,7 bar(10 psi) | 1 508 ml (51 oz liq.)/min | 1,51 L (0,40 gallon américain)/min | 1,36 à 1,66 L (0,36 à 0,44 gallon américain)/min | |
| 1,4 bar(20 psi) | 2 159 ml (73 oz liq.)/min | 2,16 L (0,57 gallon américain)/min | 1,94 à 2,38 L (0,51 à 0,63 gallon américain)/min | |
| 2,1 bar(30 psi) | 2 602 ml (88 oz liq.)/min | 2,61 L (0,69 gallon américain)/min | 2,35 à 2,87 L (0,62 à 0,76 gallon américain)/min | |
| 2,8 bar(40 psi) | 3 017 ml (102 oz liq.)/min | 3,03 L (0,80 gallon américain)/min | 2,73 à 3,33 L (0,72 à 0,88 gallon américain)/min | |
Utilisez les résultats de l'exemple de vitesse, largeur de pulvérisation et capacité de buse calculées pour déterminer le débit d'application.
Note: Le débit d'application peut aussi être déterminé à l'aide du Table de débit des buses, et de l'étiquette de recommandation du fabricant du produit chimique.
Les exemples ci-dessous sont basés sur les données suivantes :
Vitesse moyenne de déplacement = 8,4 km/h (5,2 mi/h)
Largeur de pulvérisation = 2,7 m (108 po)
Nombre de buses = 2
Capacité de buse = 3 L/min (0,8 gal/min)
Note: Les valeurs 6 et 600 sont des constantes utilisées dans les formules ci-dessous.
| Capacité d'une seule buse (L/min) x nombre de buses x 6 | = | L |
| Vitesse (km/h) x largeur de pulvérisation (m) | 100 m2 |
| 2,99 L/min x 2 x 6 | = | 1,563 L/100 m2(1,5 pte/1 000 pi2) |
| 8,369 km/h x 2,743 m |
| Capacité d'une seule buse (L/min) x nombre de buses x 600 | = | L |
| Vitesse (km/h) x largeur de pulvérisation (m) | hectare |
| 2,99 L/min x 2 x 600 | = | 156 L/hectare(16,7 gal/acre) |
| 8,369 km/h x 2,743 m |
Note: Les valeurs 544, 136 et 5 940 sont des constantes utilisées dans les formules ci-dessous.
| Capacité d'une seule buse (gal/min) x nombre de buses x 544 | = | pte |
| Vitesse (mi/h) x largeur de pulvérisation (po) | 1 000 pi2 |
| 0,79 gal/min x 2 x 544 | = | 1,5 pte/1 000 pi2(1,5 L/100 macre2) |
| 8,4 km/h x 274 cm (5,2 mi/h x 108 po) |
| Capacité d'une seule buse (gal/min) x nombre de buses x 136 | = | gal |
| Vitesse (mi/h) x largeur de pulvérisation (po) | 1 000 pi2 |
| 0,79 gal/min x 2 x 136 | = | 0,38 gal/1 000 pi2(1,5 L/100 m2) |
| 8,4 km/h x 274 cm (5,2 mi/h x 108 pouces) |
| Capacité d'une seule buse (gal/min) x nombre de buses x 5 940 | = | gal |
| Vitesse (mi/h) x largeur de pulvérisation (po) | acre |
| 0,79 gal/min x 2 x 5 940 | = | 16,7 gal/acre(156,1 L/ha) |
| 8,4 km/h x 274 cm (5,2 mi/h x 108 po) |
Certains produits chimiques sont plus agressifs que d'autres et chacun réagit différemment avec divers produits. Certaines consistances de produits chimiques (poudres mouillables, charbon de bois, par ex.) sont plus abrasives et entraînent des taux d'usure plus élevés. Si un produit chimique est proposé sous forme d'une préparation qui prolonge la vie utile du pulvérisateur, choisissez cette préparation.
Étalonnez le pulvérisateur avant de commencer l'application; voir Étalonnage du pulvérisateur.
Important: Assurez-vous que les produits que vous allez utiliser dans le pulvérisateur sont compatibles avec les joints toriques et les joints plats en fluoroélastomère (voir l'étiquette du fabricant du produit chimique; elle devrait préciser s'il est compatible). Si le produit chimique que vous utilisez n'est pas compatible avec le fluoroélastomère, les joints toriques et les joints plats du pulvérisateur pourront se dégrader et causer des fuites.
Important: Avant d'appliquer des produits chimiques sur le terrain, vérifiez que le débit d'application est réglé correctement avant de remplir la cuve.
Conduisez la machine sur une surface de niveau, amenez le levier de commande de déplacement à la position POINT MORT, coupez le moteur, attendez l'arrêt complet de toutes les pièces mobiles, enlevez la clé et serrez le frein de stationnement.
Vérifiez que les leviers de pulvérisation étroite et large sont en position DéSACTIVéE et que la manette du robinet de vidange de la cuve est tournée de 90° dans le sens antihoraire à la position FERMéE (Figure 41).

Déterminez le volume d'eau nécessaire pour mélanger la quantité de produit chimique requise selon les indications du fabricant.
Ouvrez le bouchon de la cuve du pulvérisateur (Figure 41).
Ajoutez les 3/4 de l'eau nécessaire dans la cuve par le goulot de remplissage.
Important: Utilisez toujours de l'eau douce propre dans la cuve de produit. Ne versez pas de concentré chimique dans la cuve vide.
Tournez la vanne d'arrêt de la pompe dans le sens horaire à la position OUVERTE (Figure 42).

Démarrez le moteur et placez la commande d'accélérateur à mi-course, entre les positions BAS RéGIME et HAUT RéGIME.
Réglez la commande de la pompe à la position MARCHE (Figure 43).

Placez la commande d'accélérateur en position HAUT RéGIME.
Tirez le levier d'agitation de cuve en arrière à la position MARCHE.
Note: L'eau dans la cuve circule.
Ajoutez la proportion spécifiée de concentré chimique dans la cuve selon les instructions du fabricant du produit.
Important: Si vous utilisez un produit chimique sous forme de poudre mouillable, mélangez la poudre avec une petite quantité d'eau pour former une bouillie liquide avant de verser le mélange obtenu dans la cuve.
Ajoutez l'eau restante dans la cuve et remettez le bouchon sur le goulot de remplissage de la cuve.
Note: Attendez que le contenu de la cuve soit parfaitement mélangé.
Matériel fourni par l'utilisateur :
Flexible de vidange avec raccord mâle NPT de 1/2–14 po
Bac de vidange (capacité variable suivant le volume restant dans la cuve)
Ruban d'étanchéité au PTFE
Conduisez la machine jusqu'à une surface plane et horizontale à l'emplacement désigné pour la vidange et le nettoyage de la cuve, amenez le levier de commande de déplacement au POINT MORT, coupez le moteur, attendez l'arrêt complet de toutes les pièces mobiles, enlevez la clé et serrez le frein de stationnement.
Enlevez le bouchon du robinet de vidange de la cuve du pulvérisateur (Figure 44).
Note: Le robinet de vidange est situé sur le côté gauche de la machine.

Vissez un flexible de vidange (fourni par l'utilisateur) au bout du robinet de vidange.
Placez l'extrémité libre du flexible de vidange dans un récipient de capacité suffisante pour contenir ce qui reste dans la cuve.
Note: Utilisez les repères de quantité à l'avant gauche de la cuve pour déterminer la quantité de solution chimique dans la cuve.
Tournez la manette du robinet de vidange dans le sens horaire de 90° pour vidanger la cuve (Figure 44).
Vidangez complètement la cuve du pulvérisateur.
Appliquez du produit d'étanchéité au PTFE sur le filetage du bouchon.
Fermez le robinet de vidange de la cuve, enlevez le flexible de vidange et remettez le bouchon de vidange sur le robinet (Figure 44).
Note: Débarrassez-vous des produits chimiques du pulvérisateur en respectant les codes locaux et les instructions du fabricant du produit.
Important: Pour que la solution chimique reste bien mélangée, utilisez la fonction d'agitation chaque fois que la cuve contient de la solution. Pour que la fonction d'agitation fonctionne, placez la commande de la pompe à la position MARCHE, tirez en arrière le levier d'agitation de la cuve, et faites tourner le moteur au régime de ralenti accéléré. Si vous arrêtez la machine mais que vous avez besoin de la fonction d'agitation, laissez le levier de commande de déplacement au POINT MORT, serrez le frein de stationnement, amenez la commande d'accélérateur en position HAUT RéGIME, mettez la pompe en marche et réglez le levier d'agitation.
Note: Étalonnez le pulvérisateur avant de commencer l'application; voir Étalonnage du pulvérisateur.
Réglez la commande de la pompe à la position MARCHE.
Conduisez la machine jusqu'à la zone de travail.
Poussez le levier d'agitation de la cuve en avant à la position ARRêT.
Note: Il se produit une certaine agitation même quand le levier d'agitation de la cuve est à la position ARRêT.
Tournez la commande de pression du pulvérisateur au réglage que vous avez déterminé sous Étalonnage du pulvérisateur.
Déplacez le levier de pulvérisation étroite ou large à la position MARCHE et commencez la pulvérisation.
Important: N'utilisez pas les commandes de pulvérisation étroite et large en même temps.


Lorsque la pulvérisation est terminée, poussez les leviers de pulvérisation vers l'avant et placez la commande de la pompe à la position ARRêT.
Note: Pour continuer de mélanger le contenu de la cuve, laissez la commande de la pompe à la position MARCHE et tirez le levier d'agitation en arrière.

N'empiétez pas sur la zone de pulvérisation effective que vous avez pulvérisée précédemment (voir Figure 47).
Recherchez des buses éventuellement bouchées.
Ramenez les leviers de pulvérisation étroite et large à la position ARRêT pour arrêter la pulvérisation avant d'immobiliser la machine. Une fois la machine immobilisée, laissez le levier de commande de déplacement au POINT MORT et la commande de la pompe à la position MARCHE.
Vous obtiendrez de bien meilleurs résultats si la machine se déplace quand vous mettez les commandes de pulvérisation EN SERVICE.
Pour obtenir une pression adéquate de la pompe et assurer la répartition correcte du produit pulvérisé, poussez le levier d'agitation en avant à la position ARRêT.
Vérifiez si le débit change. Les modifications du débit de pulvérisation indiquent que la vitesse de déplacement de la machine a changé au-delà de la portée des buses, ou signale une anomalie du système de pulvérisation.
Note: Lorsque la cuve est pratiquement vide, l'agitation peut faire mousser le mélange chimique à l'intérieur. Dans ce cas, poussez le levier d'agitation en avant à la position ARRêT. Vous pouvez aussi utiliser un agent antimousse compatible avec le produit chimique existant; ajoutez-le en respectant les instructions du fabricant.
L'applicateur manuel retient les liquides sous pression, même lorsque le moteur est coupé. La pulvérisation sous haute pression peut causer des blessures graves ou mortelles.
Ne vous approchez pas de la buse et ne dirigez par la pulvérisation ou le jet de l'applicateur manuel vers des personnes, des animaux ou du matériel ne faisant pas partie de la zone de travail.
Ne dirigez pas la pulvérisation sur ou près de composants ou de sources électriques.
Ne réparez jamais l'applicateur manuel, les flexibles, les joints, la buse ou autres composants de l'applicateur; remplacez-les systématiquement.
N'attachez pas les flexibles ou autres composants sur la buse au bout de l'applicateur manuel.
N'essayez pas de débrancher l'applicateur manuel de la machine lorsque le système de pulvérisation est sous pression.
N'utilisez pas l'applicateur manuel si le verrou de la gâchette est endommagé ou absent.
Tournez le verrou de l'applicateur manuel à la position ARRêT lorsque vous avez terminé.
Sortez l'applicateur manuel de son support sur le côté droit de la machine (Figure 48).

Tenez fermement l'applicateur manuel et pointez-le dans la direction dans laquelle vous voulez pulvériser.
Note: Tenez fermement l'applicateur manuel car il peut reculer brusquement.
Réglez la pression de la pompe pour l'applicateur manuel comme suit :
Pour accroître la pression de la pompe à l'applicateur manuel, tournez la commande de pression de l'applicateur dans le sens antihoraire (Figure 49).

Pour réduire la pression à l'applicateur manuel, tournez la commande dans le sens horaire (Figure 49).
Pour couper la pression à l'applicateur, tournez la commande de pression dans le sens horaire jusqu'à ce que la vanne de la commande soit fermée (Figure 49).
Serrez la gâchette de l'applicateur manuel pour commencer à pulvériser; verrouillez la gâchette en place au besoin (Figure 48).
À la fin de la pulvérisation, si vous avez verrouillé la gâchette de l'applicateur manuel, déverrouillez-la et relâchez-la (Figure 48)
Tournez la commande de pression de l'applicateur manuel dans le sens horaire à la position ARRêT (Figure 49).
Insérez l'applicateur manuel dans son support (Figure 48).
Garez la machine sur une surface plane et horizontale, coupez le moteur, enlevez la clé et attendez l'arrêt complet de toutes les pièces mobiles avant de quitter le poste d'utilisation.
À la fin de votre journée de travail, lavez les résidus de produit chimique qui se sont déposés sur les surfaces extérieures de la machine; voir Consignes de sécurité concernant les produits chimiques.
Utilisez des rampes d'une seule pièce pour charger la machine sur une remorque ou un véhicule.
Arrimez solidement la machine sur la remorque ou le camion au moyen de sangles, chaînes, câbles ou cordes. Les sangles avant et arrière doivent être dirigées vers le bas et l'extérieur de la machine.
Fermez le robinet d'arrivée de carburant avant de remiser ou de transporter la machine.
Maintenez toutes les pièces de la machine en bon état de marche et toutes les fixations bien serrées.
Laissez refroidir le moteur avant de ranger la machine dans un local fermé.
Ne remisez jamais la machine ni les bidons de carburant à proximité d'une flamme nue, d'une source d'étincelles ou d'une veilleuse, telle celle d'un chauffe-eau ou d'autres appareils.
Remplacez les composants endommagés de l'applicateur manuel; n'essayez pas de réparer les flexibles, les joints, les buses ou aucun autre composant de l'applicateur manuel.
| Périodicité d'entretien | Procédure d'entretien |
|---|---|
| Après chaque utilisation |
|
Conduisez la machine jusqu'à une surface plane et horizontale désignée pour le nettoyage.
Amenez le levier de commande de déplacement à la position POINT MORT, coupez le moteur, attendez l'arrêt complet de toutes les pièces mobiles, enlevez la clé et serrez le frein de stationnement.
Videz la trémie; voir Vidage de l'épandeur.
À l'aide d'un tuyau d'arrosage, lavez entièrement l'intérieur et l'extérieur de l'épandeur à l'eau propre.
Note: N'utilisez pas de jet haute pression pour laver la machine. Un jet d'eau haute pression peut forcer les produits corrosifs subsistants dans les composants du pulvérisateur-épandeur.
Inclinez le filtre au bas de la trémie vers l'avant pour nettoyer les composants inférieurs de la trémie (Figure 50).

Pivotez le filtre de la trémie vers le bas.
Détachez le câble du déflecteur de la trémie, tournez le cadran de dosage à un réglage inférieur à la position ouverte maximale et attendez que le pulvérisateur-épandeur soit complètement vide; voir Vidage de l'épandeur.
Connectez le câble du déflecteur de la trémie; voir Accouplement de la tige de dosage.
Appliquez du lubrifiant hydrofuge sur les composants, comme montré à la Figure 51.

| Périodicité d'entretien | Procédure d'entretien |
|---|---|
| Après chaque utilisation |
|
L'ingestion ou l'inhalation de produits chimiques peut causer des blessures graves ou mortelles.
Ne nettoyez pas les buses du pulvérisateur avec la bouche ou en soufflant dedans.
Remplacez toutes les buses usées ou endommagées.
Vérifiez que les buses sont montées correctement.
Videz la cuve du pulvérisateur; voir Vidange de la cuve du pulvérisateur.
Remplissez la cuve du pulvérisateur de 19 L (5 gallons américains) ou plus d'eau propre et remettez le bouchon; voir Remplissage de la cuve du pulvérisateur.
Serrez le frein de stationnement, amenez le levier de commande de direction/déplacement à la position POINT MORT et démarrez le moteur (Figure 52); voir Démarrage du moteur.

Placez la commande de pompe à la position MARCHE et réglez la commande d'accélérateur à la position HAUT RéGIME (Figure 52).
Placez le levier d'agitation de la cuve en position MARCHE (Figure 52).
Important: Videz et nettoyez toujours le pulvérisateur immédiatement après chaque utilisation. Si cela n'est pas fait, les produits chimiques risquent de sécher ou de se coaguler à l'intérieur des canalisations, ce qui bouchera la pompe et d'autres composants.
Tirez en arrière les leviers de pulvérisation étroite et large à la position MARCHE (Figure 52).
Les buses vont alors commencer à pulvériser.
Pulvérisez l'eau de rinçage de la cuve par les buses.
Vérifiez que les 3 buses pulvérisent correctement.
Sortez l'applicateur manuel de son support, dirigez-le vers un endroit sûr et appuyez sur la gâchette; voir Gâchette d'actionnement de l'applicateur manuel et verrou de gâchette.
Note: Laissez couler l'eau de rinçage par l'applicateur pendant 1 à 2 minutes.
Relâchez la gâchette et remettez l'applicateur manuel dans son support sur la machine (Figure 7).
Déplacez les leviers de pulvérisation vers l'avant à la position ARRêT, amenez la commande de pompe à la position d'ARRêT et coupez le moteur (Figure 52).
Nettoyez le filtre; voir Nettoyage du filtre.
Répétez les opérations 2 à 7 en utilisant les produits nettoyants et neutralisants recommandés par les fabricants de produits chimiques; voir Remplissage de la cuve du pulvérisateur.
Répétez les opérations 2 à 7 avec de l'eau propre uniquement.
À l'aide d'un tuyau d'arrosage, lavez l'extérieur de la cuve du pulvérisateur à l'eau propre.
Note: N'utilisez pas de jet haute pression pour laver la machine. Un jet d'eau à haute pression peut forcer les produits corrosifs subsistants dans les composants du pulvérisateur-épandeur.
Déposez et nettoyez les buses de pulvérisation; voir Nettoyage de la buse de pulvérisation.
Note: Remplacez les buses usées ou endommagées.
Laissez sécher complètement le pulvérisateur-épandeur avant la prochaine utilisation.
| Périodicité d'entretien | Procédure d'entretien |
|---|---|
| Après chaque utilisation |
|
Important: Si vous utilisez des produits chimiques sous forme de poudre mouillable, nettoyez le filtre après chaque rinçage de la cuve du pulvérisateur.
Videz la cuve du pulvérisateur; voir Vidange de la cuve du pulvérisateur.
Tournez la manette de la vanne d'arrêt de la pompe de 90° dans le sens antihoraire à la position FERMéE (Figure 53).

Placez un bac de vidange sous le filtre (Figure 53).
Tournez la cuvette du filtre dans le sens antihoraire et déposez la cuvette et la crépine du boîtier du filtre (Figure 54).
Note: Déposez la cuvette du filtre à la main.
Note: Remplacez le joint, le filtre ou les deux s'ils sont usés ou endommagés.

Attendez toujours que le reste du mélange chimique soit vidangé du boîtier du filtre.
Note: Débarrassez-vous du mélange chimique usagé du pulvérisateur en respectant les codes locaux et les instructions du fabricant du produit.
Nettoyez la crépine et la cuvette avec une brosse souple et de l'eau propre.
Remettez la crépine dans le boîtier du filtre (Figure 54).
Vissez le joint et la cuvette à la main sur le boîtier du filtre (Figure 54).
Tournez la manette de la vanne d'arrêt de la pompe de 90° dans le sens horaire à la position OUVERTE (Figure 53).
| Périodicité d'entretien | Procédure d'entretien |
|---|---|
| Après chaque utilisation |
|
Tournez le chapeau de buse de 90° dans le sens antihoraire et enlevez-le du corps de la buse (Figure 55).

Déposez la pastille, le joint et la crépine du corps de la buse (Figure 55).
Note: Remplacez les pièces usées ou endommagées de la buse.
Nettoyez la pastille, le joint et la crépine de la buse avec une brosse souple et de l'eau propre.
Montez le filtre sur le corps de la buse (Figure 55).
Placez la pastille et le joint dans le chapeau de la buse (Figure 55).
Reposez l'embout, le joint et le capuchon sur le corps de la buse (Figure 55).
Note: Utilisez la fente pour faire tourner l'atomiseur (Figure 55) de la pastille vers l'avant (aligné sur le boîtier du régulateur de débit du corps de la buse).
Tournez le chapeau de la buse de 90° dans le sens horaire (Figure 55).
Répétez les opérations 1 à 7 pour les 2 autres buses.
Poids de la machine : 227 kg (500 lb) – cuve de pulvérisateur et trémie vides; 389 kg (857 lb) – cuve de pulvérisateur et trémie pleines
Cette machine n'est pas équipée des clignotants, éclairages, réflecteurs corrects ou panneau « véhicule lent » nécessaires. La conduite sur la voie publique sans ces équipements est dangereuse et peut entraîner des accidents et des blessures. La conduite sur la voie publique sans ces équipements peut également constituer une infraction à la réglementation nationale au titre de laquelle l'utilisateur peut être verbalisé.
Ne conduisez pas la machine sur la voie publique.
Le chargement de la machine sur une remorque ou un camion augmente le risque de basculement et donc de blessures graves ou mortelles.
Procédez avec la plus grande prudence lorsque vous manÅ“uvrez la machine sur une rampe.
Montez la rampe en marche arrière et descendez-la en marche avant en poussant la machine à la main.
Évitez d'accélérer ou de décélérer brutalement lorsque vous conduisez la machine sur une rampe car vous pourriez en perdre le contrôle ou la faire basculer.
N'essayez pas de faire tourner la machine quand elle se trouve sur la rampe, car vous pourriez en perdre le contrôle et tomber de la rampe.
Utilisez uniquement une rampe d'une seule pièce; n'utilisez pas de rampes individuelles de chaque côté de la machine.
Si vous ne disposez pas d'une rampe d'une seule pièce, utilisez un nombre suffisant de rampes individuelles pour créer une surface continue plus large que la machine.
Transportez la machine sur une remorque de poids-lourd ou un camion. Le camion ou la remorque doit être équipé(e) des freins, des éclairages et de la signalisation exigés par la loi. Lisez attentivement toutes les consignes de sécurité.
Si vous utilisez une remorque, attelez-la au véhicule tracteur et attachez les chaînes de sécurité.
Le cas échéant, raccordez les freins de la remorque.
Abaissez la rampe.
Levez la plate-forme du conducteur.
Montez la rampe en marche arrière (Figure 56).

Sécurisez la machine; voir Sécurisation de la machine pour le transport.
Note: Reportez-vous à l'étiquette d'avertissement du produit chimique avant de transporter la machine et observez toutes les exigences locales/d'état/fédérales concernant le transport des produits chimiques.
Note: Vérifiez que le couvercle de la trémie de l'épandeur et l'applicateur manuel du pulvérisateur sont solidement fixés avant de transporter la machine.
Sur le côté gauche de la machine, vérifiez que le robinet d'arrêt de la cuve du pulvérisateur est fermé et que le bouchon de vidange est bien en place. Sur le côté droit de la machine, vérifiez que la vanne d'arrêt de la pompe est fermée.
Coupez le moteur, enlevez la clé et serrez le frein de stationnement.
Fermez le robinet d'arrivée de carburant et calez les roues.
Servez-vous des points d'attache de la machine pour l'arrimer solidement sur la remorque ou le véhicule de transport au moyen de sangles, chaînes, câbles ou cordes (Figure 57). Reportez-vous à la réglementation locale concernant les exigences d'arrimage et de remorquage.

Pendant l'entretien de la machine, quelqu'un pourrait mettre le moteur en marche. Le démarrage accidentel du moteur pourrait vous blesser gravement ou blesser d'autres personnes. Avant de procéder à un quelconque entretien, enlevez la clé de contact, serrez le frein de stationnement et débranchez le fil de la ou des bougies. Écartez le ou les fils pour éviter tout contact accidentel avec la ou les bougies.
Le moteur peut devenir très chaud. Vous pouvez vous brûler gravement à son contact. Attendez que le moteur soit complètement refroidi avant d'effectuer des entretiens ou des réparations à proximité.
Garez la machine sur une surface plane et horizontale, et laissez-la refroidir. Ne confiez jamais l'entretien de la machine à des personnes non qualifiées.
Désengagez le pulvérisateur ou fermez la trappe de l'épandeur, serrez le frein de stationnement, coupez le moteur et enlevez la clé ou débranchez le fil de la bougie. Attendez l'arrêt complet de toutes les pièces en mobiles avant de régler, de nettoyer ou de réparer la machine.
Débranchez la batterie ou le fil de la bougie avant d'entreprendre des réparations. Débranchez la borne négative de la batterie avant la borne positive. Rebranchez la borne positive avant la borne négative.
Dépressurisez le système de pulvérisation avant de faire l'entretien de la machine.
Videz la cuve et/ou la trémie avant d'incliner la machine pour l'entretien et avant de la remiser.
Les fuites de liquide hydraulique sous pression peuvent transpercer la peau et causer des blessures graves. Toute injection accidentelle de liquide sous la peau nécessite une intervention chirurgicale dans les heures qui suivent l'accident, réalisée par un médecin connaissant ce genre de blessure, pour éviter le risque de gangrène.
Le cas échéant, vérifiez l'état de tous les flexibles et conduits hydrauliques, ainsi que le serrage de tous les raccords et branchements avant de mettre le système hydraulique sous pression.
N'approchez pas les mains ni aucune autre partie du corps des fuites en trou d'épingle ou des gicleurs d'où sort du liquide hydraulique sous haute pression.
Utilisez un morceau de carton ou de papier pour détecter les fuites, jamais les mains.
Évacuez soigneusement toute la pression du système hydraulique en plaçant les leviers de commande de déplacement au point mort et en coupant le moteur avant toute intervention sur le système hydraulique.
Ne vous fiez pas uniquement à des crics mécaniques ou hydrauliques pour soulever la machine aux fins d'entretien ou de révision; cela pourrait être dangereux. Les crics mécaniques ou hydrauliques peuvent ne pas offrir un soutien suffisant ou peuvent lâcher et faire retomber la machine, et causer ainsi des blessures. Ne vous fiez pas uniquement à des crics mécaniques ou hydrauliques comme soutien. Utilisez des chandelles adéquates ou un support équivalent.
Libérez la pression emmagasinée dans les composants avec précaution.
N'approchez jamais les mains ou les pieds des pièces mobiles. Dans la mesure du possible, évitez d'effectuer des réglages sur la machine quand le moteur est en marche. Si la procédure d'entretien ou de réglage exige que le moteur tourne et que des composants se déplacent, faites preuve d'une extrême prudence.
Les pièces mobiles et les surfaces brûlantes peuvent causer des blessures. N'approchez pas les doigts, les mains ou les vêtements des pièces rotatives et des surfaces chaudes.
Contrôlez fréquemment le couple de serrage de tous les boulons.
| Périodicité d'entretien | Procédure d'entretien |
|---|---|
| Après les 10 premières heures de fonctionnement |
|
| À chaque utilisation ou une fois par jour |
|
| Après chaque utilisation |
|
| Toutes les 50 heures |
|
| Toutes les 80 heures |
|
| Toutes les 100 heures |
|
| Chaque mois |
|
| Une fois par an |
|
| Une fois par an ou avant le remisage |
|
| Contrôle effectué par : | ||
| Point contrôlé | Date | Information |
| 1 | ||
| 2 | ||
| 3 | ||
| 4 | ||
| 5 | ||
| 6 | ||
| 7 | ||
| 8 | ||
Important: Reportez-vous au manuel du propriétaire du moteur pour toutes procédures d'entretien supplémentaires.
Si vous laissez la clé dans le commutateur d'allumage, quelqu'un pourrait mettre le moteur en marche accidentellement et vous blesser gravement, ainsi que toute personne à proximité.
Avant tout entretien, retirez la clé du commutateur d'allumage.
Ne vous fiez pas uniquement à des crics mécaniques ou hydrauliques pour soulever la machine aux fins d'entretien ou de révision; cela pourrait être dangereux. Ils peuvent ne pas offrir un soutien suffisant ou peuvent lâcher et laisser retomber la machine, et causer ainsi des blessures.
Ne vous fiez pas uniquement à des crics mécaniques ou hydrauliques comme soutien. Utilisez des chandelles adéquates ou un support équivalent.
Quelqu'un pourrait démarrer le moteur pendant l'entretien ou les réglages de la machine. Le démarrage accidentel du moteur peut causer de graves blessures à vous-même ou à des personnes à proximité.
Avant de procéder à un quelconque entretien, enlevez la clé de contact, serrez le frein de stationnement et débranchez le fil de la ou des bougies. Écartez le ou les fils pour éviter tout contact accidentel avec la ou les bougies.
Effectuez les opérations qui suivent avant de procéder à l'entretien, le nettoyage ou le réglage de la machine.
Garez la machine sur une surface plane et horizontale.
Fermez le déflecteur de turbine pour application grande largeur et coupez la pompe de pulvérisation.
Coupez le moteur et enlevez la clé de contact.
Serrez le frein de stationnement.
Attendez l'arrêt complet de toutes les pièces mobiles et laisser refroidir le moteur, avant de faire l'entretien, de remiser ou de réparer la machine.
Débranchez le fil de la bougie (Figure 58).

| Périodicité d'entretien | Procédure d'entretien |
|---|---|
| Toutes les 100 heures |
|
Type de graisse : graisse universelle NGLI (National Lubricating Grease Institute) de qualité nº 2.
Préparez la machine pour l'entretien; voir Préparation de la machine.
Essuyez les graisseurs avec un chiffon (Figure 59).

Raccordez une pompe à graisse aux graisseurs (Figure 59).
Injectez de la graisse dans les graisseurs jusqu'à ce qu'elle commence à sortir des roulements.
Essuyez tout excès de graisse.
| Périodicité d'entretien | Procédure d'entretien |
|---|---|
| À chaque utilisation ou une fois par jour |
|
| Toutes les 100 heures |
|
Important: Ne faites pas tourner le moteur sans le filtre à air au complet, sous peine d'endommager gravement le moteur.
Amenez le levier de commande de déplacement à la position POINT MORT, coupez le moteur, attendez l'arrêt complet de toutes les pièces mobiles, enlevez la clé et serrez le frein de stationnement.
Débloquez les verrous du couvercle du filtre à air.
Déposez le couvercle et nettoyez-le soigneusement ().
Note: Veillez à ne pas faire tomber de saleté ni de débris dans la base du filtre.

Sortez le préfiltre en mousse de l'élément en papier (Figure 60).
Lavez le préfiltre à l'eau chaude additionnée de détergent doux.
Rincez le préfiltre et faites-le sécher à l'air libre.
Huilez légèrement le préfiltre avec de l'huile moteur propre et pressez-le pour éliminer l'excédent d'huile.
Déposez et examinez l'élément filtrant en papier (); remplacez-le s'il est excessivement encrassé.
Important: Ne nettoyez pas l'élément filtrant du filtre à air.
Essuyez la base du filtre à air avec un chiffon propre.
Note: Veillez à ne pas faire pénétrer de saletés ou de débris dans le conduit d'air relié au carburateur.
Installez le préfiltre en mousse sur l'élément en papier (Figure 60).
Montez le filtre à air sur sa base (Figure 60).
Alignez la flèche sur le couvercle du filtre à air et la flèche sur la base (Figure 61).

Verrouillez le couvercle du filtre à air sur la base.
Type d'huile : huile moteur « Toro 4-Cycle Premium » ou huile détergente de première qualité (y compris synthétique), classe de service API SJ ou mieux.
Viscosité de l'huile : Consultez le tableau ci-dessous.

| Périodicité d'entretien | Procédure d'entretien |
|---|---|
| À chaque utilisation ou une fois par jour |
|

Important: Ne faites pas tourner le moteur quand le niveau d'huile est en dessous du repère minimum ou au-dessus du repère maximum sur la jauge.
Amenez la machine sur un sol plat et horizontal.
Préparez la machine pour l'entretien; voir Préparation de la machine.
Laissez refroidir le moteur.
Dévissez la jauge sur le moteur et essuyez-la sur un chiffon propre (Figure 64).

Insérez la jauge dans le moteur, comme montré à la Figure 65.
Note: Ne vissez pas la jauge dans le goulot de remplissage lorsque vous contrôlez le niveau d'huile moteur.

Sortez la jauge du goulot de remplissage et vérifiez le niveau indiqué (Figure 65).
Note: Le niveau d'huile moteur doit recouvrir la zone hachurée sur la jauge (Figure 65).
Si le niveau d'huile est trop bas, essuyez la surface autour du goulot de remplissage et faites l'appoint d'huile spécifiée jusqu'à ce que le niveau se situe entre les zones hachurées sur la jauge.
Important: Ne remplissez pas le carter moteur excessivement.
Serrez la jauge à la main dans le goulot de remplissage (Figure 64).
| Périodicité d'entretien | Procédure d'entretien |
|---|---|
| Après les 10 premières heures de fonctionnement |
|
| Toutes les 100 heures |
|
Préparez la machine pour l'entretien; voir Préparation de la machine.
Avant de quitter la position d'utilisation, coupez le moteur, enlevez la clé de contact et attendez l'arrêt complet de toutes les pièces mobiles.
Placez un bac de vidange de 1,5 L (1,6 pte américaine) de capacité ou plus sous le robinet de vidange au bas de la plaque de protection et vers l'intérieur par rapport au support de batterie (Figure 66).


Ouvrez le robinet de vidange en tournant la tige à tête hexagonale du robinet dans le sens antihoraire à l'aide d'une clé (Figure 66).
Note: Vidangez complètement l'huile moteur.
Fermez le robinet de vidange en le tournant dans le sens horaire jusqu'à ce qu'il soit parfaitement en ajusté (Figure 66).
Note: Essuyez toute trace d'huile sur le robinet de vidange.
Important: Ne faites pas tourner le moteur quand le niveau d'huile est en dessous du repère minimum (Low ou Add) sur la jauge, ou au-dessus du repère maximum (Full).
Sortez la jauge du goulot de remplissage sur le moteur et essuyez-la sur un chiffon propre (Figure 67).

Versez lentement 1,1 L (1,2 pte américaine) d'huile spécifiée dans le carter moteur par le goulot de remplissage (Figure 67).
Insérez la jauge dans le moteur, comme montré à la Figure 68.
Note: Ne vissez pas la jauge dans le goulot de remplissage lorsque vous contrôlez le niveau d'huile moteur.

Sortez la jauge du goulot de remplissage et vérifiez le niveau indiqué (Figure 68).
Note: Le niveau d'huile moteur doit recouvrir la zone hachurée sur la jauge (Figure 68).
Si le niveau d'huile est trop bas, faites l'appoint d'huile spécifiée jusqu'à ce que le niveau se trouve entre les zones hachurées sur la jauge.
Note: Ne remplissez pas le carter moteur excessivement.
Serrez la jauge à la main dans le goulot de remplissage (Figure 67).
Type de bougie : Champion® RC12YC, Kohler® 12 132 02-S, ou Kohler 25 132 14-S (conforme RFI)
Préparez la machine pour l'entretien; voir Préparation de la machine.
Déposez la bougie, comme montré à la Figure 69.


Écartement des électrodes : 0,76 mm (0,030 po)
Important: Ne nettoyez pas la ou les bougies. Remplacez toujours les bougies si elles sont recouvertes d'un dépôt noir ou d'une couche grasse, si elles sont fissurées ou si les électrodes sont usées.
Si le bec isolant est recouvert d'un léger dépôt gris ou brun, le moteur fonctionne correctement. S'il est recouvert d'un dépôt noir, cela signifie généralement que le filtre à air est encrassé.
Avec une jauge d'épaisseur, contrôlez et réglez l'écartement des électrodes à 0,76 mm (0,030 po).

Serrez la bougie comme suit :
Bougie neuve – 12 à 15 N·m (8,7 à 10,8 pi-lb)
Bougie en service – 23 à 27 N·m (16,6 à 19,5 pi-lb)

Pièces nécessaires : joint de silencieux; voir le catalogue de pièces du moteur.
Retirez les 2 boulons à embase qui fixent le silencieux à la bride de sortie d'échappement du moteur, et déposez le silencieux (Figure 72).
Note: Mettez au rebut le joint existant du silencieux.

Retirez les vis qui fixent le pare-chaleur au silencieux, et déposez le pare-chaleur (Figure 73).

Déposez et nettoyez le filtre du pare-étincelles (Figure 73).
Montez le filtre du pare-étincelle sur le silencieux (Figure 73).
Fixez le pare-chaleur sur le silencieux à l'aide des vis que vous avez retirées à l'opération 2.
Placez le silencieux et un joint d'échappement neuf devant la bride de sortie d'échappement du moteur (Figure 72).
Fixez le silencieux et le joint sur le moteur à l'aide des 2 boulons à embase que vous avez retirés à l'opération 1.
Serrez les boulons à embase à 35 N·m (310 po-lb).
Fermez le robinet d'arrivée de carburant; voir Ouverture et fermeture du robinet d'arrivée de carburant.
Localisez le boulon de vidange dans l'orifice latéral de la cuve du carburateur (Figure 74).

Placez le récipient de récupération du carburant sous le boulon de vidange.
Retirez le boulon de vidange du carburateur et vidangez le carburant du réservoir de carburant et du carburateur.
Note: Ne retirez pas la vis de fixation de la cuve du carburateur.

Remettez le boulon de vidange dans l'orifice latéral du carburateur.
Ouvrez le robinet d'arrivée de carburant et recherchez des fuites de carburant.
Note: Réparez toutes les fuites de carburant avant de démarrer le moteur.
| Périodicité d'entretien | Procédure d'entretien |
|---|---|
| Chaque mois |
|
Maintenez toujours la batterie propre et chargée au maximum. Nettoyez le boîtier de la batterie avec une serviette en papier. Si les bornes de la batterie sont corrodées, nettoyez-les avec un mélange constitué de quatre volumes d'eau pour un volume de bicarbonate de soude. Enduisez les bornes de la batterie d'une mince couche de graisse pour éviter la corrosion.
Tension : 12 V
La charge de la batterie ou l'utilisation d'une batterie de secours peut produire des gaz explosifs. Les gaz dégagés par la batterie peuvent exploser et causer de graves blessures.
Gardez la batterie éloignée des étincelles, flammes ou cigarettes.
Aérez soigneusement si vous chargez ou utilisez une batterie dans un lieu clos.
Le conduit de mise à l'air libre de la batterie doit toujours rester ouvert lorsque la batterie est remplie d'acide.
Ne vous penchez pas au-dessus des batteries.
Protégez-vous toujours les yeux et le visage de la batterie.
L'électrolyte contient de l'acide sulfurique, qui est un toxique et peut causer de graves brûlures. L'électrolyte peut causer de graves blessures au contact de la peau ou être fatale en cas d'ingestion.
Portez une protection oculaire et portez des gants en caoutchouc pour protéger votre peau et vos vêtements lorsque vous manipulez de l'électrolyte.
N'avalez pas d'électrolyte.
En cas d'accident, rincez abondamment à l'eau et appelez immédiatement un médecin.
Si la clé de contact est à la position CONTACT, des étincelles peuvent se produire et causer l'engagement de composants. Les étincelles peuvent provoquer une explosion et les pièces mobiles peuvent se mettre en marche accidentellement et causer des blessures.
Tournez toujours le commutateur d'allumage à la position ARRêT avant de charger la batterie.
Préparez la machine pour l'entretien; voir Préparation de la machine.
Sortez l'extrémité libre de la sangle de la batterie de la boucle et enlevez le couvercle du bac de la batterie (Figure 76).

Mesurez la tension de la batterie avec un voltmètre.
Reportez-vous au tableau ci-après pour vérifier l'état de charge de la batterie et, au besoin, le réglage du chargeur de batterie et des intervalles de charge recommandés de la batterie à 12,6 V ou plus; voir le tableau de charge de la batterie ci-après.
Important: Pour éviter d'endommager la batterie, vérifiez que le câble négatif est débranché et que le chargeur utilisé pour la charge a une sortie de 16 V et 7 A ou moins (voir le tableau pour les réglages recommandés du chargeur).
| Tension indiquée | Charge | Charge maximum | Intervalle de charge |
|---|---|---|---|
| 12,6 ou plus | 100 % | 16 V/7 A | Charge inutile |
| 12,4 – 12,6 | 75–100 % | 16 V/7 A | 30 minutes |
| 12,2 – 12,4 | 50-75% | 16 V/7 A | 1 heure |
| 12,0-12,2 | 25-50% | 14,4 V/4 A | 2 heures |
| 11,7-12,0 | 0-25% | 14,4 V/4 A | 3 heures |
| 11,7 ou moins | 0 % | 14,4 V/2 A | 6 heures ou plus |
Si le câble positif est également débranché, reliez le câble positif (rouge) à la borne positive de la batterie et placez le capuchon sur la borne positive (Figure 76).
Retirez la vis, la rondelle et le câble de masse du moteur. Fixez le câble de batterie à la borne de la batterie avec le boulon, la rondelle et l'écrou, et serrez l'écrou et le boulon à un couple de 19,78 à 25,42 N·m (175 à 225 po-lb).
Note: Si vous ne disposez pas de suffisamment de temps pour charger la batterie, ou si vous n'avez pas de chargeur, connectez les câbles négatifs de la batterie et faites tourner le moteur sans interruption pendant 20 à 30 minutes jusqu'à ce que la batterie soit chargée.
Alignez le couvercle sur le bac de la batterie et fixez le couvercle et le bac sur le support de la batterie à l'aide de la sangle (Figure 76).
La batterie en charge produit des gaz susceptibles d'exploser.
Ne fumez jamais à proximité de la batterie et gardez-la éloignée de toutes flammes ou sources d'étincelles.
Important: La batterie doit toujours être chargée au maximum (densité 1,265) pour l'empêcher de se dégrader si la température tombe au-dessous 0 ºC (32 ºF).
Déposez la batterie du châssis; voir Retrait de la batterie.
Vérifiez le niveau d'électrolyte dans la batterie.
Vérifiez que les bouchons de remplissage sont bien en place sur la batterie.
Chargez la batterie pendant 1 heure entre 25 et 30 A, ou pendant 6 heures entre 4 et 6 A.
Une fois la batterie chargée au maximum, débranchez le chargeur du secteur, puis débranchez les fils du chargeur des bornes de la batterie (Figure 77).
Placez la batterie sur la machine et raccordez les câbles de la batterie; voir Mise en place de la batterie.
Note: N'utilisez pas la machine si la batterie est débranchée, au risque d'endommager le système électrique.

Les bornes de la batterie ou les outils en métal peuvent causer des courts-circuits au contact des pièces métalliques de la machine et produire des étincelles. Les étincelles risquent de provoquer l'explosion des gaz de la batterie et de vous blesser.
Lors du retrait ou de la mise en place de la batterie, évitez que les bornes touchent les parties métalliques de la machine.
Évitez de créer des courts-circuits entre les bornes de la batterie et les parties métalliques de la machine avec des outils en métal.
S'ils sont mal acheminés, les câbles de la batterie peuvent subir des dommages ou endommager la machine et produire des étincelles. Les étincelles risquent de provoquer l'explosion des gaz de la batterie et de vous blesser.
Débranchez toujours le câble négatif (noir) de la batterie avant le câble positif (rouge).
Connectez toujours le câble positif (rouge) de la batterie avant le câble négatif (noir).
Préparez la machine pour l'entretien; voir Préparation de la machine.
Déposez le couvercle de la batterie (Figure 76); voir l'opération 2 de Contrôle de la charge de la batterie.
Retirez le boulon à embase hexagonale et l'écrou à embase du câble négatif et de la borne négative (-) de la batterie, et débranchez le câble de la batterie (Figure 78).

Enlevez le capuchon rouge de la borne positive de la batterie (Figure 78).
Retirez le boulon à embase hexagonale et l'écrou à embase du câble positif (rouge) et de la borne positive (+) de la batterie, et débranchez le câble de la batterie (Figure 78).
Retirez la batterie et le bac de batterie du support de batterie sur la machine.
Placez la batterie dans son bac.
Placez la batterie et le bac de batterie sur le support de batterie sur la machine.
Reliez le câble positif (rouge) à la borne positive (+) de la batterie au moyen d'un boulon à embase et d'un écrou à embase (Figure 78).
Placez le capuchon rouge sur la borne positive de la batterie.
Reliez le câble négatif à la borne négative (-) de la batterie avec un boulon à embase et un écrou à embase (Figure 78).
Alignez le couvercle sur le bac de la batterie et fixez le couvercle et le bac sur le support de la batterie à l'aide de la sangle (Figure 76).
L'utilisation d'une batterie de secours alors que la batterie en panne est fissurée, gelée, ne contient pas assez d'électrolyte ou présente un élément ouvert ou en court-circuit peut provoquer une explosion et de graves blessures.
N'utilisez pas de batterie de secours si ces conditions existent; remplacez la batterie.
La corrosion ou des connexions desserrées peuvent causer des pointes de tension indésirables à tout moment pendant la procédure de démarrage avec une batterie de secours.
N'essayez pas de démarrer la machine avec une batterie de secours si les bornes de la batterie sont desserrées ou corrodées car vous pourriez endommager le moteur.
Si les câbles de démarrage sont mal connectés (erreur de polarité), le système électrique peut être immédiatement endommagé.
Respectez la polarité des bornes de la batterie et des câbles de démarrage lors du branchement à la batterie.
Important: Les deux véhicules ne doivent pas se toucher et les deux systèmes électriques doivent être hors tension et avoir la même tension nominale. Ces instructions ne concernent que les systèmes à masse négative.
Important: Utilisez des câbles de démarrage du bon calibre (4 à 6 AWG) et assez courts pour réduire la baisse de tension entre les systèmes. Assurez-vous que la couleur et l'étiquetage des câbles correspondent à la polarité.
Note: Les instructions suivantes sont adaptées de la norme SAE J1494 Rév. Déc. 2001 – Battery Booster Cables – Surface Vehicle Recommended Practice (Câbles de démarrage – Pratique recommandée pour les véhicules de surface) (SAE – Society of Automotive Engineers).
Vérifiez la corrosion des bornes de la batterie déchargée et de la batterie de secours (« neige » blanche, verte ou bleue).
Note: Nettoyez la corrosion sur les bornes de la batterie avant le démarrage avec la batterie de secours. Serrez les connexions des câbles de la batterie au besoin.
Vérifiez que la batterie de secours est une batterie de 12 V d'intensité suffisante, en bon état et chargée au maximum.
Note: Vérifiez que les bouchons d'aération sont bien serrés et de niveau. Placez un chiffon humide, si vous en disposez, sur l'un des bouchons d'aération sur les deux batteries.
Branchez la cosse du câble positif (+) (rouge) à la borne positive (+) de la batterie à plat ().
Note: Le câble positif de la batterie est relié au démarreur ou au solénoïde.

Branchez l'autre cosse du câble positif (+) (rouge) à la borne positive (+) de la batterie de secours.
Branchez la cosse du câble négatif (–) (noir) à la borne négative (–) de la batterie de secours.
Branchez l'autre cosse du câble négatif (–) (noir) au bloc moteur de la machine en panne, à l'écart de la batterie à plat.
Important: Ne branchez pas la cosse du câble négatif (–) (noir) à la borne négative (–) de la batterie à plat.
Tenez-vous à bonne distance de la batterie à plat.
Mettez le moteur en marche et débranchez les câbles dans l'ordre inverse de leur branchement; débranchez la connexion au bloc moteur en premier.
Le système électrique est protégé par des fusibles et ne nécessite aucun entretien. Si un fusible fond, examinez la pièce ou le circuit pour vérifier son état et s'assurer qu'il n'y a pas de court-circuit.
Débranchez le câble négatif de la borne de la batterie; voir les opération 2 et 3 de Retrait de la batterie.
Note: Assurez-vous que le câble négatif de batterie ne touche pas la borne de la batterie.
Appuyez sur les languettes du porte-fusibles/relais pour en détacher le couvercle (Figure 80).
Sortez le fusible de son emplacement dans le porte-fusibles/relais (Figure 80).

Insérez un fusible de même type (20 A) dans l'emplacement dans le porte-fusibles/relais (Figure 80).
Poussez le couvercle sur le porte-fusibles/relais jusqu'à ce qu'il s'enclenche en place (Figure 80).
Rebranchez le câble négatif à la borne de la batterie; voir les opération 5 et 6 de Mise en place de la batterie.
| Périodicité d'entretien | Procédure d'entretien |
|---|---|
| Toutes les 50 heures |
|
Note: Vérifiez et rectifiez au besoin la pression des pneus avant et arrière.
Préparez la machine pour l'entretien; voir Préparation de la machine.
Contrôlez la pression des pneus avant et arrière.
Au besoin, gonflez les pneus entre 0,83 et 0,97 bar (12 et 14 psi).
| Périodicité d'entretien | Procédure d'entretien |
|---|---|
| Une fois par an |
|
Serrez les 4 boulons d'essieu des roues avant et arrière (Figure 81) à 48 N·m (35 pi-lb).
Serrez les 2 vis sur chacune des roues arrière à 12 N·m (105 po-lb).
Important: Si vous déposez les roues pendant un entretien, appliquez du frein-filet moyenne résistance sur le filetage des boulons avant de reposer les roues.
Important: Si vous déposez la ou les roue(s) arrière pour l'entretien, appliquez un produit antigrippant à base de cuivre sur les arbres des roues arrière.
Important: N'utilisez pas de produit antigrippant sur les boulons de roue.

Matériel fourni par l'utilisateur : 2 boulons 9 x 76 mm (5/16 x 3 po) ou plus longs
Préparez la machine pour l'entretien; voir Préparation de la machine.
Contrôlez la pression des pneus; voir Contrôle de la pression des pneus.
Centrez et fixez la commande de direction en insérant 2 boulons (5/16 x 3 po) dans les trous extérieurs de la commande de direction et dans la colonne de commande.

Mesurez la distance entre les 2 faces avant des pneus avant, comme montré à la Figure 83.
Notez la mesure avant ici .

Mesurez la distance entre les 2 faces arrière des pneus avant, comme montré à la Figure 83.
Notez la mesure avant ici .
Note: La mesure avant doit être supérieure de 6,4 à 12,7 mm (1/4 à 1/2 po) à la mesure arrière.
Si la mesure avant est inférieure à 6,4 mm (1/4 po) ou supérieure à 12,7 mm (1/2 po), réglez les extrémités des biellettes de la timonerie de direction comme suit :
Retirez les 4 vis à oreilles qui fixent le couvercle avant (sous la turbine) au châssis et déposez le couvercle (Figure 84).

Desserrez les écrous de blocage aux extrémités des biellettes.

Tournez la biellette de direction pour allonger ou raccourcir la timonerie. Ajustez les timoneries de direction gauche et droite de la même manière.
Note: L'entraxe d'origine entre les côtés tige de rotule de la timonerie de direction est de 23,3 cm (9,21 po).
Resserrez les écrous de blocage.
Alignez les trous du couvercle avant et les écrous à clips du châssis, et fixez le couvercle au moyen des 4 écrous à oreilles que vous avez retirés en 1.
Retirez de la colonne de commande et de la commande de direction les boulons que vous avez montés à l'opération 3.
| Périodicité d'entretien | Procédure d'entretien |
|---|---|
| Toutes les 50 heures |
|
Type d'huile de boîte-pont : huile hydraulique Toro® HYPR-OIL™ 500 ou Mobil® 1 15W-50.
Préparez la machine pour l'entretien; voir Préparation de la machine.
Tournez dans le sens antihoraire les 2 fixations quart-de-tour qui fixent le protège-genoux au châssis de la machine (Figure 86).

Soulevez le protège-genoux légèrement en arrière et déposez-le de la machine (Figure 86).
Nettoyez la surface autour du vase d'expansion et enlevez le bouchon (Figure 86).
Vérifiez le niveau de liquide dans le vase d'expansion.
Note: Le liquide doit couvrir l'orifice inférieur du vase d'expansion.
Si le niveau de liquide du vase d'expansion est trop bas, faites l'appoint avec le liquide spécifié.
Revissez fermement le bouchon sur le vase d'expansion (Figure 86).
Note: Ne serrez pas le bouchon excessivement.
Préparez la machine pour l'entretien; voir Préparation de la machine.
Videz la trémie; voir Vidage de l'épandeur.
Pour fermer le déflecteur de la turbine, poussez le levier d'application grande largeur complètement en avant (Figure 87).

Tournez la poignée de commande d'épandage dans le sens antihoraire, enfoncez-la et tournez-la dans le sens horaire (3); voir Figure 87.
Desserrez l'écrou de blocage au bout du câble de commande d'épandage (Figure 88).

Tirez sur la tige de liaison jusqu'à obtention d'un écart de 3,2 mm (1/8 po) entre la dent de rampe et l'arbre de turbine (Figure 88).
Resserrez l'écrou de blocage (Figure 88).
Réglez la poignée de commande d'épandage; voir Réglage de la répartition d'épandage.
| Périodicité d'entretien | Procédure d'entretien |
|---|---|
| À chaque utilisation ou une fois par jour |
|
Préparez la machine pour l'entretien; voir Préparation de la machine.
Vérifiez visuellement si des pièces de la machine sont endommagées ou usées et si des fixations sont desserrées.
Note: Avant d'utiliser la machine, remplacez les pièces endommagées et resserrez les fixations desserrées.
| Périodicité d'entretien | Procédure d'entretien |
|---|---|
| Toutes les 50 heures |
|
Préparez la machine pour l'entretien; voir Préparation de la machine.
Vérifiez l'état et l'étanchéité de tous les flexibles, de toutes les buses et de tous les raccords.
Note: Remplacez tous les composants endommagés ou qui fuient.
Recherchez sur les filtres des buses et en ligne toute accumulation de saleté et de boue chimique.
Note: Nettoyez ou remplacez les filtres en cas d'accumulation de saleté et de boue chimique.
| Périodicité d'entretien | Procédure d'entretien |
|---|---|
| Après chaque utilisation |
|
L'accumulation de débris autour de l'entrée d'air du moteur et du système d'échappement peut causer la surchauffe du moteur, du système d'échappement et du système hydraulique, ce qui peut créer un risque d'incendie.
Éliminez tous les débris présents sur le moteur et le système d'échappement.
Préparez la machine pour l'entretien; voir Préparation de la machine.
Enlevez tous les débris présents sur la crépine près de la poignée de démarreur du moteur, autour du carénage du moteur, du réservoir de carburant et du système d'échappement.
Essuyez les dépôts de graisse ou d'huile excessifs sur le moteur et le système d'échappement.
Nettoyez les débris, les saletés et l'huile sur les déflecteurs de chaleur du silencieux.
| Périodicité d'entretien | Procédure d'entretien |
|---|---|
| Après chaque utilisation |
|
Préparez la machine pour l'entretien; voir Préparation de la machine.
Nettoyez les débris ou les dépôts de produit chimique sur la machine, en particulier sur les buses, l'ouverture de la cuve du pulvérisateur, la turbine ainsi que l'applicateur manuel et son support.
| Périodicité d'entretien | Procédure d'entretien |
|---|---|
| Toutes les 80 heures |
|
Préparez la machine pour l'entretien; voir Préparation de la machine.
Déposez le carénage de refroidissement du moteur.
Nettoyez les ailettes de refroidissement du moteur.
Note: Nettoyez aussi la poussière, la saleté et l'huile présentes sur les surfaces externes du moteur qui pourraient perturber le refroidissement.
Reposez les carénages de refroidissement sur le moteur.
Note: Le moteur surchauffera et sera endommagé s'il fonctionne sans que les carénages de refroidissement soient en place.
L'élimination incorrecte des produits chimiques peut polluer l'environnement et causer des problèmes de santé.
Respectez les directives d'élimination figurant sur l'étiquette du fabricant de produit chimique. Éliminez les produits chimiques et les récipients en respectant la législation locale/nationale/fédérale.
L'huile moteur et le liquide hydraulique sont polluants. Débarrassez-vous des polluants usagés dans un centre de recyclage certifié ou conformément à la réglementation locale et de votre état.
L'électrolyte contient de l'acide sulfurique, qui est un toxique et peut causer de graves brûlures. L'électrolyte peut causer de graves blessures au contact de la peau ou être fatale en cas d'ingestion.
Portez une protection oculaire et protégez votre peau et vos vêtements avec des gants en caoutchouc lorsque vous manipulez de l'électrolyte.
N'avalez pas d'électrolyte.
En cas d'accident, rincez abondamment à l'eau et appelez immédiatement un médecin.
La loi fédérale stipule que les batteries ne doivent pas être placées avec les ordures ménagères. Les pratiques de traitement et de mise au rebut des batteries doivent être conformes aux stipulations de la réglementation fédérale, locale ou nationale pertinente.
Portez la batterie dans un centre de recyclage certifié si vous remplacez une batterie usée ou endommagée, ou encore si la machine n'est plus en état de marche et est donc mise au rebut
Note: Si aucun centre de recyclage n'est disponible localement, renvoyez la batterie à un revendeur de batterie certifié.
Réglez la commande de la pompe à la position ARRêT, arrêtez la machine, amenez le levier de commande de déplacement à la position POINT MORT, coupez le moteur, attendez l'arrêt complet de toutes les pièces mobiles, enlevez la clé et serrez le frein de stationnement.
Nettoyez la saleté et la boue sur toute la machine.
Important: Vous pouvez laver la machine avec de l'eau et un détergent doux. N'utilisez pas de nettoyeur haute pression. N'utilisez pas trop d'eau, surtout près du moteur et de la transmission hydrostatique.
Faites l'entretien du filtre à air; voir Entretien du filtre à air.
Graissez la machine; voir Lubrification des graisseurs..
Vidangez l'huile moteur; voir Vidange de l'huile moteur.
Déposez les roues arrière, appliquez du produit antigrippant à base de cuivre sur les arbres de roue arrière et montez les roues; voir Serrage des boulons d'essieu.
Contrôlez et resserrez tous les boulons, écrous et vis. Réparez ou remplacez toute pièce endommagée.
Peignez toutes les surfaces métalliques éraflées ou mises à nu. Une peinture pour retouches est disponible chez les dépositaires-réparateurs agréés.
Rangez la machine dans un endroit propre et sec, comme un garage ou une remise.
Couvrez la machine pour la protéger et la garder propre.
Pour protéger les pompes du gel, assurez-vous que la machine est exempte de produit chimique caustique et de résidus.
Effectuez toutes les opérations de la section Nettoyage et graissage de l'épandeur.
Effectuez toutes les opérations de la section Nettoyage du système de pulvérisation et de l'applicateur manuel, Nettoyage du filtre et Nettoyage de la buse de pulvérisation.
Videz le système de pulvérisation en procédant comme suit :
Videz la cuve du pulvérisateur; voir Vidange de la cuve du pulvérisateur.
Démarrez la machine et réglez la commande de pompe à la position MARCHE.
Poussez le levier d'agitation de la cuve en avant.
Tirez en arrière le levier de pulvérisation étroite.
Note: Faites fonctionner la buse de pulvérisation étroite jusqu'à ce qu'elle pulvérise de l'air.
Poussez en avant le levier de pulvérisation étroite et tirez en arrière le levier de pulvérisation large.
Note: Faites fonctionner les buses de pulvérisation large jusqu'à ce qu'elles pulvérisent de l'air.
Poussez le levier de pulvérisation large en avant.
Coupez la pompe de pulvérisation et le moteur.
Type d'antigel : 2,5 L (0,7 gal américain) de concentré antigel RV sans alcool antirouille
Important: Ne videz pas complètement le mélange antigel de la cuve du pulvérisateur pendant le fonctionnement des buses et de l'applicateur manuel du pulvérisateur. Laissez un peu d'antigel dans la pompe, les vannes et les flexibles pour éviter la corrosion et les dommages causés par la présence d'air humide retenu dans le système de pulvérisation.
Mélangez 2,5 L (0,7 gal américain) de concentré antigel RV avec 5,1 L (1,3 gal américain) d'eau, et versez ce mélange dans la cuve du pulvérisateur.
Note: Utilisez un concentré antigel RV sans alcool antirouille.
Démarrez la machine et réglez la commande de pompe à la position MARCHE.
Tirez en arrière le levier de pulvérisation étroite à la position MARCHE.
Note: Faites circuler l'antigel dans tout le pulvérisateur et dans la buse.
Poussez en avant le levier de pulvérisation étroite et tirez en arrière le levier de pulvérisation large.
Note: Faites circuler l'antigel dans tout le pulvérisateur et dans la buse.
Poussez le levier de pulvérisation large en avant.
Sortez l'applicateur de son support, dirigez-le vers un endroit sûr et appuyez sur la gâchette.
Note: Faites circuler l'antigel dans le pulvérisateur et la buse, puis remettez l'applicateur manuel sur son support.
Placez la commande de pompe du pulvérisateur à la position ARRêT et coupez le moteur.
Important: Assurez-vous que tous les mécanismes de sécurité de la machine sont connectés et en bon état de marche avant d'utiliser la machine.
Lorsqu'un problème se produit, ne négligez pas les causes simples. Par exemple, un problème de démarrage pourrait être dû à une panne de carburant.
Le tableau suivant énumère certaines des causes courantes de problèmes. Ne cherchez pas à réparer ou remplacer des composants importants du moteur ni aucun composant nécessitant des procédures de calage ou de réglage spéciales (soupapes, régulateur, etc.). Confiez cette tâche à votre dépositaire-réparateur de moteurs.
Note: Ne tirez pas sur les fils pour débrancher les connecteurs électriques.
| Problem | Possible Cause | Corrective Action |
|---|---|---|
| Le démarreur n'entraîne pas le moteur. |
|
|
| Le moteur ne démarre pas, démarre difficilement ou cale. |
|
|
| Le moteur perd de la puissance. |
|
|
| Le moteur surchauffe. |
|
|
| La machine tire à gauche ou à droite (quand la commande de direction est complètement en avant). |
|
|
| La machine ne se déplace pas. |
|
|
| La machine vibre de manière anormale. |
|
|
| La turbine ne tourne pas. |
|
|
| L'épandage ou la pulvérisation n'est pas uniforme. |
|
|
| Les buses de la rampe de pulvérisation ne projettent pas ou peu de produit. |
|
|
| La trémie ne distribue pas de produit. |
|
|
| L'applicateur manuel du pulvérisateur ne fonctionne pas. |
|
|
| Le témoin au-dessus de la commande marche/arrêt de la turbine est allumé ou clignote. |
|
|
| Le témoin au-dessus de la commande du pulvérisateur est allumé ou clignote. |
|
|

