Dette sæt forhindrer automatisk ujævn sætning af plæneklipperskjoldene.
Note: Maskinens venstre og højre side bestemmes ud fra den normale betjeningsposition.
Dele, der skal bruges til dette trin:
| Højre manifoldenhed (delnr. 119-8631) | 1 |
| Lige hydraulikfitting | 1 |
| 90-grader-hydraulikfitting | 1 |
| Selvskærende skrue (1/4 x 1-3/4 tomme) | 2 |
| Hydraulikslange | 1 |
Parker maskinen på en plan flade, sænk klippeskjoldene, aktiver parkeringsbremsen, sluk motoren, og fjern nøglen.
Brug målene, der er vist i Figur 1, til at finde, afmærke og bore 2 huller (0,221 eller 0,228 tomme, borstørrelse nr. 1 eller nr. 2) i traktionsenhedens rammerør til løftearm nr. 5. Bor kun gennem kun én væg på røret.
Note: Det anbefales at bruge et 90°-bor.

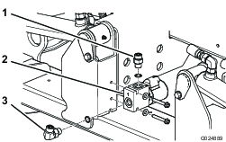
Monter højre skjoldlåsmanifold på rammerøret med 2 selvskærende skruer (1/4 x 1-3/4 tommer). Placer manifolden som vist i Figur 2.

Monter den lige hydraulikfitting på toppen af manifolden (Figur 2).
Monter 90 graders hydraulikfittingen på enden af manifolden (Figur 2).
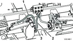
Anbring en dræningsbakke under forgreningsmanifolden (Figur 3).
Afkobl hydraulikslangen fra den nederste midterste fitting på forgreningsmanifolden (Figur 3).

Før og monter enden af slangen, der er frakoblet forgreningsmanifoldens fitting, på den øverste (lige) fitting på skjoldlåsmanifolden (Figur 4).
Note: Sørg for, at alle O-ringe sidder på plads og er smurt med hydraulikvæske inden montering.

Før og monter den nye slange på forgreningsmanifolden og 90 graders fittingen til skjoldlåsmanifolden (Figur 4).
Important: Sørg for, at slangen fra forgreningsmanifolden til skjoldlåsmanifolden ikke berører løftearm nr. 1.
Dele, der skal bruges til dette trin:
| Venstre manifoldenhed (delnr. 119-8639) | 1 |
| Lige hydraulikfitting | 1 |
| 90-grader-hydraulikfitting | 1 |
| Selvskærende skrue (1/4 x 1-3/4 tomme) | 2 |
| Hydraulikslange | 1 |
Brug målene, der er vist i Figur 5, til at finde, afmærke og bore 2 huller (0,221 eller 0,228 tomme, borstørrelse nr. 1 eller nr. 2) i traktionsenhedens rammerør til løftearm nr. 5. Bor kun gennem kun én væg på røret.

Monter venstre skjoldlåsmanifold på rammerøret med 2 selvskærende skruer (1/4 x 1-3/4 tomme). Placer manifolden som vist i Figur 6.

Monter den lige hydraulikfitting på toppen af manifolden (Figur 6).
Monter den 90 graders hydraulikfitting på enden af manifolden (Figur 6).
Anbring en dræningsbakke under forgreningsmanifolden (Figur 7).
Frakobl hydraulikslangen fra den nederste venstre fitting på forgreningsmanifolden (Figur 7).

Før og monter enden af slangen, der er frakoblet forgreningsmanifoldens fitting, på den øverste (lige) fitting på skjoldlåsmanifolden (Figur 8).
Note: Sørg for, at alle O-ringe sidder på plads og er smurt med hydraulikvæske inden montering.

Før og monter den nye slange på forgreningsmanifolden og 90 graders fittingen på skjoldlåsmanifolden (Figur 8).
Important: Sørg for, at slangen fra forgreningsmanifolden til skjoldlåsmanifolden ikke berører løftearm nr. 5.
Dele, der skal bruges til dette trin:
| Ledningsnet | 1 |
| Kabelbånd | 4 |
Åbn sædet, og løft det op. Fastgør sædet med støttepinden.
Afkobl stikket fra S5-solenoiden på løftemanifolden, (Figur 9), og tilkobl det til stikket på skjoldlåsens ledningsnet, der er mærket S5 HARNESS.

Tilslut stikket på skjoldlåsens ledningsnet, der er mærket S5 SOLENOID, til S5-solenoiden på løftemanifolden (Figur 9).
Frakobl stikket fra S6-solenoiden på løftemanifolden (Figur 9), og tilkobl det til stikket på skjoldlåsens ledningsnet mærket S6 harness.
Tilslut stikket på skjoldlåsens ledningsnet, der er mærket S6 SOLENOID, til S6-solenoiden på løftemanifolden.
Før og tilslut det relevante stik på det skjoldlåsledningsnet, der er mærket DECK LOCK SOLENOID, til solenoiden bag på hver skjoldlåsmanifold.
Fastgør ledningsnettet på afstand af skarpe, varme komponenter eller komponenter i bevægelse med kabelbånd.
Kobl sædestøtten ud, og sænk sædet.