Este kit evita automáticamente el asentamiento irregular de las carcasas de corte.
Note: Los lados derecho e izquierdo de la máquina se determinan desde la posición normal del operador.
Piezas necesarias en este paso:
| Distribuidor derecho (Pieza Nº 119-8631) | 1 |
| Acoplamiento hidráulico recto | 1 |
| Acoplamiento hidráulico de 90 grados | 1 |
| Tornillo autorroscante (¼" x 1¾") | 2 |
| Manguera hidráulica | 1 |
Aparque la máquina en una superficie nivelada, baje las carcasas de corte, ponga el freno de estacionamiento, apague el motor y retire la llave.
Usando las dimensiones indicadas en la Figura 1, localice, marque y perfore 2 taladros de 5,6134 mm o 5,7912 mm (Broca N° 1 o N° 2) en el tubo del bastidor de la unidad de tracción del brazo de elevación N° 5. Perfore solo una de las paredes del tubo.
Note: Se recomienda el uso de una broca de 90°.

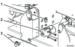
Monte el distribuidor derecho de bloqueo de la carcasa en el tubo del bastidor con 2 tornillos autorroscantes (¼" x 1¾"). Posicione el distribuidor según se muestra en Figura 2.

Instale el acoplamiento hidráulico recto en la parte superior del colector (Figura 2).
Instale el acoplamiento hidráulico de 90 grados en el extremo del distribuidor (Figura 2).
Coloque un recipiente de drenaje debajo del colector de unión (Figura 3).
Desconecte la manguera hidráulica del acoplamiento central inferior del distribuidor de unión (Figura 3).

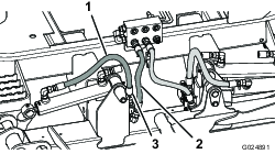
Enrute y conecte el extremo de la manguera que desconectó del distribuidor de unión al acoplamiento superior (recto) del distribuidor de bloqueo de la carcasa (Figura 4).
Note: Asegúrese de colocar todas las juntas tóricas y lubricarlas con aceite hidráulico antes de la instalación.

Enrute e instale la manguera nueva en el distribuidor de unión y en el acoplamiento de 90 grados del distribuidor de bloqueo de la carcasa (Figura 4).
Important: Asegúrese de que la manguera que va desde el distribuidor de unión al distribuidor de bloqueo de la carcasa no toca el brazo de elevación Nº 1.
Piezas necesarias en este paso:
| Distribuidor izquierdo (Pieza Nº 119-8639) | 1 |
| Acoplamiento hidráulico recto | 1 |
| Acoplamiento hidráulico de 90 grados | 1 |
| Tornillo autorroscante (¼" x 1¾") | 2 |
| Manguera hidráulica | 1 |
Usando las dimensiones indicadas en la Figura 5, localice, marque y perfore 2 taladros de 5,6134 mm o 5,7912 mm (Broca N° 1 o N° 2) en el tubo del bastidor de la unidad de tracción del brazo de elevación n° 5. Perfore solo una de las paredes del tubo.

Monte el distribuidor izquierdo de bloqueo de la carcasa en el tubo del bastidor con 2 tornillos autorroscantes (¼" x 1¾"). Posicione el distribuidor según se muestra en Figura 6.

Instale el acoplamiento hidráulico recto en la parte superior del colector (Figura 6).
Instale el acoplamiento hidráulico de 90 grados en el extremo del colector (Figura 6).
Coloque un recipiente de drenaje debajo del colector de unión (Figura 7).
Desconecte la manguera hidráulica del acoplamiento izquierdo inferior del colector de unión (Figura 7).

Enrute y conecte el extremo de la manguera que desconectó del distribuidor de unión al acoplamiento superior (recto) del distribuidor de bloqueo de la carcasa (Figura 8).
Note: Asegúrese de colocar todas las juntas tóricas y lubricarlas con aceite hidráulico antes de la instalación.

Conecte la manguera nueva al distribuidor de unión y al acoplamiento de 90 grados del distribuidor de bloqueo de la carcasa (Figura 8).
Important: Asegúrese de que la manguera que va del distribuidor de unión al distribuidor de bloqueo de la carcasa no toca el brazo de elevación Nº 5.
Piezas necesarias en este paso:
| Arnés de cables | 1 |
| Brida | 4 |
Desenganche y levante el asiento. Sujete el asiento con la varilla de soporte.
Desconecte el conector eléctrico del solenoide S5 del distribuidor de elevación (Figura 9), y conéctelo al conector del arnés de cables de bloqueo de la carcasa marcado S5 HARNESS.

Enchufe el conector del arnés de bloqueo de la carcasa marcado S5 SOLENOID en el solenoide S5 del distribuidor de elevación (Figura 9).
Desconecte el conector eléctrico del solenoide S6 del distribuidor de elevación (Figura 9), y conéctelo al conector del arnés de bloqueo de la carcasa marcado S6 HARNESS.
Enchufe el conector del arnés de bloqueo de la carcasa marcado S6 SOLENOID en el solenoide S6 del distribuidor de elevación.
Conecte el conector correcto del arnés de bloqueo de la carcasa marcado DECK LOCK SOLENOID al solenoide situado en la parte trasera de cada distribuidor de bloqueo de la carcasa.
Sujete el arnés con bridas, alejado de cualquier componente afilado, caliente o móvil.
Desenganche la varilla de sujeción y baje el asiento.