Ce kit prévient automatiquement toute stabilisation inégale des plateaux de coupe.
Note: Les côtés gauche et droit de la machine sont déterminés d'après la position d'utilisation normale.
Pièces nécessaires pour cette opération:
| Collecteur droit (réf. 119-8631) | 1 |
| Raccord hydraulique droit | 1 |
| Raccord hydraulique à 90° | 1 |
| Vis autotaraudeuse (¼" x 1¾") | 2 |
| Flexible hydraulique | 1 |
Garez la machine sur une surface plane et horizontale, abaissez les plateaux de coupe, serrez le frein de stationnement, coupez le moteur et enlevez la clé de contact.
En vous aidant des dimensions indiquées sur la Figure 1, localisez, marquez et percez 2 trous (0,221 ou 0,228" de diamètre, taille de foret nº 1 ou nº 2) dans le tube du cadre du groupe de déplacement pour le bras de levage numéro 5. Ne percez pas le tube de part en part.
Note: L'usage d'un foret de 90° est recommandé.

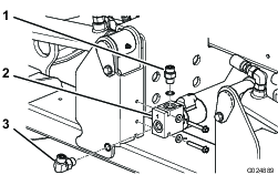
Fixez le collecteur de verrou de plateau droit au tube de cadre avec 2 vis autotaraudeuses (¼" x 1¾") Positionnez le collecteur comme montré à la Figure 2.

Posez le raccord hydraulique droit au sommet du collecteur (Figure 2).
Posez le raccord hydraulique à 90 degrés au bout du collecteur (Figure 2).
Placez un bac de vidange sous le collecteur de jonction (Figure 3).
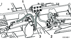
Débranchez le flexible hydraulique du raccord inférieur central sur le collecteur de jonction (Figure 3).

Acheminez et raccordez l'extrémité du flexible débranché du raccord du collecteur de jonction au raccord supérieur (droit) du collecteur de verrou de plateau (Figure 4).
Note: Vérifiez que tous les joints toriques sont en place et graissés avec de l'huile hydraulique avant la pose.

Acheminez et raccordez le nouveau flexible au raccord du collecteur de jonction et au raccord à 90 degrés du collecteur de verrou de plateau (Figure 4).
Important: Vérifiez que le flexible qui relie le collecteur de jonction au collecteur de verrou de plateau ne touche pas le bras de levage numéro 1.
Pièces nécessaires pour cette opération:
| Collecteur gauche (réf. 119-8639) | 1 |
| Raccord hydraulique droit | 1 |
| Raccord hydraulique à 90° | 1 |
| Vis autotaraudeuse (¼" x 1¾") | 2 |
| Flexible hydraulique | 1 |
En vous aidant des dimensions indiquées sur la Figure 5, localisez, marquez et percez 2 trous (0,221 ou 0,228" de diamètre, taille de foret nº 1 ou nº 2) dans le tube du cadre du groupe de déplacement pour le bras de levage numéro 5. Ne percez pas le tube de part en part.

Fixez le collecteur de verrou de plateau gauche au tube de cadre avec 2 vis autotaraudeuses (¼" x 1¾") Positionnez le collecteur comme montré à la Figure 6.

Posez le raccord hydraulique droit au sommet du collecteur (Figure 6).
Posez le raccord hydraulique à 90 degrés au bout du collecteur (Figure 6).
Placez un bac de vidange sous le collecteur de jonction (Figure 7).
Débranchez le flexible hydraulique du raccord inférieur gauche sur le collecteur de jonction (Figure 7).

Acheminez et raccordez l'extrémité du flexible débranché du raccord du collecteur de jonction au raccord supérieur (droit) du collecteur de verrou de plateau (Figure 8).
Note: Vérifiez que tous les joints toriques sont en place et graissés avec de l'huile hydraulique avant la pose.

Acheminez et raccordez le nouveau flexible au raccord du collecteur de jonction et au raccord à 90 degrés du collecteur de verrou de plateau (Figure 8).
Important: Vérifiez que le flexible qui relie le collecteur de jonction au collecteur de verrou de plateau ne touche pas le bras de levage numéro 5.
Pièces nécessaires pour cette opération:
| Faisceau de câblage | 1 |
| Attache-câble | 4 |
Déverrouillez et soulevez le siège. Fixez le siège en position avec la béquille.
Débranchez le connecteur électrique du solénoïde S5 sur le collecteur de levage (Figure 9) et branchez-le au connecteur du faisceau de verrou de plateau étiqueté «S5 HARNESS ».

Branchez le connecteur du faisceau de verrou de plateau étiqueté « S5 SOLENOID » au solénoïde S5 du collecteur de levage (Figure 9).
Débranchez le connecteur électrique du solénoïde S6 sur le collecteur de levage (Figure 9) et branchez-le au connecteur du faisceau de verrou de plateau étiqueté «S6 HARNESS ».
Branchez le connecteur du faisceau de verrou de plateau étiqueté « S6 SOLENOID » au solénoïde S6 du collecteur de levage.
Acheminez et branchez le connecteur approprié du faisceau de verrou de plateau étiqueté « DECK LOCK SOLENOID » au solénoïde situé au dos de chaque collecteur de verrou de plateau.
Fixez le faisceau avec des attache-câbles à l'écart des composants coupants, chauds ou mobiles.
Désengagez la béquille et abaissez le siège.