Tämä sarja ehkäisee automaattisesti leikkuupöytien joutumisen epätasapainoon.
Note: Koneen vasen ja oikea puoli määritellään normaalista käyttöasennosta käsin.
Vaiheeseen tarvittavat osat:
| Oikeanpuoleinen lukkokappale (osanro 119-8631) | 1 |
| Suora hydrauliliitin | 1 |
| 90 asteen hydrauliliitin | 1 |
| Itsekierteittävä ruuvi (1/4 × 1-3/4 tuumaa) | 2 |
| Hydrauliletku | 1 |
Pysäköi kone tasaiselle alustalle, laske leikkuupöydät alas, kytke seisontajarru, sammuta moottori ja irrota avain.
Käytä kuvassa (Kuva 1) annettuja mittoja ja paikanna, merkitse ja poraa ajoyksikön runkoputkeen nostovartta nro 5 varten kaksi halkaisijaltaan 5,6:n tai 5,8 mm:n reikää (poranterän koko #1 tai #2). Poraa vain yhden putken seinämän läpi.
Note: 90 asteen poran käyttö on suositeltavaa.

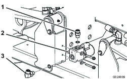
Asenna oikeanpuoleinen leikkuupöydän lukkokappale runkoputkeen kahdella itsekierteittävällä ruuvilla (1/4 × 1-3/4 tuumaa). Aseta lukkokappale kuvan osoittamalla tavalla Kuva 2.

Asenna suora hydrauliliitin lukkokappaleen päälle (Kuva 2).
Asenna 90 asteen hydrauliliitin lukkokappaleen päähän (Kuva 2).
Aseta tyhjennysastia liitoskappaleen alle (Kuva 3).
Irrota hydrauliletku liitoskappaleen alemmasta keskiliittimestä (Kuva 3).

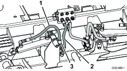
Reititä ja asenna liitoskappaleen liittimestä irrotetun letkun pää leikkuupöydän lukkokappaleen yläliittimeen (suora) (Kuva 4).
Note: Varmista, että kaikki O-renkaat ovat paikoillaan ja että ne on voideltu hydraulinesteellä ennen asennusta.

Reititä ja asenna uusi letku liitoskappaleeseen ja leikkuupöydän lukkokappaleen 90 asteen liittimeen (Kuva 4).
Important: Varmista, että liitoskappaleen ja leikkuupöydän lukkokappaleen välinen letku ei kosketa nostovartta nro 1.
Vaiheeseen tarvittavat osat:
| Vasemmanpuoleinen lukkokappale (osanro 119-8639) | 1 |
| Suora hydrauliliitin | 1 |
| 90 asteen hydrauliliitin | 1 |
| Itsekierteittävä ruuvi (1/4 × 1-3/4 tuumaa) | 2 |
| Hydrauliletku | 1 |
Käytä kuvassa (Kuva 5) annettuja mittoja ja paikanna, merkitse ja poraa ajoyksikön runkoputkeen nostovartta nro 5 varten kaksi halkaisijaltaan 5,6:n tai 5,8 mm:n reikää (poranterän koko #1 tai #2). Poraa vain yhden putken seinämän läpi.

Asenna vasemmanpuoleinen leikkuupöydän lukkokappale runkoputkeen kahdella itsekierteittävällä ruuvilla (1/4 × 1-3/4 tuumaa). Aseta lukkokappale kuvan osoittamalla tavalla Kuva 6.

Asenna suora hydrauliliitin lukkokappaleen päälle (Kuva 6).
Asenna 90 asteen hydrauliliitin lukkokappaleen päähän (Kuva 6).
Aseta tyhjennysastia liitoskappaleen alle (Kuva 7).
Irrota hydrauliletku liitoskappaleen alemmasta vasemmasta liittimestä (Kuva 7).

Reititä ja asenna liitoskappaleen liittimestä irrotetun letkun pää leikkuupöydän lukkokappaleen yläliittimeen (suora) (Kuva 8).
Note: Varmista, että kaikki O-renkaat ovat paikoillaan ja että ne on voideltu hydraulinesteellä ennen asennusta.

Reititä ja asenna uusi letku liitoskappaleeseen ja leikkuupöydän lukkokappaleen 90 asteen liittimeen (Kuva 8).
Important: Varmista, että liitoskappaleen ja leikkuupöydän lukkokappaleen välinen letku ei kosketa nostovartta nro 5.
Vaiheeseen tarvittavat osat:
| Johdinsarja | 1 |
| Nippuside | 4 |
Irrota salpa ja nosta istuin. Tue istuin kannatintangolla.
Irrota sähköliitin noston asennuslohkon S5-solenoidista (Kuva 9) ja kytke se leikkuupöydän lukon johdinsarjan liittimeen, jossa on merkintä S5 HARNESS.

Kytke S5 SOLENOID -merkinnällä varustettu leikkuupöydän lukon johdinsarjan liitin noston asennuslohkon S5-solenoidiin (Kuva 9).
Irrota sähköliiton noston asennuslohkon S6-solenoidista (Kuva 9) ja kytke se leikkuupöydän lukon johdinsarjan liittimeen, jossa on merkintä S6 HARNESS.
Kytke S6 SOLENOID -merkinnällä varustettu leikkuupöydän lukon johdinsarjan liitin noston asennuslohkon S6-solenoidiin.
Reititä ja kytke vastaava DECK-LOCK SOLENOID -merkinnällä varustettu leikkuupöydän lukon johdinsarjan liitin kunkin leikkuupöydän lukkokappaleen takana olevaan solenoidiin.
Kiinnitä johdinsarja nippusiteillä niin, että se ei voi koskettaa teräviä, kuumia tai liikkuvia osia.
Vapauta istuimen salpa ja laske istuin.