Questo kit impedisce automaticamente un'impostazione disomogenea dei piatti di taglio.
Note: Stabilite i lati sinistro e destro della macchina dalla normale posizione di guida.
Parti necessarie per questa operazione:
| Gruppo collettore destro (n. cat. 119-8631) | 1 |
| Raccordo idraulico diritto | 1 |
| Raccordo idraulico a 90 gradi | 1 |
| Vite autofilettante (¼" x 1¾") | 2 |
| Flessibile idraulico | 1 |
Parcheggiate la macchina su una superficie pianeggiante, abbassate i piatti di taglio, inserite il freno di stazionamento, spegnete il motore e togliete la chiave.
Utilizzando le misure illustrate nella Figura 1, individuate, segnate e praticate 2 fori (0,221" o 0,228", misura del trapano n. 1 o n. 2) nel tubo del telaio del trattorino per il braccio di sollevamento numero 5. Perforate solo 1 parete del tubo.
Note: Si consiglia l'utilizzo di un trapano angolare.

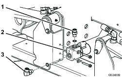
Montate il collettore di blocco del piatto di taglio destro sul tubo del telaio con 2 viti autofilettanti (¼" x 1¾"). Posizionate il collettore come illustrato in Figura 2.

Montate il raccordo idraulico diritto sulla parte superiore del collettore (Figura 2).
Montate il raccordo idraulico a 90 gradi sull'estremità del collettore (Figura 2).
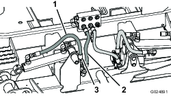
Mettete una bacinella di spurgo sotto il collettore di giunzione (Figura 3).
Scollegate il flessibile idraulico dal raccordo centrale inferiore sul collettore di giunzione (Figura 3).

Disponete e montate l'estremità del flessibile scollegata dal raccordo del collettore di giunzione sul raccordo superiore (diritto) sul collettore di blocco del piatto di taglio (Figura 4).
Note: Assicuratevi che tutti gli O-ring siano in posizione e lubrificati con fluido idraulico prima dell'installazione.

Disponete e montate il nuovo flessibile sul collettore di giunzione e sul raccordo del collettore di blocco del piatto di taglio a 90 gradi (Figura 4).
Important: Assicuratevi che il flessibile dal collettore di giunzione al collettore di blocco del piatto di taglio non venga a contatto con il braccio di sollevamento numero 1.
Parti necessarie per questa operazione:
| Gruppo collettore sinistro (n. cat. 119-8639) | 1 |
| Raccordo idraulico diritto | 1 |
| Raccordo idraulico a 90 gradi | 1 |
| Vite autofilettante (¼" x 1¾") | 2 |
| Flessibile idraulico | 1 |
Utilizzando le misure illustrate nella Figura 5, individuate, segnate e praticate 2 fori (0,221" o 0,228", misura del trapano n. 1 o n. 2) nel tubo del telaio del trattorino per il braccio di sollevamento numero 5. Perforate solo 1 parete del tubo.

Montate il collettore di blocco del piatto di taglio sinistro sul tubo del telaio con 2 viti autofilettanti (¼" x 1¾"). Posizionate il collettore come illustrato in Figura 6.

Montate il raccordo idraulico diritto sulla parte superiore del collettore (Figura 6).
Montate il raccordo idraulico a 90 gradi nell'estremità del collettore (Figura 6).
Mettete una bacinella di spurgo sotto il collettore di giunzione (Figura 7).
Scollegate il flessibile idraulico dal raccordo sinistro inferiore sul collettore di giunzione (Figura 7).

Disponete e montate l'estremità del flessibile scollegata dal raccordo del collettore di giunzione sul raccordo superiore (diritto) sul collettore di blocco del piatto di taglio (Figura 8).
Note: Assicuratevi che tutti gli O-ring siano in posizione e lubrificati con fluido idraulico prima dell'installazione.

Disponete e montate il nuovo flessibile sul collettore di giunzione e sul raccordo del collettore di blocco del piatto di taglio a 90 gradi (Figura 8).
Important: Assicuratevi che il flessibile dal collettore di giunzione al collettore di blocco del piatto di taglio non venga a contatto con il braccio di sollevamento numero 5.
Parti necessarie per questa operazione:
| Cablaggio preassemblato | 1 |
| Fascetta per cavi | 4 |
Sbloccate il sedile, alzatelo Fissate il sedile con l'asta di sostegno.
Scollegate il connettore elettrico dal solenoide S5 sul collettore di sollevamento (Figura 9) e collegatelo al connettore sul cablaggio di blocco del piatto di taglio indicato come S5 HARNESS (cablaggio S5).

Collegate il connettore sul cablaggio di blocco del piatto di taglio indicato come S5 SOLENOID (solenoide S5) al solenoide S5 sul collettore di sollevamento (Figura 9).
Scollegate il connettore elettrico dal solenoide S6 sul collettore di sollevamento (Figura 9) e collegatelo al connettore sul cablaggio di blocco del piatto di taglio indicato come S6 harness (cablaggio S6).
Collegate il connettore sul cablaggio di blocco del piatto di taglio indicato come S6 SOLENOID (solenoide S6) al solenoide S6 sul collettore di sollevamento.
Disponete e collegate il connettore opportuno sul cablaggio di blocco del piatto di taglio indicato come DECK-LOCK SOLENOID (solenoide di blocco del piatto di taglio) al solenoide sulla parte posteriore di ciascun collettore di blocco del piatto di taglio.
Fissate il cablaggio lontano da eventuali componenti mobili, caldi o acuminati con fascette per cavi.
Disinnestate il puntello del sedile e abbassate il sedile.