このキットは、刈り込みデッキの不均衡な設定を防止します。
Note: 前後左右は運転位置からみた方向です。
この作業に必要なパーツ
| 右マニホルドアセンブリ(P/N 119-8631) | 1 |
| ストレートフィッティング | 1 |
| 90度油圧フィッティング | 1 |
| タッピングねじ(¼" x 1¾") | 2 |
| 油圧ホース | 1 |
平らな場所に駐車し、カッティングデッキを降下させ、駐車ブレーキを掛け、エンジンを停止し、キーを抜き取る。
図 1 に示された通りの寸法で、トラクションユニットのフレームチューブ(5番昇降アーム用)に、直径 5.6-5.8 mm の穴(ドリルサイズNo.1またはNo.2)を 2 ヶ所あける。穴はテールパイプの壁 1 枚だけを貫通させること。
Note: 90° ドリルを使のがよいでしょう。

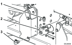
フレームチューブに、右側デッキロックマニホルドを取り付ける;タップねじ(¼" x 1¾")2本を使用する。マニホルドは 図 2 のように取り付ける。

マニホルドの上部に油圧用のストレートフィッティングを取り付ける(図 2)。
マニホルドの端部に油圧用の90度フィッティングを取り付ける(図 2)。
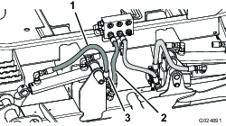
ジャンクションマニホルドの下にオイルを受ける容器をおく(図 3)。
ジャンクションマニホルドの下中央にある フィッティングの油圧ホース接続を外す(図 3)。

ジャンクションマニホルドのフィッティングから外したホースの先を、デッキロックマニホルド上部にあるフィッティング(ストレートフィッティング)に取り付ける(図 4)。
Note: 全部のOリングをきちんと潤滑し、フィッティングの正しい位置にセットしてから取り付けてください。

新しいホースを、ジャンクションマニホルドとデッキロックマニホルドの 90 度フィッティングに接続する(図 4)。
Important: ジャンクションマニホルドからデッキロックマニホルドへ入るホースが、1番昇降アームに接触しないことを確認してください。
この作業に必要なパーツ
| 左マニホルドアセンブリ(P/N 119-8639) | 1 |
| ストレートフィッティング | 1 |
| 90度油圧フィッティング | 1 |
| タッピングねじ(¼" x 1¾") | 2 |
| 油圧ホース | 1 |
図 5 に示された通りの寸法で、トラクションユニットのフレームチューブ(5番昇降アーム用)に、直径 5.6-5.8 mm の穴(ドリルサイズNo.1またはNo.2)を 2 ヶ所あける。穴はテールパイプの壁 1 枚だけを貫通させること。

フレームチューブに、左側デッキロックマニホルドを取り付ける;タップねじ(¼" x 1¾")2本を使用する。マニホルドは 図 6 のように取り付ける。

マニホルドの上部に油圧用のストレートフィッティングを取り付ける(図 6)。
マニホルドの端部に油圧用の90度フィッティングを取り付ける(図 6)。
ジャンクションマニホルドの下にオイルを受ける容器をおく(図 7)。
ジャンクションマニホルドの左下にあるフィッティングから油圧ホースを外す(図 7)。

ジャンクションマニホルドのフィッティングから外したホースの先を、デッキロックマニホルド上部にあるフィッティング(ストレートフィッティング)に取り付ける(図 8)。
Note: 全部のOリングをきちんと潤滑し、フィッティングの正しい位置にセットしてから取り付けてください。

新しいホースを、ジャンクションマニホルドとデッキロックマニホルドの 90 度フィッティングに接続する(図 8)。
Important: ジャンクションマニホルドからデッキロックマニホルドへ入るホースが、5番昇降アームに接触しないことを確認してください。
この作業に必要なパーツ
| ワイヤハーネス | 1 |
| ケーブルタイ | 4 |
ラッチを外して運転席を倒す。運転席を支え棒で固定する。
昇降マニホルドについている S5 ソレノイド(図 9)のコネクタを外し、これをデッキロックハーネスの S5 HARNESS というラベルのついているコネクタに接続する。

デッキロックハーネスの S5 HARNESS というラベルのついているコネクタを、昇降マニホルドの S5 コネクタに接続する(図 9)。
昇降マニホルドについている S6 ソレノイド(図 9)のコネクタを外し、これをデッキロックハーネスの S6 harness というラベルのついているコネクタに接続する。
デッキロックハーネスの S6 SOLENOID というラベルのついているコネクタを、昇降マニホルドの S5 コネクタに接続する。
デッキロックハーネスの、DECK-LOCK SOLENOID というラベルのついているコネクタを、それぞれのデッキロックマニホルドの後部にあるソレノイドに接続する。
ハーネスが鋭利な部分や可動部分に接触しないように、ケーブルタイで固定する。
運転席の支えを外して運転席を元通りにセットする。